Поиск подшипника
Статьи
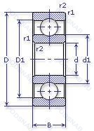
6-215 А — Шариковый радиальный однорядный подшипник, модификация основного исполнения 215, производство ГПЗ.
Размер подшипника: 75x130x25 мм.
Повышенная грузоподъемность.
Аналоги: 6215P6.
Государственный стандарт ГОСТ
6215А
В наличии
| Обозначение | Конструктивные изменения |
|---|---|
| 5-215-Л | Сепаратор из латуни.. |
| 76215 | Шариковый радиальный однорядный подшипник. |
| 8-215 А | Повышенная грузоподъемность. |
| 5-215-АШ2 | Нормы шумности. Повышенная грузоподъемность. |
| 6-215 АШ1 | Повышенная грузоподъемность. Нормы шумности. |
| 6-215 АШ | Повышенная грузоподъемность. Нормы шумности. |
| 76-215 АШ1 | Повышенная грузоподъемность. Нормы шумности. |
| 6215 | Шариковый радиальный однорядный подшипник. |
| 6-215 К5 | Повышенная грузоподъемность. |
| 70215 | Шариковый радиальный однорядный подшипник. |
| 70-215 А | Повышенная грузоподъемность. |
| 70-215 К5 | Повышенная грузоподъемность. |
| 215 | Шариковый радиальный однорядный подшипник. Основное конструктивное исполнение. |
| 215-А | Повышенная грузоподъемность. |
| 215-АШ | Повышенная грузоподъемность. Нормы шумности. |
| 215-К5 | Повышенная грузоподъемность. |
| 215-Ш | Нормы шумности. |
| 4215 | Шариковый радиальный однорядный подшипник. |
| 5-215-Р | Детали из теплоустойчивой (быстрорежущие) стали.. |
Модификации шарикового подшипника 6-215 А — это измененное основное конструктивное исполнение 215, основные размеры (75x130x25) не отличаются.
| Обозначение | Гост | Конструктивные особенности |
|---|---|---|
| 6215P6 | ISO | точность размеров и хода в соответствии с классом допуска ISO 6. |
| M6215ZZ | ISO | Защитные металлические шайбы с обеих сторон. Шарикоподшипник максимальной грузоподъемности. |
| 6215-2RU | ISO | Non Contact Type Friction Torque = Small High Speed Performance = Good Grease Sealing = Better Than ZZ-Type Dirt Resistance = Better Than ZZ-Type Water Resistance = Better Than ZZ / Inferior To 2RS Operating Temp. -30°C To + 100°C. |
| 6215-2NKE | ISO | Double Labyrinth Seal (Non Contact). |
| 6215ZE | ISO | щит из листовой прессованной стали с одной стороны подшипника. |
| 6215NSE | ISO | Резиновое уплотнение с одной стороны. |
| 6215-2Z-N | ISO | Защитные металлические шайбы с обеих сторон подшипника. Канавка под стопорное кольцо на внешнем кольце. |
| 6215-2Z-NR | ISO | Защитные металлические шайбы с обеих сторон подшипника. Канавка под стопорное кольцо на наружном кольце с соответствующим стопорным кольцом. |
| 6215-Z-N | ISO | щит из листовой прессованной стали с одной стороны подшипника. Канавка под стопорное кольцо на внешнем кольце. |
| 6-50215 А | ГОСТ | Повышенная грузоподъемность. |
| 6-80215 А | ГОСТ | Повышенная грузоподъемность. |
| 6-80215 К5 | ГОСТ | Повышенная грузоподъемность. |
| 6-80215 Ш | ГОСТ | Нормы шумности. |
| 60215-А | ГОСТ | Повышенная грузоподъемность. |
| 60215-А1 | ГОСТ | Повышенная грузоподъемность. |
| 60215-К5 | ГОСТ | Повышенная грузоподъемность. |
| 6215LB | ISO | Бесконтактное нитриловое уплотнение. |
| 6215LLUNR | ISO | Канавка и стопорное кольцо на наружном кольце. Двухкромочное нитриловое контактное уплотнение. |
| 6215LU | ISO | Двухкромочное нитриловое контактное уплотнение. |
| 50215-А | ГОСТ | Повышенная грузоподъемность. |
| 50215-К5 | ГОСТ | Повышенная грузоподъемность. |
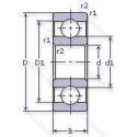
Аналог шарикового подшипника 6-215 А — это подшипник такого же размера dx75,Dx130,Bx25, типа и конструкции.
| Обозначение | Конструктивные особенности | Внутренний (d) | Наружный (D) | Ширина (B) |
|---|---|---|---|---|
| 436215Е | Шариковый радиально-упорный сдвоенный подшипник. Сепаратор из текстолита.. | 75.00 | 130.00 | 25.00 |
| 45-176215 ЕШ2 | Шариковый радиально-упорный однорядный подшипник. Сепаратор из текстолита.. Нормы шумности. | 75.00 | 130.00 | 25.00 |
| 46215-А | Шариковый радиально-упорный однорядный подшипник. Повышенная грузоподъемность. | 75.00 | 130.00 | 25.00 |
| 46215-АЕ | Шариковый радиально-упорный однорядный подшипник. Сепаратор из текстолита.. Повышенная грузоподъемность. | 75.00 | 130.00 | 25.00 |
| 46215-АЛ | Шариковый радиально-упорный однорядный подшипник. Сепаратор из латуни.. Повышенная грузоподъемность. | 75.00 | 130.00 | 25.00 |
| 46215-Е | Шариковый радиально-упорный однорядный подшипник. Сепаратор из текстолита.. | 75.00 | 130.00 | 25.00 |
| 46215-К1 | Шариковый радиально-упорный однорядный подшипник. «Замок» (скос) на внутреннем кольце плюс массивный сепаратор из текстолита. | 75.00 | 130.00 | 25.00 |
| 46215-Л | Шариковый радиально-упорный однорядный подшипник. Сепаратор из латуни.. | 75.00 | 130.00 | 25.00 |
| 46215E5 | Шариковый радиально-упорный однорядный подшипник. Смазочные отверстия и канавки во внутреннем кольце. | 75.00 | 130.00 | 25.00 |
| 46215К | Шариковый радиально-упорный однорядный подшипник. «Замок» (скос) на внутреннем кольце плюс массивный сепаратор из текстолита. | 75.00 | 130.00 | 25.00 |
| 5-126215-Р | Шариковый радиально-упорный однорядный подшипник. Детали из теплоустойчивой (быстрорежущие) стали.. | 75.00 | 130.00 | 25.00 |
| 5-46215-Е | Шариковый радиально-упорный однорядный подшипник. Сепаратор из текстолита.. | 75.00 | 130.00 | 25.00 |
| 5-46215-Е5 | Шариковый радиально-упорный однорядный подшипник. Сепаратор из текстолита.. | 75.00 | 130.00 | 25.00 |
| 5-46215 К | Шариковый радиально-упорный однорядный подшипник. «Замок» (скос) на внутреннем кольце плюс массивный сепаратор из текстолита. | 75.00 | 130.00 | 25.00 |
| 5-46215-Л | Шариковый радиально-упорный однорядный подшипник. Сепаратор из латуни.. | 75.00 | 130.00 | 25.00 |
Способы доставки
Отправка через ведущие транспортные и курьерские компании: ПЭК, Деловые Линии, СДЭК, Байкал-Сервис, Энергия, КИТ, ЖелДорЭкспедиция.
Самовывоз возможен напрямую со склада в Москве.
Сроки доставки
Срок зависит от региона и выбранной транспортной компании. Все заказы комплектуются и отправляются в кратчайшие сроки со склада в Москве.
Надёжность и сохранность
Вся продукция упаковывается с учётом требований транспортировки. Мы гарантируем, что подшипники и комплектующие прибудут к заказчику в полной сохранности.
Доставка в страны ЕАЭС
Мы работаем с проверенными логистическими партнёрами, что позволяет оперативно доставлять заказы в Беларусь, Казахстан, Армению и другие страны ЕАЭС.
Варианты оплаты:
Минимальная сумма заказа и скидки:
Документы и гарантии:
Да, конечно! Наши технические специалисты готовы помочь вам с подбором точного аналога или замены подшипника. Просто позвоните нам по телефону +7 (495) 104-99-04 или напишите на почту zakaz@podsnab.ru.
Для оперативной консультации подготовьте, пожалуйста, имеющиеся данные: маркировку, размеры, тип оборудования или артикул старого подшипника.
Да, конечно! Мы высоко ценим долгосрочное сотрудничество и доверие клиентов по всей России. Для постоянных клиентов действует персональная система скидок.
Условия формируются индивидуально и зависят от:
Чтобы узнать свои условия и получить максимально выгодное предложение, свяжитесь с персональным менеджером или напишите нам на почту zakaz@podsnab.ru.
Вы можете оформить заказ несколькими способами:
Для оформления заказа от юридического лица свяжитесь с нашим отделом по работе с корпоративными клиентами по телефону +7 (495) 104-99-04 или напишите на email zakaz@podsnab.ru, прикрепив реквизиты вашей организации.
Мы оперативно подготовим коммерческое предложение и выставим счет.
Возврат товара надлежащего качества возможен в течение 10 дней с момента получения, если товар не был в употреблении, сохранен товарный вид, упаковка не вскрывалась и присутствуют все сопроводительные документы.
Возврат денежных средств осуществляется в течение 10 рабочих дней после проверки товара складом.
В соответствии с законодательством возврату не подлежат подшипники надлежащего качества, если отсутствует оригинальная упаковка или имеются следы монтажа.
В случае выявления брака или гарантийного случая мы гарантируем возврат или обмен товара.
Да, гарантийный срок хранения устанавливается заводом-изготовителем и в среднем составляет 2 года при соблюдении условий хранения: сухое помещение, оригинальная упаковка и смазка.
Точный срок для конкретного типа подшипника уточняйте у наших менеджеров.
Пн–Пт: с 8:00 до 17:00 (МСК).
Сб–Вс: выходные дни.
Заказы на сайте принимаются круглосуточно. Заявки, поступившие после окончания рабочего дня, обрабатываются на следующий рабочий день.
Минимальная сумма заказа для доставки составляет 3000 рублей. Самовывоз со склада возможен на любую сумму при наличии товара.
ООО «УралТехГрупп»
ИНН: 7415093830
КПП: 772401001
ОГРН: 1167456069021
Банк: ПАО Сбербанк
Р/с: 40702810838000475273
К/с: 30101810400000000225
БИК: 044525225
У подшипника 6-215 А пока нет отзывов. Вы можете стать первым покупателем, поделившимся своим мнением.