Поиск подшипника
Статьи
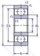
7-1000905 — Шариковый радиальный однорядный подшипник, модификация основного исполнения 1000905, производство ГПЗ.
Размер подшипника: 25x42x9 мм.
Аналоги: 61905.
Государственный стандарт ГОСТ
71000905
В наличии
| Обозначение | Конструктивные изменения |
|---|---|
| 5-1000905-МТР. | Температура отпуска. 160°. Модифицированный контакт.. Детали из теплоустойчивой (быстрорежущие) стали.. |
| 1000905-КЕ | Сепаратор из текстолита.. |
| 8-1000905 | Шариковый радиальный однорядный подшипник. |
| 1000905 | Шариковый радиальный однорядный подшипник. Основное конструктивное исполнение. |
| 1000905-ZZ | Защитные металлические шайбы с обеих сторон. |
| 1000905.2RS | Резиновые уплотнения с каждой стороны подшипника. |
| 2М5-1000905 | Модифицированный контакт.. |
| 4-1000905 | Шариковый радиальный однорядный подшипник. |
| 4-1000905 П | Шариковый радиальный однорядный подшипник. |
| 5-1000905 | Шариковый радиальный однорядный подшипник. |
| 5-1000905-Б | Сепаратор из безоловянистой бронзы.. |
| 5-1000905 М1Р | Модифицированный контакт.. Детали из теплоустойчивой (быстрорежущие) стали.. |
| 5-1000905-Ю1 | Все детали или часть деталей из нержавеющей стали.. |
| 6-1000905 | Шариковый радиальный однорядный подшипник. |
| 6-1000905 Т2 | 200°. Температура отпуска. |
| 6-1000905 У | Дополнительные технические требования. |
Модификации шарикового подшипника 7-1000905 — это измененное основное конструктивное исполнение 1000905, основные размеры (25x42x9) не отличаются.
| Обозначение | Гост | Конструктивные особенности |
|---|---|---|
| 61905 | ISO | Шариковый радиальный однорядный подшипник. |
| 6905-2NKE | ISO | Double Labyrinth Seal (Non Contact). |
| 6905L11 | ISO | Molded Oil™ General Use. |
| 6905L11-H-20DDU | ISO | Pressed Snap-Type Steel Cage. Hardened. Molded Oil™ General Use. |
| 6905L11-H-20 | ISO | Pressed Snap-Type Steel Cage. Hardened. Distance Between Beginning Of The Rail And First Hole In MM. Molded Oil™ General Use. |
| 6905L11-H-20ZZ | ISO | Pressed Snap-Type Steel Cage. Hardened. Molded Oil™ General Use. |
| 7000904-АЕ | ГОСТ | Сепаратор из текстолита.. Повышенная грузоподъемность. |
| SSN905ZZ | ISO | Защитные металлические шайбы с обеих сторон. |
| 6905LLUNR | ISO | Канавка и стопорное кольцо на наружном кольце. Двухкромочное нитриловое контактное уплотнение. |
| 6905LLU | ISO | Контактное резиновое уплотнение с двух сторон. |
| 6905LU | ISO | Двухкромочное нитриловое контактное уплотнение. |
| 6905LLH | ISO | Манжетное уплотнение с обеих сторон подшипника. |
| W 61905 R | ISO | Нержавеющая сталь. С выпуклыми асимметричными роликами и обработанным сепаратором. |
| P6905-GB | ISO | Подшипник для универсального монтажа. Два подшипника. установленные по О-образной или Х-образной схеме. имеют средний преднатяг. |
| P6905-SB | ISO | Double Row. Angular Contact. Non-Filling Notch Bearing. With Outwardly Convergent Угол контактаs. Rigid Design. |
| S61905-2Z | ISO | Защитные металлические шайбы с обеих сторон подшипника. |
| SF61905-2RS | ISO | Резиновые уплотнения с каждой стороны подшипника. |
| SF61905-2Z | ISO | Защитные металлические шайбы с обеих сторон подшипника. |
| F61905-2Z | ISO | Защитные металлические шайбы с обеих сторон подшипника. |
| 3NCHAC905CA | ISO | Угол контакта 20 градусов. Латунный сепаратор с симметричными роликами. |
| 3NCHAC905C | ISO | Угол контакта 20 градусов. |
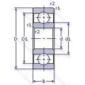
Аналог шарикового подшипника 7-1000905 — это подшипник такого же размера dx25,Dx42,Bx9, типа и конструкции.
| Обозначение | Конструктивные особенности | Внутренний (d) | Наружный (D) | Ширина (B) |
|---|---|---|---|---|
| 7905C | Шариковый радиально-упорный однорядный подшипник. Угол контакта 15°. | 25.00 | 42.00 | 9.00 |
| HSS71905-E-T-P4S | Шариковый радиально-упорный однорядный подшипник. Повышенная грузоподъемность. Textile Laminated Phenolic Resin. Outer Ring Guided. The Cage Is Suitable For Long-Term Operation At Temperatures Up To 100°C. Класс точности. стандарт FAG лучше чем P4. | 25.00 | 42.00 | 9.00 |
| 71905 A | Шариковый радиально-упорный однорядный подшипник. Двухрядный радиально-упорный шарикоподшипник без отверстия для смазки. | 25.00 | 42.00 | 9.00 |
| 7905CPA | Шариковый радиально-упорный однорядный подшипник. Угол контакта 15 градусов. | 25.00 | 42.00 | 9.00 |
| 7905AC | Шариковый радиально-упорный однорядный подшипник. Суффикс для радиально-упорного шарикоподшипника. | 25.00 | 42.00 | 9.00 |
| 7905 A5 | Шариковый радиально-упорный однорядный подшипник. 25° Угол контакта. | 25.00 | 42.00 | 9.00 |
| 5S-2LA-HSE905CG/GNP42 | Шариковый радиально-упорный однорядный подшипник. Угол контакта 15°. Универсальный подшипник. Класс точности JIS4 для размеров и JIS 2 для точности вращения. Гибридный подшипник. | 25.00 | 42.00 | 9.00 |
| 5S-2LA-HSE905ADG/GNP42 | Шариковый радиально-упорный однорядный подшипник. Универсальный подшипник. Класс точности JIS4 для размеров и JIS 2 для точности вращения. Угол контакта 25°. Гибридный подшипник. | 25.00 | 42.00 | 9.00 |
| 1036905-КЕ | Шариковый радиально-упорный однорядный подшипник. «Замок» (скос) на внутреннем кольце плюс массивный сепаратор из текстолита. Сепаратор из текстолита.. | 25.00 | 42.00 | 9.00 |
| 1036905К | Шариковый радиально-упорный однорядный подшипник. «Замок» (скос) на внутреннем кольце плюс массивный сепаратор из текстолита. | 25.00 | 42.00 | 9.00 |
| 1046905К | Шариковый радиально-упорный однорядный подшипник. «Замок» (скос) на внутреннем кольце плюс массивный сепаратор из текстолита. | 25.00 | 42.00 | 9.00 |
| W 61905 R-2Z | Шариковый радиальный подшипник. Защитные металлические шайбы с обеих сторон подшипника. Нержавеющая сталь. С выпуклыми асимметричными роликами и обработанным сепаратором. | 25.00 | 42.00 | 9.00 |
| W 61905-2RZ | Шариковый радиальный подшипник. Шарикоподшипник. С уплотнением и низким коэффициентом трения с обеих сторон. Уплотнение состоит из шайбы из листовой стали с вулканизированной резиной. Нержавеющая сталь. | 25.00 | 42.00 | 9.00 |
| W 61905-2Z | Шариковый радиальный подшипник. Защитные металлические шайбы с обеих сторон подшипника. Нержавеющая сталь. | 25.00 | 42.00 | 9.00 |
| W 61905 | Шариковый радиальный подшипник. Нержавеющая сталь. | 25.00 | 42.00 | 9.00 |
Способы доставки
Отправка через ведущие транспортные и курьерские компании: ПЭК, Деловые Линии, СДЭК, Байкал-Сервис, Энергия, КИТ, ЖелДорЭкспедиция.
Самовывоз возможен напрямую со склада в Москве.
Сроки доставки
Срок зависит от региона и выбранной транспортной компании. Все заказы комплектуются и отправляются в кратчайшие сроки со склада в Москве.
Надёжность и сохранность
Вся продукция упаковывается с учётом требований транспортировки. Мы гарантируем, что подшипники и комплектующие прибудут к заказчику в полной сохранности.
Доставка в страны ЕАЭС
Мы работаем с проверенными логистическими партнёрами, что позволяет оперативно доставлять заказы в Беларусь, Казахстан, Армению и другие страны ЕАЭС.
Варианты оплаты:
Минимальная сумма заказа и скидки:
Документы и гарантии:
Да, конечно! Наши технические специалисты готовы помочь вам с подбором точного аналога или замены подшипника. Просто позвоните нам по телефону +7 (495) 104-99-04 или напишите на почту zakaz@podsnab.ru.
Для оперативной консультации подготовьте, пожалуйста, имеющиеся данные: маркировку, размеры, тип оборудования или артикул старого подшипника.
Да, конечно! Мы высоко ценим долгосрочное сотрудничество и доверие клиентов по всей России. Для постоянных клиентов действует персональная система скидок.
Условия формируются индивидуально и зависят от:
Чтобы узнать свои условия и получить максимально выгодное предложение, свяжитесь с персональным менеджером или напишите нам на почту zakaz@podsnab.ru.
Вы можете оформить заказ несколькими способами:
Для оформления заказа от юридического лица свяжитесь с нашим отделом по работе с корпоративными клиентами по телефону +7 (495) 104-99-04 или напишите на email zakaz@podsnab.ru, прикрепив реквизиты вашей организации.
Мы оперативно подготовим коммерческое предложение и выставим счет.
Возврат товара надлежащего качества возможен в течение 10 дней с момента получения, если товар не был в употреблении, сохранен товарный вид, упаковка не вскрывалась и присутствуют все сопроводительные документы.
Возврат денежных средств осуществляется в течение 10 рабочих дней после проверки товара складом.
В соответствии с законодательством возврату не подлежат подшипники надлежащего качества, если отсутствует оригинальная упаковка или имеются следы монтажа.
В случае выявления брака или гарантийного случая мы гарантируем возврат или обмен товара.
Да, гарантийный срок хранения устанавливается заводом-изготовителем и в среднем составляет 2 года при соблюдении условий хранения: сухое помещение, оригинальная упаковка и смазка.
Точный срок для конкретного типа подшипника уточняйте у наших менеджеров.
Пн–Пт: с 8:00 до 17:00 (МСК).
Сб–Вс: выходные дни.
Заказы на сайте принимаются круглосуточно. Заявки, поступившие после окончания рабочего дня, обрабатываются на следующий рабочий день.
Минимальная сумма заказа для доставки составляет 3000 рублей. Самовывоз со склада возможен на любую сумму при наличии товара.
ООО «УралТехГрупп»
ИНН: 7415093830
КПП: 772401001
ОГРН: 1167456069021
Банк: ПАО Сбербанк
Р/с: 40702810838000475273
К/с: 30101810400000000225
БИК: 044525225
У подшипника 7-1000905 пока нет отзывов. Вы можете стать первым покупателем, поделившимся своим мнением.