Поиск подшипника
Статьи
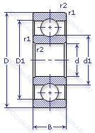
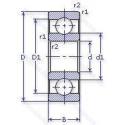
70-212 АК — Шариковый радиальный однорядный подшипник, модификация основного исполнения 212, производство ГПЗ.
Размер подшипника: 60x110x22 мм.
Повышенная грузоподъемность.
Аналоги: 6212C3.
Государственный стандарт ГОСТ
70212АК
В наличии
| Обозначение | Конструктивные изменения |
|---|---|
| 36-212 АКШ | Повышенная грузоподъемность. Нормы шумности. |
| 6-212 АКУШ1 | Дополнительные технические требования. Нормы шумности. Повышенная грузоподъемность. |
| 76-212 АКШ | Повышенная грузоподъемность. Нормы шумности. |
| 6-212 А | Повышенная грузоподъемность. |
| 6-212 АК | Повышенная грузоподъемность. |
| 6-212 АКШ | Повышенная грузоподъемность. Нормы шумности. |
| 6-212 ГТ1 | 180°. Сепаратор из черных металлов.. Температура отпуска. |
| 6-212 Л | Сепаратор из латуни.. |
| 6-212 Ш | Нормы шумности. |
| 6-212 ЮТ | Температура отпуска. 160°. Все детали или часть деталей из нержавеющей стали.. |
| 66-212 А | Повышенная грузоподъемность. |
| 66-212 АК | Повышенная грузоподъемность. |
| 75-212 ЕШ2 | Сепаратор из текстолита.. Нормы шумности. |
| 76-212 АКШ1 | Нормы шумности. Повышенная грузоподъемность. |
| 76-212 Ш1 | Нормы шумности. |
| 76-212 Ю6Т | Температура отпуска. 160°. Все детали или часть деталей из нержавеющей стали.. |
| 76-212 ЮТ | Температура отпуска. 160°. Все детали или часть деталей из нержавеющей стали.. |
| 2-212-У | Дополнительные технические требования. |
| 212-А | Повышенная грузоподъемность. |
| 212-К | «Замок» (скос) на внутреннем кольце плюс массивный сепаратор из текстолита. |
| 212-У | Дополнительные технические требования. |
| 25-212 Б1 | Сепаратор из безоловянистой бронзы.. |
| 25-212 ЕШ2 | Сепаратор из текстолита.. Нормы шумности. |
| 5-212 АК | Повышенная грузоподъемность. |
| 5-212 У1 | Дополнительные технические требования. |
Модификации шарикового подшипника 70-212 АК — это измененное основное конструктивное исполнение 212, основные размеры (60x110x22) не отличаются.
| Обозначение | Гост | Конструктивные особенности |
|---|---|---|
| 6212C3 | ISO | Внутренний зазор больше нормального. |
| 6212LLUNR | ISO | Канавка и стопорное кольцо на наружном кольце. Двухкромочное нитриловое контактное уплотнение. |
| CS212LLU | ISO | Контактное резиновое уплотнение с двух сторон. |
| 6212-2Z/VA228 | ISO | Защитные металлические шайбы с обеих сторон подшипника. Подшипник для работы при высоких температурах (+350℃). |
| 6212NRZ | ISO | Защитная пластина с одной стороны. Канавка и стопорное кольцо на наружном кольце. |
| AB41683 | ISO | Однорядный радиально-упорный шариковый подшипник с полиамидным сепаратором. |
| CS212 | ISO | Сферический наружный диаметр. |
| 150212-А | ГОСТ | Повышенная грузоподъемность. |
| 150212-АК | ГОСТ | Повышенная грузоподъемность. |
| 150212-К | ГОСТ | «Замок» (скос) на внутреннем кольце плюс массивный сепаратор из текстолита. |
| 180212-А1 | ГОСТ | Повышенная грузоподъемность. |
| 180212-А1С17 | ГОСТ | Смазка Литол-24. Повышенная грузоподъемность. |
| 180212-А1С9 | ГОСТ | Повышенная грузоподъемность. Смазка ЛЗ-31. |
| 180212-АКС17 | ГОСТ | Смазка Литол-24. Повышенная грузоподъемность. |
| 180212-АКС9 | ГОСТ | Повышенная грузоподъемность. Смазка ЛЗ-31. |
| 180212-С17 | ГОСТ | Смазка Литол-24. |
| 180212-С27 | ГОСТ | Смазка ФАНОЛ. |
| 50212-А | ГОСТ | Повышенная грузоподъемность. |
| 50212-АК | ГОСТ | Повышенная грузоподъемность. |
| 50312-АК2 | ГОСТ | Повышенная грузоподъемность. |
| 6-180212 Ш1У | ГОСТ | Дополнительные технические требования. Нормы шумности. |
Аналог шарикового подшипника 70-212 АК — это подшипник такого же размера dx60,Dx110,Bx22, типа и конструкции.
| Обозначение | Конструктивные особенности | Внутренний (d) | Наружный (D) | Ширина (B) |
|---|---|---|---|---|
| 5-36212 АЕ1 | Шариковый радиально-упорный однорядный подшипник. Сепаратор из текстолита.. Повышенная грузоподъемность. | 60.00 | 110.00 | 22.00 |
| 5-36212 АЛ | Шариковый радиально-упорный однорядный подшипник. Сепаратор из латуни.. Повышенная грузоподъемность. | 60.00 | 110.00 | 22.00 |
| 5-36212 Е | Шариковый радиально-упорный однорядный подшипник. Сепаратор из текстолита.. | 60.00 | 110.00 | 22.00 |
| 5-36212 К | Шариковый радиально-упорный однорядный подшипник. «Замок» (скос) на внутреннем кольце плюс массивный сепаратор из текстолита. | 60.00 | 110.00 | 22.00 |
| 5-46212 АЕ1 | Шариковый радиально-упорный однорядный подшипник. Сепаратор из текстолита.. Повышенная грузоподъемность. | 60.00 | 110.00 | 22.00 |
| 5-46212 АЛ | Шариковый радиально-упорный однорядный подшипник. Сепаратор из латуни.. Повышенная грузоподъемность. | 60.00 | 110.00 | 22.00 |
| 5-46212 Е | Шариковый радиально-упорный однорядный подшипник. Сепаратор из текстолита.. | 60.00 | 110.00 | 22.00 |
| 5-46212 К | Шариковый радиально-упорный однорядный подшипник. «Замок» (скос) на внутреннем кольце плюс массивный сепаратор из текстолита. | 60.00 | 110.00 | 22.00 |
| 5-46212 Л | Шариковый радиально-упорный однорядный подшипник. Сепаратор из латуни.. | 60.00 | 110.00 | 22.00 |
| 5-66212 Е | Шариковый радиально-упорный однорядный подшипник. Сепаратор из текстолита.. | 60.00 | 110.00 | 22.00 |
| 56-12212 КМ | Роликовый радиальный однорядный подшипник. Модифицированный контакт.. | 60.00 | 110.00 | 22.00 |
| 6-102212 М | Роликовый радиальный однорядный подшипник. Модифицированный контакт.. | 60.00 | 110.00 | 22.00 |
| 6-12212 КМ | Роликовый радиальный однорядный подшипник. Кольцевая проточка на середине цилиндрической наружной поверхности наружного кольца плюс три отверстия для смазки. Модифицированный контакт.. | 60.00 | 110.00 | 22.00 |
| 6-126212 Ю | Шариковый радиально-упорный однорядный подшипник. Все детали или часть деталей из нержавеющей стали.. | 60.00 | 110.00 | 22.00 |
| 6-126212 Ю1 | Шариковый радиально-упорный однорядный подшипник. Все детали или часть деталей из нержавеющей стали.. | 60.00 | 110.00 | 22.00 |
Способы доставки
Отправка через ведущие транспортные и курьерские компании: ПЭК, Деловые Линии, СДЭК, Байкал-Сервис, Энергия, КИТ, ЖелДорЭкспедиция.
Самовывоз возможен напрямую со склада в Москве.
Сроки доставки
Срок зависит от региона и выбранной транспортной компании. Все заказы комплектуются и отправляются в кратчайшие сроки со склада в Москве.
Надёжность и сохранность
Вся продукция упаковывается с учётом требований транспортировки. Мы гарантируем, что подшипники и комплектующие прибудут к заказчику в полной сохранности.
Доставка в страны ЕАЭС
Мы работаем с проверенными логистическими партнёрами, что позволяет оперативно доставлять заказы в Беларусь, Казахстан, Армению и другие страны ЕАЭС.
Варианты оплаты:
Минимальная сумма заказа и скидки:
Документы и гарантии:
Да, конечно! Наши технические специалисты готовы помочь вам с подбором точного аналога или замены подшипника. Просто позвоните нам по телефону +7 (495) 104-99-04 или напишите на почту zakaz@podsnab.ru.
Для оперативной консультации подготовьте, пожалуйста, имеющиеся данные: маркировку, размеры, тип оборудования или артикул старого подшипника.
Да, конечно! Мы высоко ценим долгосрочное сотрудничество и доверие клиентов по всей России. Для постоянных клиентов действует персональная система скидок.
Условия формируются индивидуально и зависят от:
Чтобы узнать свои условия и получить максимально выгодное предложение, свяжитесь с персональным менеджером или напишите нам на почту zakaz@podsnab.ru.
Вы можете оформить заказ несколькими способами:
Для оформления заказа от юридического лица свяжитесь с нашим отделом по работе с корпоративными клиентами по телефону +7 (495) 104-99-04 или напишите на email zakaz@podsnab.ru, прикрепив реквизиты вашей организации.
Мы оперативно подготовим коммерческое предложение и выставим счет.
Возврат товара надлежащего качества возможен в течение 10 дней с момента получения, если товар не был в употреблении, сохранен товарный вид, упаковка не вскрывалась и присутствуют все сопроводительные документы.
Возврат денежных средств осуществляется в течение 10 рабочих дней после проверки товара складом.
В соответствии с законодательством возврату не подлежат подшипники надлежащего качества, если отсутствует оригинальная упаковка или имеются следы монтажа.
В случае выявления брака или гарантийного случая мы гарантируем возврат или обмен товара.
Да, гарантийный срок хранения устанавливается заводом-изготовителем и в среднем составляет 2 года при соблюдении условий хранения: сухое помещение, оригинальная упаковка и смазка.
Точный срок для конкретного типа подшипника уточняйте у наших менеджеров.
Пн–Пт: с 8:00 до 17:00 (МСК).
Сб–Вс: выходные дни.
Заказы на сайте принимаются круглосуточно. Заявки, поступившие после окончания рабочего дня, обрабатываются на следующий рабочий день.
Минимальная сумма заказа для доставки составляет 3000 рублей. Самовывоз со склада возможен на любую сумму при наличии товара.
ООО «УралТехГрупп»
ИНН: 7415093830
КПП: 772401001
ОГРН: 1167456069021
Банк: ПАО Сбербанк
Р/с: 40702810838000475273
К/с: 30101810400000000225
БИК: 044525225
У подшипника 70-212 АК пока нет отзывов. Вы можете стать первым покупателем, поделившимся своим мнением.