Поиск подшипника
Статьи
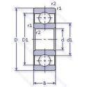
709-Б — Шариковый радиальный однорядный подшипник, модификация основного исполнения 709, производство ГПЗ.
Размер подшипника: 45x75x11 мм.
Сепаратор из безоловянистой бронзы.
Государственный стандарт ГОСТ
709Б
В наличии
| Обозначение | Конструктивные изменения |
|---|---|
| 4-709 Д | Сепаратор из алюминиевого сплава.. |
| 6-709 Б | Сепаратор из безоловянистой бронзы.. |
| 6-709 Д | Сепаратор из алюминиевого сплава.. |
| 709-Д | Сепаратор из алюминиевого сплава.. |
| 709-Е | Сепаратор из текстолита.. |
| 75-709 Р | Детали из теплоустойчивой (быстрорежущие) стали.. |
| 76-709 БТ2 | 200°. Температура отпуска. Сепаратор из безоловянистой бронзы.. |
| 709 | Шариковый радиальный однорядный подшипник. Основное конструктивное исполнение. |
| 26-709 Б | Сепаратор из безоловянистой бронзы.. |
| 26-709 БТ2 | 200°. Температура отпуска. Сепаратор из безоловянистой бронзы.. |
| 5-709 | Шариковый радиальный однорядный подшипник. |
| 5-709 Д | Сепаратор из алюминиевого сплава.. |
Модификации шарикового подшипника 709-Б — это измененное основное конструктивное исполнение 709, основные размеры (45x75x11) не отличаются.
| Обозначение | Гост | Конструктивные особенности |
|---|---|---|
| 4-7000109 Л | ГОСТ | Сепаратор из латуни.. |
| 7-7000109 Л | ГОСТ | Сепаратор из латуни.. |
| 5-7000109 АЕШ2 | ГОСТ | Сепаратор из текстолита.. Нормы шумности. Повышенная грузоподъемность. |
| 6-7000109 АЕШ1 | ГОСТ | Сепаратор из текстолита.. Повышенная грузоподъемность. Нормы шумности. |
| 6-7000109 АЕШ | ГОСТ | Сепаратор из текстолита.. Повышенная грузоподъемность. Нормы шумности. |
| 6-7000109 А1ЕШ1 | ГОСТ | Сепаратор из текстолита.. Повышенная грузоподъемность. Нормы шумности. |
| 6-7000109 | ГОСТ | Шариковый радиальный однорядный подшипник. |
| 6-7000109 Л | ГОСТ | Сепаратор из латуни.. |
| 6-7000109 Ю | ГОСТ | Все детали или часть деталей из нержавеющей стали.. |
| 7000109-АЕ | ГОСТ | Сепаратор из текстолита.. Повышенная грузоподъемность. |
| 7000109-АЛ | ГОСТ | Сепаратор из латуни.. Повышенная грузоподъемность. |
| 7000109-Е | ГОСТ | Сепаратор из текстолита.. |
| 7000109-Л | ГОСТ | Сепаратор из латуни.. |
| 7000109-Ю | ГОСТ | Все детали или часть деталей из нержавеющей стали.. |
| 16009/HR11QN | ISO | Шариковый радиальный однорядный подшипник. |
| 16009/HR22Q2 | ISO | Шариковый радиальный однорядный подшипник. |
| 16009/HR22T2 | ISO | Шариковый радиальный однорядный подшипник. |
| 5-7000109 Е | ГОСТ | Сепаратор из текстолита.. |
| 5-7000109 Л | ГОСТ | Сепаратор из латуни.. |
| 5-7000109 Ю | ГОСТ | Все детали или часть деталей из нержавеющей стали.. |
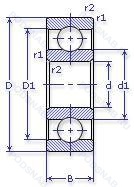
Аналог шарикового подшипника 709-Б — это подшипник такого же размера dx45,Dx75,Bx11, типа и конструкции.
| Обозначение | Конструктивные особенности | Внутренний (d) | Наружный (D) | Ширина (B) |
|---|---|---|---|---|
| 16009E | Подшипник однорядный шариковый радиальный. Повышенная грузоподъемность. | 45.00 | 75.00 | 10.00 |
| 16009C3 | Подшипник однорядный шариковый радиальный. Внутренний зазор больше нормального. | 45.00 | 75.00 | 10.00 |
| 16009ZZ | Подшипник однорядный шариковый радиальный. Защитные металлические шайбы (бесконтактные уплотнения) с обеих сторон подшипника. | 45.00 | 75.00 | 10.00 |
| 16009A.C3 | Подшипник однорядный шариковый радиальный. Внутренний зазор больше нормального. Модификация внутренней конструкции. | 45.00 | 75.00 | 10.00 |
| 16009 2RS | Подшипник однорядный шариковый радиальный. Резиновые уплотнения с каждой стороны подшипника. | 45.00 | 75.00 | 10.00 |
| 16009/W64 | Подшипник однорядный шариковый радиальный. Антифрикционный заполнитель. твердая смазка. | 45.00 | 75.00 | 10.00 |
| 513742 | Подшипник однорядный шариковый радиальный. | 45.00 | 75.00 | 10.00 |
| 16009A | Подшипник однорядный шариковый радиальный. Модификация внутренней конструкции. | 45.00 | 75.00 | 10.00 |
| 16009TNG | Подшипник однорядный шариковый радиальный. Прочный сепаратор из полиамида. армированного стекловолокном. | 45.00 | 75.00 | 10.00 |
| SS16009 2RS | Подшипник однорядный шариковый радиальный. Резиновые уплотнения с каждой стороны подшипника. | 45.00 | 75.00 | 10.00 |
| 16009J C3 | Подшипник однорядный шариковый радиальный. Внутренний зазор больше нормального. Дорожки качения наружного кольца. угол контакта и ширина наружного кольца в соответствии с ISO. | 45.00 | 75.00 | 10.00 |
| 16009.C4 | Подшипник однорядный шариковый радиальный. Внутренний зазор подшипника больше. чем C3. | 45.00 | 75.00 | 10.00 |
| 16009C2 | Подшипник однорядный шариковый радиальный. Внутренний зазор подшипника меньше нормального. | 45.00 | 75.00 | 10.00 |
| 16009 P5 | Подшипник однорядный шариковый радиальный. Размерная и рабочая точность соответствует классу допуска ISO 5. | 45.00 | 75.00 | 10.00 |
| 16009-2RSR | Подшипник однорядный шариковый радиальный. Резиновые уплотнения с каждой стороны подшипника. | 45.00 | 75.00 | 10.00 |
Способы доставки
Отправка через ведущие транспортные и курьерские компании: ПЭК, Деловые Линии, СДЭК, Байкал-Сервис, Энергия, КИТ, ЖелДорЭкспедиция.
Самовывоз возможен напрямую со склада в Москве.
Сроки доставки
Срок зависит от региона и выбранной транспортной компании. Все заказы комплектуются и отправляются в кратчайшие сроки со склада в Москве.
Надёжность и сохранность
Вся продукция упаковывается с учётом требований транспортировки. Мы гарантируем, что подшипники и комплектующие прибудут к заказчику в полной сохранности.
Доставка в страны ЕАЭС
Мы работаем с проверенными логистическими партнёрами, что позволяет оперативно доставлять заказы в Беларусь, Казахстан, Армению и другие страны ЕАЭС.
Варианты оплаты:
Минимальная сумма заказа и скидки:
Документы и гарантии:
Да, конечно! Наши технические специалисты готовы помочь вам с подбором точного аналога или замены подшипника. Просто позвоните нам по телефону +7 (495) 104-99-04 или напишите на почту zakaz@podsnab.ru.
Для оперативной консультации подготовьте, пожалуйста, имеющиеся данные: маркировку, размеры, тип оборудования или артикул старого подшипника.
Да, конечно! Мы высоко ценим долгосрочное сотрудничество и доверие клиентов по всей России. Для постоянных клиентов действует персональная система скидок.
Условия формируются индивидуально и зависят от:
Чтобы узнать свои условия и получить максимально выгодное предложение, свяжитесь с персональным менеджером или напишите нам на почту zakaz@podsnab.ru.
Вы можете оформить заказ несколькими способами:
Для оформления заказа от юридического лица свяжитесь с нашим отделом по работе с корпоративными клиентами по телефону +7 (495) 104-99-04 или напишите на email zakaz@podsnab.ru, прикрепив реквизиты вашей организации.
Мы оперативно подготовим коммерческое предложение и выставим счет.
Возврат товара надлежащего качества возможен в течение 10 дней с момента получения, если товар не был в употреблении, сохранен товарный вид, упаковка не вскрывалась и присутствуют все сопроводительные документы.
Возврат денежных средств осуществляется в течение 10 рабочих дней после проверки товара складом.
В соответствии с законодательством возврату не подлежат подшипники надлежащего качества, если отсутствует оригинальная упаковка или имеются следы монтажа.
В случае выявления брака или гарантийного случая мы гарантируем возврат или обмен товара.
Да, гарантийный срок хранения устанавливается заводом-изготовителем и в среднем составляет 2 года при соблюдении условий хранения: сухое помещение, оригинальная упаковка и смазка.
Точный срок для конкретного типа подшипника уточняйте у наших менеджеров.
Пн–Пт: с 8:00 до 17:00 (МСК).
Сб–Вс: выходные дни.
Заказы на сайте принимаются круглосуточно. Заявки, поступившие после окончания рабочего дня, обрабатываются на следующий рабочий день.
Минимальная сумма заказа для доставки составляет 3000 рублей. Самовывоз со склада возможен на любую сумму при наличии товара.
ООО «УралТехГрупп»
ИНН: 7415093830
КПП: 772401001
ОГРН: 1167456069021
Банк: ПАО Сбербанк
Р/с: 40702810838000475273
К/с: 30101810400000000225
БИК: 044525225
У подшипника 709-Б пока нет отзывов. Вы можете стать первым покупателем, поделившимся своим мнением.