Поиск подшипника
Статьи
16009/HR22T2 — Шариковый радиальный однорядный подшипник, модификация основного исполнения 16009, производство SKF.
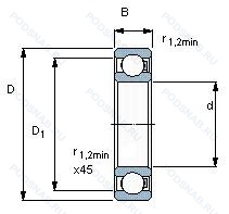
Размер подшипника: 45x75x10 мм.
Международная стандартизации ISO
16009HR22T2
В наличии
| Обозначение | Конструктивные изменения |
|---|---|
| 16009 | Шариковый радиальный однорядный подшипник. Основное конструктивное исполнение. |
| 16009E | Повышенная грузоподъемность. |
| 16009C3 | Внутренний зазор больше нормального. |
| 16009ZZ | Защитные металлические шайбы (бесконтактные уплотнения) с обеих сторон подшипника. |
| 16009A.C3 | Внутренний зазор больше нормального. Модификация внутренней конструкции. |
| 16009 2RS | Резиновые уплотнения с каждой стороны подшипника. |
| 16009/W64 | Антифрикционный заполнитель. твердая смазка. |
| 16009A | Модификация внутренней конструкции. |
| 16009TNG | Прочный сепаратор из полиамида. армированного стекловолокном. |
| 16009J C3 | Внутренний зазор больше нормального. Дорожки качения наружного кольца. угол контакта и ширина наружного кольца в соответствии с ISO. |
| 16009.C4 | Внутренний зазор подшипника больше. чем C3. |
| 16009C2 | Внутренний зазор подшипника меньше нормального. |
| 16009 P5 | Размерная и рабочая точность соответствует классу допуска ISO 5. |
| 16009-2RSR | Резиновые уплотнения с каждой стороны подшипника. |
| 16009/HR11TN | Шариковый радиальный однорядный подшипник. |
| 16009/HR11QN | Шариковый радиальный однорядный подшипник. |
| 16009/HR22Q2 | Шариковый радиальный однорядный подшипник. |
Модификации шарикового подшипника 16009/HR22T2 — это измененное основное конструктивное исполнение 16009, основные размеры (45x75x10) не отличаются.
| Обозначение | Гост | Конструктивные особенности |
|---|---|---|
| 6-7000109 Л | ГОСТ | Сепаратор из латуни.. |
| 6-7000109 Ю | ГОСТ | Все детали или часть деталей из нержавеющей стали.. |
| 6-709 Б | ГОСТ | Сепаратор из безоловянистой бронзы.. |
| 6-709 Д | ГОСТ | Сепаратор из алюминиевого сплава.. |
| 7000109-АЕ | ГОСТ | Сепаратор из текстолита.. Повышенная грузоподъемность. |
| 7000109-АЛ | ГОСТ | Сепаратор из латуни.. Повышенная грузоподъемность. |
| 7000109-Е | ГОСТ | Сепаратор из текстолита.. |
| 7000109-Л | ГОСТ | Сепаратор из латуни.. |
| 7000109-Ю | ГОСТ | Все детали или часть деталей из нержавеющей стали.. |
| 709-Д | ГОСТ | Сепаратор из алюминиевого сплава.. |
| 709-Е | ГОСТ | Сепаратор из текстолита.. |
| 709-Б | ГОСТ | Сепаратор из безоловянистой бронзы.. |
| 75-709 Р | ГОСТ | Детали из теплоустойчивой (быстрорежущие) стали.. |
| 76-709 БТ2 | ГОСТ | 200°. Температура отпуска. Сепаратор из безоловянистой бронзы.. |
| 26-709 Б | ГОСТ | Сепаратор из безоловянистой бронзы.. |
| 26-709 БТ2 | ГОСТ | 200°. Температура отпуска. Сепаратор из безоловянистой бронзы.. |
| 5-7000109 Е | ГОСТ | Сепаратор из текстолита.. |
| 5-7000109 Л | ГОСТ | Сепаратор из латуни.. |
| 5-7000109 Ю | ГОСТ | Все детали или часть деталей из нержавеющей стали.. |
| 5-709 Д | ГОСТ | Сепаратор из алюминиевого сплава.. |
Аналог шарикового подшипника 16009/HR22T2 — это подшипник такого же размера dx45,Dx75,Bx10, типа и конструкции.
| Обозначение | Конструктивные особенности | Внутренний (d) | Наружный (D) | Ширина (B) |
|---|---|---|---|---|
| 237918 | Подшипник однорядный шариковый радиальный. | 45.00 | 75.00 | 10.00 |
| 513742 | Подшипник однорядный шариковый радиальный. | 45.00 | 75.00 | 10.00 |
| SS16009 2RS | Подшипник однорядный шариковый радиальный. Резиновые уплотнения с каждой стороны подшипника. | 45.00 | 75.00 | 10.00 |
Способы доставки
Отправка через ведущие транспортные и курьерские компании: ПЭК, Деловые Линии, СДЭК, Байкал-Сервис, Энергия, КИТ, ЖелДорЭкспедиция.
Самовывоз возможен напрямую со склада в Москве.
Сроки доставки
Срок зависит от региона и выбранной транспортной компании. Все заказы комплектуются и отправляются в кратчайшие сроки со склада в Москве.
Надёжность и сохранность
Вся продукция упаковывается с учётом требований транспортировки. Мы гарантируем, что подшипники и комплектующие прибудут к заказчику в полной сохранности.
Доставка в страны ЕАЭС
Мы работаем с проверенными логистическими партнёрами, что позволяет оперативно доставлять заказы в Беларусь, Казахстан, Армению и другие страны ЕАЭС.
Варианты оплаты:
Минимальная сумма заказа и скидки:
Документы и гарантии:
Да, конечно! Наши технические специалисты готовы помочь вам с подбором точного аналога или замены подшипника. Просто позвоните нам по телефону +7 (495) 104-99-04 или напишите на почту zakaz@podsnab.ru.
Для оперативной консультации подготовьте, пожалуйста, имеющиеся данные: маркировку, размеры, тип оборудования или артикул старого подшипника.
Да, конечно! Мы высоко ценим долгосрочное сотрудничество и доверие клиентов по всей России. Для постоянных клиентов действует персональная система скидок.
Условия формируются индивидуально и зависят от:
Чтобы узнать свои условия и получить максимально выгодное предложение, свяжитесь с персональным менеджером или напишите нам на почту zakaz@podsnab.ru.
Вы можете оформить заказ несколькими способами:
Для оформления заказа от юридического лица свяжитесь с нашим отделом по работе с корпоративными клиентами по телефону +7 (495) 104-99-04 или напишите на email zakaz@podsnab.ru, прикрепив реквизиты вашей организации.
Мы оперативно подготовим коммерческое предложение и выставим счет.
Возврат товара надлежащего качества возможен в течение 10 дней с момента получения, если товар не был в употреблении, сохранен товарный вид, упаковка не вскрывалась и присутствуют все сопроводительные документы.
Возврат денежных средств осуществляется в течение 10 рабочих дней после проверки товара складом.
В соответствии с законодательством возврату не подлежат подшипники надлежащего качества, если отсутствует оригинальная упаковка или имеются следы монтажа.
В случае выявления брака или гарантийного случая мы гарантируем возврат или обмен товара.
Да, гарантийный срок хранения устанавливается заводом-изготовителем и в среднем составляет 2 года при соблюдении условий хранения: сухое помещение, оригинальная упаковка и смазка.
Точный срок для конкретного типа подшипника уточняйте у наших менеджеров.
Пн–Пт: с 8:00 до 17:00 (МСК).
Сб–Вс: выходные дни.
Заказы на сайте принимаются круглосуточно. Заявки, поступившие после окончания рабочего дня, обрабатываются на следующий рабочий день.
Минимальная сумма заказа для доставки составляет 3000 рублей. Самовывоз со склада возможен на любую сумму при наличии товара.
ООО «УралТехГрупп»
ИНН: 7415093830
КПП: 772401001
ОГРН: 1167456069021
Банк: ПАО Сбербанк
Р/с: 40702810838000475273
К/с: 30101810400000000225
БИК: 044525225
У подшипника 16009/HR22T2 пока нет отзывов. Вы можете стать первым покупателем, поделившимся своим мнением.