Поиск подшипника
Статьи
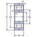
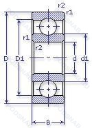
75-317 ЕШ2 — Шариковый радиальный однорядный подшипник, модификация основного исполнения 317, производство ГПЗ.
Размер подшипника: 85x180x41 мм.
Нормы шумности, сепаратор из текстолита.
Аналоги: 6317TBP53Q66.
Государственный стандарт ГОСТ
75317ЕШ2
В наличии
| Обозначение | Конструктивные изменения |
|---|---|
| 5-317 АШ2 | Нормы шумности. Повышенная грузоподъемность. |
| 6-317 АШ1 | Повышенная грузоподъемность. Нормы шумности. |
| 76-317 АШ2 | Нормы шумности. Повышенная грузоподъемность. |
| 76-317 АШ | Повышенная грузоподъемность. Нормы шумности. |
| 76-317 ЕШ2У | Сепаратор из текстолита.. Дополнительные технические требования. Нормы шумности. |
| 6-317 Ш | Нормы шумности. |
| 6-317 Ш1 | Нормы шумности. |
| 6-317 Ш2У | Дополнительные технические требования. Нормы шумности. |
| 70-317 А | Повышенная грузоподъемность. |
| 70-317 Ш | Нормы шумности. |
| 74-317 Е1Ш8 | Сепаратор из текстолита.. Нормы шумности. |
| 74-317 ЕШ5 | Сепаратор из текстолита.. Нормы шумности. |
| 74-317 ЕШ8 | Сепаратор из текстолита.. Нормы шумности. |
| 75-317 ЕШ3 | Сепаратор из текстолита.. Нормы шумности. |
| 76-317 АШ1 | Повышенная грузоподъемность. Нормы шумности. |
| 76-317 ЕШ1 | Сепаратор из текстолита.. Нормы шумности. |
| 76-317 Ш2У | Дополнительные технические требования. Нормы шумности. |
| 2В0-317 А | Повышенная грузоподъемность. |
| 2В080-317 А | Повышенная грузоподъемность. |
| 2В70-317 А | Повышенная грузоподъемность. |
| 317-A | Двухрядный радиально-упорный шарикоподшипник без отверстия для смазки. |
| 317-А | Повышенная грузоподъемность. |
| 317-АЕ | Сепаратор из текстолита.. Повышенная грузоподъемность. |
| 317-К5 | Повышенная грузоподъемность. |
| 317-Ш2У | Дополнительные технические требования. Нормы шумности. |
Модификации шарикового подшипника 75-317 ЕШ2 — это измененное основное конструктивное исполнение 317, основные размеры (85x180x41) не отличаются.
| Обозначение | Гост | Конструктивные особенности |
|---|---|---|
| M6317ZZX | ISO | Шарикоподшипник максимальной грузоподъемности. |
| M6317 | ISO | Шарикоподшипник максимальной грузоподъемности. |
| 6317-2RU | ISO | Non Contact Type Friction Torque = Small High Speed Performance = Good Grease Sealing = Better Than ZZ-Type Dirt Resistance = Better Than ZZ-Type Water Resistance = Better Than ZZ / Inferior To 2RS Operating Temp. -30°C To + 100°C. |
| 6317ZX | ISO | Съемная защитная шайба с одной стороны. |
| 6317-2NK | ISO | Double Labyrinth Seal (Non Contact). |
| 6317NSL | ISO | Резиновое уплотнение с одной стороны. |
| 6317NK | ISO | One Labyrinth Seal (Non Contact). |
| 6317VV | ISO | Защитные металлические шайбы. с обеих сторон подшипника. Бесконтактное уплотнение. (лучше. чем ZZ. Можно использовать в умеренно запыленной среде). |
| BL 317 ZZ | ISO | Защитные металлические шайбы с обеих сторон. |
| 74-170317 Е1Ш8 | ГОСТ | Сепаратор из текстолита.. Нормы шумности. |
| 74-170317 ЕШ6 | ГОСТ | Сепаратор из текстолита.. Нормы шумности. |
| 75-170317 ЕШ | ГОСТ | Сепаратор из текстолита.. Нормы шумности. |
| 75-170317 ЕШ2 | ГОСТ | Сепаратор из текстолита.. Нормы шумности. |
| 75-170317 ЕШ3 | ГОСТ | Сепаратор из текстолита.. Нормы шумности. |
| 6317LLB | ISO | Уплотнение бесконтактного типа из синтетического каучука. |
| 6317LLU | ISO | Контактное резиновое уплотнение с двух сторон. |
| 6317LU | ISO | Двухкромочное нитриловое контактное уплотнение. |
| 2В0-80317 АС17 | ГОСТ | Смазка Литол-24. Повышенная грузоподъемность. |
| 5-50317 Л | ГОСТ | Сепаратор из латуни.. |
| 6-180317 Ш2У | ГОСТ | Дополнительные технические требования. Нормы шумности. |
Аналог шарикового подшипника 75-317 ЕШ2 — это подшипник такого же размера dx85,Dx180,Bx41, типа и конструкции.
| Обозначение | Конструктивные особенности | Внутренний (d) | Наружный (D) | Ширина (B) |
|---|---|---|---|---|
| 1317SK | Шариковый сферический двухрядный подшипник. Кулачковый толкатель штифтового типа. С шестигранной головкой. | 85.00 | 180.00 | 41.00 |
| 42317-АЕ | Роликовый радиальный однорядный подшипник. Сепаратор из текстолита.. Повышенная грузоподъемность. | 85.00 | 180.00 | 41.00 |
| 42317-Л | Роликовый радиальный однорядный подшипник. Сепаратор из латуни.. | 85.00 | 180.00 | 41.00 |
| 42317-Л1 | Роликовый радиальный однорядный подшипник. Сепаратор из латуни.. | 85.00 | 180.00 | 41.00 |
| 42317-М | Роликовый радиальный однорядный подшипник. Модифицированный контакт.. | 85.00 | 180.00 | 41.00 |
| 42317AE | Роликовый радиальный однорядный подшипник. Без суффикса. но с обозначением типа. | 85.00 | 180.00 | 41.00 |
| 42317EM | Роликовый радиальный однорядный подшипник. Стандартный фланцевый ( с резьбой и сквозным отверстием). | 85.00 | 180.00 | 41.00 |
| 42317KM | Роликовый радиальный однорядный подшипник. Type Of Model. | 85.00 | 180.00 | 41.00 |
| 42317M | Роликовый радиальный однорядный подшипник. Подшипник с латунным сепаратором. центрированный по телам качения. | 85.00 | 180.00 | 41.00 |
| 45-176317 ЕШ2 | Шариковый радиально-упорный однорядный подшипник. Сепаратор из текстолита.. Нормы шумности. | 85.00 | 180.00 | 41.00 |
| 46317-Е5 | Шариковый радиально-упорный однорядный подшипник. Сепаратор из текстолита.. | 85.00 | 180.00 | 41.00 |
| 46317-Л | Шариковый радиально-упорный однорядный подшипник. Сепаратор из латуни.. | 85.00 | 180.00 | 41.00 |
| 46317К | Шариковый радиально-упорный однорядный подшипник. «Замок» (скос) на внутреннем кольце плюс массивный сепаратор из текстолита. | 85.00 | 180.00 | 41.00 |
| 5-2317 К1Ш2У | Роликовый радиальный однорядный подшипник. Кольцевая проточка на середине цилиндрической наружной поверхности наружного кольца плюс три отверстия для смазки. Дополнительные технические требования. Нормы шумности. | 85.00 | 180.00 | 41.00 |
| 6-176317 Е | Шариковый радиально-упорный однорядный подшипник. Сепаратор из текстолита.. | 85.00 | 180.00 | 41.00 |
Способы доставки
Отправка через ведущие транспортные и курьерские компании: ПЭК, Деловые Линии, СДЭК, Байкал-Сервис, Энергия, КИТ, ЖелДорЭкспедиция.
Самовывоз возможен напрямую со склада в Москве.
Сроки доставки
Срок зависит от региона и выбранной транспортной компании. Все заказы комплектуются и отправляются в кратчайшие сроки со склада в Москве.
Надёжность и сохранность
Вся продукция упаковывается с учётом требований транспортировки. Мы гарантируем, что подшипники и комплектующие прибудут к заказчику в полной сохранности.
Доставка в страны ЕАЭС
Мы работаем с проверенными логистическими партнёрами, что позволяет оперативно доставлять заказы в Беларусь, Казахстан, Армению и другие страны ЕАЭС.
Варианты оплаты:
Минимальная сумма заказа и скидки:
Документы и гарантии:
Да, конечно! Наши технические специалисты готовы помочь вам с подбором точного аналога или замены подшипника. Просто позвоните нам по телефону +7 (495) 104-99-04 или напишите на почту zakaz@podsnab.ru.
Для оперативной консультации подготовьте, пожалуйста, имеющиеся данные: маркировку, размеры, тип оборудования или артикул старого подшипника.
Да, конечно! Мы высоко ценим долгосрочное сотрудничество и доверие клиентов по всей России. Для постоянных клиентов действует персональная система скидок.
Условия формируются индивидуально и зависят от:
Чтобы узнать свои условия и получить максимально выгодное предложение, свяжитесь с персональным менеджером или напишите нам на почту zakaz@podsnab.ru.
Вы можете оформить заказ несколькими способами:
Для оформления заказа от юридического лица свяжитесь с нашим отделом по работе с корпоративными клиентами по телефону +7 (495) 104-99-04 или напишите на email zakaz@podsnab.ru, прикрепив реквизиты вашей организации.
Мы оперативно подготовим коммерческое предложение и выставим счет.
Возврат товара надлежащего качества возможен в течение 10 дней с момента получения, если товар не был в употреблении, сохранен товарный вид, упаковка не вскрывалась и присутствуют все сопроводительные документы.
Возврат денежных средств осуществляется в течение 10 рабочих дней после проверки товара складом.
В соответствии с законодательством возврату не подлежат подшипники надлежащего качества, если отсутствует оригинальная упаковка или имеются следы монтажа.
В случае выявления брака или гарантийного случая мы гарантируем возврат или обмен товара.
Да, гарантийный срок хранения устанавливается заводом-изготовителем и в среднем составляет 2 года при соблюдении условий хранения: сухое помещение, оригинальная упаковка и смазка.
Точный срок для конкретного типа подшипника уточняйте у наших менеджеров.
Пн–Пт: с 8:00 до 17:00 (МСК).
Сб–Вс: выходные дни.
Заказы на сайте принимаются круглосуточно. Заявки, поступившие после окончания рабочего дня, обрабатываются на следующий рабочий день.
Минимальная сумма заказа для доставки составляет 3000 рублей. Самовывоз со склада возможен на любую сумму при наличии товара.
ООО «УралТехГрупп»
ИНН: 7415093830
КПП: 772401001
ОГРН: 1167456069021
Банк: ПАО Сбербанк
Р/с: 40702810838000475273
К/с: 30101810400000000225
БИК: 044525225
У подшипника 75-317 ЕШ2 пока нет отзывов. Вы можете стать первым покупателем, поделившимся своим мнением.