Поиск подшипника
Статьи
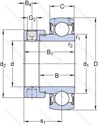
E2.YET 208 — Шариковый радиальный однорядный подшипник, основное исполнение, производство SKF.
Размер подшипника: 40x80x43 мм.
Международная стандартизации ISO
E2YET208
В наличии
| Обозначение | Гост | Конструктивные особенности |
|---|---|---|
| 780208-КНС17 | ГОСТ | Смазка Литол-24. Детали из теплостойкой стали. |
| UELS208LD1N | ISO | Канавка для стопорного кольца на наружном кольце. |
| AELS208N | ISO | Канавка для стопорного кольца на наружном кольце. |
| E2.YSP 208 SB-2F | ISO | Шариковый радиальный однорядный подшипник. |
| ES208 | ISO | Сферический наружный диаметр. Контактное уплотнение с одной стороны. |
| SM1109KT | ISO | Greases With Lower Operating Temperature -30°C. |
| G1109KPPB3 | ISO | Шариковый радиальный однорядный подшипник. |
| G1109KLL | ISO | BALL BEARING. CONRAD TYPE. INDUSTRIAL POWER TRANSMISSION. DOUBLE MECHANI-SEAL. |
| G1109KLLB | ISO | Шариковый радиальный однорядный подшипник. |
| GE40KRR | ISO | Манжетные уплотнения с обеих сторон (уплотнение типа R - имеет оцинкованные внутреннюю и внешнюю крышки. Между крышками имеется уплотнительная кромка NBR. идущая по шлифованному буртику). |
| 1109KLL | ISO | BALL BEARING. CONRAD TYPE. INDUSTRIAL POWER TRANSMISSION. DOUBLE MECHANI-SEAL. |
| 1109KLLB | ISO | Шариковый радиальный однорядный подшипник. |
| 1109KRR | ISO | Манжетные уплотнения с обеих сторон (уплотнение типа R - имеет оцинкованные внутреннюю и внешнюю крышки. Между крышками имеется уплотнительная кромка NBR. идущая по шлифованному буртику). |
| 1109KRRB | ISO | Шариковый радиальный однорядный подшипник. |
| 480208 | ГОСТ | Шариковый радиальный однорядный подшипник. |
Аналог шарикового подшипника E2.YET 208 — это подшипник такого же размера dx40,Dx80,Bx43, типа и конструкции.
| Обозначение | Конструктивные особенности | Внутренний (d) | Наружный (D) | Ширина (B) |
|---|---|---|---|---|
| FH208-40MM | Подшипник для корпуса. Миллиметры. | 40.00 | 80.00 | 43.70 |
| UG208+ER | Подшипник для корпуса. Эксцентриковое кольцо. | 40.00 | 80.00 | 42.80 |
| RAE40NPP FA106 | Подшипник для корпуса. Манжетные уплотнения с обеих сторон (Тип P — две шайбы из оцинкованной листовой стали с промежуточной частью из NBR. Кромка уплотнения предварительно нагружена в осевом направлении). Подшипник подвергается специальным испытаниям на шум. | 40.00 | 80.00 | 43.80 |
| WPS109GRC | Подшипник для корпуса. Указывает на наличие эксцентрикового стопорного кольца в комплекте с подшипником. Подшипники с установочным винтом не имеют втулки. Многоразовая смазка. Широкий одинарный манжетный уплотнитель. | 39.69 | 80.00 | 42.86 |
| GLE40KRRB | Подшипник для корпуса. Подшипник со сферическим наружным кольцом. Манжетные уплотнения с обеих сторон (уплотнение типа R - имеет оцинкованные внутреннюю и внешнюю крышки. Между крышками имеется уплотнительная кромка NBR. идущая по шлифованному буртику). | 40.00 | 80.00 | 42.90 |
| UE208PZ | Подшипник для корпуса. Non-Standard Tolerance. | 40.00 | 80.00 | 43.70 |
| ES208G2 | Подшипник для корпуса. Cистема повторного смазывания для корпусных подшипников. | 40.00 | 80.00 | 43.70 |
| YET208CW | Подшипник для корпуса. С цилиндрическим наружным диаметром. | 40.00 | 80.00 | 43.70 |
| RAE40NPP NR | Подшипник для корпуса. Slot And Snap Ring For Radial Insert Ball Bearings With Cylindrical Outer Ring. Манжетные уплотнения с обеих сторон (Тип P — две шайбы из оцинкованной листовой стали с промежуточной частью из NBR. Кромка уплотнения предварительно нагружена в осевом направлении). | 40.00 | 80.00 | 43.80 |
| KHR208NR | Подшипник для корпуса. Канавка под стопорное кольцо на наружном кольце с соответствующим стопорным кольцом. | 40.00 | 80.00 | 43.70 |
| RAE40RR+COL | Подшипник для корпуса. Резиновое уплотнение с двух сторон. Товар включает втулку. | 40.00 | 80.00 | 43.66 |
| UY208.2S.Y.H | Подшипник для корпуса. Pressed Snap-Type Steel Cage. Hardened. Сепаратор из прессованной латуни. Центрирование шарика. Одинарное уплотнение с лабиринтом между листовой частью и резиновой кромкой, обеспечивающей контактное уплотнение. | 40.00 | 80.00 | 43.70 |
| YSP 208 SB-2F | Корпусный подшипник. Стандартное контактное уплотнение с дополнительным маслоотражательным кольцом с обеих сторон. Double Row. Angular Contact. Non-Filling Notch Bearing. With Outwardly Convergent Угол контактаs. Rigid Design. | 40.00 | 80.00 | 42.90 |
| YSPAG 208 | Корпусный подшипник. Измененная или модифицированная внутренняя конструкция при неизменных основных размерах. | 40.00 | 80.00 | 42.90 |
| YELAG208 | Корпусный подшипник однорядный. Измененная или модифицированная внутренняя конструкция при неизменных основных размерах. | 40.00 | 80.00 | 42.80 |
Способы доставки
Отправка через ведущие транспортные и курьерские компании: ПЭК, Деловые Линии, СДЭК, Байкал-Сервис, Энергия, КИТ, ЖелДорЭкспедиция.
Самовывоз возможен напрямую со склада в Москве.
Сроки доставки
Срок зависит от региона и выбранной транспортной компании. Все заказы комплектуются и отправляются в кратчайшие сроки со склада в Москве.
Надёжность и сохранность
Вся продукция упаковывается с учётом требований транспортировки. Мы гарантируем, что подшипники и комплектующие прибудут к заказчику в полной сохранности.
Доставка в страны ЕАЭС
Мы работаем с проверенными логистическими партнёрами, что позволяет оперативно доставлять заказы в Беларусь, Казахстан, Армению и другие страны ЕАЭС.
Варианты оплаты:
Минимальная сумма заказа и скидки:
Документы и гарантии:
Да, конечно! Наши технические специалисты готовы помочь вам с подбором точного аналога или замены подшипника. Просто позвоните нам по телефону +7 (495) 104-99-04 или напишите на почту zakaz@podsnab.ru.
Для оперативной консультации подготовьте, пожалуйста, имеющиеся данные: маркировку, размеры, тип оборудования или артикул старого подшипника.
Да, конечно! Мы высоко ценим долгосрочное сотрудничество и доверие клиентов по всей России. Для постоянных клиентов действует персональная система скидок.
Условия формируются индивидуально и зависят от:
Чтобы узнать свои условия и получить максимально выгодное предложение, свяжитесь с персональным менеджером или напишите нам на почту zakaz@podsnab.ru.
Вы можете оформить заказ несколькими способами:
Для оформления заказа от юридического лица свяжитесь с нашим отделом по работе с корпоративными клиентами по телефону +7 (495) 104-99-04 или напишите на email zakaz@podsnab.ru, прикрепив реквизиты вашей организации.
Мы оперативно подготовим коммерческое предложение и выставим счет.
Возврат товара надлежащего качества возможен в течение 10 дней с момента получения, если товар не был в употреблении, сохранен товарный вид, упаковка не вскрывалась и присутствуют все сопроводительные документы.
Возврат денежных средств осуществляется в течение 10 рабочих дней после проверки товара складом.
В соответствии с законодательством возврату не подлежат подшипники надлежащего качества, если отсутствует оригинальная упаковка или имеются следы монтажа.
В случае выявления брака или гарантийного случая мы гарантируем возврат или обмен товара.
Да, гарантийный срок хранения устанавливается заводом-изготовителем и в среднем составляет 2 года при соблюдении условий хранения: сухое помещение, оригинальная упаковка и смазка.
Точный срок для конкретного типа подшипника уточняйте у наших менеджеров.
Пн–Пт: с 8:00 до 17:00 (МСК).
Сб–Вс: выходные дни.
Заказы на сайте принимаются круглосуточно. Заявки, поступившие после окончания рабочего дня, обрабатываются на следующий рабочий день.
Минимальная сумма заказа для доставки составляет 3000 рублей. Самовывоз со склада возможен на любую сумму при наличии товара.
ООО «УралТехГрупп»
ИНН: 7415093830
КПП: 772401001
ОГРН: 1167456069021
Банк: ПАО Сбербанк
Р/с: 40702810838000475273
К/с: 30101810400000000225
БИК: 044525225
У подшипника E2.YET 208 пока нет отзывов. Вы можете стать первым покупателем, поделившимся своим мнением.