Поиск подшипника
Статьи
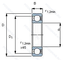
16008/HR11QN — Шариковый радиальный однорядный подшипник, модификация основного исполнения 16008, производство SKF.
Размер подшипника: 40x68x9 мм.
Международная стандартизации ISO
16008HR11QN
В наличии
| Обозначение | Конструктивные изменения |
|---|---|
| 16008ZZ C3 | Внутренний зазор больше нормального. Защитные металлические шайбы с обеих сторон. |
| 16008 | Шариковый радиальный однорядный подшипник. Основное конструктивное исполнение. |
| 16008 2RS | Прорезиненное уплотнение с двух сторон. |
| 16008-2Z | Защитные металлические шайбы с обеих сторон подшипника. |
| 16008CM | Шариковый подшипник. Специальный радиальный внутренний зазор для электродвигателей. |
| 16008ZZ | Защитные металлические шайбы (бесконтактные уплотнения) с обеих сторон подшипника. |
| 16008-A | Двухрядный радиально-упорный шарикоподшипник без отверстия для смазки. |
| 16008C3 | Внутренний зазор больше нормального. |
| 16008ZR | Металлическое уплотнение с одной стороны. Радиальный тип. |
| 16008M | Подшипник с латунным сепаратором. центрированный по телам качения. |
| 16008/W64 | Антифрикционный заполнитель. твердая смазка. |
| 16008-2Z-GL | Защитные металлические шайбы с обеих сторон. Консистентная смазка. |
| 16008-2Z-GL-SU | Защитные металлические шайбы с обеих сторон. Single. Universally Ground. Консистентная смазка. |
| 16008/VB007 | Шариковый радиальный однорядный подшипник. |
| 16008TB | Сепаратор оконного типа из фенольной смолы. армированной тканью. Центрирование по внутреннему кольцу. |
| 16008-ZTN9 | Литой защелкивающийся сепаратор из полиамида. армированного стекловолокном 6.6. щит из листовой прессованной стали с одной стороны подшипника. |
| 16008C2 | Внутренний зазор подшипника меньше нормального. |
| 16008-2Z-C3 | Внутренний зазор больше нормального. Защитные стальные шайбы с обеих сторон. |
| 16008-A-C3 | Внутренний зазор больше нормального. Модификация внутренней конструкции. |
| 16008.C4 | Внутренний зазор подшипника больше. чем C3. |
| 16008-A-C4 | Внутренний зазор подшипника больше. чем C3. Модификация внутренней конструкции. |
| 16008J30 | Внутренний зазор больше нормального. |
| 16008C3V4 | Внутренний радиальный зазор С3. |
| 16008/HR11TN | Шариковый радиальный однорядный подшипник. |
| 16008/HR22Q2 | Шариковый радиальный однорядный подшипник. |
Модификации шарикового подшипника 16008/HR11QN — это измененное основное конструктивное исполнение 16008, основные размеры (40x68x9) не отличаются.
| Обозначение | Гост | Конструктивные особенности |
|---|---|---|
| 5-7000108 АШ2 | ГОСТ | Нормы шумности. Повышенная грузоподъемность. |
| 5-7000108 А1Ш2 | ГОСТ | Нормы шумности. Повышенная грузоподъемность. |
| 6-7000108 АШ1 | ГОСТ | Повышенная грузоподъемность. Нормы шумности. |
| 6-7000108 АШ | ГОСТ | Повышенная грузоподъемность. Нормы шумности. |
| 6-7000108 А1Ш1 | ГОСТ | Повышенная грузоподъемность. Нормы шумности. |
| 6-7000108 | ГОСТ | Шариковый радиальный однорядный подшипник. |
| 6-7000108 Б | ГОСТ | Сепаратор из безоловянистой бронзы.. |
| 6-7000108 БТ2 | ГОСТ | 200°. Температура отпуска. Сепаратор из безоловянистой бронзы.. |
| 70-7000108-Б | ГОСТ | Сепаратор из безоловянистой бронзы.. |
| 7000108-Б | ГОСТ | Сепаратор из безоловянистой бронзы.. |
| 7000108-БТ2 | ГОСТ | 200°. Температура отпуска. Сепаратор из безоловянистой бронзы.. |
| 76-7000108 Б | ГОСТ | Сепаратор из безоловянистой бронзы.. |
| 76-7000108 Р | ГОСТ | Детали из теплоустойчивой (быстрорежущие) стали.. |
| AB40566 | ISO | Однорядный радиально-упорный шариковый подшипник с полиамидным сепаратором. |
| AB44231S01 | ISO | Сферический наружный диаметр. |
| 7000108 | ГОСТ | Шариковый радиальный однорядный подшипник. |
| 26-7000108 Б | ГОСТ | Сепаратор из безоловянистой бронзы.. |
| 26-7000108 БТ2 | ГОСТ | 200°. Температура отпуска. Сепаратор из безоловянистой бронзы.. |
| 5-7000108 Б | ГОСТ | Сепаратор из безоловянистой бронзы.. |
| 5-7000108 У | ГОСТ | Дополнительные технические требования. |
Аналог шарикового подшипника 16008/HR11QN — это подшипник такого же размера dx40,Dx68,Bx9, типа и конструкции.
| Обозначение | Конструктивные особенности | Внутренний (d) | Наружный (D) | Ширина (B) |
|---|---|---|---|---|
| K81208TVPB | Подшипник роликовый цилиндрический в сборе с сепаратором. Твердый оконный сепаратор из полиамида. армированного стекловолокном. Направляющие на внутреннем кольце. | 40.00 | 68.00 | 9.00 |
| K81208 | Подшипник роликовый цилиндрический в сборе с сепаратором. | 40.00 | 68.00 | 9.00 |
| AZK40689 | Подшипник роликовый цилиндрический в сборе с сепаратором. | 40.00 | 68.00 | 9.00 |
| K81208-TV/0-8 | Подшипник роликовый цилиндрический в сборе с сепаратором. Прочный сепаратор из полиамида. армированного стекловолокном. микрон. игольчатая сортировка. Средний предварительный натяг. | 40.00 | 68.00 | 9.00 |
| EL40 | Подшипник однорядный шариковый радиальный. | 40.00 | 68.00 | 9.00 |
| K81208-TV/D-4 | Подшипник роликовый цилиндрический в сборе с сепаратором. Прочный сепаратор из полиамида. армированного стекловолокном. микрон. игольчатая сортировка. | 40.00 | 68.00 | 9.00 |
| BT1-0336/QVA621 | Роликовый радиальный-упорный однорядный подшипник. Измененная или модифицированная внутренняя конструкция при неизменных основных размерах. | 40.00 | 68.00 | 8.00 |
| K81208-TV | Роликовый упорный подшипник. Прочный сепаратор из полиамида. армированного стекловолокном. | 40.00 | 68.00 | 9.00 |
| K.81208TVP | Роликовый упорный однорядный подшипник. | 40.00 | 68.00 | 9.00 |
Способы доставки
Отправка через ведущие транспортные и курьерские компании: ПЭК, Деловые Линии, СДЭК, Байкал-Сервис, Энергия, КИТ, ЖелДорЭкспедиция.
Самовывоз возможен напрямую со склада в Москве.
Сроки доставки
Срок зависит от региона и выбранной транспортной компании. Все заказы комплектуются и отправляются в кратчайшие сроки со склада в Москве.
Надёжность и сохранность
Вся продукция упаковывается с учётом требований транспортировки. Мы гарантируем, что подшипники и комплектующие прибудут к заказчику в полной сохранности.
Доставка в страны ЕАЭС
Мы работаем с проверенными логистическими партнёрами, что позволяет оперативно доставлять заказы в Беларусь, Казахстан, Армению и другие страны ЕАЭС.
Варианты оплаты:
Минимальная сумма заказа и скидки:
Документы и гарантии:
Да, конечно! Наши технические специалисты готовы помочь вам с подбором точного аналога или замены подшипника. Просто позвоните нам по телефону +7 (495) 104-99-04 или напишите на почту zakaz@podsnab.ru.
Для оперативной консультации подготовьте, пожалуйста, имеющиеся данные: маркировку, размеры, тип оборудования или артикул старого подшипника.
Да, конечно! Мы высоко ценим долгосрочное сотрудничество и доверие клиентов по всей России. Для постоянных клиентов действует персональная система скидок.
Условия формируются индивидуально и зависят от:
Чтобы узнать свои условия и получить максимально выгодное предложение, свяжитесь с персональным менеджером или напишите нам на почту zakaz@podsnab.ru.
Вы можете оформить заказ несколькими способами:
Для оформления заказа от юридического лица свяжитесь с нашим отделом по работе с корпоративными клиентами по телефону +7 (495) 104-99-04 или напишите на email zakaz@podsnab.ru, прикрепив реквизиты вашей организации.
Мы оперативно подготовим коммерческое предложение и выставим счет.
Возврат товара надлежащего качества возможен в течение 10 дней с момента получения, если товар не был в употреблении, сохранен товарный вид, упаковка не вскрывалась и присутствуют все сопроводительные документы.
Возврат денежных средств осуществляется в течение 10 рабочих дней после проверки товара складом.
В соответствии с законодательством возврату не подлежат подшипники надлежащего качества, если отсутствует оригинальная упаковка или имеются следы монтажа.
В случае выявления брака или гарантийного случая мы гарантируем возврат или обмен товара.
Да, гарантийный срок хранения устанавливается заводом-изготовителем и в среднем составляет 2 года при соблюдении условий хранения: сухое помещение, оригинальная упаковка и смазка.
Точный срок для конкретного типа подшипника уточняйте у наших менеджеров.
Пн–Пт: с 8:00 до 17:00 (МСК).
Сб–Вс: выходные дни.
Заказы на сайте принимаются круглосуточно. Заявки, поступившие после окончания рабочего дня, обрабатываются на следующий рабочий день.
Минимальная сумма заказа для доставки составляет 3000 рублей. Самовывоз со склада возможен на любую сумму при наличии товара.
ООО «УралТехГрупп»
ИНН: 7415093830
КПП: 772401001
ОГРН: 1167456069021
Банк: ПАО Сбербанк
Р/с: 40702810838000475273
К/с: 30101810400000000225
БИК: 044525225
У подшипника 16008/HR11QN пока нет отзывов. Вы можете стать первым покупателем, поделившимся своим мнением.