Поиск подшипника
Статьи
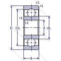
26-7000108 БТ2 — Шариковый радиальный однорядный подшипник, модификация основного исполнения 7000108, производство ГПЗ.
Размер подшипника: 40x68x9 мм.
200°, температура отпуска, сепаратор из безоловянистой бронзы.
Аналоги: 16008P6S2.
Государственный стандарт ГОСТ
267000108БТ2
В наличии
| Обозначение | Конструктивные изменения |
|---|---|
| 5-7000108 АШ2 | Нормы шумности. Повышенная грузоподъемность. |
| 5-7000108 А1Ш2 | Нормы шумности. Повышенная грузоподъемность. |
| 6-7000108 АШ1 | Повышенная грузоподъемность. Нормы шумности. |
| 6-7000108 АШ | Повышенная грузоподъемность. Нормы шумности. |
| 6-7000108 А1Ш1 | Повышенная грузоподъемность. Нормы шумности. |
| 6-7000108 | Шариковый радиальный однорядный подшипник. |
| 6-7000108 Б | Сепаратор из безоловянистой бронзы.. |
| 6-7000108 БТ2 | 200°. Температура отпуска. Сепаратор из безоловянистой бронзы.. |
| 70-7000108-Б | Сепаратор из безоловянистой бронзы.. |
| 7000108-А | Повышенная грузоподъемность. |
| 7000108-Б | Сепаратор из безоловянистой бронзы.. |
| 7000108-БТ2 | 200°. Температура отпуска. Сепаратор из безоловянистой бронзы.. |
| 76-7000108 Б | Сепаратор из безоловянистой бронзы.. |
| 76-7000108 Р | Детали из теплоустойчивой (быстрорежущие) стали.. |
| 7000108 | Шариковый радиальный однорядный подшипник. Основное конструктивное исполнение. |
| 26-7000108 Б | Сепаратор из безоловянистой бронзы.. |
| 4-7000108 | Шариковый радиальный однорядный подшипник. |
| 5-7000108 | Шариковый радиальный однорядный подшипник. |
| 5-7000108 Б | Сепаратор из безоловянистой бронзы.. |
| 5-7000108 У | Дополнительные технические требования. |
Модификации шарикового подшипника 26-7000108 БТ2 — это измененное основное конструктивное исполнение 7000108, основные размеры (40x68x9) не отличаются.
| Обозначение | Гост | Конструктивные особенности |
|---|---|---|
| 16008C3V4 | ISO | Внутренний радиальный зазор С3. |
| 16008/HR11QN | ISO | Шариковый радиальный однорядный подшипник. |
| 16008/HR11TN | ISO | Шариковый радиальный однорядный подшипник. |
| 16008/HR22Q2 | ISO | Шариковый радиальный однорядный подшипник. |
| 16008/HR22T2 | ISO | Шариковый радиальный однорядный подшипник. |
| AB40566 | ISO | Однорядный радиально-упорный шариковый подшипник с полиамидным сепаратором. |
| AB44231S01 | ISO | Сферический наружный диаметр. |
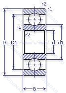
Аналог шарикового подшипника 26-7000108 БТ2 — это подшипник такого же размера dx40,Dx68,Bx9, типа и конструкции.
| Обозначение | Конструктивные особенности | Внутренний (d) | Наружный (D) | Ширина (B) |
|---|---|---|---|---|
| 16008/W64 | Подшипник однорядный шариковый радиальный. Антифрикционный заполнитель. твердая смазка. | 40.00 | 68.00 | 9.00 |
| 16008-2Z-GL | Подшипник однорядный шариковый радиальный. Защитные металлические шайбы с обеих сторон. Консистентная смазка. | 40.00 | 68.00 | 9.00 |
| 16008-2Z-GL-SU | Подшипник однорядный шариковый радиальный. Защитные металлические шайбы с обеих сторон. Single. Universally Ground. Консистентная смазка. | 40.00 | 68.00 | 9.00 |
| 16008TB | Подшипник однорядный шариковый радиальный. Сепаратор оконного типа из фенольной смолы. армированной тканью. Центрирование по внутреннему кольцу. | 40.00 | 68.00 | 9.00 |
| 16008-ZTN9 | Подшипник однорядный шариковый радиальный. Литой защелкивающийся сепаратор из полиамида. армированного стекловолокном 6.6. щит из листовой прессованной стали с одной стороны подшипника. | 40.00 | 68.00 | 9.00 |
| 16008C2 | Подшипник однорядный шариковый радиальный. Внутренний зазор подшипника меньше нормального. | 40.00 | 68.00 | 9.00 |
| 16008-2Z-C3 | Подшипник однорядный шариковый радиальный. Внутренний зазор больше нормального. Защитные стальные шайбы с обеих сторон. | 40.00 | 68.00 | 9.00 |
| K81208-TV/0-8 | Подшипник роликовый цилиндрический в сборе с сепаратором. Прочный сепаратор из полиамида. армированного стекловолокном. микрон. игольчатая сортировка. Средний предварительный натяг. | 40.00 | 68.00 | 9.00 |
| 16008-A-C3 | Подшипник однорядный шариковый радиальный. Внутренний зазор больше нормального. Модификация внутренней конструкции. | 40.00 | 68.00 | 9.00 |
| 16008.C4 | Подшипник однорядный шариковый радиальный. Внутренний зазор подшипника больше. чем C3. | 40.00 | 68.00 | 9.00 |
| 16008-A-C4 | Подшипник однорядный шариковый радиальный. Внутренний зазор подшипника больше. чем C3. Модификация внутренней конструкции. | 40.00 | 68.00 | 9.00 |
| K81208-TV/D-4 | Подшипник роликовый цилиндрический в сборе с сепаратором. Прочный сепаратор из полиамида. армированного стекловолокном. микрон. игольчатая сортировка. | 40.00 | 68.00 | 9.00 |
| 16008J30 | Подшипник однорядный шариковый радиальный. Внутренний зазор больше нормального. | 40.00 | 68.00 | 9.00 |
| BT1-0336/QVA621 | Роликовый радиальный-упорный однорядный подшипник. Измененная или модифицированная внутренняя конструкция при неизменных основных размерах. | 40.00 | 68.00 | 8.00 |
| K81208-TV | Роликовый упорный подшипник. Прочный сепаратор из полиамида. армированного стекловолокном. | 40.00 | 68.00 | 9.00 |
Способы доставки
Отправка через ведущие транспортные и курьерские компании: ПЭК, Деловые Линии, СДЭК, Байкал-Сервис, Энергия, КИТ, ЖелДорЭкспедиция.
Самовывоз возможен напрямую со склада в Москве.
Сроки доставки
Срок зависит от региона и выбранной транспортной компании. Все заказы комплектуются и отправляются в кратчайшие сроки со склада в Москве.
Надёжность и сохранность
Вся продукция упаковывается с учётом требований транспортировки. Мы гарантируем, что подшипники и комплектующие прибудут к заказчику в полной сохранности.
Доставка в страны ЕАЭС
Мы работаем с проверенными логистическими партнёрами, что позволяет оперативно доставлять заказы в Беларусь, Казахстан, Армению и другие страны ЕАЭС.
Варианты оплаты:
Минимальная сумма заказа и скидки:
Документы и гарантии:
Да, конечно! Наши технические специалисты готовы помочь вам с подбором точного аналога или замены подшипника. Просто позвоните нам по телефону +7 (495) 104-99-04 или напишите на почту zakaz@podsnab.ru.
Для оперативной консультации подготовьте, пожалуйста, имеющиеся данные: маркировку, размеры, тип оборудования или артикул старого подшипника.
Да, конечно! Мы высоко ценим долгосрочное сотрудничество и доверие клиентов по всей России. Для постоянных клиентов действует персональная система скидок.
Условия формируются индивидуально и зависят от:
Чтобы узнать свои условия и получить максимально выгодное предложение, свяжитесь с персональным менеджером или напишите нам на почту zakaz@podsnab.ru.
Вы можете оформить заказ несколькими способами:
Для оформления заказа от юридического лица свяжитесь с нашим отделом по работе с корпоративными клиентами по телефону +7 (495) 104-99-04 или напишите на email zakaz@podsnab.ru, прикрепив реквизиты вашей организации.
Мы оперативно подготовим коммерческое предложение и выставим счет.
Возврат товара надлежащего качества возможен в течение 10 дней с момента получения, если товар не был в употреблении, сохранен товарный вид, упаковка не вскрывалась и присутствуют все сопроводительные документы.
Возврат денежных средств осуществляется в течение 10 рабочих дней после проверки товара складом.
В соответствии с законодательством возврату не подлежат подшипники надлежащего качества, если отсутствует оригинальная упаковка или имеются следы монтажа.
В случае выявления брака или гарантийного случая мы гарантируем возврат или обмен товара.
Да, гарантийный срок хранения устанавливается заводом-изготовителем и в среднем составляет 2 года при соблюдении условий хранения: сухое помещение, оригинальная упаковка и смазка.
Точный срок для конкретного типа подшипника уточняйте у наших менеджеров.
Пн–Пт: с 8:00 до 17:00 (МСК).
Сб–Вс: выходные дни.
Заказы на сайте принимаются круглосуточно. Заявки, поступившие после окончания рабочего дня, обрабатываются на следующий рабочий день.
Минимальная сумма заказа для доставки составляет 3000 рублей. Самовывоз со склада возможен на любую сумму при наличии товара.
ООО «УралТехГрупп»
ИНН: 7415093830
КПП: 772401001
ОГРН: 1167456069021
Банк: ПАО Сбербанк
Р/с: 40702810838000475273
К/с: 30101810400000000225
БИК: 044525225
У подшипника 26-7000108 БТ2 пока нет отзывов. Вы можете стать первым покупателем, поделившимся своим мнением.