Поиск подшипника
Статьи
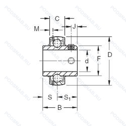
GY1103KRRB3 — Шариковый радиальный однорядный подшипник, модификация основного исполнения GY1103, производство TIMKEN.
Размер подшипника: 31x62x38 мм.
Международная стандартизации ISO
GY1103KRRB3
В наличии
| Обозначение | Конструктивные изменения |
|---|---|
| GY1103KRRB | Шариковый радиальный однорядный подшипник. |
| GY1103-KRR-B-AS2/V | Подшипник со сферическим наружным кольцом. Манжетные уплотнения с обеих сторон (уплотнение типа R - имеет оцинкованные внутреннюю и внешнюю крышки. Между крышками имеется уплотнительная кромка NBR. идущая по шлифованному буртику). Наружное кольцо подшипника с двумя смазочными отверстиями в смещенных плоскостях. |
| GY1103KRRB SGT | Shaft Guarding Technology™. |
Модификации шарикового подшипника GY1103KRRB3 — это измененное основное конструктивное исполнение GY1103, основные размеры (31x62x38) не отличаются.
| Обозначение | Гост | Конструктивные особенности |
|---|---|---|
| 480206-АН1К7УС17 | ГОСТ | Смазка Литол-24. Дополнительные технические требования. Повышенная грузоподъемность. Детали из теплостойкой стали. «Замок» (скос) на внутреннем кольце. |
| 480206-АН1К7У | ГОСТ | Дополнительные технические требования. Повышенная грузоподъемность. Детали из теплостойкой стали. «Замок» (скос) на внутреннем кольце. |
| 480206/Д17 | ГОСТ | Сепаратор из алюминиевого сплава.. |
| 480206/Д18 | ГОСТ | Сепаратор из алюминиевого сплава.. |
| 480206/Д19 | ГОСТ | Сепаратор из алюминиевого сплава.. |
| 480206/Д20 | ГОСТ | Сепаратор из алюминиевого сплава.. |
| 6-480206-АН1К7УС17Ш1 | ГОСТ | Смазка Литол-24. Дополнительные технические требования. Повышенная грузоподъемность. Нормы шумности. Детали из теплостойкой стали. Двусторонние уплотнения плюс стопорный штифт. |
| 6-480206-АН1К7УС17Ш | ГОСТ | Смазка Литол-24. Дополнительные технические требования. Повышенная грузоподъемность. Нормы шумности. Детали из теплостойкой стали. Двусторонние уплотнения плюс стопорный штифт. |
| RB206-19 | ISO | 1.3/16. |
| RB206-20 | ISO | Distance Between Beginning Of The Rail And First Hole In MM. |
| ER206-20 | ISO | Distance Between Beginning Of The Rail And First Hole In MM. |
| UCS206LD1N | ISO | Канавка для стопорного кольца на наружном кольце. |
| E2.YAR206-104-2F | ISO | Шариковый радиальный однорядный подшипник. |
| E2.YSP 206 SB-2F | ISO | Шариковый радиальный однорядный подшипник. |
| E2.YSP 206-103 SB-2F | ISO | Шариковый радиальный однорядный подшипник. |
| E2.YAR206-103-2F | ISO | Шариковый радиальный однорядный подшипник. |
| GYE30KRRB SGT | ISO | Shaft Guarding Technology™. |
| 480206-Н1К7У | ГОСТ | Дополнительные технические требования. Детали из теплостойкой стали. Двусторонние уплотнения плюс стопорный штифт. |
| 480206-Н1К7УС17 | ГОСТ | Смазка Литол-24. Дополнительные технические требования. Детали из теплостойкой стали. Двусторонние уплотнения плюс стопорный штифт. |
| 480206(UCP)-В-КОРПУСЕ | ГОСТ | Сепаратор из текстолита.. Дополнительные технические требования. Детали из теплоустойчивой (быстрорежущие) стали.. |
Аналог шарикового подшипника GY1103KRRB3 — это подшипник такого же размера dx31,Dx62,Bx38, типа и конструкции.
| Обозначение | Конструктивные особенности | Внутренний (d) | Наружный (D) | Ширина (B) |
|---|---|---|---|---|
| M-UC206D1 | Подшипник для корпуса. Не требующий обслуживания тип. | 30.00 | 62.00 | 38.10 |
| LE206-103.2F.Y | Подшипник для корпуса. Двойное уплотнение. Защитная крышка, размещенная на внутреннем кольце. Используется с подшипниками типа Y. Сепаратор из прессованной латуни. Центрирование шарика. 1.3/16. | 25.00 | 62.00 | 38.10 |
| LE206-104.2F.Y | Подшипник для корпуса. Двойное уплотнение. Защитная крышка, размещенная на внутреннем кольце. Используется с подшипниками типа Y. Сепаратор из прессованной латуни. Центрирование шарика. 1.1/4. | 31.75 | 62.00 | 38.10 |
| UC206D1 | Подшипник для корпуса. Канавка и смазочные отверстия на наружном кольце. | 30.00 | 62.00 | 38.10 |
| YSPAG 206 | Корпусный подшипник. Измененная или модифицированная внутренняя конструкция при неизменных основных размерах. | 30.00 | 62.00 | 37.00 |
| YARAG206 | Корпусный подшипник однорядный. Измененная или модифицированная внутренняя конструкция при неизменных основных размерах. | 30.00 | 62.00 | 38.10 |
| PW30620038CS | Шариковый радиально-упорный двухрядный подшипник. Высокоуглеродистая сталь. | 30.00 | 62.00 | 38.00 |
| YARAG 206-104 | Шариковый радиальный подшипник. 1.1/4. | 31.75 | 62.00 | 38.10 |
| YARAG 206-103 | Шариковый радиальный подшипник. 1.3/16. | 30.16 | 62.00 | 38.10 |
| YSP 206-103 SB-2F | Шариковый радиальный подшипник. Стандартное контактное уплотнение с дополнительным маслоотражательным кольцом с обеих сторон. Double Row. Angular Contact. Non-Filling Notch Bearing. With Outwardly Convergent Угол контактаs. Rigid Design. 1.3/16. | 30.16 | 62.00 | 37.00 |
| YSP 206 SB-2F | Шариковый радиальный подшипник. Стандартное контактное уплотнение с дополнительным маслоотражательным кольцом с обеих сторон. Double Row. Angular Contact. Non-Filling Notch Bearing. With Outwardly Convergent Угол контактаs. Rigid Design. | 30.00 | 62.00 | 37.00 |
| YSPAG 206-103 | Шариковый радиальный подшипник. 1.3/16. | 30.16 | 62.00 | 37.00 |
| DKLFA30100-2RS | Шариковый упорный трехрядный подшипник. Резиновые уплотнения с каждой стороны подшипника. | 30.00 | 62.00 | 38.00 |
| GEGZ31HS/K | Шарнирный подшипник. Коническое отверстие. Конусность 1/12. High Speed Design. | 31.75 | 61.91 | 38.10 |
| GEZPR 104 S | Шарнирный подшипник. Запечатанная версия кулачкового ролика. | 31.75 | 61.92 | 38.10 |
Способы доставки
Отправка через ведущие транспортные и курьерские компании: ПЭК, Деловые Линии, СДЭК, Байкал-Сервис, Энергия, КИТ, ЖелДорЭкспедиция.
Самовывоз возможен напрямую со склада в Москве.
Сроки доставки
Срок зависит от региона и выбранной транспортной компании. Все заказы комплектуются и отправляются в кратчайшие сроки со склада в Москве.
Надёжность и сохранность
Вся продукция упаковывается с учётом требований транспортировки. Мы гарантируем, что подшипники и комплектующие прибудут к заказчику в полной сохранности.
Доставка в страны ЕАЭС
Мы работаем с проверенными логистическими партнёрами, что позволяет оперативно доставлять заказы в Беларусь, Казахстан, Армению и другие страны ЕАЭС.
Варианты оплаты:
Минимальная сумма заказа и скидки:
Документы и гарантии:
Да, конечно! Наши технические специалисты готовы помочь вам с подбором точного аналога или замены подшипника. Просто позвоните нам по телефону +7 (495) 104-99-04 или напишите на почту zakaz@podsnab.ru.
Для оперативной консультации подготовьте, пожалуйста, имеющиеся данные: маркировку, размеры, тип оборудования или артикул старого подшипника.
Да, конечно! Мы высоко ценим долгосрочное сотрудничество и доверие клиентов по всей России. Для постоянных клиентов действует персональная система скидок.
Условия формируются индивидуально и зависят от:
Чтобы узнать свои условия и получить максимально выгодное предложение, свяжитесь с персональным менеджером или напишите нам на почту zakaz@podsnab.ru.
Вы можете оформить заказ несколькими способами:
Для оформления заказа от юридического лица свяжитесь с нашим отделом по работе с корпоративными клиентами по телефону +7 (495) 104-99-04 или напишите на email zakaz@podsnab.ru, прикрепив реквизиты вашей организации.
Мы оперативно подготовим коммерческое предложение и выставим счет.
Возврат товара надлежащего качества возможен в течение 10 дней с момента получения, если товар не был в употреблении, сохранен товарный вид, упаковка не вскрывалась и присутствуют все сопроводительные документы.
Возврат денежных средств осуществляется в течение 10 рабочих дней после проверки товара складом.
В соответствии с законодательством возврату не подлежат подшипники надлежащего качества, если отсутствует оригинальная упаковка или имеются следы монтажа.
В случае выявления брака или гарантийного случая мы гарантируем возврат или обмен товара.
Да, гарантийный срок хранения устанавливается заводом-изготовителем и в среднем составляет 2 года при соблюдении условий хранения: сухое помещение, оригинальная упаковка и смазка.
Точный срок для конкретного типа подшипника уточняйте у наших менеджеров.
Пн–Пт: с 8:00 до 17:00 (МСК).
Сб–Вс: выходные дни.
Заказы на сайте принимаются круглосуточно. Заявки, поступившие после окончания рабочего дня, обрабатываются на следующий рабочий день.
Минимальная сумма заказа для доставки составляет 3000 рублей. Самовывоз со склада возможен на любую сумму при наличии товара.
ООО «УралТехГрупп»
ИНН: 7415093830
КПП: 772401001
ОГРН: 1167456069021
Банк: ПАО Сбербанк
Р/с: 40702810838000475273
К/с: 30101810400000000225
БИК: 044525225
У подшипника GY1103KRRB3 пока нет отзывов. Вы можете стать первым покупателем, поделившимся своим мнением.