Поиск подшипника
Статьи
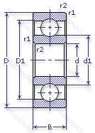
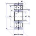
27 — Шариковый радиальный однорядный подшипник, основное исполнение, производство ГПЗ.
Размер подшипника: 7x22x7 мм.
Аналоги: 627.
Государственный стандарт ГОСТ
27
В наличии
| Обозначение | Конструктивные изменения |
|---|---|
| 6-27 Г2 | Сепаратор из черных металлов.. |
| 6-27 Г | Сепаратор из черных металлов.. |
| 27-Ю | Все детали или часть деталей из нержавеющей стали.. |
| 4-27 | Шариковый радиальный однорядный подшипник. |
| 8-27 | Шариковый радиальный однорядный подшипник. |
| 6-27 | Шариковый радиальный однорядный подшипник. |
| 6-27 ГК | «Замок» (скос) на внутреннем кольце плюс массивный сепаратор из текстолита. Сепаратор из черных металлов.. |
| 6-27 Е | Сепаратор из текстолита.. |
| 6-27 Т1 | 180°. Температура отпуска. |
| 6-27 Т2У | Дополнительные технические требования. 200°. Температура отпуска. |
| 6-27 У | Дополнительные технические требования. |
| 6-27 Ш2У | Дополнительные технические требования. Нормы шумности. |
| 6-27 Ю | Все детали или часть деталей из нержавеющей стали.. |
| 6-27 ЮТ | Температура отпуска. 160°. Все детали или часть деталей из нержавеющей стали.. |
| 6-27Л | Сепаратор из латуни.. |
| 7-27 | Шариковый радиальный однорядный подшипник. |
| 25-27 Ю | Все детали или часть деталей из нержавеющей стали.. |
| 25-27 ЮТ | Температура отпуска. 160°. Все детали или часть деталей из нержавеющей стали.. |
| 26-27 ЮТ | Температура отпуска. 160°. Все детали или часть деталей из нержавеющей стали.. |
| 27-ГК | Сепаратор из черных металлов.. |
| 27-Л | Сепаратор из латуни.. |
| 5-27 Ю | Все детали или часть деталей из нержавеющей стали.. |
| 5-27 ЮП | Все детали или часть деталей из нержавеющей стали.. |
| 5-27 ЮТ | Температура отпуска. 160°. Все детали или часть деталей из нержавеющей стали.. |
| 5-27 ЮТП | Температура отпуска. 160°. Все детали или часть деталей из нержавеющей стали.. |
Модификации шарикового подшипника 27 — это измененное основное конструктивное исполнение 27, основные размеры (7x22x7) не отличаются.
| Обозначение | Гост | Конструктивные особенности |
|---|---|---|
| 627 | ISO | Шариковый радиальный однорядный подшипник. |
| 5-60018 Т2 | ГОСТ | 200°. Температура отпуска. |
| 5-60018 ЮТ | ГОСТ | Температура отпуска. 160°. Все детали или часть деталей из нержавеющей стали.. |
| 5-60027 К | ГОСТ | «Замок» (скос) на внутреннем кольце плюс массивный сепаратор из текстолита. |
| 5-60027 К1 | ГОСТ | «Замок» (скос) на внутреннем кольце плюс массивный сепаратор из текстолита. |
| 5-60027 ЮТ | ГОСТ | Температура отпуска. 160°. Все детали или часть деталей из нержавеющей стали.. |
| 5-80018 ГС15 | ГОСТ | Сепаратор из черных металлов.. Смазка ВНИИНП-207. |
| 5-80018 КС1 | ГОСТ | «Замок» (скос) на внутреннем кольце плюс массивный сепаратор из текстолита. Смазка ОКБ 122-7. |
| 5-80018 С1 | ГОСТ | Смазка ОКБ 122-7. |
| 5-80018 ЮТС2 | ГОСТ | Температура отпуска. 160°. Все детали или часть деталей из нержавеющей стали.. Смазка ЦИАТИМ-221. |
| 5-80018 ЮТС8 | ГОСТ | Температура отпуска. 160°. Все детали или часть деталей из нержавеющей стали.. Смазка ВНИИНП-235. |
| 5-80027 К1С9 | ГОСТ | Смазка ЛЗ-31. |
| 5-80027 КС2 | ГОСТ | «Замок» (скос) на внутреннем кольце плюс массивный сепаратор из текстолита. Смазка ЦИАТИМ-221. |
| 5-80027 С1 | ГОСТ | Смазка ОКБ 122-7. |
| 6-18 Т2 | ГОСТ | 200°. Температура отпуска. |
| 6-18 У | ГОСТ | Дополнительные технические требования. |
| 6-18 УТ2 | ГОСТ | Дополнительные технические требования. 200°. Температура отпуска. |
| 6-18 Ш | ГОСТ | Нормы шумности. |
| 6-18 Ю3 | ГОСТ | Все детали или часть деталей из нержавеющей стали.. |
| 6-18 ЮУТ | ГОСТ | Дополнительные технические требования. Температура отпуска. 160°. Все детали или часть деталей из нержавеющей стали.. |
| 6-180018 КС17 | ГОСТ | Смазка Литол-24. «Замок» (скос) на внутреннем кольце плюс массивный сепаратор из текстолита. |
Аналог шарикового подшипника 27 — это подшипник такого же размера dx7,Dx22,Bx7, типа и конструкции.
| Обозначение | Конструктивные особенности | Внутренний (d) | Наружный (D) | Ширина (B) |
|---|---|---|---|---|
| 8-1007 КЕ | Шариковый радиальный двухрядный подшипник. Сепаратор из текстолита.. | 7.00 | 22.00 | 7.00 |
| 128P | Подшипник шариковый двухрядный самоустанавливающийся. Сеаратор из литого полиамида 6.6. армированного стекловолокном. | 8.00 | 22.00 | 7.00 |
| 46018К | Шариковый радиально-упорный однорядный подшипник. «Замок» (скос) на внутреннем кольце плюс массивный сепаратор из текстолита. | 8.00 | 22.00 | 7.00 |
| 46027К | Шариковый радиально-упорный однорядный подшипник. «Замок» (скос) на внутреннем кольце плюс массивный сепаратор из текстолита. | 7.00 | 22.00 | 7.00 |
| 5-1007 Е | Шариковый радиальный двухрядный подшипник. Сепаратор из текстолита.. | 7.00 | 22.00 | 7.00 |
| 5-1007 У4 | Шариковый радиальный двухрядный подшипник. Дополнительные технические требования. | 7.00 | 22.00 | 7.00 |
| 5-1007 У5 | Шариковый радиальный двухрядный подшипник. Дополнительные технические требования. | 7.00 | 22.00 | 7.00 |
| 5-36018 Е | Шариковый радиально-упорный однорядный подшипник. Сепаратор из текстолита.. | 8.00 | 22.00 | 7.00 |
| 5-6027 Е | Шариковый радиально-упорный однорядный подшипник. Сепаратор из текстолита.. | 7.00 | 22.00 | 7.00 |
| 5-6027 У | Шариковый радиально-упорный однорядный подшипник. Дополнительные технические требования. | 7.00 | 22.00 | 7.00 |
| 6-1008 Ю | Шариковый радиальный двухрядный подшипник. Все детали или часть деталей из нержавеющей стали.. | 8.00 | 22.00 | 7.00 |
| 6-18 Л | Шариковый радиальный подшипник. Сепаратор из латуни.. | 8.00 | 22.00 | 7.00 |
| 6-18 Ю6Т | Шариковый радиальный подшипник. Температура отпуска. 160°. Все детали или часть деталей из нержавеющей стали.. | 8.00 | 22.00 | 7.00 |
| 6-18 Ю9 | Шариковый радиальный подшипник. Все детали или часть деталей из нержавеющей стали.. | 8.00 | 22.00 | 7.00 |
| 6-18 ЮТ | Шариковый радиальный подшипник. Температура отпуска. 160°. Все детали или часть деталей из нержавеющей стали.. | 8.00 | 22.00 | 7.00 |
Способы доставки
Отправка через ведущие транспортные и курьерские компании: ПЭК, Деловые Линии, СДЭК, Байкал-Сервис, Энергия, КИТ, ЖелДорЭкспедиция.
Самовывоз возможен напрямую со склада в Москве.
Сроки доставки
Срок зависит от региона и выбранной транспортной компании. Все заказы комплектуются и отправляются в кратчайшие сроки со склада в Москве.
Надёжность и сохранность
Вся продукция упаковывается с учётом требований транспортировки. Мы гарантируем, что подшипники и комплектующие прибудут к заказчику в полной сохранности.
Доставка в страны ЕАЭС
Мы работаем с проверенными логистическими партнёрами, что позволяет оперативно доставлять заказы в Беларусь, Казахстан, Армению и другие страны ЕАЭС.
Варианты оплаты:
Минимальная сумма заказа и скидки:
Документы и гарантии:
Да, конечно! Наши технические специалисты готовы помочь вам с подбором точного аналога или замены подшипника. Просто позвоните нам по телефону +7 (495) 104-99-04 или напишите на почту zakaz@podsnab.ru.
Для оперативной консультации подготовьте, пожалуйста, имеющиеся данные: маркировку, размеры, тип оборудования или артикул старого подшипника.
Да, конечно! Мы высоко ценим долгосрочное сотрудничество и доверие клиентов по всей России. Для постоянных клиентов действует персональная система скидок.
Условия формируются индивидуально и зависят от:
Чтобы узнать свои условия и получить максимально выгодное предложение, свяжитесь с персональным менеджером или напишите нам на почту zakaz@podsnab.ru.
Вы можете оформить заказ несколькими способами:
Для оформления заказа от юридического лица свяжитесь с нашим отделом по работе с корпоративными клиентами по телефону +7 (495) 104-99-04 или напишите на email zakaz@podsnab.ru, прикрепив реквизиты вашей организации.
Мы оперативно подготовим коммерческое предложение и выставим счет.
Возврат товара надлежащего качества возможен в течение 10 дней с момента получения, если товар не был в употреблении, сохранен товарный вид, упаковка не вскрывалась и присутствуют все сопроводительные документы.
Возврат денежных средств осуществляется в течение 10 рабочих дней после проверки товара складом.
В соответствии с законодательством возврату не подлежат подшипники надлежащего качества, если отсутствует оригинальная упаковка или имеются следы монтажа.
В случае выявления брака или гарантийного случая мы гарантируем возврат или обмен товара.
Да, гарантийный срок хранения устанавливается заводом-изготовителем и в среднем составляет 2 года при соблюдении условий хранения: сухое помещение, оригинальная упаковка и смазка.
Точный срок для конкретного типа подшипника уточняйте у наших менеджеров.
Пн–Пт: с 8:00 до 17:00 (МСК).
Сб–Вс: выходные дни.
Заказы на сайте принимаются круглосуточно. Заявки, поступившие после окончания рабочего дня, обрабатываются на следующий рабочий день.
Минимальная сумма заказа для доставки составляет 3000 рублей. Самовывоз со склада возможен на любую сумму при наличии товара.
ООО «УралТехГрупп»
ИНН: 7415093830
КПП: 772401001
ОГРН: 1167456069021
Банк: ПАО Сбербанк
Р/с: 40702810838000475273
К/с: 30101810400000000225
БИК: 044525225
У подшипника 27 пока нет отзывов. Вы можете стать первым покупателем, поделившимся своим мнением.