Поиск подшипника
Статьи
124-1000092 — Шариковый радиальный однорядный подшипник, модификация основного исполнения 124, производство ГПЗ.
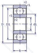
Размер подшипника: 2x6x2 мм.
Аналоги: 692M4P4.
Государственный стандарт ГОСТ
1241000092
В наличии
| Обозначение | Конструктивные изменения |
|---|---|
| А-124 Л | Сепаратор из латуни.. |
| 6-124 Ш2 | Нормы шумности. |
| 70124 | Шариковый радиальный однорядный подшипник. |
| 7124 | Шариковый радиальный однорядный подшипник. |
| 124-1080902-ЮУ1Т | Температура отпуска. 160°. Все детали или часть деталей из нержавеющей стали.. Дополнительные технические требования. |
| 5-124 АШ2 | Нормы шумности. Повышенная грузоподъемность. |
| 6-124 АЛШ | Сепаратор из латуни.. Повышенная грузоподъемность. Нормы шумности. |
| 6-124 АШ1 | Повышенная грузоподъемность. Нормы шумности. |
| 6-124 АШ | Повышенная грузоподъемность. Нормы шумности. |
| 6-124 Ш1 | Нормы шумности. |
| 7-124 Л | Сепаратор из латуни.. |
| 76-124 Л | Сепаратор из латуни.. |
| 124 | Шариковый радиальный однорядный подшипник. Основное конструктивное исполнение. |
| 124-А | Повышенная грузоподъемность. |
| 124-АЛ | Сепаратор из латуни.. Повышенная грузоподъемность. |
| 124-КМ | Модифицированный контакт.. |
| 124-1000091-КУ | Дополнительные технические требования. |
| 124-1000092-Ю3 | Все детали или часть деталей из нержавеющей стали.. |
| 124-1080902-ЮУП | Дополнительные технические требования. Все детали или часть деталей из нержавеющей стали.. |
| 124-2840083 | Шариковый радиальный однорядный подшипник. |
| 124-2840083-Ю1 | Все детали или часть деталей из нержавеющей стали.. |
| 4-124-Л | Сепаратор из латуни.. |
| 5124 | Шариковый радиальный однорядный подшипник. |
| 5-124 Л | Сепаратор из латуни.. |
| 6124 | Шариковый радиальный однорядный подшипник. |
Модификации шарикового подшипника 124-1000092 — это измененное основное конструктивное исполнение 124, основные размеры (2x6x2) не отличаются.
| Обозначение | Гост | Конструктивные особенности |
|---|---|---|
| 425-1000092-ЮТ | ГОСТ | Температура отпуска. 160°. Все детали или часть деталей из нержавеющей стали.. |
| 5-1000092 ЮТ | ГОСТ | Температура отпуска. 160°. Все детали или часть деталей из нержавеющей стали.. |
| 5-1000092 ЮТ-Ф | ГОСТ | Температура отпуска. 160°. Все детали или часть деталей из нержавеющей стали.. |
| 5-184008/2.5 Ю2Т | ГОСТ | Температура отпуска. 160°. Все детали или часть деталей из нержавеющей стали.. |
| 5-1840083 ЮТ | ГОСТ | Температура отпуска. 160°. Все детали или часть деталей из нержавеющей стали.. |
| 5-2000083 Ю5Т | ГОСТ | Температура отпуска. 160°. Все детали или часть деталей из нержавеющей стали.. |
| 5-2000083 Ю5ТП | ГОСТ | Температура отпуска. 160°. Все детали или часть деталей из нержавеющей стали.. |
| 5-2000083 ЮТ | ГОСТ | Температура отпуска. 160°. Все детали или часть деталей из нержавеющей стали.. |
| 5-2060164 ЮТ | ГОСТ | Температура отпуска. 160°. Все детали или часть деталей из нержавеющей стали.. |
| 5-3860083 ЮТ | ГОСТ | Температура отпуска. 160°. Все детали или часть деталей из нержавеющей стали.. |
| 502-3080092-УС21 | ГОСТ | Дополнительные технические требования. Смазка ЭРА. |
| 504-2000083-Ю5Т | ГОСТ | Температура отпуска. 160°. Все детали или часть деталей из нержавеющей стали.. |
| 5М4-1840083 Ю1Т | ГОСТ | Температура отпуска. 160°. Все детали или часть деталей из нержавеющей стали.. |
| 5М5-2000083 | ГОСТ | Модифицированный контакт.. |
| 6-1000092 Ю2Т | ГОСТ | Температура отпуска. 160°. Все детали или часть деталей из нержавеющей стали.. |
| 6-1000092 ЮТ | ГОСТ | Температура отпуска. 160°. Все детали или часть деталей из нержавеющей стали.. |
| 6-2000083 Т2 | ГОСТ | 200°. Температура отпуска. |
| 6-2000083 Ю5Т | ГОСТ | Температура отпуска. 160°. Все детали или часть деталей из нержавеющей стали.. |
| 6-2000083 Ю6Т | ГОСТ | Температура отпуска. 160°. Все детали или часть деталей из нержавеющей стали.. |
| 6-2000083 ЮТ | ГОСТ | Температура отпуска. 160°. Все детали или часть деталей из нержавеющей стали.. |
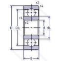
Аналог шарикового подшипника 124-1000092 — это подшипник такого же размера dx2,Dx6,Bx2, типа и конструкции.
| Обозначение | Конструктивные особенности | Внутренний (d) | Наружный (D) | Ширина (B) |
|---|---|---|---|---|
| W 619/2 R | Шариковый радиальный подшипник. Нержавеющая сталь. С выпуклыми асимметричными роликами и обработанным сепаратором. ISO Tolerance Class ABEC.9. | 2.00 | 6.00 | 2.30 |
| W 619/2 XR | Шариковый радиальный подшипник. Нержавеющая сталь. ISO Tolerance Class ABEC.9. | 2.00 | 6.00 | 2.50 |
| W 619/2-2Z | Шариковый радиальный подшипник. Защитные металлические шайбы с обеих сторон подшипника. Нержавеющая сталь. ISO Tolerance Class ABEC.9. | 2.00 | 6.00 | 2.30 |
| W 619/2 | Шариковый радиальный подшипник. Нержавеющая сталь. ISO Tolerance Class ABEC.9. | 2.00 | 6.00 | 2.30 |
| W 630/1.5-2Z | Шариковый радиальный подшипник. Защитные металлические шайбы с обеих сторон подшипника. Нержавеющая сталь. Number Of Carriages Per Rail Track. Distance Between Beginning Of The Rail And First Hole In MM. | 1.50 | 6.00 | 3.00 |
| W 638/2 R-2Z | Шариковый радиальный подшипник. Защитные металлические шайбы с обеих сторон подшипника. Нержавеющая сталь. С выпуклыми асимметричными роликами и обработанным сепаратором. ISO Tolerance Class ABEC.9. | 2.00 | 5.00 | 2.30 |
| W 638/2 XR-2Z | Шариковый радиальный подшипник. Защитные металлические шайбы с обеих сторон подшипника. Нержавеющая сталь. ISO Tolerance Class ABEC.9. | 2.00 | 5.00 | 2.50 |
| W 638/2.5 R-2Z | Шариковый радиальный подшипник. Защитные металлические шайбы с обеих сторон подшипника. Нержавеющая сталь. С выпуклыми асимметричными роликами и обработанным сепаратором. ISO Tolerance Class ABEC.9. Distance Between Beginning Of The Rail And First Hole In MM. | 2.50 | 6.00 | 2.60 |
| W 639/1.5-2Z | Шариковый радиальный подшипник. Защитные металлические шайбы с обеих сторон подшипника. Нержавеющая сталь. Number Of Carriages Per Rail Track. Distance Between Beginning Of The Rail And First Hole In MM. | 1.50 | 5.00 | 2.60 |
| 5-2076083 ЮТ | Шариковый радиально-упорный однорядный подшипник. Температура отпуска. 160°. Все детали или часть деталей из нержавеющей стали.. | 3.00 | 7.00 | 2.70 |
| 5М4-2076083 Е1 | Роликовый радиальный-упорный однорядный подшипник. Сепаратор из текстолита.. | 3.00 | 7.00 | 2.50 |
| 5М4-2076083 Е1П | Шариковый радиально-упорный однорядный подшипник. Сепаратор из текстолита.. | 3.00 | 7.00 | 2.70 |
| 5М4-2076083 ЮТ | Роликовый радиальный-упорный однорядный подшипник. Температура отпуска. 160°. Все детали или часть деталей из нержавеющей стали.. | 3.00 | 7.00 | 2.70 |
| 5М4-2076083 ЮТП | Шариковый радиально-упорный однорядный подшипник. Температура отпуска. 160°. Все детали или часть деталей из нержавеющей стали.. | 3.00 | 7.00 | 2.70 |
| 5М4-2076083 ЮУТ | Роликовый радиальный-упорный однорядный подшипник. Дополнительные технические требования. Температура отпуска. 160°. Все детали или часть деталей из нержавеющей стали.. | 3.00 | 7.00 | 2.70 |
Способы доставки
Отправка через ведущие транспортные и курьерские компании: ПЭК, Деловые Линии, СДЭК, Байкал-Сервис, Энергия, КИТ, ЖелДорЭкспедиция.
Самовывоз возможен напрямую со склада в Москве.
Сроки доставки
Срок зависит от региона и выбранной транспортной компании. Все заказы комплектуются и отправляются в кратчайшие сроки со склада в Москве.
Надёжность и сохранность
Вся продукция упаковывается с учётом требований транспортировки. Мы гарантируем, что подшипники и комплектующие прибудут к заказчику в полной сохранности.
Доставка в страны ЕАЭС
Мы работаем с проверенными логистическими партнёрами, что позволяет оперативно доставлять заказы в Беларусь, Казахстан, Армению и другие страны ЕАЭС.
Варианты оплаты:
Минимальная сумма заказа и скидки:
Документы и гарантии:
Да, конечно! Наши технические специалисты готовы помочь вам с подбором точного аналога или замены подшипника. Просто позвоните нам по телефону +7 (495) 104-99-04 или напишите на почту zakaz@podsnab.ru.
Для оперативной консультации подготовьте, пожалуйста, имеющиеся данные: маркировку, размеры, тип оборудования или артикул старого подшипника.
Да, конечно! Мы высоко ценим долгосрочное сотрудничество и доверие клиентов по всей России. Для постоянных клиентов действует персональная система скидок.
Условия формируются индивидуально и зависят от:
Чтобы узнать свои условия и получить максимально выгодное предложение, свяжитесь с персональным менеджером или напишите нам на почту zakaz@podsnab.ru.
Вы можете оформить заказ несколькими способами:
Для оформления заказа от юридического лица свяжитесь с нашим отделом по работе с корпоративными клиентами по телефону +7 (495) 104-99-04 или напишите на email zakaz@podsnab.ru, прикрепив реквизиты вашей организации.
Мы оперативно подготовим коммерческое предложение и выставим счет.
Возврат товара надлежащего качества возможен в течение 10 дней с момента получения, если товар не был в употреблении, сохранен товарный вид, упаковка не вскрывалась и присутствуют все сопроводительные документы.
Возврат денежных средств осуществляется в течение 10 рабочих дней после проверки товара складом.
В соответствии с законодательством возврату не подлежат подшипники надлежащего качества, если отсутствует оригинальная упаковка или имеются следы монтажа.
В случае выявления брака или гарантийного случая мы гарантируем возврат или обмен товара.
Да, гарантийный срок хранения устанавливается заводом-изготовителем и в среднем составляет 2 года при соблюдении условий хранения: сухое помещение, оригинальная упаковка и смазка.
Точный срок для конкретного типа подшипника уточняйте у наших менеджеров.
Пн–Пт: с 8:00 до 17:00 (МСК).
Сб–Вс: выходные дни.
Заказы на сайте принимаются круглосуточно. Заявки, поступившие после окончания рабочего дня, обрабатываются на следующий рабочий день.
Минимальная сумма заказа для доставки составляет 3000 рублей. Самовывоз со склада возможен на любую сумму при наличии товара.
ООО «УралТехГрупп»
ИНН: 7415093830
КПП: 772401001
ОГРН: 1167456069021
Банк: ПАО Сбербанк
Р/с: 40702810838000475273
К/с: 30101810400000000225
БИК: 044525225
У подшипника 124-1000092 пока нет отзывов. Вы можете стать первым покупателем, поделившимся своим мнением.