Поиск подшипника
Статьи
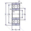
6-124 Ш2 — Шариковый радиальный однорядный подшипник, модификация основного исполнения 124, производство ГПЗ.
Размер подшипника: 120x180x28 мм.
Нормы шумности.
Государственный стандарт ГОСТ
6124Ш2
В наличии
| Обозначение | Конструктивные изменения |
|---|---|
| А-124 Л | Сепаратор из латуни.. |
| 70124 | Шариковый радиальный однорядный подшипник. |
| 7124 | Шариковый радиальный однорядный подшипник. |
| 124-1080902-ЮУ1Т | Температура отпуска. 160°. Все детали или часть деталей из нержавеющей стали.. Дополнительные технические требования. |
| 5-124 АШ2 | Нормы шумности. Повышенная грузоподъемность. |
| 6-124 АЛШ | Сепаратор из латуни.. Повышенная грузоподъемность. Нормы шумности. |
| 6-124 АШ1 | Повышенная грузоподъемность. Нормы шумности. |
| 6-124 АШ | Повышенная грузоподъемность. Нормы шумности. |
| 6-124 Ш1 | Нормы шумности. |
| 7-124 Л | Сепаратор из латуни.. |
| 76-124 Л | Сепаратор из латуни.. |
| 124 | Шариковый радиальный однорядный подшипник. Основное конструктивное исполнение. |
| 124-А | Повышенная грузоподъемность. |
| 124-АЛ | Сепаратор из латуни.. Повышенная грузоподъемность. |
| 124-КМ | Модифицированный контакт.. |
| 124-1000091-КУ | Дополнительные технические требования. |
| 124-1000092 | Шариковый радиальный однорядный подшипник. |
| 124-1000092-Ю3 | Все детали или часть деталей из нержавеющей стали.. |
| 124-1080902-ЮУП | Дополнительные технические требования. Все детали или часть деталей из нержавеющей стали.. |
| 124-2840083 | Шариковый радиальный однорядный подшипник. |
| 124-2840083-Ю1 | Все детали или часть деталей из нержавеющей стали.. |
| 4-124-Л | Сепаратор из латуни.. |
| 5124 | Шариковый радиальный однорядный подшипник. |
| 5-124 Л | Сепаратор из латуни.. |
| 6124 | Шариковый радиальный однорядный подшипник. |
Модификации шарикового подшипника 6-124 Ш2 — это измененное основное конструктивное исполнение 124, основные размеры (120x180x28) не отличаются.
| Обозначение | Гост | Конструктивные особенности |
|---|---|---|
| 6024-Z-N | ISO | щит из листовой прессованной стали с одной стороны подшипника. Канавка под стопорное кольцо на внешнем кольце. |
| 6024VV | ISO | Защитные металлические шайбы. с обеих сторон подшипника. Бесконтактное уплотнение. (лучше. чем ZZ. Можно использовать в умеренно запыленной среде). |
| 6-80124 С17 | ГОСТ | Смазка Литол-24. |
| 6024LU | ISO | Двухкромочное нитриловое контактное уплотнение. |
| 6024LLB | ISO | Уплотнение бесконтактного типа из синтетического каучука. |
| 6024ZZNR | ISO | Стальная шайба. Канавка и стопорное кольцо на наружном кольце. |
| 6024E | ISO | Контактное уплотнение с одной стороны. |
| 9124P | ISO | Сеаратор из литого полиамида 6.6. армированного стекловолокном. |
| 9124KD | ISO | Компоненты с покрытием Protect A имеют суффикс - KD. Protect A - это покрытие из чистого хрома с колончатой структурой поверхности. При использовании Protect A каретки с покрытием и направляющие с покрытием должны всегда комбинироваться. Если каретки с покрытием используются с направляющими без покрытия. например. это приведет к уменьшению преднатяга.. |
| 9124K | ISO | Коническое отверстие. Конусность 1/12. |
| 9124KG | ISO | Серия с закрепительной втулкой и смазочным отверстием. |
| S6024-2RS | ISO | Резиновые уплотнения с каждой стороны подшипника. |
| 3NC HAR024C FT | ISO | Угол контакта 20 градусов. REINFORCED PHENOLIC CAGE. |
| 3NCHAD024CA | ISO | Угол контакта 20 градусов. Латунный сепаратор с симметричными роликами. |
| 3NCHAC024C | ISO | Угол контакта 20 градусов. |
| 3NCHAC024CA | ISO | Угол контакта 20 градусов. Латунный сепаратор с симметричными роликами. |
| 3NCHAR024 | ISO | Угол контакта 20 градусов. |
| 3NCHAR024CA | ISO | Угол контакта 20 градусов. Латунный сепаратор с симметричными роликами. |
| 3NCHAR024C | ISO | Угол контакта 20 градусов. |
| 180124-А | ГОСТ | Повышенная грузоподъемность. |
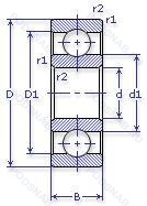
Аналог шарикового подшипника 6-124 Ш2 — это подшипник такого же размера dx120,Dx180,Bx28, типа и конструкции.
| Обозначение | Конструктивные особенности | Внутренний (d) | Наружный (D) | Ширина (B) |
|---|---|---|---|---|
| SC7024 FB/P7 | Шариковый радиальный подшипник. Точность размеров соответствует классу ISO 4. Точность хода лучше. чем ISO Class 4. 18° Угол контакта. High Speed Design. | 120.00 | 180.00 | 28.00 |
| 6-46124 Е | Шариковый радиально-упорный однорядный подшипник. Сепаратор из текстолита.. | 120.00 | 180.00 | 28.00 |
| 6-46124 Л | Шариковый радиально-упорный однорядный подшипник. Сепаратор из латуни.. | 120.00 | 180.00 | 28.00 |
| 70-32124 Л1 | Роликовый радиальный подшипник. Сепаратор из латуни.. | 120.00 | 180.00 | 28.00 |
| BTM 120 ATN9/P4CDB | Шариковый упорно-радиальный двухрядный подшипник. Измененная или модифицированная внутренняя конструкция при неизменных основных размерах. | 120.00 | 180.00 | 27.00 |
| 46124-E | Шариковый радиально-упорный однорядный подшипник. Повышенная грузоподъемность. | 120.00 | 180.00 | 28.00 |
| 46124-Е | Шариковый радиально-упорный однорядный подшипник. Сепаратор из текстолита.. | 120.00 | 180.00 | 28.00 |
| 46124-Л | Шариковый радиально-упорный однорядный подшипник. Сепаратор из латуни.. | 120.00 | 180.00 | 28.00 |
| 46124К | Шариковый радиально-упорный однорядный подшипник. «Замок» (скос) на внутреннем кольце плюс массивный сепаратор из текстолита. | 120.00 | 180.00 | 28.00 |
| 46124ЛУ | Шариковый радиально-упорный однорядный подшипник. Сепаратор из латуни.. Дополнительные технические требования. | 120.00 | 180.00 | 28.00 |
| 5-36124 К | Шариковый радиально-упорный однорядный подшипник. «Замок» (скос) на внутреннем кольце плюс массивный сепаратор из текстолита. | 120.00 | 180.00 | 28.00 |
| 5-46124 Е | Шариковый радиально-упорный однорядный подшипник. Сепаратор из текстолита.. | 120.00 | 180.00 | 28.00 |
| 5-46124 К | Шариковый радиально-упорный однорядный подшипник. «Замок» (скос) на внутреннем кольце плюс массивный сепаратор из текстолита. | 120.00 | 180.00 | 28.00 |
| 5-46124 Л | Шариковый радиально-упорный однорядный подшипник. Сепаратор из латуни.. | 120.00 | 180.00 | 28.00 |
| 5-66124 ЕШ2 | Шариковый радиально-упорный однорядный подшипник. Сепаратор из текстолита.. Нормы шумности. | 120.00 | 180.00 | 28.00 |
Способы доставки
Отправка через ведущие транспортные и курьерские компании: ПЭК, Деловые Линии, СДЭК, Байкал-Сервис, Энергия, КИТ, ЖелДорЭкспедиция.
Самовывоз возможен напрямую со склада в Москве.
Сроки доставки
Срок зависит от региона и выбранной транспортной компании. Все заказы комплектуются и отправляются в кратчайшие сроки со склада в Москве.
Надёжность и сохранность
Вся продукция упаковывается с учётом требований транспортировки. Мы гарантируем, что подшипники и комплектующие прибудут к заказчику в полной сохранности.
Доставка в страны ЕАЭС
Мы работаем с проверенными логистическими партнёрами, что позволяет оперативно доставлять заказы в Беларусь, Казахстан, Армению и другие страны ЕАЭС.
Варианты оплаты:
Минимальная сумма заказа и скидки:
Документы и гарантии:
Да, конечно! Наши технические специалисты готовы помочь вам с подбором точного аналога или замены подшипника. Просто позвоните нам по телефону +7 (495) 104-99-04 или напишите на почту zakaz@podsnab.ru.
Для оперативной консультации подготовьте, пожалуйста, имеющиеся данные: маркировку, размеры, тип оборудования или артикул старого подшипника.
Да, конечно! Мы высоко ценим долгосрочное сотрудничество и доверие клиентов по всей России. Для постоянных клиентов действует персональная система скидок.
Условия формируются индивидуально и зависят от:
Чтобы узнать свои условия и получить максимально выгодное предложение, свяжитесь с персональным менеджером или напишите нам на почту zakaz@podsnab.ru.
Вы можете оформить заказ несколькими способами:
Для оформления заказа от юридического лица свяжитесь с нашим отделом по работе с корпоративными клиентами по телефону +7 (495) 104-99-04 или напишите на email zakaz@podsnab.ru, прикрепив реквизиты вашей организации.
Мы оперативно подготовим коммерческое предложение и выставим счет.
Возврат товара надлежащего качества возможен в течение 10 дней с момента получения, если товар не был в употреблении, сохранен товарный вид, упаковка не вскрывалась и присутствуют все сопроводительные документы.
Возврат денежных средств осуществляется в течение 10 рабочих дней после проверки товара складом.
В соответствии с законодательством возврату не подлежат подшипники надлежащего качества, если отсутствует оригинальная упаковка или имеются следы монтажа.
В случае выявления брака или гарантийного случая мы гарантируем возврат или обмен товара.
Да, гарантийный срок хранения устанавливается заводом-изготовителем и в среднем составляет 2 года при соблюдении условий хранения: сухое помещение, оригинальная упаковка и смазка.
Точный срок для конкретного типа подшипника уточняйте у наших менеджеров.
Пн–Пт: с 8:00 до 17:00 (МСК).
Сб–Вс: выходные дни.
Заказы на сайте принимаются круглосуточно. Заявки, поступившие после окончания рабочего дня, обрабатываются на следующий рабочий день.
Минимальная сумма заказа для доставки составляет 3000 рублей. Самовывоз со склада возможен на любую сумму при наличии товара.
ООО «УралТехГрупп»
ИНН: 7415093830
КПП: 772401001
ОГРН: 1167456069021
Банк: ПАО Сбербанк
Р/с: 40702810838000475273
К/с: 30101810400000000225
БИК: 044525225
У подшипника 6-124 Ш2 пока нет отзывов. Вы можете стать первым покупателем, поделившимся своим мнением.