Поиск подшипника
Статьи
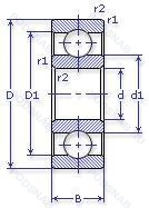
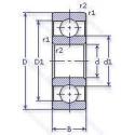
25-1000099 — Шариковый радиальный однорядный подшипник, модификация основного исполнения 1000099, производство ГПЗ.
Размер подшипника: 9x20x6 мм.
Государственный стандарт ГОСТ
251000099
В наличии
| Обозначение | Конструктивные изменения |
|---|---|
| 65-1000099 | Шариковый радиальный однорядный подшипник. |
| 7-1000099 | Шариковый радиальный однорядный подшипник. |
| 76-1000099 Ю1Т | Температура отпуска. 160°. Все детали или часть деталей из нержавеющей стали.. |
| 1000099 | Шариковый радиальный однорядный подшипник. Основное конструктивное исполнение. |
| 1000099-Л | Сепаратор из латуни.. |
| 1000099-ЮТ | Температура отпуска. 160°. Все детали или часть деталей из нержавеющей стали.. |
| 4-1000099 | Шариковый радиальный однорядный подшипник. |
| 4-1000099 ЮТ | Температура отпуска. 160°. Все детали или часть деталей из нержавеющей стали.. |
| 5-1000099 | Шариковый радиальный однорядный подшипник. |
| 5-1000099 Л | Сепаратор из латуни.. |
| 5-1000099 ЮТ | Температура отпуска. 160°. Все детали или часть деталей из нержавеющей стали.. |
| 6-1000099 | Шариковый радиальный однорядный подшипник. |
| 6-1000099 Т2 | 200°. Температура отпуска. |
| 6-1000099 ЮТ | Температура отпуска. 160°. Все детали или часть деталей из нержавеющей стали.. |
| 6-1000099 ЮТП | Температура отпуска. 160°. Все детали или часть деталей из нержавеющей стали.. |
Модификации шарикового подшипника 25-1000099 — это измененное основное конструктивное исполнение 1000099, основные размеры (9x20x6) не отличаются.
| Обозначение | Гост | Конструктивные особенности |
|---|---|---|
| F699-2Z | ISO | Защитные металлические шайбы с обеих сторон подшипника. |
| 04-1080098 ЮС20 | ГОСТ | Все детали или часть деталей из нержавеющей стали.. Смазка ВНИИНП-274. |
| 1000098-Л | ГОСТ | Сепаратор из латуни.. |
| 1000800-ZZ | ГОСТ | Защитные металлические шайбы с обеих сторон. |
| 1080098-КС2 | ГОСТ | Смазка ЦИАТИМ-221. |
| 1М4-1080098 Ю1Т | ГОСТ | Температура отпуска. 160°. Все детали или часть деталей из нержавеющей стали.. |
| 22-1080098 С2 | ГОСТ | Смазка ЦИАТИМ-221. |
| 22-1080099 КШ3УС21 | ГОСТ | «Замок» (скос) на внутреннем кольце плюс массивный сепаратор из текстолита. Дополнительные технические требования. Смазка ЭРА. Нормы шумности. |
| 24-1000098 ЮТ | ГОСТ | Температура отпуска. 160°. Все детали или часть деталей из нержавеющей стали.. |
| 24-1080099 С2 | ГОСТ | Смазка ЦИАТИМ-221. |
| 2М5-1000098 | ГОСТ | Модифицированный контакт.. |
| 34-1080098 КУС21 | ГОСТ | Дополнительные технические требования. Смазка ЭРА. |
| 5-1000098 Г | ГОСТ | Сепаратор из черных металлов.. |
| 5-1000098 Т2 | ГОСТ | 200°. Температура отпуска. |
| 5-1000098 Ю1Т | ГОСТ | Температура отпуска. 160°. Все детали или часть деталей из нержавеющей стали.. |
| 5-1000098 ЮТ | ГОСТ | Температура отпуска. 160°. Все детали или часть деталей из нержавеющей стали.. |
| 524-1000099-К | ГОСТ | «Замок» (скос) на внутреннем кольце плюс массивный сепаратор из текстолита. |
| 534-1080098-КТ1УС21 | ГОСТ | Дополнительные технические требования. 180°. Смазка ЭРА. Температура отпуска. |
| 6-1000098 Л | ГОСТ | Сепаратор из латуни.. |
| 6-1000098 ЮТ | ГОСТ | Температура отпуска. 160°. Все детали или часть деталей из нержавеющей стали.. |
Аналог шарикового подшипника 25-1000099 — это подшипник такого же размера dx9,Dx20,Bx6, типа и конструкции.
| Обозначение | Конструктивные особенности | Внутренний (d) | Наружный (D) | Ширина (B) |
|---|---|---|---|---|
| W 619/8-2RZ | Шариковый радиальный подшипник. Шарикоподшипник. С уплотнением и низким коэффициентом трения с обеих сторон. Уплотнение состоит из шайбы из листовой стали с вулканизированной резиной. Нержавеющая сталь. Средний предварительный натяг. | 8.00 | 19.00 | 6.00 |
| W 619/8 | Шариковый радиальный подшипник. Нержавеющая сталь. Средний предварительный натяг. | 8.00 | 19.00 | 6.00 |
| W 619/8 R-2RS1 | Шариковый радиальный подшипник. Усиленные листовой сталью контактные уплотнения из акрилонитрил-бутадиенового каучука (NBR) с обеих сторон подшипника. Нержавеющая сталь. С выпуклыми асимметричными роликами и обработанным сепаратором. Средний предварительный натяг. | 8.00 | 19.00 | 6.00 |
| W 619/9 | Шариковый радиальный подшипник. Largest Fill. Нержавеющая сталь. | 9.00 | 20.00 | 6.00 |
| W 619/9-2RZ | Шариковый радиальный подшипник. Шарикоподшипник. С уплотнением и низким коэффициентом трения с обеих сторон. Уплотнение состоит из шайбы из листовой стали с вулканизированной резиной. Largest Fill. Нержавеющая сталь. | 9.00 | 20.00 | 6.00 |
| W 619/9-2RS1 | Шариковый радиальный подшипник. Усиленные листовой сталью контактные уплотнения из акрилонитрил-бутадиенового каучука (NBR) с обеих сторон подшипника. Largest Fill. Нержавеющая сталь. | 9.00 | 20.00 | 6.00 |
| W 619/8 R-2Z | Шариковый радиальный подшипник. Защитные металлические шайбы с обеих сторон подшипника. Нержавеющая сталь. С выпуклыми асимметричными роликами и обработанным сепаратором. Средний предварительный натяг. | 8.00 | 19.00 | 6.00 |
| W 619/9 R-2RS1 | Шариковый радиальный подшипник. Усиленные листовой сталью контактные уплотнения из акрилонитрил-бутадиенового каучука (NBR) с обеих сторон подшипника. Largest Fill. Нержавеющая сталь. С выпуклыми асимметричными роликами и обработанным сепаратором. | 9.00 | 20.00 | 6.00 |
| W 63800-2RZ | Шариковый радиальный подшипник. Шарикоподшипник. С уплотнением и низким коэффициентом трения с обеих сторон. Уплотнение состоит из шайбы из листовой стали с вулканизированной резиной. Нержавеющая сталь. | 10.00 | 19.00 | 7.00 |
| W 63800 R-2RS1 | Шариковый радиальный подшипник. Усиленные листовой сталью контактные уплотнения из акрилонитрил-бутадиенового каучука (NBR) с обеих сторон подшипника. Нержавеющая сталь. С выпуклыми асимметричными роликами и обработанным сепаратором. | 10.00 | 19.00 | 7.00 |
| W 63800-2RS1 | Шариковый радиальный подшипник. Усиленные листовой сталью контактные уплотнения из акрилонитрил-бутадиенового каучука (NBR) с обеих сторон подшипника. Нержавеющая сталь. | 10.00 | 19.00 | 7.00 |
| W 63800 | Шариковый радиальный подшипник. Нержавеющая сталь. | 10.00 | 19.00 | 7.00 |
| ШСП10 | Шарнирный подшипник. С отверстиями и канавками для смазки во внутреннем кольце. | 10.00 | 20.00 | 6.00 |
| ШСП10К | Шарнирный подшипник. Канавка и отверстие для смазки на внутреннем и наружном кольцах.. С отверстиями и канавками для смазки во внутреннем кольце. | 10.00 | 20.00 | 6.00 |
| НШЛТ9 Ю1Т | Шарнирный подшипник. Температура отпуска. 160°. Одно или два кольца из нержавеющей стали.. | 9.00 | 20.00 | 6.00 |
Способы доставки
Отправка через ведущие транспортные и курьерские компании: ПЭК, Деловые Линии, СДЭК, Байкал-Сервис, Энергия, КИТ, ЖелДорЭкспедиция.
Самовывоз возможен напрямую со склада в Москве.
Сроки доставки
Срок зависит от региона и выбранной транспортной компании. Все заказы комплектуются и отправляются в кратчайшие сроки со склада в Москве.
Надёжность и сохранность
Вся продукция упаковывается с учётом требований транспортировки. Мы гарантируем, что подшипники и комплектующие прибудут к заказчику в полной сохранности.
Доставка в страны ЕАЭС
Мы работаем с проверенными логистическими партнёрами, что позволяет оперативно доставлять заказы в Беларусь, Казахстан, Армению и другие страны ЕАЭС.
Варианты оплаты:
Минимальная сумма заказа и скидки:
Документы и гарантии:
Да, конечно! Наши технические специалисты готовы помочь вам с подбором точного аналога или замены подшипника. Просто позвоните нам по телефону +7 (495) 104-99-04 или напишите на почту zakaz@podsnab.ru.
Для оперативной консультации подготовьте, пожалуйста, имеющиеся данные: маркировку, размеры, тип оборудования или артикул старого подшипника.
Да, конечно! Мы высоко ценим долгосрочное сотрудничество и доверие клиентов по всей России. Для постоянных клиентов действует персональная система скидок.
Условия формируются индивидуально и зависят от:
Чтобы узнать свои условия и получить максимально выгодное предложение, свяжитесь с персональным менеджером или напишите нам на почту zakaz@podsnab.ru.
Вы можете оформить заказ несколькими способами:
Для оформления заказа от юридического лица свяжитесь с нашим отделом по работе с корпоративными клиентами по телефону +7 (495) 104-99-04 или напишите на email zakaz@podsnab.ru, прикрепив реквизиты вашей организации.
Мы оперативно подготовим коммерческое предложение и выставим счет.
Возврат товара надлежащего качества возможен в течение 10 дней с момента получения, если товар не был в употреблении, сохранен товарный вид, упаковка не вскрывалась и присутствуют все сопроводительные документы.
Возврат денежных средств осуществляется в течение 10 рабочих дней после проверки товара складом.
В соответствии с законодательством возврату не подлежат подшипники надлежащего качества, если отсутствует оригинальная упаковка или имеются следы монтажа.
В случае выявления брака или гарантийного случая мы гарантируем возврат или обмен товара.
Да, гарантийный срок хранения устанавливается заводом-изготовителем и в среднем составляет 2 года при соблюдении условий хранения: сухое помещение, оригинальная упаковка и смазка.
Точный срок для конкретного типа подшипника уточняйте у наших менеджеров.
Пн–Пт: с 8:00 до 17:00 (МСК).
Сб–Вс: выходные дни.
Заказы на сайте принимаются круглосуточно. Заявки, поступившие после окончания рабочего дня, обрабатываются на следующий рабочий день.
Минимальная сумма заказа для доставки составляет 3000 рублей. Самовывоз со склада возможен на любую сумму при наличии товара.
ООО «УралТехГрупп»
ИНН: 7415093830
КПП: 772401001
ОГРН: 1167456069021
Банк: ПАО Сбербанк
Р/с: 40702810838000475273
К/с: 30101810400000000225
БИК: 044525225
У подшипника 25-1000099 пока нет отзывов. Вы можете стать первым покупателем, поделившимся своим мнением.