Поиск подшипника
Статьи
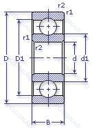
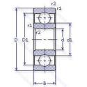
4-1000902 — Шариковый радиальный однорядный подшипник, модификация основного исполнения 1000902, производство ГПЗ.
Размер подшипника: 15x28x7 мм.
Аналоги: 61902P4.
Государственный стандарт ГОСТ
41000902
В наличии
| Обозначение | Конструктивные изменения |
|---|---|
| 7-1000902 | Шариковый радиальный однорядный подшипник. |
| 8-1000902 | Шариковый радиальный однорядный подшипник. |
| 1000902 | Шариковый радиальный однорядный подшипник. Основное конструктивное исполнение. |
| 06-1000902 | Шариковый радиальный однорядный подшипник. |
| 1000902-Л | Сепаратор из латуни.. |
| 1000902-Ю | Все детали или часть деталей из нержавеющей стали.. |
| 5-1000902 | Шариковый радиальный однорядный подшипник. |
| 5-1000902 ЮТ | Температура отпуска. 160°. Все детали или часть деталей из нержавеющей стали.. |
| 6-1000902 | Шариковый радиальный однорядный подшипник. |
| 6-1000902 ЮТ | Температура отпуска. 160°. Все детали или часть деталей из нержавеющей стали.. |
Модификации шарикового подшипника 4-1000902 — это измененное основное конструктивное исполнение 1000902, основные размеры (15x28x7) не отличаются.
| Обозначение | Гост | Конструктивные особенности |
|---|---|---|
| TMB902LLBC4/L234 | ISO | Внутренний радиальный зазор С4. Бесконтактное нитриловое уплотнение. Изготовлено из специально термически обработанной стали. |
| 6902LLH | ISO | Манжетное уплотнение с обеих сторон подшипника. |
| 6902LU | ISO | Двухкромочное нитриловое контактное уплотнение. |
| 6902LLUNR | ISO | Канавка и стопорное кольцо на наружном кольце. Двухкромочное нитриловое контактное уплотнение. |
| F-6902J1LLU | ISO | Штампованный стальной сепаратор. Шариковые подшипники из нержавеющей стали. Двухкромочное нитриловое контактное уплотнение. |
| AB44077S01 | ISO | Сферический наружный диаметр. |
| 9302K | ISO | Коническое отверстие. Конусность 1/12. |
| P6902-GB | ISO | Подшипник для универсального монтажа. Два подшипника. установленные по О-образной или Х-образной схеме. имеют средний преднатяг. |
| P6902-SB | ISO | Double Row. Angular Contact. Non-Filling Notch Bearing. With Outwardly Convergent Угол контактаs. Rigid Design. |
| S61902-2RS | ISO | Резиновые уплотнения с каждой стороны подшипника. |
| S61902-2Z | ISO | Защитные металлические шайбы с обеих сторон подшипника. |
| SF61902-2Z | ISO | Защитные металлические шайбы с обеих сторон подшипника. |
| SF61902-2RS | ISO | Резиновые уплотнения с каждой стороны подшипника. |
| 61902-Z.T9H.C3 | ISO | Внутренний зазор больше нормального. щит из листовой прессованной стали с одной стороны подшипника. Защелкивающийся сепаратор. Усиленный стекловолокном полиамид. Шариковые тела качения. |
| F61902-2Z | ISO | Защитные металлические шайбы с обеих сторон подшипника. |
| 3NCHAC902CA | ISO | Угол контакта 20 градусов. Латунный сепаратор с симметричными роликами. |
| 3NCHAC902C | ISO | Угол контакта 20 градусов. |
| 124-1080902-ЮУП | ГОСТ | Дополнительные технические требования. Все детали или часть деталей из нержавеющей стали.. |
| 1М4-1080902 ЮТ | ГОСТ | Температура отпуска. 160°. Все детали или часть деталей из нержавеющей стали.. |
| 4-1080902 ЮУ1Т | ГОСТ | Температура отпуска. 160°. Все детали или часть деталей из нержавеющей стали.. Дополнительные технические требования. |
Аналог шарикового подшипника 4-1000902 — это подшипник такого же размера dx15,Dx28,Bx7, типа и конструкции.
| Обозначение | Конструктивные особенности | Внутренний (d) | Наружный (D) | Ширина (B) |
|---|---|---|---|---|
| 7902AC | Шариковый радиально-упорный однорядный подшипник. Суффикс для радиально-упорного шарикоподшипника. | 15.00 | 28.00 | 7.00 |
| 7902 A5 | Шариковый радиально-упорный однорядный подшипник. 25° Угол контакта. | 15.00 | 28.00 | 7.00 |
| 1036902К | Шариковый радиально-упорный однорядный подшипник. «Замок» (скос) на внутреннем кольце плюс массивный сепаратор из текстолита. | 15.00 | 28.00 | 7.00 |
| 1046902К | Шариковый радиально-упорный однорядный подшипник. «Замок» (скос) на внутреннем кольце плюс массивный сепаратор из текстолита. | 15.00 | 28.00 | 7.00 |
| 4-1076902 ЮТ | Шариковый радиально-упорный однорядный подшипник. Температура отпуска. 160°. Все детали или часть деталей из нержавеющей стали.. | 15.00 | 28.00 | 7.00 |
| W 61902 R-2RS1 | Шариковый радиальный подшипник. Усиленные листовой сталью контактные уплотнения из акрилонитрил-бутадиенового каучука (NBR) с обеих сторон подшипника. Нержавеющая сталь. С выпуклыми асимметричными роликами и обработанным сепаратором. | 15.00 | 28.00 | 7.00 |
| W 61902 R-2Z | Шариковый радиальный подшипник. Защитные металлические шайбы с обеих сторон подшипника. Нержавеющая сталь. С выпуклыми асимметричными роликами и обработанным сепаратором. | 15.00 | 28.00 | 7.00 |
| W 61902-2RZ | Шариковый радиальный подшипник. Шарикоподшипник. С уплотнением и низким коэффициентом трения с обеих сторон. Уплотнение состоит из шайбы из листовой стали с вулканизированной резиной. Нержавеющая сталь. | 15.00 | 28.00 | 7.00 |
| W 61902 R | Шариковый радиальный подшипник. Нержавеющая сталь. С выпуклыми асимметричными роликами и обработанным сепаратором. | 15.00 | 28.00 | 7.00 |
| ШСП15 | Шарнирный подшипник. С отверстиями и канавками для смазки во внутреннем кольце. | 15.00 | 28.00 | 8.00 |
| ШСП15 К | Шарнирный подшипник. Канавка и отверстие для смазки на внутреннем и наружном кольцах.. С отверстиями и канавками для смазки во внутреннем кольце. | 15.00 | 28.00 | 8.00 |
| 20-ШМ15 ЮТ | Шарнирный подшипник. Температура отпуска. 160°. Одно или два кольца из нержавеющей стали.. Без отверстий и канавок для смазки.. | 15.00 | 28.00 | 8.00 |
| 20-ШМ15 | Шарнирный подшипник. Без отверстий и канавок для смазки.. | 15.00 | 28.00 | 8.00 |
| 1-ШС15 | Шарнирный подшипник. С отверстиями и канавками для смазки во внутреннем кольце.. | 15.00 | 28.00 | 8.00 |
| 1-ШС15 ЮТ | Шарнирный подшипник. Температура отпуска. 160°. Одно или два кольца из нержавеющей стали.. С отверстиями и канавками для смазки во внутреннем кольце.. | 15.00 | 28.00 | 8.00 |
Способы доставки
Отправка через ведущие транспортные и курьерские компании: ПЭК, Деловые Линии, СДЭК, Байкал-Сервис, Энергия, КИТ, ЖелДорЭкспедиция.
Самовывоз возможен напрямую со склада в Москве.
Сроки доставки
Срок зависит от региона и выбранной транспортной компании. Все заказы комплектуются и отправляются в кратчайшие сроки со склада в Москве.
Надёжность и сохранность
Вся продукция упаковывается с учётом требований транспортировки. Мы гарантируем, что подшипники и комплектующие прибудут к заказчику в полной сохранности.
Доставка в страны ЕАЭС
Мы работаем с проверенными логистическими партнёрами, что позволяет оперативно доставлять заказы в Беларусь, Казахстан, Армению и другие страны ЕАЭС.
Варианты оплаты:
Минимальная сумма заказа и скидки:
Документы и гарантии:
Да, конечно! Наши технические специалисты готовы помочь вам с подбором точного аналога или замены подшипника. Просто позвоните нам по телефону +7 (495) 104-99-04 или напишите на почту zakaz@podsnab.ru.
Для оперативной консультации подготовьте, пожалуйста, имеющиеся данные: маркировку, размеры, тип оборудования или артикул старого подшипника.
Да, конечно! Мы высоко ценим долгосрочное сотрудничество и доверие клиентов по всей России. Для постоянных клиентов действует персональная система скидок.
Условия формируются индивидуально и зависят от:
Чтобы узнать свои условия и получить максимально выгодное предложение, свяжитесь с персональным менеджером или напишите нам на почту zakaz@podsnab.ru.
Вы можете оформить заказ несколькими способами:
Для оформления заказа от юридического лица свяжитесь с нашим отделом по работе с корпоративными клиентами по телефону +7 (495) 104-99-04 или напишите на email zakaz@podsnab.ru, прикрепив реквизиты вашей организации.
Мы оперативно подготовим коммерческое предложение и выставим счет.
Возврат товара надлежащего качества возможен в течение 10 дней с момента получения, если товар не был в употреблении, сохранен товарный вид, упаковка не вскрывалась и присутствуют все сопроводительные документы.
Возврат денежных средств осуществляется в течение 10 рабочих дней после проверки товара складом.
В соответствии с законодательством возврату не подлежат подшипники надлежащего качества, если отсутствует оригинальная упаковка или имеются следы монтажа.
В случае выявления брака или гарантийного случая мы гарантируем возврат или обмен товара.
Да, гарантийный срок хранения устанавливается заводом-изготовителем и в среднем составляет 2 года при соблюдении условий хранения: сухое помещение, оригинальная упаковка и смазка.
Точный срок для конкретного типа подшипника уточняйте у наших менеджеров.
Пн–Пт: с 8:00 до 17:00 (МСК).
Сб–Вс: выходные дни.
Заказы на сайте принимаются круглосуточно. Заявки, поступившие после окончания рабочего дня, обрабатываются на следующий рабочий день.
Минимальная сумма заказа для доставки составляет 3000 рублей. Самовывоз со склада возможен на любую сумму при наличии товара.
ООО «УралТехГрупп»
ИНН: 7415093830
КПП: 772401001
ОГРН: 1167456069021
Банк: ПАО Сбербанк
Р/с: 40702810838000475273
К/с: 30101810400000000225
БИК: 044525225
У подшипника 4-1000902 пока нет отзывов. Вы можете стать первым покупателем, поделившимся своим мнением.