Поиск подшипника
Статьи
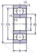
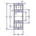
45-206 Е — Шариковый радиальный однорядный подшипник, модификация основного исполнения 206, производство ГПЗ.
Размер подшипника: 30x62x16 мм.
Сепаратор из текстолита.
Государственный стандарт ГОСТ
45206Е
В наличии
| Обозначение | Конструктивные изменения |
|---|---|
| 4-206 Е1 | Сепаратор из текстолита.. |
| 4-206 Е5 | Сепаратор из текстолита.. |
| 45-206 Б1 | Сепаратор из безоловянистой бронзы.. |
| 45-206 Б1Т2 | 200°. Температура отпуска. Сепаратор из безоловянистой бронзы.. |
| 45-206 Б1Т4 | 300°. Сепаратор из безоловянистой бронзы.. Температура отпуска. |
| 45-206 ДТ2 | Сепаратор из алюминиевого сплава.. 200°. Температура отпуска. |
| 45-206 Э1 | Детали из стали ШХ-15 со специальными присадками (ванадий. |
| 45-206 Ю3П | Все детали или часть деталей из нержавеющей стали.. |
| 45-206 Ю4 | Все детали или часть деталей из нержавеющей стали.. |
| 45-206 Ю9 | Все детали или часть деталей из нержавеющей стали.. |
| 45-206 Ю9П | Все детали или часть деталей из нержавеющей стали.. |
| 45-206 Ю9Т | Температура отпуска. 160°. Все детали или часть деталей из нержавеющей стали.. |
| 46-206 Р1 | Детали из теплоустойчивой (быстрорежущие) стали.. |
| 46-206 Р7 | Детали из теплоустойчивой (быстрорежущие) стали.. |
| 5-206 АК | Повышенная грузоподъемность. |
| 5-206 Б | Сепаратор из безоловянистой бронзы.. |
| 5-206 Б1 | Сепаратор из безоловянистой бронзы.. |
| 5-206 Б1Т2 | 200°. Температура отпуска. Сепаратор из безоловянистой бронзы.. |
| 5-206 Д | Сепаратор из алюминиевого сплава.. |
| 5-206 Е5 | Сепаратор из текстолита.. |
| 5-206 ЕШ2 | Сепаратор из текстолита.. Нормы шумности. |
| 5-206 КШ2У | Дополнительные технические требования. Нормы шумности. |
| 5-206 Р1 | Детали из теплоустойчивой (быстрорежущие) стали.. |
| 5-206 Р2 | Детали из теплоустойчивой (быстрорежущие) стали.. |
| 5-206 Ю | Все детали или часть деталей из нержавеющей стали.. |
Модификации шарикового подшипника 45-206 Е — это измененное основное конструктивное исполнение 206, основные размеры (30x62x16) не отличаются.
| Обозначение | Гост | Конструктивные особенности |
|---|---|---|
| 180206-А | ГОСТ | Повышенная грузоподъемность. |
| 180206АK | ГОСТ | Коническое отверстие. Конусность 1/12. Повышенная грузоподъемность. |
| 26-60206 АК | ГОСТ | Повышенная грузоподъемность. |
| 50206-A | ГОСТ | Двухрядный радиально-упорный шарикоподшипник без отверстия для смазки. |
| 50206-А1 | ГОСТ | Повышенная грузоподъемность. |
| 50206-А1Ш | ГОСТ | Повышенная грузоподъемность. Нормы шумности. |
| 50206-АК | ГОСТ | Повышенная грузоподъемность. |
| 50206-АШ | ГОСТ | Повышенная грузоподъемность. Нормы шумности. |
| 50206-А | ГОСТ | Повышенная грузоподъемность. |
| 530206-К1 | ГОСТ | «Замок» (скос) на внутреннем кольце плюс массивный сепаратор из текстолита. |
| 6-150206-АКШ1 | ГОСТ | Нормы шумности. Повышенная грузоподъемность. |
| 6-150206-КШ1 | ГОСТ | Нормы шумности. |
| 6-160206-А | ГОСТ | Повышенная грузоподъемность. |
| 6-180206-АКС9 | ГОСТ | Повышенная грузоподъемность. Смазка ЛЗ-31. |
| 6-180206 АС23 | ГОСТ | Повышенная грузоподъемность. Смазка ШРУС-4. |
| 6-180206-АС9 | ГОСТ | Повышенная грузоподъемность. Смазка ЛЗ-31. |
| 6-180206 К3С9 | ГОСТ | Смазка ЛЗ-31. |
| 6-180206-С17 | ГОСТ | Смазка Литол-24. |
| 6-180206-С9 | ГОСТ | Смазка ЛЗ-31. |
| 6-180206-С9Ш2 | ГОСТ | Нормы шумности. Смазка ЛЗ-31. |
Аналог шарикового подшипника 45-206 Е — это подшипник такого же размера dx30,Dx62,Bx16, типа и конструкции.
| Обозначение | Конструктивные особенности | Внутренний (d) | Наружный (D) | Ширина (B) |
|---|---|---|---|---|
| 5-36206 К | Шариковый радиально-упорный однорядный подшипник. «Замок» (скос) на внутреннем кольце плюс массивный сепаратор из текстолита. | 30.00 | 62.00 | 16.00 |
| 5-36206 Л | Шариковый радиально-упорный однорядный подшипник. Сепаратор из латуни.. | 30.00 | 62.00 | 16.00 |
| 5-42206 Б1 | Роликовый радиальный однорядный подшипник. Сепаратор из безоловянистой бронзы.. | 30.00 | 62.00 | 16.00 |
| 5-42206 Д | Роликовый радиальный однорядный подшипник. Сепаратор из алюминиевого сплава.. | 30.00 | 62.00 | 16.00 |
| 5-42206 Р1 | Роликовый радиальный однорядный подшипник. Детали из теплоустойчивой (быстрорежущие) стали.. | 30.00 | 62.00 | 16.00 |
| 5-46206 Е | Шариковый радиально-упорный однорядный подшипник. Сепаратор из текстолита.. | 30.00 | 62.00 | 16.00 |
| 5-46206 Е3 | Шариковый радиально-упорный однорядный подшипник. Сепаратор из пластических материалов.. | 30.00 | 62.00 | 16.00 |
| 5-46206 Е5 | Шариковый радиально-упорный однорядный подшипник. Сепаратор из текстолита.. | 30.00 | 62.00 | 16.00 |
| 5-46206 Л | Шариковый радиально-упорный однорядный подшипник. Сепаратор из латуни.. | 30.00 | 62.00 | 16.00 |
| 530206-К1С17 | Шариковый радиальный подшипник. Смазка Литол-24. «Замок» (скос) на внутреннем кольце плюс массивный сепаратор из текстолита. | 30.00 | 62.00 | 16.00 |
| 530206-С5 | Шариковый радиальный подшипник. Смазка ЦИАТИМ-202. | 30.00 | 62.00 | 16.00 |
| 55-2206 БМТ2 | Роликовый радиальный однорядный подшипник. 200°. Модифицированный контакт.. Температура отпуска. Сепаратор из безоловянистой бронзы.. | 30.00 | 62.00 | 16.00 |
| 55-32206 Р10 | Роликовый радиальный однорядный подшипник. Детали из теплоустойчивой (быстрорежущие) стали.. | 30.00 | 62.00 | 16.00 |
| 55-32206 Р7 | Роликовый радиальный однорядный подшипник. Детали из теплоустойчивой (быстрорежущие) стали.. | 30.00 | 62.00 | 16.00 |
| 56-2206 БМТ2 | Роликовый радиальный однорядный подшипник. 200°. Модифицированный контакт.. Температура отпуска. Сепаратор из безоловянистой бронзы.. | 30.00 | 62.00 | 16.00 |
Способы доставки
Отправка через ведущие транспортные и курьерские компании: ПЭК, Деловые Линии, СДЭК, Байкал-Сервис, Энергия, КИТ, ЖелДорЭкспедиция.
Самовывоз возможен напрямую со склада в Москве.
Сроки доставки
Срок зависит от региона и выбранной транспортной компании. Все заказы комплектуются и отправляются в кратчайшие сроки со склада в Москве.
Надёжность и сохранность
Вся продукция упаковывается с учётом требований транспортировки. Мы гарантируем, что подшипники и комплектующие прибудут к заказчику в полной сохранности.
Доставка в страны ЕАЭС
Мы работаем с проверенными логистическими партнёрами, что позволяет оперативно доставлять заказы в Беларусь, Казахстан, Армению и другие страны ЕАЭС.
Варианты оплаты:
Минимальная сумма заказа и скидки:
Документы и гарантии:
Да, конечно! Наши технические специалисты готовы помочь вам с подбором точного аналога или замены подшипника. Просто позвоните нам по телефону +7 (495) 104-99-04 или напишите на почту zakaz@podsnab.ru.
Для оперативной консультации подготовьте, пожалуйста, имеющиеся данные: маркировку, размеры, тип оборудования или артикул старого подшипника.
Да, конечно! Мы высоко ценим долгосрочное сотрудничество и доверие клиентов по всей России. Для постоянных клиентов действует персональная система скидок.
Условия формируются индивидуально и зависят от:
Чтобы узнать свои условия и получить максимально выгодное предложение, свяжитесь с персональным менеджером или напишите нам на почту zakaz@podsnab.ru.
Вы можете оформить заказ несколькими способами:
Для оформления заказа от юридического лица свяжитесь с нашим отделом по работе с корпоративными клиентами по телефону +7 (495) 104-99-04 или напишите на email zakaz@podsnab.ru, прикрепив реквизиты вашей организации.
Мы оперативно подготовим коммерческое предложение и выставим счет.
Возврат товара надлежащего качества возможен в течение 10 дней с момента получения, если товар не был в употреблении, сохранен товарный вид, упаковка не вскрывалась и присутствуют все сопроводительные документы.
Возврат денежных средств осуществляется в течение 10 рабочих дней после проверки товара складом.
В соответствии с законодательством возврату не подлежат подшипники надлежащего качества, если отсутствует оригинальная упаковка или имеются следы монтажа.
В случае выявления брака или гарантийного случая мы гарантируем возврат или обмен товара.
Да, гарантийный срок хранения устанавливается заводом-изготовителем и в среднем составляет 2 года при соблюдении условий хранения: сухое помещение, оригинальная упаковка и смазка.
Точный срок для конкретного типа подшипника уточняйте у наших менеджеров.
Пн–Пт: с 8:00 до 17:00 (МСК).
Сб–Вс: выходные дни.
Заказы на сайте принимаются круглосуточно. Заявки, поступившие после окончания рабочего дня, обрабатываются на следующий рабочий день.
Минимальная сумма заказа для доставки составляет 3000 рублей. Самовывоз со склада возможен на любую сумму при наличии товара.
ООО «УралТехГрупп»
ИНН: 7415093830
КПП: 772401001
ОГРН: 1167456069021
Банк: ПАО Сбербанк
Р/с: 40702810838000475273
К/с: 30101810400000000225
БИК: 044525225
У подшипника 45-206 Е пока нет отзывов. Вы можете стать первым покупателем, поделившимся своим мнением.