Поиск подшипника
Статьи
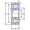
5-17 — Шариковый радиальный однорядный подшипник, модификация основного исполнения 17, производство ГПЗ.
Размер подшипника: 7x19x6 мм.
Государственный стандарт ГОСТ
517
В наличии
| Обозначение | Конструктивные изменения |
|---|---|
| 70-17 | Шариковый радиальный однорядный подшипник. |
| 66-17 | Шариковый радиальный однорядный подшипник. |
| 7-17 | Шариковый радиальный однорядный подшипник. |
| 75-17 ЮТ | Температура отпуска. 160°. Все детали или часть деталей из нержавеющей стали.. |
| 76-17 Ю | Все детали или часть деталей из нержавеющей стали.. |
| 76-17 ЮТ | Температура отпуска. 160°. Все детали или часть деталей из нержавеющей стали.. |
| 26-17 | Шариковый радиальный однорядный подшипник. |
| 05-17 | Шариковый радиальный однорядный подшипник. |
| 05-17 У | Дополнительные технические требования. |
| 06-17 | Шариковый радиальный однорядный подшипник. |
| 17-Л | Сепаратор из латуни.. |
| 26-17 Ю | Все детали или часть деталей из нержавеющей стали.. |
| 26-17 ЮП | Все детали или часть деталей из нержавеющей стали.. |
| 26-17 ЮТ | Температура отпуска. 160°. Все детали или часть деталей из нержавеющей стали.. |
| 26-17 ЮТП | Температура отпуска. 160°. Все детали или часть деталей из нержавеющей стали.. |
| 5-17 Т2 | 200°. Температура отпуска. |
| 5-17 Ш3 | Нормы шумности. |
| 5-17 ЮТ | Температура отпуска. 160°. Все детали или часть деталей из нержавеющей стали.. |
| 6-17 | Шариковый радиальный однорядный подшипник. |
| 6-17 Т2 | 200°. Температура отпуска. |
| 6-17 Ю | Все детали или часть деталей из нержавеющей стали.. |
| 6-17 ЮТ | Температура отпуска. 160°. Все детали или часть деталей из нержавеющей стали.. |
Модификации шарикового подшипника 5-17 — это измененное основное конструктивное исполнение 17, основные размеры (7x19x6) не отличаются.
| Обозначение | Гост | Конструктивные особенности |
|---|---|---|
| 26-80066 Т2С2 | ГОСТ | 200°. Смазка ЦИАТИМ-221. Температура отпуска. |
| 26-80066 Т2С4 | ГОСТ | 200°. Температура отпуска. Смазка ЦИАТИМ-221С. |
| 2М5-1000098 | ГОСТ | Модифицированный контакт.. |
| 34-1080098 КУС21 | ГОСТ | Дополнительные технические требования. Смазка ЭРА. |
| 36-26 Ю | ГОСТ | Все детали или часть деталей из нержавеющей стали.. |
| 4-60026 К | ГОСТ | «Замок» (скос) на внутреннем кольце плюс массивный сепаратор из текстолита. |
| 5-1000098 Г | ГОСТ | Сепаратор из черных металлов.. |
| 5-1000098 Т2 | ГОСТ | 200°. Температура отпуска. |
| 5-1000098 Ю1Т | ГОСТ | Температура отпуска. 160°. Все детали или часть деталей из нержавеющей стали.. |
| 5-1000098 ЮТ | ГОСТ | Температура отпуска. 160°. Все детали или часть деталей из нержавеющей стали.. |
| 5-26 Р4 | ГОСТ | Детали из теплоустойчивой (быстрорежущие) стали.. |
| 5-26 Т2 | ГОСТ | 200°. Температура отпуска. |
| 5-26Л | ГОСТ | Сепаратор из латуни.. |
| 5-60026 ЮТ | ГОСТ | Температура отпуска. 160°. Все детали или часть деталей из нержавеющей стали.. |
| 5-60066 Т2 | ГОСТ | 200°. Температура отпуска. |
| 5-80026 К2С21 | ГОСТ | «Замок» (скос) на внутреннем кольце плюс массивный сепаратор из текстолита. Смазка ЭРА. |
| 5-80066 С1 | ГОСТ | Смазка ОКБ 122-7. |
| 534-1080098-КТ1УС21 | ГОСТ | Дополнительные технические требования. 180°. Смазка ЭРА. Температура отпуска. |
| 6-1000098 Л | ГОСТ | Сепаратор из латуни.. |
| 6-1000098 ЮТ | ГОСТ | Температура отпуска. 160°. Все детали или часть деталей из нержавеющей стали.. |
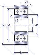
Аналог шарикового подшипника 5-17 — это подшипник такого же размера dx7,Dx19,Bx6, типа и конструкции.
| Обозначение | Конструктивные особенности | Внутренний (d) | Наружный (D) | Ширина (B) |
|---|---|---|---|---|
| 6026-Е | Шариковый радиально-упорный однорядный подшипник. Сепаратор из текстолита.. | 6.00 | 19.00 | 6.00 |
| 6026-Л | Шариковый радиально-упорный однорядный подшипник. Сепаратор из латуни.. | 6.00 | 19.00 | 6.00 |
| 6026-Ю2 | Шариковый радиально-упорный однорядный подшипник. Все детали или часть деталей из нержавеющей стали.. | 6.00 | 19.00 | 6.00 |
| 46017К | Шариковый радиально-упорный однорядный подшипник. «Замок» (скос) на внутреннем кольце плюс массивный сепаратор из текстолита. | 7.00 | 19.00 | 6.00 |
| 5-1006 Д | Шариковый радиальный двухрядный подшипник. Сепаратор из алюминиевого сплава.. | 6.00 | 19.00 | 6.00 |
| 5-1006 ДУ | Шариковый радиальный двухрядный подшипник. Сепаратор из алюминиевого сплава.. Дополнительные технические требования. | 6.00 | 19.00 | 6.00 |
| 5-1006 У | Шариковый радиальный двухрядный подшипник. Дополнительные технические требования. | 6.00 | 19.00 | 6.00 |
| 5-1006 УЮ | Шариковый радиальный двухрядный подшипник. Дополнительные технические требования. Все детали или часть деталей из нержавеющей стали.. | 6.00 | 19.00 | 6.00 |
| 5-26 ЮТ | Шариковый радиальный подшипник. Температура отпуска. 160°. Все детали или часть деталей из нержавеющей стали.. | 6.00 | 19.00 | 6.00 |
| 5-6017 К | Шариковый радиально-упорный однорядный подшипник. «Замок» (скос) на внутреннем кольце плюс массивный сепаратор из текстолита. | 7.00 | 19.00 | 6.00 |
| 5-6017 У | Шариковый радиально-упорный однорядный подшипник. Дополнительные технические требования. | 7.00 | 19.00 | 6.00 |
| 5-6026 Е1 | Шариковый радиально-упорный однорядный подшипник. Сепаратор из текстолита.. | 6.00 | 19.00 | 6.00 |
| 6-1006-Ю | Шариковый радиальный двухрядный подшипник. Все детали или часть деталей из нержавеющей стали.. | 6.00 | 19.00 | 6.00 |
| 6-1006-ЮТ | Шариковый радиальный двухрядный подшипник. Температура отпуска. 160°. Все детали или часть деталей из нержавеющей стали.. | 6.00 | 19.00 | 6.00 |
| 6-1008096-Е | Шариковый упорный однорядный подшипник. Сепаратор из текстолита.. | 6.00 | 18.00 | 7.00 |
Способы доставки
Отправка через ведущие транспортные и курьерские компании: ПЭК, Деловые Линии, СДЭК, Байкал-Сервис, Энергия, КИТ, ЖелДорЭкспедиция.
Самовывоз возможен напрямую со склада в Москве.
Сроки доставки
Срок зависит от региона и выбранной транспортной компании. Все заказы комплектуются и отправляются в кратчайшие сроки со склада в Москве.
Надёжность и сохранность
Вся продукция упаковывается с учётом требований транспортировки. Мы гарантируем, что подшипники и комплектующие прибудут к заказчику в полной сохранности.
Доставка в страны ЕАЭС
Мы работаем с проверенными логистическими партнёрами, что позволяет оперативно доставлять заказы в Беларусь, Казахстан, Армению и другие страны ЕАЭС.
Варианты оплаты:
Минимальная сумма заказа и скидки:
Документы и гарантии:
Да, конечно! Наши технические специалисты готовы помочь вам с подбором точного аналога или замены подшипника. Просто позвоните нам по телефону +7 (495) 104-99-04 или напишите на почту zakaz@podsnab.ru.
Для оперативной консультации подготовьте, пожалуйста, имеющиеся данные: маркировку, размеры, тип оборудования или артикул старого подшипника.
Да, конечно! Мы высоко ценим долгосрочное сотрудничество и доверие клиентов по всей России. Для постоянных клиентов действует персональная система скидок.
Условия формируются индивидуально и зависят от:
Чтобы узнать свои условия и получить максимально выгодное предложение, свяжитесь с персональным менеджером или напишите нам на почту zakaz@podsnab.ru.
Вы можете оформить заказ несколькими способами:
Для оформления заказа от юридического лица свяжитесь с нашим отделом по работе с корпоративными клиентами по телефону +7 (495) 104-99-04 или напишите на email zakaz@podsnab.ru, прикрепив реквизиты вашей организации.
Мы оперативно подготовим коммерческое предложение и выставим счет.
Возврат товара надлежащего качества возможен в течение 10 дней с момента получения, если товар не был в употреблении, сохранен товарный вид, упаковка не вскрывалась и присутствуют все сопроводительные документы.
Возврат денежных средств осуществляется в течение 10 рабочих дней после проверки товара складом.
В соответствии с законодательством возврату не подлежат подшипники надлежащего качества, если отсутствует оригинальная упаковка или имеются следы монтажа.
В случае выявления брака или гарантийного случая мы гарантируем возврат или обмен товара.
Да, гарантийный срок хранения устанавливается заводом-изготовителем и в среднем составляет 2 года при соблюдении условий хранения: сухое помещение, оригинальная упаковка и смазка.
Точный срок для конкретного типа подшипника уточняйте у наших менеджеров.
Пн–Пт: с 8:00 до 17:00 (МСК).
Сб–Вс: выходные дни.
Заказы на сайте принимаются круглосуточно. Заявки, поступившие после окончания рабочего дня, обрабатываются на следующий рабочий день.
Минимальная сумма заказа для доставки составляет 3000 рублей. Самовывоз со склада возможен на любую сумму при наличии товара.
ООО «УралТехГрупп»
ИНН: 7415093830
КПП: 772401001
ОГРН: 1167456069021
Банк: ПАО Сбербанк
Р/с: 40702810838000475273
К/с: 30101810400000000225
БИК: 044525225
У подшипника 5-17 пока нет отзывов. Вы можете стать первым покупателем, поделившимся своим мнением.