Поиск подшипника
Статьи
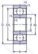
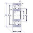
5314 — Шариковый радиальный однорядный подшипник, модификация основного исполнения 314, производство ГПЗ.
Размер подшипника: 70x150x35 мм.
Аналоги: 6314P5.
Государственный стандарт ГОСТ
5314
В наличии
| Обозначение | Конструктивные изменения |
|---|---|
| 4-314-АШ2 | Нормы шумности. Повышенная грузоподъемность. |
| 5-314 АШ2 | Нормы шумности. Повышенная грузоподъемность. |
| 6-314 АШ | Повышенная грузоподъемность. Нормы шумности. |
| 75-314 АШ2 | Нормы шумности. Повышенная грузоподъемность. |
| 76-314 АШ1 | Повышенная грузоподъемность. Нормы шумности. |
| 76-314 АШ | Повышенная грузоподъемность. Нормы шумности. |
| 6-314 А | Повышенная грузоподъемность. |
| 6-314 АШ1 | Повышенная грузоподъемность. Нормы шумности. |
| 6-314 Ш | Нормы шумности. |
| 6-314 Ш1 | Нормы шумности. |
| 6-314 Ш1У | Дополнительные технические требования. Нормы шумности. |
| 6-314 Ш2У | Дополнительные технические требования. Нормы шумности. |
| 6-314 Ю | Все детали или часть деталей из нержавеющей стали.. |
| 7-314 АК | Повышенная грузоподъемность. |
| 70-314 А | Повышенная грузоподъемность. |
| 75-314 ЕШ2 | Сепаратор из текстолита.. Нормы шумности. |
| 75-314 ЕШ3 | Сепаратор из текстолита.. Нормы шумности. |
| 75-314 Ш1У | Дополнительные технические требования. Нормы шумности. |
| 75-314 Ш2У | Дополнительные технические требования. Нормы шумности. |
| 76-314 А | Повышенная грузоподъемность. |
| 76-314 ЕШ2У | Сепаратор из текстолита.. Дополнительные технические требования. Нормы шумности. |
| 76-314 Ш | Нормы шумности. |
| 76-314 Ш1У | Дополнительные технические требования. Нормы шумности. |
| 314-А | Повышенная грузоподъемность. |
| 5-314 Ш2У | Дополнительные технические требования. Нормы шумности. |
Модификации шарикового подшипника 5314 — это измененное основное конструктивное исполнение 314, основные размеры (70x150x35) не отличаются.
| Обозначение | Гост | Конструктивные особенности |
|---|---|---|
| 60314-Ш | ГОСТ | Нормы шумности. |
| 7-170314 Л | ГОСТ | Сепаратор из латуни.. |
| 70-180314 С17 | ГОСТ | Смазка Литол-24. |
| 75-170314 ЕШ3 | ГОСТ | Сепаратор из текстолита.. Нормы шумности. |
| SC1414 | ISO | Механически обработанный сепаратор. |
| SC1420 | ISO | Механически обработанный сепаратор. |
| SC1458 | ISO | Механически обработанный сепаратор. |
| 6314LB | ISO | Бесконтактное нитриловое уплотнение. |
| 6314LU | ISO | Двухкромочное нитриловое контактное уплотнение. |
| 6314LBLU | ISO | Двухкромочное нитриловое контактное уплотнение. Бесконтактное нитриловое уплотнение. |
| 170314-АЛ | ГОСТ | Сепаратор из латуни.. Повышенная грузоподъемность. |
| 170314-Л | ГОСТ | Сепаратор из латуни.. |
| 180314-А | ГОСТ | Повышенная грузоподъемность. |
| 180314-С17 | ГОСТ | Смазка Литол-24. |
| 5-50314 Л | ГОСТ | Сепаратор из латуни.. |
| 50314-А | ГОСТ | Повышенная грузоподъемность. |
| 50314-Л | ГОСТ | Сепаратор из латуни.. |
| 50314-АК | ГОСТ | Повышенная грузоподъемность. |
| 6-170314 Л | ГОСТ | Сепаратор из латуни.. |
| 6-180314 Ш1 | ГОСТ | Нормы шумности. |
Аналог шарикового подшипника 5314 — это подшипник такого же размера dx70,Dx150,Bx35, типа и конструкции.
| Обозначение | Конструктивные особенности | Внутренний (d) | Наружный (D) | Ширина (B) |
|---|---|---|---|---|
| 7603070-TVP | Шариковый упорный однорядный подшипник. Molded Snap-Type Cage Of Glass Fibre Reinforced Polyamide. Rolling Element Riding. | 70.00 | 150.00 | 35.00 |
| 42314-К1М | Роликовый радиальный однорядный подшипник. Кольцевая проточка на середине цилиндрической наружной поверхности наружного кольца плюс три отверстия для смазки. Модифицированный контакт.. | 70.00 | 150.00 | 35.00 |
| 42314-КМ | Роликовый радиальный однорядный подшипник. Кольцевая проточка на середине цилиндрической наружной поверхности наружного кольца плюс три отверстия для смазки. Модифицированный контакт.. | 70.00 | 150.00 | 35.00 |
| 42314-М1 | Роликовый радиальный однорядный подшипник. Модифицированный контакт.. | 70.00 | 150.00 | 35.00 |
| 42314-М1Ш1 | Роликовый радиальный однорядный подшипник. Модифицированный контакт.. Нормы шумности. | 70.00 | 150.00 | 35.00 |
| 42314-М1Ш2У | Роликовый радиальный однорядный подшипник. Дополнительные технические требования. Модифицированный контакт.. Нормы шумности. | 70.00 | 150.00 | 35.00 |
| 46314-АЛ | Шариковый радиально-упорный однорядный подшипник. Сепаратор из латуни.. Повышенная грузоподъемность. | 70.00 | 150.00 | 35.00 |
| 46314-Л | Шариковый радиально-упорный однорядный подшипник. Сепаратор из латуни.. | 70.00 | 150.00 | 35.00 |
| 46314К | Шариковый радиально-упорный однорядный подшипник. «Замок» (скос) на внутреннем кольце плюс массивный сепаратор из текстолита. | 70.00 | 150.00 | 35.00 |
| 5-46314 Л | Шариковый радиально-упорный однорядный подшипник. Сепаратор из латуни.. | 70.00 | 150.00 | 35.00 |
| 50-2314 КМ | Роликовый радиальный однорядный подшипник. Модифицированный контакт.. | 70.00 | 150.00 | 35.00 |
| 6-102314 М | Роликовый радиальный однорядный подшипник. Модифицированный контакт.. | 70.00 | 150.00 | 35.00 |
| 6-126314 Л | Шариковый радиально-упорный однорядный подшипник. Сепаратор из латуни.. | 70.00 | 150.00 | 35.00 |
| 6-126314 Р | Шариковый радиально-упорный однорядный подшипник. Детали из теплоустойчивой (быстрорежущие) стали.. | 70.00 | 150.00 | 35.00 |
| 6-176314 Л | Шариковый радиально-упорный однорядный подшипник. Сепаратор из латуни.. | 70.00 | 150.00 | 35.00 |
Способы доставки
Отправка через ведущие транспортные и курьерские компании: ПЭК, Деловые Линии, СДЭК, Байкал-Сервис, Энергия, КИТ, ЖелДорЭкспедиция.
Самовывоз возможен напрямую со склада в Москве.
Сроки доставки
Срок зависит от региона и выбранной транспортной компании. Все заказы комплектуются и отправляются в кратчайшие сроки со склада в Москве.
Надёжность и сохранность
Вся продукция упаковывается с учётом требований транспортировки. Мы гарантируем, что подшипники и комплектующие прибудут к заказчику в полной сохранности.
Доставка в страны ЕАЭС
Мы работаем с проверенными логистическими партнёрами, что позволяет оперативно доставлять заказы в Беларусь, Казахстан, Армению и другие страны ЕАЭС.
Варианты оплаты:
Минимальная сумма заказа и скидки:
Документы и гарантии:
Да, конечно! Наши технические специалисты готовы помочь вам с подбором точного аналога или замены подшипника. Просто позвоните нам по телефону +7 (495) 104-99-04 или напишите на почту zakaz@podsnab.ru.
Для оперативной консультации подготовьте, пожалуйста, имеющиеся данные: маркировку, размеры, тип оборудования или артикул старого подшипника.
Да, конечно! Мы высоко ценим долгосрочное сотрудничество и доверие клиентов по всей России. Для постоянных клиентов действует персональная система скидок.
Условия формируются индивидуально и зависят от:
Чтобы узнать свои условия и получить максимально выгодное предложение, свяжитесь с персональным менеджером или напишите нам на почту zakaz@podsnab.ru.
Вы можете оформить заказ несколькими способами:
Для оформления заказа от юридического лица свяжитесь с нашим отделом по работе с корпоративными клиентами по телефону +7 (495) 104-99-04 или напишите на email zakaz@podsnab.ru, прикрепив реквизиты вашей организации.
Мы оперативно подготовим коммерческое предложение и выставим счет.
Возврат товара надлежащего качества возможен в течение 10 дней с момента получения, если товар не был в употреблении, сохранен товарный вид, упаковка не вскрывалась и присутствуют все сопроводительные документы.
Возврат денежных средств осуществляется в течение 10 рабочих дней после проверки товара складом.
В соответствии с законодательством возврату не подлежат подшипники надлежащего качества, если отсутствует оригинальная упаковка или имеются следы монтажа.
В случае выявления брака или гарантийного случая мы гарантируем возврат или обмен товара.
Да, гарантийный срок хранения устанавливается заводом-изготовителем и в среднем составляет 2 года при соблюдении условий хранения: сухое помещение, оригинальная упаковка и смазка.
Точный срок для конкретного типа подшипника уточняйте у наших менеджеров.
Пн–Пт: с 8:00 до 17:00 (МСК).
Сб–Вс: выходные дни.
Заказы на сайте принимаются круглосуточно. Заявки, поступившие после окончания рабочего дня, обрабатываются на следующий рабочий день.
Минимальная сумма заказа для доставки составляет 3000 рублей. Самовывоз со склада возможен на любую сумму при наличии товара.
ООО «УралТехГрупп»
ИНН: 7415093830
КПП: 772401001
ОГРН: 1167456069021
Банк: ПАО Сбербанк
Р/с: 40702810838000475273
К/с: 30101810400000000225
БИК: 044525225
У подшипника 5314 пока нет отзывов. Вы можете стать первым покупателем, поделившимся своим мнением.