Поиск подшипника
Статьи
GE140ES-2RS — Сферический подшипник скольжения, модификация основного исполнения GE140, выпускается производителями: ASKUBAL, AST, CRAFT, CX, ELGES, FBJ, IKO, ISO, LS, NIS, NKE, SKF, WSW.
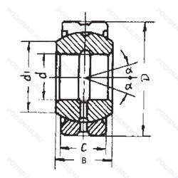
Размер подшипника: 140x210x90 мм.
Широкий подшипник с внутренним кольцом и метрическим отверстием, контактные уплотнения типа rs с обеих сторон игольчатого роликоподшипника, разъемное наружное кольцо со смазочными отверстиями.
Альтернативное обозначение: GE140DO-2RS.
Аналоги: GE140-DO-2RS-A Elges,GE140ES-2RS SKF,GE140ES-2RS LSK Bearings,GE140ES-2RS Neutral.
Международная стандартизации ISO
GE140ES2RS
В наличии
| Обозначение | Конструктивные изменения |
|---|---|
| GE140DO-2RS | Контактные уплотнения типа RS с обеих сторон игольчатого роликоподшипника. Прессованный стальной сепаратор. Вращающийся элемент по центру. Незакаленный. Антизадирная пластичная смазка. |
| GE140UK-2RS | Контактные уплотнения типа RS с обеих сторон игольчатого роликоподшипника. Контактная поверхность скольжения хром/PTFE композит. Антизадирная пластичная смазка. |
| GE140TG3A | With Spherical Plain Bearings. T Denotes PTFE (Polytetrafluoroethylene) Fabric Material. G3 Denotes Hardened Stainless Steel. Both Rings. And A Denotes A Two-Piece Outer Ring. |
| GE140ET-2RS | Резиновые уплотнения с каждой стороны подшипника. Сквозная закалка и шлифовка стали с переломом в одной точке. |
| GE140-ES | Разъемное наружное кольцо со смазочными отверстиями. Антизадирная пластичная смазка. |
| GE140FO | Стальная скользящая контактная поверхность. Более широкое внутреннее кольцо. |
| GE140TXA-2RS | Double-Lip Rubbing Seals Of Metric Bearings Are Made Of Polyester Elastomer (-30°C/+130°C). Inch-Size Bearings Are Made Of Polyurethane (-20°C/+80°C). Through Hardened And Ground Steel. Split Two-Piece. Held Together By One Or Two Steel Bands. |
| GE140-FW-2RS-B | Манжетное уплотнение с двух сторон. Особенность внутренней конструкции. СкользящаКонтактная поверхность из хром/PTFE. Широкое внутреннее кольцо. |
| GE140-AX | Поверхность контакта скольжения сталь / сталь. Метрический радиальный сферический подшипник скольжения. |
| GE140-FO-2RS-A | Особенность внутренней конструкции. Манжетное уплотнение с двух сторон. Стальная скользящая контактная поверхность. Более широкое внутреннее кольцо. |
| GE140GS | Подшипник с предварительным натягом и цилиндрическим наружним кольцом. |
| GE140GS-2RS | Резиновые уплотнения с каждой стороны подшипника. Steel/Steel And Wider Inner Ring. |
| GE140-AW-A | Двухрядный радиально-упорный шарикоподшипник без отверстия для смазки. Скользящая контактная поверхность cталь/PTFE. |
| GE140UK-2RSC | Контактная поверхность скольжения хром/PTFE композит. Резиновые уплотнения с каждой стороны подшипника. |
| GE140SW | Скользящая контактная поверхность из твердого хрома/Elgoglide®. Метрический радиальный сферический подшипник скольжения. |
| GE140EC-2RS | Резиновые уплотнения с каждой стороны подшипника. Хром/PTFE композит и радиальный подшипник. Не требует обслуживания благодаря тефлоновому композитному наружному кольцу. Внутреннее кольцо закалено.. |
| GE140DO-2RSA | Special Seals. Поверхность контакта скольжения сталь / сталь. |
| GE140SX | Радиально-упорный сферический подшипник скольжения. требующий обслуживания по ISO 12 2402. Монтажные размеры как для конических роликоподшипников по DIN 720. 320X. Стальная скользящая контактная поверхность. Метрический радиальный сферический подшипник скольжения. |
| GE140CS-2Z | Защитные металлические шайбы с обеих сторон. Высокоуглеродистая сталь. |
| GE140XT/X | Измененные размеры границ. введенные пересмотренными стандартами ISO. Закаленная и шлифованная сталь. Скользящая поверхность покрыта твердым хромом и отполирована. |
| GE140XT/X-2RS | Резиновые уплотнения с каждой стороны подшипника. Измененные размеры границ. введенные пересмотренными стандартами ISO. Закаленная и шлифованная сталь. Скользящая поверхность покрыта твердым хромом и отполирована. |
| GE140XT-2RS | Резиновые уплотнения с каждой стороны подшипника. Закаленная и шлифованная сталь. Скользящая поверхность покрыта твердым хромом и отполирована. |
| GE140FW-2RS | Контактные уплотнения типа RS с обеих сторон игольчатого роликоподшипника. СкользящаКонтактная поверхность из хром/PTFE. Широкое внутреннее кольцо. Антизадирная пластичная смазка. |
| GE140AW | Скользящая контактная поверхность из твердого хрома/Elgoglide®. Антизадирная пластичная смазка. |
| GE140XF/Q | Оптимизированная геометрия и специальная обработка контактных поверхностей. |
Модификации сферического подшипника GE140ES-2RS — это измененное основное конструктивное исполнение GE140, основные размеры (140x210x90) не отличаются.
| Обозначение | Гост | Конструктивные особенности |
|---|---|---|
| SA1-140 | ISO | Длина рельса в мм. |
| SR140 2RS | ISO | Double-Lip Rubbing Seals Of Metric Bearings Are Made Of Polyester Elastomer (-30°C/+130°C). Inch-Size Bearings Are Made Of Polyurethane (-20°C/+80°C). |
Аналог сферического подшипника GE140ES-2RS — это подшипник такого же размера dx140,Dx210,Bx90, типа и конструкции.
| Обозначение | Конструктивные особенности | Внутренний (d) | Наружный (D) | Ширина (B) |
|---|---|---|---|---|
| 32028X/DF | Двухрядный конический роликовый подшипник. Присоединительные размеры не соответствуют серии размеров ISO. Комплект из двух подшипников. согласованных для установки по Х-образной схеме. Число. следующее непосредственно после букв DF. обозначает конструкцию промежуточного кольца. | 140.00 | 210.00 | 90.00 |
| 32028-X-XL-DF-A250-300 | Однорядный конический роликовый подшипник. Серия X-Life премиум-класс. увеличиный срок службы. Внешние размеры соответствуют международным стандартам. Два конических роликоподшипника. расположенных по схеме X. С промежуточным кольцом между наружными кольцами. Осевой зазор в мкм. | 140.00 | 210.00 | 90.00 |
| 32028-X-XL-DFA-A300-350 | Однорядный конический роликовый подшипник. Серия X-Life премиум-класс. увеличиный срок службы. Внешние размеры соответствуют международным стандартам. Two Tapered Roller Bearings Matched In An X Arrangement.With An Intermediate Ring Between The Outer Rings. Axial Internal Clearance Between .. And .. In mm. Осевой зазор в мкм. | 140.00 | 210.00 | 90.00 |
| 32028DF | Однорядный конический роликовый подшипник. Два конических роликоподшипника. расположенных по схеме X. С промежуточным кольцом между наружными кольцами. | 140.00 | 210.00 | 90.00 |
| 32028-X-DB-A200&260-T130-SQ2-77 | Однорядный конический роликовый подшипник. Внешние размеры соответствуют международным стандартам. Paired Taper Set In O-Arrangement. Axle Box Execution For Railway Rolling Stock. Защитная металлическая шайба с двух сторон подшипника. T - за которым следует цифра. обозначает общую ширину пар подшипников. расположенных «спина к спине» или «тандем». Осевой зазор в мкм. | 140.00 | 210.00 | 90.00 |
| 32028-X-N11CA | Однорядный конический роликовый подшипник. Внешние размеры соответствуют международным стандартам. Два X-образных конических роликоподшипника. С прокладкам между чашками. | 140.00 | 210.00 | 90.00 |
| 32028-X-XL-DF-A170-200 | Однорядный конический роликовый подшипник. Серия X-Life премиум-класс. увеличиный срок службы. Внешние размеры соответствуют международным стандартам. Два конических роликоподшипника. расположенных по схеме X. С промежуточным кольцом между наружными кольцами. Осевой зазор в мкм. | 140.00 | 210.00 | 90.00 |
| 32028-X-DF-A170-200 | Однорядный конический роликовый подшипник. Внешние размеры соответствуют международным стандартам. Два конических роликоподшипника. расположенных по схеме X. С промежуточным кольцом между наружными кольцами. Осевой зазор в мкм. | 140.00 | 210.00 | 90.00 |
| 32028XUDF | Роликовый радиальный-упорный двухрядный подшипник. | 140.00 | 210.00 | 90.00 |
| GE 140 ECR-2RS | Шарнирный подшипник. Контактные уплотнения типа RS с обеих сторон игольчатого роликоподшипника. Антизадирная пластичная смазка. | 140.00 | 210.00 | 90.00 |
| 140FSF210 | Шарнирный подшипник. | 140.00 | 210.00 | 90.00 |
| GE 140 ES-2LS | Шарнирный подшипник. Контактное уплотнение с обеих сторон подшипника. Разъемное наружное кольцо со смазочными отверстиями. | 140.00 | 210.00 | 90.00 |
| GE 140 TXG3A-2LS | Шарнирный подшипник. Контактное уплотнение с обеих сторон подшипника. Stainless Steel X46Cr13/1.4034. Hardened. Ground. Split Two-Piece. Held Together By One Steel Band. | 140.00 | 210.00 | 90.00 |
| GE 140 TXA-2LS | Шарнирный подшипник. Контактное уплотнение с обеих сторон подшипника. Machined One-Piece Retainer Made From Special Material. Working Temperature -50°C/+260°C. | 140.00 | 210.00 | 90.00 |
Способы доставки
Отправка через ведущие транспортные и курьерские компании: ПЭК, Деловые Линии, СДЭК, Байкал-Сервис, Энергия, КИТ, ЖелДорЭкспедиция.
Самовывоз возможен напрямую со склада в Москве.
Сроки доставки
Срок зависит от региона и выбранной транспортной компании. Все заказы комплектуются и отправляются в кратчайшие сроки со склада в Москве.
Надёжность и сохранность
Вся продукция упаковывается с учётом требований транспортировки. Мы гарантируем, что подшипники и комплектующие прибудут к заказчику в полной сохранности.
Доставка в страны ЕАЭС
Мы работаем с проверенными логистическими партнёрами, что позволяет оперативно доставлять заказы в Беларусь, Казахстан, Армению и другие страны ЕАЭС.
Варианты оплаты:
Минимальная сумма заказа и скидки:
Документы и гарантии:
Да, конечно! Наши технические специалисты готовы помочь вам с подбором точного аналога или замены подшипника. Просто позвоните нам по телефону +7 (495) 104-99-04 или напишите на почту zakaz@podsnab.ru.
Для оперативной консультации подготовьте, пожалуйста, имеющиеся данные: маркировку, размеры, тип оборудования или артикул старого подшипника.
Да, конечно! Мы высоко ценим долгосрочное сотрудничество и доверие клиентов по всей России. Для постоянных клиентов действует персональная система скидок.
Условия формируются индивидуально и зависят от:
Чтобы узнать свои условия и получить максимально выгодное предложение, свяжитесь с персональным менеджером или напишите нам на почту zakaz@podsnab.ru.
Вы можете оформить заказ несколькими способами:
Для оформления заказа от юридического лица свяжитесь с нашим отделом по работе с корпоративными клиентами по телефону +7 (495) 104-99-04 или напишите на email zakaz@podsnab.ru, прикрепив реквизиты вашей организации.
Мы оперативно подготовим коммерческое предложение и выставим счет.
Возврат товара надлежащего качества возможен в течение 10 дней с момента получения, если товар не был в употреблении, сохранен товарный вид, упаковка не вскрывалась и присутствуют все сопроводительные документы.
Возврат денежных средств осуществляется в течение 10 рабочих дней после проверки товара складом.
В соответствии с законодательством возврату не подлежат подшипники надлежащего качества, если отсутствует оригинальная упаковка или имеются следы монтажа.
В случае выявления брака или гарантийного случая мы гарантируем возврат или обмен товара.
Да, гарантийный срок хранения устанавливается заводом-изготовителем и в среднем составляет 2 года при соблюдении условий хранения: сухое помещение, оригинальная упаковка и смазка.
Точный срок для конкретного типа подшипника уточняйте у наших менеджеров.
Пн–Пт: с 8:00 до 17:00 (МСК).
Сб–Вс: выходные дни.
Заказы на сайте принимаются круглосуточно. Заявки, поступившие после окончания рабочего дня, обрабатываются на следующий рабочий день.
Минимальная сумма заказа для доставки составляет 3000 рублей. Самовывоз со склада возможен на любую сумму при наличии товара.
ООО «УралТехГрупп»
ИНН: 7415093830
КПП: 772401001
ОГРН: 1167456069021
Банк: ПАО Сбербанк
Р/с: 40702810838000475273
К/с: 30101810400000000225
БИК: 044525225
У подшипника GE140ES-2RS пока нет отзывов. Вы можете стать первым покупателем, поделившимся своим мнением.