Поиск подшипника
Статьи
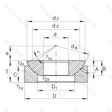
GE140-AX — Сферический подшипник скольжения, модификация основного исполнения GE140, производство INA.
Размер подшипника: 140x260x72 мм.
Широкий подшипник с внутренним кольцом и метрическим отверстием, поверхность контакта скольжения сталь / сталь.
Международная стандартизации ISO
GE140AX
В наличии
| Обозначение | Конструктивные изменения |
|---|---|
| GE140DO-2RS | Контактные уплотнения типа RS с обеих сторон игольчатого роликоподшипника. Прессованный стальной сепаратор. Вращающийся элемент по центру. Незакаленный. Антизадирная пластичная смазка. |
| GE140UK-2RS | Контактные уплотнения типа RS с обеих сторон игольчатого роликоподшипника. Контактная поверхность скольжения хром/PTFE композит. Антизадирная пластичная смазка. |
| GE140TG3A | With Spherical Plain Bearings. T Denotes PTFE (Polytetrafluoroethylene) Fabric Material. G3 Denotes Hardened Stainless Steel. Both Rings. And A Denotes A Two-Piece Outer Ring. |
| GE140ET-2RS | Резиновые уплотнения с каждой стороны подшипника. Сквозная закалка и шлифовка стали с переломом в одной точке. |
| GE140ES-2RS | Контактные уплотнения типа RS с обеих сторон игольчатого роликоподшипника. Разъемное наружное кольцо со смазочными отверстиями. Антизадирная пластичная смазка. |
| GE140-ES | Разъемное наружное кольцо со смазочными отверстиями. Антизадирная пластичная смазка. |
| GE140FO | Стальная скользящая контактная поверхность. Более широкое внутреннее кольцо. |
| GE140TXA-2RS | Double-Lip Rubbing Seals Of Metric Bearings Are Made Of Polyester Elastomer (-30°C/+130°C). Inch-Size Bearings Are Made Of Polyurethane (-20°C/+80°C). Through Hardened And Ground Steel. Split Two-Piece. Held Together By One Or Two Steel Bands. |
| GE140-FW-2RS-B | Манжетное уплотнение с двух сторон. Особенность внутренней конструкции. СкользящаКонтактная поверхность из хром/PTFE. Широкое внутреннее кольцо. |
| GE140-FO-2RS-A | Особенность внутренней конструкции. Манжетное уплотнение с двух сторон. Стальная скользящая контактная поверхность. Более широкое внутреннее кольцо. |
| GE140GS | Подшипник с предварительным натягом и цилиндрическим наружним кольцом. |
| GE140GS-2RS | Резиновые уплотнения с каждой стороны подшипника. Steel/Steel And Wider Inner Ring. |
| GE140-AW-A | Двухрядный радиально-упорный шарикоподшипник без отверстия для смазки. Скользящая контактная поверхность cталь/PTFE. |
| GE140UK-2RSC | Контактная поверхность скольжения хром/PTFE композит. Резиновые уплотнения с каждой стороны подшипника. |
| GE140SW | Скользящая контактная поверхность из твердого хрома/Elgoglide®. Метрический радиальный сферический подшипник скольжения. |
| GE140EC-2RS | Резиновые уплотнения с каждой стороны подшипника. Хром/PTFE композит и радиальный подшипник. Не требует обслуживания благодаря тефлоновому композитному наружному кольцу. Внутреннее кольцо закалено.. |
| GE140DO-2RSA | Special Seals. Поверхность контакта скольжения сталь / сталь. |
| GE140SX | Радиально-упорный сферический подшипник скольжения. требующий обслуживания по ISO 12 2402. Монтажные размеры как для конических роликоподшипников по DIN 720. 320X. Стальная скользящая контактная поверхность. Метрический радиальный сферический подшипник скольжения. |
| GE140CS-2Z | Защитные металлические шайбы с обеих сторон. Высокоуглеродистая сталь. |
| GE140XT/X | Измененные размеры границ. введенные пересмотренными стандартами ISO. Закаленная и шлифованная сталь. Скользящая поверхность покрыта твердым хромом и отполирована. |
| GE140XT/X-2RS | Резиновые уплотнения с каждой стороны подшипника. Измененные размеры границ. введенные пересмотренными стандартами ISO. Закаленная и шлифованная сталь. Скользящая поверхность покрыта твердым хромом и отполирована. |
| GE140XT-2RS | Резиновые уплотнения с каждой стороны подшипника. Закаленная и шлифованная сталь. Скользящая поверхность покрыта твердым хромом и отполирована. |
| GE140FW-2RS | Контактные уплотнения типа RS с обеих сторон игольчатого роликоподшипника. СкользящаКонтактная поверхность из хром/PTFE. Широкое внутреннее кольцо. Антизадирная пластичная смазка. |
| GE140AW | Скользящая контактная поверхность из твердого хрома/Elgoglide®. Антизадирная пластичная смазка. |
| GE140XF/Q | Оптимизированная геометрия и специальная обработка контактных поверхностей. |
Модификации сферического подшипника GE140-AX — это измененное основное конструктивное исполнение GE140, основные размеры (140x260x72) не отличаются.
| Обозначение | Конструктивные особенности | Внутренний (d) | Наружный (D) | Ширина (B) |
|---|---|---|---|---|
| С-49988 | Роликовый радиальный-упорный двухрядный подшипник. Смазка ЦИАТИМ-221С. | 139.95 | 260.00 | 71.44 |
| GW 140 | Шарнирный подшипник. Пластичная смазка для широкого диапазона температур. | 140.00 | 260.00 | 72.00 |
| GX140T | Шарнирный подшипник. Textile Laminated Phenolic Resin. Outer Ring Guided. The Cage Is Suitable For Long-Term Operation At Temperatures Up To 100°C. | 140.00 | 260.00 | 72.00 |
Способы доставки
Отправка через ведущие транспортные и курьерские компании: ПЭК, Деловые Линии, СДЭК, Байкал-Сервис, Энергия, КИТ, ЖелДорЭкспедиция.
Самовывоз возможен напрямую со склада в Москве.
Сроки доставки
Срок зависит от региона и выбранной транспортной компании. Все заказы комплектуются и отправляются в кратчайшие сроки со склада в Москве.
Надёжность и сохранность
Вся продукция упаковывается с учётом требований транспортировки. Мы гарантируем, что подшипники и комплектующие прибудут к заказчику в полной сохранности.
Доставка в страны ЕАЭС
Мы работаем с проверенными логистическими партнёрами, что позволяет оперативно доставлять заказы в Беларусь, Казахстан, Армению и другие страны ЕАЭС.
Варианты оплаты:
Минимальная сумма заказа и скидки:
Документы и гарантии:
Да, конечно! Наши технические специалисты готовы помочь вам с подбором точного аналога или замены подшипника. Просто позвоните нам по телефону +7 (495) 104-99-04 или напишите на почту zakaz@podsnab.ru.
Для оперативной консультации подготовьте, пожалуйста, имеющиеся данные: маркировку, размеры, тип оборудования или артикул старого подшипника.
Да, конечно! Мы высоко ценим долгосрочное сотрудничество и доверие клиентов по всей России. Для постоянных клиентов действует персональная система скидок.
Условия формируются индивидуально и зависят от:
Чтобы узнать свои условия и получить максимально выгодное предложение, свяжитесь с персональным менеджером или напишите нам на почту zakaz@podsnab.ru.
Вы можете оформить заказ несколькими способами:
Для оформления заказа от юридического лица свяжитесь с нашим отделом по работе с корпоративными клиентами по телефону +7 (495) 104-99-04 или напишите на email zakaz@podsnab.ru, прикрепив реквизиты вашей организации.
Мы оперативно подготовим коммерческое предложение и выставим счет.
Возврат товара надлежащего качества возможен в течение 10 дней с момента получения, если товар не был в употреблении, сохранен товарный вид, упаковка не вскрывалась и присутствуют все сопроводительные документы.
Возврат денежных средств осуществляется в течение 10 рабочих дней после проверки товара складом.
В соответствии с законодательством возврату не подлежат подшипники надлежащего качества, если отсутствует оригинальная упаковка или имеются следы монтажа.
В случае выявления брака или гарантийного случая мы гарантируем возврат или обмен товара.
Да, гарантийный срок хранения устанавливается заводом-изготовителем и в среднем составляет 2 года при соблюдении условий хранения: сухое помещение, оригинальная упаковка и смазка.
Точный срок для конкретного типа подшипника уточняйте у наших менеджеров.
Пн–Пт: с 8:00 до 17:00 (МСК).
Сб–Вс: выходные дни.
Заказы на сайте принимаются круглосуточно. Заявки, поступившие после окончания рабочего дня, обрабатываются на следующий рабочий день.
Минимальная сумма заказа для доставки составляет 3000 рублей. Самовывоз со склада возможен на любую сумму при наличии товара.
ООО «УралТехГрупп»
ИНН: 7415093830
КПП: 772401001
ОГРН: 1167456069021
Банк: ПАО Сбербанк
Р/с: 40702810838000475273
К/с: 30101810400000000225
БИК: 044525225
У подшипника GE140-AX пока нет отзывов. Вы можете стать первым покупателем, поделившимся своим мнением.