Поиск подшипника
Статьи
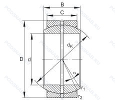
GE17DO — Сферический подшипник скольжения, модификация основного исполнения GE17, выпускается производителями: AKN, CCVI, ELGES, FAG, INA, ISO, NEUTRAL, SKF.
Размер подшипника: 17x30x14 мм.
Широкий подшипник с внутренним кольцом и метрическим отверстием, прессованный стальной сепаратор. вращающийся элемент по центру. незакаленный.
Альтернативное обозначение: GE17ES.
Аналоги: GE17DO Elges,GE17-DO INA,GE17-DO Elges,GE17ES AKN,GE17ES LS,GE17ES LSK Bearings,GE17ES CCVI,GE17DO Neutral,GE17ES Neutral.
Международная стандартизации ISO
GE17DO
В наличии
| Обозначение | Конструктивные изменения |
|---|---|
| GE17HO-2RS | Резиновые уплотнения с каждой стороны подшипника. Стальная cкользящая контактная поверхность. Цилиндрическое расширение на внутреннем кольце. |
| GE17DA | Сферический подшипник скольжения. |
| GE17AW | Скользящая контактная поверхность из твердого хрома/Elgoglide®. Антизадирная пластичная смазка. |
| GE17ES | Повышенной грузоподъемности. Разъемное наружное кольцо со смазочными отверстиями. |
| GE17C | 15° Угол контакта. |
| GE17FW | СкользящаКонтактная поверхность из хром/PTFE. Широкое внутреннее кольцо. Антизадирная пластичная смазка. |
| GE17UK | Контактная поверхность скольжения хром/PTFE композит. Антизадирная пластичная смазка. |
| GE17KRRB | Сферический подшипник скольжения. |
| GE17GS | Подшипник с предварительным натягом и цилиндрическим наружним кольцом. |
| GE17TGR | d ≤17mm/ Unhardened Stainless Steel X22CrNi 17/1.4057. Pressed Over The Inner Ring. No Butt Joint d ≥20mm/ Hardened Stainless Steel X46Cr 13/1.4034. Hardened.Ground. Fractured At One Position. |
| GE17AX | Поверхность контакта скольжения сталь / сталь. Метрический радиальный сферический подшипник скольжения. |
| GE17ET-2RS | Резиновые уплотнения с каждой стороны подшипника. Сквозная закалка и шлифовка стали с переломом в одной точке. |
| GE17DE | Сферический подшипник скольжения. |
| GE17TXGR | d ≤17mm/ Unhardened Stainless Steel X22CrNi 17/1.4057. Pressed Over The Inner Ring. No Butt Joint d ≥20mm/ Hardened Stainless Steel X46Cr 13/1.4034. Hardened. Ground. Fractured At One Position. |
| GE17FO | Стальная скользящая контактная поверхность. Более широкое внутреннее кольцо. |
| GE17-XL-KRR-B | Подшипник со сферическим наружным кольцом. Серия X-Life премиум-класс. увеличиный срок службы. Манжетные уплотнения с обеих сторон (уплотнение типа R - имеет оцинкованные внутреннюю и внешнюю крышки. Между крышками имеется уплотнительная кромка NBR. идущая по шлифованному буртику). |
| GE17EC | Хром/PTFE композит и радиальный подшипник. Не требует обслуживания благодаря тефлоновому композитному наружному кольцу. Внутреннее кольцо закалено.. |
| GE17KRR | Манжетные уплотнения с обеих сторон (уплотнение типа R - имеет оцинкованные внутреннюю и внешнюю крышки. Между крышками имеется уплотнительная кромка NBR. идущая по шлифованному буртику). |
| GE17N | Канавка под стопорное кольцо на внешнем кольце. |
| GE17ET/X-2RS | Резиновые уплотнения с каждой стороны подшипника. Измененные размеры границ. введенные пересмотренными стандартами ISO. Сквозная закалка и шлифовка стали с переломом в одной точке. |
| GE17XDO-2RS | Резиновые уплотнения с каждой стороны подшипника. |
| GE17XDO | Сферический подшипник скольжения. |
| GE17ET/X | Измененные размеры границ. введенные пересмотренными стандартами ISO. Сквозная закалка и шлифовка стали с переломом в одной точке. |
Модификации сферического подшипника GE17DO — это измененное основное конструктивное исполнение GE17, основные размеры (17x30x14) не отличаются.
| Обозначение | Гост | Конструктивные особенности |
|---|---|---|
| GE17ES-2RS | ISO | Повышенной грузоподъемности. Прорезиненное уплотнение с двух сторон. |
| GE16DO | ISO | Прессованный стальной сепаратор. Вращающийся элемент по центру. Незакаленный. Антизадирная пластичная смазка. |
| GE17DOV | ISO | Подшипник без сепаратора. С полным комплектом тел качения. Поверхность контакта скольжения сталь / сталь. |
| GE17UK-2RS | ISO | Коническое внутреннее отверстие. Контактные уплотнения типа RS с обеих сторон игольчатого роликоподшипника. Антизадирная пластичная смазка. |
| GE16ES | ISO | Разъемное наружное кольцо со смазочными отверстиями. |
| GE16EC-NIRO | ISO | Твердый хром/фторопластовый композит и радиальный подшипник - необслуживаемый благодаря внешнему кольцу из фторопластового композита. Внутреннее кольцо закалено. Внешнее кольцо, состоящее из стали и внутренней оболочки монорельса, сжимает внутреннее кольцо.. Нержавеющая сталь.. |
| DGE17ES-2RS | ISO | Манжетное уплотнение с двух сторон. Стальная скользящая контактная поверхность. Разъемное наружное кольцо со смазочными отверстиями. |
| GE17-DO-C3 | ISO | Радиальный внутренний зазор больше нормального. Поверхность контакта скольжения сталь / сталь. |
| GE17ES/C2 | ISO | Внутренний зазор подшипника меньше нормального. Разъемное наружное кольцо со смазочными отверстиями. |
| DGE16ES | ISO | Разъемное наружное кольцо со смазочными отверстиями. |
| DGE16ES-2RS | ISO | Манжетное уплотнение с двух сторон. Стальная скользящая контактная поверхность. Разъемное наружное кольцо со смазочными отверстиями. |
| DGE17UK-2RS | ISO | Резиновые уплотнения с каждой стороны подшипника. Сталь/политетрафторэтилен (ПТФЭ). |
| DSGE17UK | ISO | Сталь/политетрафторэтилен (ПТФЭ). |
| GE17-DO-HLN | ISO | Поверхность контакта скольжения сталь / сталь. Код местонахождения завода. может использоваться в стандартной комплектации. |
| GE16DO-HLG | ISO | Стальная контактная поверхность скольжения. Внутреннее и наружное кольца закалены. Код местонахождения завода. может использоваться в стандартной комплектации. |
| ETLD17-63(R) | ISO | С выпуклыми асимметричными роликами и обработанным сепаратором. 3.15/16. |
| GE17UK-2RSA | ISO | Контактная поверхность скольжения хром/PTFE композит. Special Seals. |
| GE17-DO-C2 | ISO | Внутренний зазор подшипника меньше нормального. Поверхность контакта скольжения сталь / сталь. |
| GE17-DO-HLN-C2 | ISO | Внутренний зазор подшипника меньше нормального. Поверхность контакта скольжения сталь / сталь. Код местонахождения завода. может использоваться в стандартной комплектации. |
| GE17DO.B | ISO | Конический роликовый подшипник. Угол контакта 20 градусов. Сталь. Внутреннее и внешнее кольцо закалены. |
Аналог сферического подшипника GE17DO — это подшипник такого же размера dx17,Dx30,Bx14, типа и конструкции.
| Обозначение | Конструктивные особенности | Внутренний (d) | Наружный (D) | Ширина (B) |
|---|---|---|---|---|
| 71903 CDT | Шариковый радиально-упорный двухрядный подшипник. Механически обработанный сепаратор из текстолита. Однорядный радиально-упорный шарикоподшипник улучшенной конструкции с углом контакта 15°. | 17.00 | 30.00 | 14.00 |
| 71903 CDF | Шариковый радиально-упорный двухрядный подшипник. Механически обработанный сепаратор из стали или специального чугуна. Однорядный радиально-упорный шарикоподшипник улучшенной конструкции с углом контакта 15°. | 17.00 | 30.00 | 14.00 |
| NA4903TT | Роликовый игольчатый подшипник однорядный. Комплект из трех согласованных однорядных радиально-упорных шарикоподшипников или радиально-упорных шарикоподшипников, расположенных тандемно. | 17.00 | 30.00 | 14.00 |
| NK18X29X14 | Роликовый игольчатый подшипник однорядный. Изменённая фаска. | 18.00 | 29.00 | 14.00 |
| NA4903M | Роликовый игольчатый подшипник однорядный. Подшипник с латунным сепаратором. центрированный по телам качения. | 17.00 | 30.00 | 13.00 |
| 1 ЕШСП17 К | Шарнирный подшипник. Канавка и отверстие для смазки на внутреннем и наружном кольцах.. | 17.00 | 30.00 | 14.00 |
| GE 017 ES | Шарнирный подшипник. Антизадирная пластичная смазка. | 17.00 | 30.00 | 14.00 |
| GE 016 ES | Шарнирный подшипник. Антизадирная пластичная смазка. | 16.00 | 30.00 | 14.00 |
| GE 017 ECR | Шарнирный подшипник. Антизадирная пластичная смазка. | 17.00 | 30.00 | 14.00 |
| GE 016 ES-2RS | Шарнирный подшипник. Контактные уплотнения типа RS с обеих сторон игольчатого роликоподшипника. Антизадирная пластичная смазка. | 16.00 | 30.00 | 14.00 |
| GE 017 ES-2RS | Шарнирный подшипник. Контактные уплотнения типа RS с обеих сторон игольчатого роликоподшипника. Антизадирная пластичная смазка. | 17.00 | 30.00 | 14.00 |
| GE 017 ECR-2RS | Шарнирный подшипник. Контактные уплотнения типа RS с обеих сторон игольчатого роликоподшипника. Антизадирная пластичная смазка. | 17.00 | 30.00 | 14.00 |
| GE16DO-2RS | Шарнирный подшипник. Резиновые уплотнения с каждой стороны подшипника. Прессованный стальной сепаратор. Вращающийся элемент по центру. Незакаленный. | 16.00 | 30.00 | 14.00 |
| SAR1-17 | Шарнирный подшипник. 1.1/16. | 17.00 | 30.00 | 14.00 |
| 1-ЕШСП17 КИ | Шарнирный подшипник. Канавка и отверстие для смазки на внутреннем и наружном кольцах.. Поверхность скольжения покрыта дисульфидом молибдена.. | 17.00 | 30.00 | 14.00 |
Способы доставки
Отправка через ведущие транспортные и курьерские компании: ПЭК, Деловые Линии, СДЭК, Байкал-Сервис, Энергия, КИТ, ЖелДорЭкспедиция.
Самовывоз возможен напрямую со склада в Москве.
Сроки доставки
Срок зависит от региона и выбранной транспортной компании. Все заказы комплектуются и отправляются в кратчайшие сроки со склада в Москве.
Надёжность и сохранность
Вся продукция упаковывается с учётом требований транспортировки. Мы гарантируем, что подшипники и комплектующие прибудут к заказчику в полной сохранности.
Доставка в страны ЕАЭС
Мы работаем с проверенными логистическими партнёрами, что позволяет оперативно доставлять заказы в Беларусь, Казахстан, Армению и другие страны ЕАЭС.
Варианты оплаты:
Минимальная сумма заказа и скидки:
Документы и гарантии:
Да, конечно! Наши технические специалисты готовы помочь вам с подбором точного аналога или замены подшипника. Просто позвоните нам по телефону +7 (495) 104-99-04 или напишите на почту zakaz@podsnab.ru.
Для оперативной консультации подготовьте, пожалуйста, имеющиеся данные: маркировку, размеры, тип оборудования или артикул старого подшипника.
Да, конечно! Мы высоко ценим долгосрочное сотрудничество и доверие клиентов по всей России. Для постоянных клиентов действует персональная система скидок.
Условия формируются индивидуально и зависят от:
Чтобы узнать свои условия и получить максимально выгодное предложение, свяжитесь с персональным менеджером или напишите нам на почту zakaz@podsnab.ru.
Вы можете оформить заказ несколькими способами:
Для оформления заказа от юридического лица свяжитесь с нашим отделом по работе с корпоративными клиентами по телефону +7 (495) 104-99-04 или напишите на email zakaz@podsnab.ru, прикрепив реквизиты вашей организации.
Мы оперативно подготовим коммерческое предложение и выставим счет.
Возврат товара надлежащего качества возможен в течение 10 дней с момента получения, если товар не был в употреблении, сохранен товарный вид, упаковка не вскрывалась и присутствуют все сопроводительные документы.
Возврат денежных средств осуществляется в течение 10 рабочих дней после проверки товара складом.
В соответствии с законодательством возврату не подлежат подшипники надлежащего качества, если отсутствует оригинальная упаковка или имеются следы монтажа.
В случае выявления брака или гарантийного случая мы гарантируем возврат или обмен товара.
Да, гарантийный срок хранения устанавливается заводом-изготовителем и в среднем составляет 2 года при соблюдении условий хранения: сухое помещение, оригинальная упаковка и смазка.
Точный срок для конкретного типа подшипника уточняйте у наших менеджеров.
Пн–Пт: с 8:00 до 17:00 (МСК).
Сб–Вс: выходные дни.
Заказы на сайте принимаются круглосуточно. Заявки, поступившие после окончания рабочего дня, обрабатываются на следующий рабочий день.
Минимальная сумма заказа для доставки составляет 3000 рублей. Самовывоз со склада возможен на любую сумму при наличии товара.
ООО «УралТехГрупп»
ИНН: 7415093830
КПП: 772401001
ОГРН: 1167456069021
Банк: ПАО Сбербанк
Р/с: 40702810838000475273
К/с: 30101810400000000225
БИК: 044525225
У подшипника GE17DO пока нет отзывов. Вы можете стать первым покупателем, поделившимся своим мнением.