Поиск подшипника
Статьи
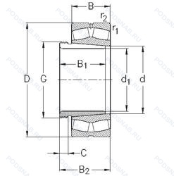
22236-K-MB-W33+AH2236 — Роликовый радиальный сферический двухрядный подшипник, модификация основного исполнения 22236, производство NKE.
Размер подшипника: 180x320x86 мм.
Канавка для смазки и три отверстия во внешнем кольце подшипника, сепаратор из латуни. центрированный по внутреннему кольцу, коническое отверстие. конусность 1/12.
Международная стандартизации ISO
22236KMBW33AH2236
В наличии
| Обозначение | Конструктивные изменения |
|---|---|
| 22236E B33 M J30 | Повышенная грузоподъемность. Механически обработанный латунный сепаратор .Расположенный на элементах качения. Внутренний зазор больше нормального. W33 (SKF)= смазочная канавка и три отверстия в наружном кольце подшипника. |
| 22236R W33 C3 FY | Внутренний зазор больше нормального. Канавка для смазки и три отверстия во внешнем кольце подшипника. С выпуклыми асимметричными роликами и обработанным сепаратором. Механически обработанный латунный сепаратор. |
| 22236EJW33C3 | Внутренний зазор больше нормального. Канавка для смазки и три отверстия во внешнем кольце подшипника. Land-Riding Steel Cage_ One Per Row. |
| 22236EM K D1 | Коническое отверстие. конус 1/12. Канавка и три смазочных отверстия на наружном кольце. Стандартный фланцевый ( с резьбой и сквозным отверстием). |
| 22236AK | Коническое отверстие. конус 1/12. Сепаратор центрирован по наружному кольцу. Символ всегда используется вместе с символом материала сепаратора. |
| 22236-E1A-XL-K-M | Коническое отверстие. конус 1/12. Модифицированная внутренняя конструкция. Серия X-Life премиум-класс. увеличиный срок службы. Твердая латунный сепаратор. Направляемые тела качения. Конструкция с увеличенной грузоподьемностью. |
| 22236EAK.M.C3 | Внутренний зазор больше нормального. Коническое отверстие. конус 1/12. Модифицированная внутренняя конструкция. Увеличенная грузоподъемность подшипника. Твердая латунный сепаратор. Направляемые тела качения. |
| 22236CDK C3 | Внутренний зазор больше нормального. Коническое отверстие. конус 1/12. Двухкомпонентный штампованный стальной сепаратор с направляющим кольцом. |
| 22236E1AK.M.C4 | Коническое отверстие. конус 1/12. Внутренний зазор подшипника больше. чем C3. Модифицированная внутренняя конструкция. Твердая латунный сепаратор. Направляемые тела качения. Конструкция с увеличенной грузоподьемностью. |
| 22236CDE4S11 | Внутреннее и наружное кольца термостабилизированы до 200°C. W33 (SKF)= смазочная канавка и три отверстия в наружном кольце подшипника. Двухкомпонентный штампованный стальной сепаратор с направляющим кольцом. |
| 22236KYMW33 L | Одно механическое уплотнение. |
| 22236KYMW33C3 L | Одно механическое уплотнение. |
| 22236YMW33 L | Одно механическое уплотнение. |
| 22236YMW33C3 L | Одно механическое уплотнение. |
| 22236W33 | Кольцевая канавка и три отверстия для смазывания в наружном кольце подшипника. |
| 22236R | С выпуклыми асимметричными роликами и обработанным сепаратором. |
| 22236RHA | With Convex Symmetric Rollers And One-Piece Machined Cage. |
| 22236-K-MB-W33+H3136 | Канавка для смазки и три отверстия во внешнем кольце подшипника. Коническое отверстие. Конусность 1/12. сепаратор из латуни. центрированный по внутреннему кольцу. |
| 22236B | Конический роликовый подшипник. Угол контакта 20 градусов. |
| 22236CJ | Стальной сепаратор из двух частей оконного типа. |
| 22236C | 15° Угол контакта. |
| 22236 KCW33+AH2236 | Кольцевая канавка и три отверстия для смазывания в наружном кольце подшипника. Коническое внутреннее отверстие. |
| 22236 KCW33+H3136 | Кольцевая канавка и три отверстия для смазывания в наружном кольце подшипника. Коническое внутреннее отверстие. |
| 22236-E1-K + H3136 | Коническое отверстие. Конусность 1/12. Конструкция с увеличенной грузоподьемностью. |
| 22236-E1-K + AH2236G | Коническое отверстие. Конусность 1/12. Конструкция с увеличенной грузоподьемностью. |
Модификации сферического роликового подшипника 22236-K-MB-W33+AH2236 — это измененное основное конструктивное исполнение 22236, основные размеры (180x320x86) не отличаются.
| Обозначение | Гост | Конструктивные особенности |
|---|---|---|
| 3536 | ГОСТ | Роликовый радиальный сферический двухрядный подшипник. |
Аналог сферического роликового подшипника 22236-K-MB-W33+AH2236 — это подшипник такого же размера dx180,Dx320,Bx86, типа и конструкции.
| Обозначение | Конструктивные особенности | Внутренний (d) | Наружный (D) | Ширина (B) |
|---|---|---|---|---|
| NU2236-E-MA6 | Роликовый радиальный однорядный подшипник. Повышенная грузоподъемность. Изготовленный из двух частей латунный сепаратор. Центрирование по внешнему кольцу. Различные конструкции или сорта материалов обозначаются цифрой или буквой.. | 180.00 | 320.00 | 86.00 |
| NU2236-E-MPA | Роликовый радиальный однорядный подшипник. Повышенная грузоподъемность. Твердый латунный сепаратор. | 180.00 | 320.00 | 86.00 |
| 8-42836 ЛМ | Роликовый радиальный однорядный подшипник. Сепаратор из латуни.. Модифицированный контакт.. | 180.00 | 320.00 | 86.00 |
| NJ2236EM | Роликовый радиальный однорядный подшипник. Стандартный фланцевый ( с резьбой и сквозным отверстием). | 180.00 | 320.00 | 86.00 |
| 62536ЛМ | Роликовый радиальный однорядный подшипник. Сепаратор из латуни.. Модифицированный контакт.. | 180.00 | 320.00 | 86.00 |
| NU 2236 ECML | Роликовый радиальный однорядный подшипник. Однорядный цилиндрический роликовый подшипник. | 180.00 | 320.00 | 86.00 |
| GW 180 | Шарнирный подшипник. Пластичная смазка для широкого диапазона температур. | 180.00 | 320.00 | 86.00 |
| GE180AW | Шарнирный подшипник. Скользящая контактная поверхность из твердого хрома/Elgoglide®. Антизадирная пластичная смазка. | 180.00 | 320.00 | 86.00 |
| GE180-AX | Шарнирный подшипник. Поверхность контакта скольжения сталь / сталь. Метрический радиальный сферический подшипник скольжения. | 180.00 | 320.00 | 86.00 |
| GX180T | Шарнирный подшипник. Textile Laminated Phenolic Resin. Outer Ring Guided. The Cage Is Suitable For Long-Term Operation At Temperatures Up To 100°C. | 180.00 | 320.00 | 86.00 |
| 42536-ЛМ | Роликовый радиальный однорядный подшипник. Сепаратор из латуни.. Модифицированный контакт.. | 180.00 | 320.00 | 86.00 |
| 42536EМ | Роликовый радиальный однорядный подшипник. Повышенная грузоподъемность. Модифицированный контакт.. | 180.00 | 320.00 | 86.00 |
| 52536EМ | Роликовый радиальный однорядный подшипник. Повышенная грузоподъемность. Модифицированный контакт.. | 180.00 | 320.00 | 86.00 |
| 52536ЛМ | Роликовый радиальный однорядный подшипник. Сепаратор из латуни.. Модифицированный контакт.. | 180.00 | 320.00 | 86.00 |
| 53536Н | Роликовый радиальный двухрядный подшипник. Детали из теплостойкой стали. | 180.00 | 320.00 | 86.00 |
Способы доставки
Отправка через ведущие транспортные и курьерские компании: ПЭК, Деловые Линии, СДЭК, Байкал-Сервис, Энергия, КИТ, ЖелДорЭкспедиция.
Самовывоз возможен напрямую со склада в Москве.
Сроки доставки
Срок зависит от региона и выбранной транспортной компании. Все заказы комплектуются и отправляются в кратчайшие сроки со склада в Москве.
Надёжность и сохранность
Вся продукция упаковывается с учётом требований транспортировки. Мы гарантируем, что подшипники и комплектующие прибудут к заказчику в полной сохранности.
Доставка в страны ЕАЭС
Мы работаем с проверенными логистическими партнёрами, что позволяет оперативно доставлять заказы в Беларусь, Казахстан, Армению и другие страны ЕАЭС.
Варианты оплаты:
Минимальная сумма заказа и скидки:
Документы и гарантии:
Да, конечно! Наши технические специалисты готовы помочь вам с подбором точного аналога или замены подшипника. Просто позвоните нам по телефону +7 (495) 104-99-04 или напишите на почту zakaz@podsnab.ru.
Для оперативной консультации подготовьте, пожалуйста, имеющиеся данные: маркировку, размеры, тип оборудования или артикул старого подшипника.
Да, конечно! Мы высоко ценим долгосрочное сотрудничество и доверие клиентов по всей России. Для постоянных клиентов действует персональная система скидок.
Условия формируются индивидуально и зависят от:
Чтобы узнать свои условия и получить максимально выгодное предложение, свяжитесь с персональным менеджером или напишите нам на почту zakaz@podsnab.ru.
Вы можете оформить заказ несколькими способами:
Для оформления заказа от юридического лица свяжитесь с нашим отделом по работе с корпоративными клиентами по телефону +7 (495) 104-99-04 или напишите на email zakaz@podsnab.ru, прикрепив реквизиты вашей организации.
Мы оперативно подготовим коммерческое предложение и выставим счет.
Возврат товара надлежащего качества возможен в течение 10 дней с момента получения, если товар не был в употреблении, сохранен товарный вид, упаковка не вскрывалась и присутствуют все сопроводительные документы.
Возврат денежных средств осуществляется в течение 10 рабочих дней после проверки товара складом.
В соответствии с законодательством возврату не подлежат подшипники надлежащего качества, если отсутствует оригинальная упаковка или имеются следы монтажа.
В случае выявления брака или гарантийного случая мы гарантируем возврат или обмен товара.
Да, гарантийный срок хранения устанавливается заводом-изготовителем и в среднем составляет 2 года при соблюдении условий хранения: сухое помещение, оригинальная упаковка и смазка.
Точный срок для конкретного типа подшипника уточняйте у наших менеджеров.
Пн–Пт: с 8:00 до 17:00 (МСК).
Сб–Вс: выходные дни.
Заказы на сайте принимаются круглосуточно. Заявки, поступившие после окончания рабочего дня, обрабатываются на следующий рабочий день.
Минимальная сумма заказа для доставки составляет 3000 рублей. Самовывоз со склада возможен на любую сумму при наличии товара.
ООО «УралТехГрупп»
ИНН: 7415093830
КПП: 772401001
ОГРН: 1167456069021
Банк: ПАО Сбербанк
Р/с: 40702810838000475273
К/с: 30101810400000000225
БИК: 044525225
У подшипника 22236-K-MB-W33+AH2236 пока нет отзывов. Вы можете стать первым покупателем, поделившимся своим мнением.