Поиск подшипника
Статьи
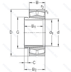
22319-E-K-W33+AHX2319 — Роликовый радиальный сферический двухрядный подшипник, модификация основного исполнения 22319, производство NKE.
Размер подшипника: 95x200x67 мм.
Канавка для смазки и три отверстия во внешнем кольце подшипника, коническое отверстие. конусность 1/12, повышенная грузоподъемность.
Международная стандартизации ISO
22319EKW33AHX2319
В наличии
| Обозначение | Конструктивные изменения |
|---|---|
| 22319-E1-C2 | Внутренний зазор подшипника меньше нормального. Конструкция с увеличенной грузоподьемностью. |
| 22319HL | Подшипник роликовый сферический повышенной грузоподъемности. |
| 22319EA D1 C3 | Внутренний зазор больше нормального. Увеличенная грузоподъемность. Лучше. чем прежний суффикс E. Канавка для смазки и три отверстия во внешнем кольце подшипника. |
| 22319EAKD1C3 | Внутренний зазор больше нормального. Коническое отверстие. конус 1/12. Увеличенная грузоподъемность. Лучше. чем прежний суффикс E. Канавка для смазки и три отверстия во внешнем кольце подшипника. |
| 22319VK B33 MB | Обработанный латунный сепаратор. Центрированное внутреннее кольцо. W33 (SKF)= смазочная канавка и три отверстия в наружном кольце подшипника. Подшипники с четырехточечным контактом с радиальным предварительным натягом от 0 до 15 мкм. |
| 22319-E1-XL-C2 | Внутренний зазор подшипника меньше нормального. Серия X-Life премиум-класс. увеличиный срок службы. Конструкция с увеличенной грузоподьемностью. |
| 22319.EMKW33 | Канавка для смазки и три отверстия во внешнем кольце подшипника. Коническое отверстие. конус 1/12. Повышенная грузоподъемность. Механически обработанный латунный сепаратор .Расположенный на элементах качения. |
| 22319-E1-K | Коническое отверстие. конус 1/12. Конструкция с увеличенной грузоподьемностью. |
| 22319BK C3 | Внутренний зазор больше нормального. Игольчатый роликовый подшипник со штампованным наружным кольцом с закрытым торцом. |
| 22319 K+AHX2319 | Коническое отверстие. Конусность 1/12. |
| 22319 VA | Нержавеющая сталь. |
| 22319-E-K-W33+H2319 | Канавка для смазки и три отверстия во внешнем кольце подшипника. Коническое отверстие. Конусность 1/12. Повышенная грузоподъемность. |
| 22319 KW33 | Кольцевая канавка и три отверстия для смазывания в наружном кольце подшипника. Коническое внутреннее отверстие. |
| 22319RHR | As RHR-Type Spherical Roller Bearings Are Implemented Dimension Stabilizing Treatment And Steel Plate Cage Are Assembled. They Can Be Used Up To 200°C. |
| 22319B | Конический роликовый подшипник. Угол контакта 20 градусов. |
| 22319CJ | Стальной сепаратор из двух частей оконного типа. |
| 22319YM | 1 Piece Bronze Cage - Finger Type. |
| 22319 KCW33+AH2319 | Кольцевая канавка и три отверстия для смазывания в наружном кольце подшипника. Коническое внутреннее отверстие. |
| 22319 KCW33+H2319 | Кольцевая канавка и три отверстия для смазывания в наружном кольце подшипника. Коническое внутреннее отверстие. |
| 22319-E1-K + AHX2319 | Коническое отверстие. Конусность 1/12. Конструкция с увеличенной грузоподьемностью. |
| 22319-E1-K + H2319 | Коническое отверстие. Конусность 1/12. Конструкция с увеличенной грузоподьемностью. |
| 22319-E1-K-T41A + AHX2319 | Коническое отверстие. Конусность 1/12. Конструкция с увеличенной грузоподьемностью. Для вибросит/виброгрохотов (Зазор С4). |
| 22319-E1-K-T41A + H2319 | Коническое отверстие. Конусность 1/12. Конструкция с увеличенной грузоподьемностью. Для вибросит/виброгрохотов (Зазор С4). |
| 22319EX | Optimized Inner Construction - Extreme Quality F. Extreme Requirements. |
| 22319AEX | Высокоскоростной и высокопроизводительный сферический роликоподшипник. |
Модификации сферического роликового подшипника 22319-E-K-W33+AHX2319 — это измененное основное конструктивное исполнение 22319, основные размеры (95x200x67) не отличаются.
| Обозначение | Гост | Конструктивные особенности |
|---|---|---|
| 22139 | ISO | Роликовый радиальный сферический двухрядный подшипник. |
| 22139K | ISO | Коническое отверстие. |
| 3619 | ГОСТ | Роликовый радиальный сферический двухрядный подшипник. |
Аналог сферического роликового подшипника 22319-E-K-W33+AHX2319 — это подшипник такого же размера dx95,Dx200,Bx67, типа и конструкции.
| Обозначение | Конструктивные особенности | Внутренний (d) | Наружный (D) | Ширина (B) |
|---|---|---|---|---|
| NJ2319-E-MPA | Роликовый радиальный однорядный подшипник. Повышенная грузоподъемность. Твердый латунный сепаратор. | 95.00 | 200.00 | 67.00 |
| NJ2319-E-MPA+HJ2319-E | Роликовый радиальный однорядный подшипник. Повышенная грузоподъемность. Твердый латунный сепаратор. | 95.00 | 200.00 | 67.00 |
| NJ2319-E-TVP3+HJ2319-E | Роликовый радиальный однорядный подшипник. Повышенная грузоподъемность. Цельный сепаратор из полиамида PA66-GF25. сепаратор оконного типа. направляемый телами качения. | 95.00 | 200.00 | 67.00 |
| NJ2319-E-MA6 | Роликовый радиальный однорядный подшипник. Повышенная грузоподъемность. Изготовленный из двух частей латунный сепаратор. Центрирование по внешнему кольцу. Различные конструкции или сорта материалов обозначаются цифрой или буквой.. | 95.00 | 200.00 | 67.00 |
| NJ2319-E-M6 | Роликовый радиальный однорядный подшипник. Повышенная грузоподъемность. 20-28 UM (C3 & C4). | 95.00 | 200.00 | 67.00 |
| NJ2319-E-TVP3 | Роликовый радиальный однорядный подшипник. Повышенная грузоподъемность. Цельный сепаратор из полиамида PA66-GF25. сепаратор оконного типа. направляемый телами качения. | 95.00 | 200.00 | 67.00 |
| NU2319-E-MPA | Роликовый радиальный однорядный подшипник. Повышенная грузоподъемность. Твердый латунный сепаратор. | 95.00 | 200.00 | 67.00 |
| NU2319-E-MA6 | Роликовый радиальный однорядный подшипник. Повышенная грузоподъемность. Изготовленный из двух частей латунный сепаратор. Центрирование по внешнему кольцу. Различные конструкции или сорта материалов обозначаются цифрой или буквой.. | 95.00 | 200.00 | 67.00 |
| NU2319-E-M6 | Роликовый радиальный однорядный подшипник. Повышенная грузоподъемность. 20-28 UM (C3 & C4). | 95.00 | 200.00 | 67.00 |
| NU2319-E-TVP3 | Роликовый радиальный однорядный подшипник. Повышенная грузоподъемность. Цельный сепаратор из полиамида PA66-GF25. сепаратор оконного типа. направляемый телами качения. | 95.00 | 200.00 | 67.00 |
| UK319L3 | Шариковый радиальный однорядный подшипник. Тройное манжетное уплотнение для вкладыша подшипника. | 95.00 | 200.00 | 66.00 |
| 2319-K+H2319 | Шариковый сферический двухрядный подшипник. Коническое внутреннее отверстие. | 95.00 | 200.00 | 67.00 |
| 2319S | Шариковый сферический двухрядный подшипник. Запечатанная версия кулачкового ролика. Только для внутреннего и наружного колец. | 95.00 | 200.00 | 67.00 |
| 2319SK | Шариковый сферический двухрядный подшипник. Кулачковый толкатель штифтового типа. С шестигранной головкой. Только для внутреннего и наружного колец. | 95.00 | 200.00 | 67.00 |
| 53619-Н | Роликовый радиальный двухрядный подшипник. Детали из теплостойкой стали. | 95.00 | 200.00 | 67.00 |
Способы доставки
Отправка через ведущие транспортные и курьерские компании: ПЭК, Деловые Линии, СДЭК, Байкал-Сервис, Энергия, КИТ, ЖелДорЭкспедиция.
Самовывоз возможен напрямую со склада в Москве.
Сроки доставки
Срок зависит от региона и выбранной транспортной компании. Все заказы комплектуются и отправляются в кратчайшие сроки со склада в Москве.
Надёжность и сохранность
Вся продукция упаковывается с учётом требований транспортировки. Мы гарантируем, что подшипники и комплектующие прибудут к заказчику в полной сохранности.
Доставка в страны ЕАЭС
Мы работаем с проверенными логистическими партнёрами, что позволяет оперативно доставлять заказы в Беларусь, Казахстан, Армению и другие страны ЕАЭС.
Варианты оплаты:
Минимальная сумма заказа и скидки:
Документы и гарантии:
Да, конечно! Наши технические специалисты готовы помочь вам с подбором точного аналога или замены подшипника. Просто позвоните нам по телефону +7 (495) 104-99-04 или напишите на почту zakaz@podsnab.ru.
Для оперативной консультации подготовьте, пожалуйста, имеющиеся данные: маркировку, размеры, тип оборудования или артикул старого подшипника.
Да, конечно! Мы высоко ценим долгосрочное сотрудничество и доверие клиентов по всей России. Для постоянных клиентов действует персональная система скидок.
Условия формируются индивидуально и зависят от:
Чтобы узнать свои условия и получить максимально выгодное предложение, свяжитесь с персональным менеджером или напишите нам на почту zakaz@podsnab.ru.
Вы можете оформить заказ несколькими способами:
Для оформления заказа от юридического лица свяжитесь с нашим отделом по работе с корпоративными клиентами по телефону +7 (495) 104-99-04 или напишите на email zakaz@podsnab.ru, прикрепив реквизиты вашей организации.
Мы оперативно подготовим коммерческое предложение и выставим счет.
Возврат товара надлежащего качества возможен в течение 10 дней с момента получения, если товар не был в употреблении, сохранен товарный вид, упаковка не вскрывалась и присутствуют все сопроводительные документы.
Возврат денежных средств осуществляется в течение 10 рабочих дней после проверки товара складом.
В соответствии с законодательством возврату не подлежат подшипники надлежащего качества, если отсутствует оригинальная упаковка или имеются следы монтажа.
В случае выявления брака или гарантийного случая мы гарантируем возврат или обмен товара.
Да, гарантийный срок хранения устанавливается заводом-изготовителем и в среднем составляет 2 года при соблюдении условий хранения: сухое помещение, оригинальная упаковка и смазка.
Точный срок для конкретного типа подшипника уточняйте у наших менеджеров.
Пн–Пт: с 8:00 до 17:00 (МСК).
Сб–Вс: выходные дни.
Заказы на сайте принимаются круглосуточно. Заявки, поступившие после окончания рабочего дня, обрабатываются на следующий рабочий день.
Минимальная сумма заказа для доставки составляет 3000 рублей. Самовывоз со склада возможен на любую сумму при наличии товара.
ООО «УралТехГрупп»
ИНН: 7415093830
КПП: 772401001
ОГРН: 1167456069021
Банк: ПАО Сбербанк
Р/с: 40702810838000475273
К/с: 30101810400000000225
БИК: 044525225
У подшипника 22319-E-K-W33+AHX2319 пока нет отзывов. Вы можете стать первым покупателем, поделившимся своим мнением.