Поиск подшипника
Статьи
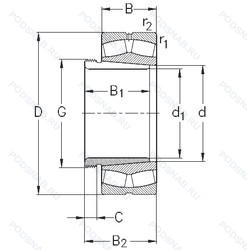
23220-K-MB-W33+AHX2320-X — Роликовый радиальный сферический двухрядный подшипник, модификация основного исполнения 23220, производство NKE.
Размер подшипника: 100x180x60 мм.
Канавка для смазки и три отверстия во внешнем кольце подшипника, сепаратор из латуни. центрированный по внутреннему кольцу, коническое отверстие. конусность 1/12, измененные размеры границ. введенные пересмотренными стандартами iso.
Международная стандартизации ISO
23220KMBW33AHX2320X
В наличии
| Обозначение | Конструктивные изменения |
|---|---|
| 23220VK B33 | W33 (SKF)= смазочная канавка и три отверстия в наружном кольце подшипника. Подшипники с четырехточечным контактом с радиальным предварительным натягом от 0 до 15 мкм. |
| 23220EKM | Коническое отверстие. конус 1/12. Повышенная грузоподъемность. Механически обработанный латунный сепаратор .Расположенный на элементах качения. |
| 23220E W33 K C3 | Внутренний зазор больше нормального. Канавка для смазки и три отверстия во внешнем кольце подшипника. Коническое отверстие. конус 1/12. Изменение конструкции роликового подшипника. |
| 23220B L1 D1 | Цельное ребристое внутреннее кольцо. Асимметричные ролики и фиксатор с центральной направляющей. Канавка для смазки и три отверстия во внешнем кольце подшипника. Сепаратор из латуни. |
| 23220EJW33C4 | Канавка для смазки и три отверстия во внешнем кольце подшипника. Внутренний зазор подшипника больше. чем C3. Land-Riding Steel Cage_ One Per Row. |
| 23220B L1 D1 C3 | Внутренний зазор больше нормального. Цельное ребристое внутреннее кольцо. Асимметричные ролики и фиксатор с центральной направляющей. W33 (SKF)= смазочная канавка и три отверстия в наружном кольце подшипника. messing-massivkäfige. |
| 23220B L1 K D1 C3 | Внутренний зазор больше нормального. Коническое отверстие. конус 1/12. Internal Design Altered. W33 (SKF)= смазочная канавка и три отверстия в наружном кольце подшипника. Высокопрочный обработанный латунный сепаратор. |
| 23220CE4C4 | Штампованный стальной сепаратор из двух частей с направляющим кольцом. Канавка для смазки и три отверстия во внешнем кольце подшипника. |
| 23220CKE4C3 | Штампованный стальной сепаратор из двух частей с направляющим кольцом. Внутренний зазор больше нормального. Коническое отверстие. конус 1/12. Канавка для смазки и три отверстия во внешнем кольце подшипника. |
| 23220EX1 W33 C3 | Внутренний зазор больше нормального. Канавка для смазки и три отверстия во внешнем кольце подшипника. Сферический роликоподшипник высокой грузоподъемности. |
| 23220.EAW33C4 | Канавка для смазки и три отверстия во внешнем кольце подшипника. Внутренний зазор подшипника больше. чем C3. Увеличенная грузоподъемность. Лучше. чем прежний суффикс E. |
| 23220W33 | Кольцевая канавка и три отверстия для смазывания в наружном кольце подшипника. |
| 23220RH | Выпуклые симметричные ролики и штампованный сепаратор. |
| 23220-K-MB-W33+H2320 | Канавка для смазки и три отверстия во внешнем кольце подшипника. Коническое отверстие. Конусность 1/12. сепаратор из латуни. центрированный по внутреннему кольцу. |
| 23220BK | Игольчатый роликовый подшипник со штампованным наружным кольцом с закрытым торцом. |
| 23220B | Конический роликовый подшипник. Угол контакта 20 градусов. |
| 23220YM | 1 Piece Bronze Cage - Finger Type. |
| 23220 KCW33+AH3220 | Кольцевая канавка и три отверстия для смазывания в наружном кольце подшипника. Коническое внутреннее отверстие. |
| 23220 KCW33+H2320 | Кольцевая канавка и три отверстия для смазывания в наружном кольце подшипника. Коническое внутреннее отверстие. |
| 23220-E1-K-TVPB + AHX3220 | Коническое отверстие. Конусность 1/12. Конструкция с увеличенной грузоподьемностью. Твердый оконный сепаратор из полиамида. армированного стекловолокном. Направляющие на внутреннем кольце. |
| 23220-E1A-K-M + AHX3220 | Коническое отверстие. Конусность 1/12. Подшипник с латунным сепаратором. центрированный по телам качения. |
| 23220-E1-K-TVPB + H2320 | Коническое отверстие. Конусность 1/12. Конструкция с увеличенной грузоподьемностью. Твердый оконный сепаратор из полиамида. армированного стекловолокном. Направляющие на внутреннем кольце. |
| 23220-E1A-K-M + H2320 | Коническое отверстие. Конусность 1/12. Подшипник с латунным сепаратором. центрированный по телам качения. |
| 23220EX1 | Сферический роликоподшипник высокой грузоподъемности. |
| 23220AX | Поверхность контакта скольжения сталь / сталь. |
Модификации сферического роликового подшипника 23220-K-MB-W33+AHX2320-X — это измененное основное конструктивное исполнение 23220, основные размеры (100x180x60) не отличаются.
| Обозначение | Конструктивные особенности | Внутренний (d) | Наружный (D) | Ширина (B) |
|---|---|---|---|---|
| NUP5220 | Роликовый радиальный однорядный подшипник. Канавка под стопорное кольцо на наружном кольце подшипника. Точность размеров примерно соответствует классу точности Р4. Однорядный цилиндрический роликовый подшипник. Наружное кольцо имеет два борта. | 100.00 | 180.00 | 60.32 |
| AR100-42 | Роликовый радиальный-упорный двухрядный подшипник. 2.5/8. | 100.00 | 180.00 | 60.00 |
| 5220-2RS | Шариковый радиально-упорный подшипник. Резиновые уплотнения с каждой стороны подшипника. | 100.00 | 180.00 | 60.33 |
| 5220ZZ | Шариковый радиально-упорный подшипник. Защитные металлические шайбы с обеих сторон. | 100.00 | 180.00 | 60.33 |
| 6-3056220 К1Ш1 | Шариковый радиально-упорный двухрядный подшипник. «Замок» (скос) на внутреннем кольце плюс массивный сепаратор из текстолита. Нормы шумности. | 100.00 | 180.00 | 60.30 |
| 6-3056220 Л1Ш1 | Шариковый радиально-упорный двухрядный подшипник. Сепаратор из латуни.. Нормы шумности. | 100.00 | 180.00 | 60.30 |
| 6-3056220 Ш | Шариковый радиально-упорный двухрядный подшипник. Нормы шумности. | 100.00 | 180.00 | 60.30 |
| 76-3056220 К1Ш1 | Шариковый радиально-упорный двухрядный подшипник. «Замок» (скос) на внутреннем кольце плюс массивный сепаратор из текстолита. Нормы шумности. | 100.00 | 180.00 | 60.30 |
| 76-3056220 Л1Ш1 | Шариковый радиально-упорный двухрядный подшипник. Сепаратор из латуни.. Нормы шумности. | 100.00 | 180.00 | 60.30 |
| 5220AN | Шариковый радиально-упорный двухрядный подшипник. Код формы шариковой направляющей. | 100.00 | 180.00 | 60.30 |
| 5220NR | Шариковый радиально-упорный двухрядный подшипник. Канавка под стопорное кольцо на наружном кольце с соответствующим стопорным кольцом. | 100.00 | 180.00 | 60.30 |
| 5220 A | Шариковый радиально-упорный двухрядный подшипник. Измененная или модифицированная внутренняя конструкция при неизменных основных размерах. | 100.00 | 180.00 | 60.30 |
| 5220N | Шариковый радиально-упорный двухрядный подшипник. Канавка под стопорное кольцо на внешнем кольце. | 100.00 | 180.00 | 60.30 |
| 3056220-К1 | Шариковый радиально-упорный двухрядный подшипник. «Замок» (скос) на внутреннем кольце плюс массивный сепаратор из текстолита. | 100.00 | 180.00 | 60.30 |
| 3056220-Л1 | Шариковый радиально-упорный двухрядный подшипник. Сепаратор из латуни.. | 100.00 | 180.00 | 60.30 |
Способы доставки
Отправка через ведущие транспортные и курьерские компании: ПЭК, Деловые Линии, СДЭК, Байкал-Сервис, Энергия, КИТ, ЖелДорЭкспедиция.
Самовывоз возможен напрямую со склада в Москве.
Сроки доставки
Срок зависит от региона и выбранной транспортной компании. Все заказы комплектуются и отправляются в кратчайшие сроки со склада в Москве.
Надёжность и сохранность
Вся продукция упаковывается с учётом требований транспортировки. Мы гарантируем, что подшипники и комплектующие прибудут к заказчику в полной сохранности.
Доставка в страны ЕАЭС
Мы работаем с проверенными логистическими партнёрами, что позволяет оперативно доставлять заказы в Беларусь, Казахстан, Армению и другие страны ЕАЭС.
Варианты оплаты:
Минимальная сумма заказа и скидки:
Документы и гарантии:
Да, конечно! Наши технические специалисты готовы помочь вам с подбором точного аналога или замены подшипника. Просто позвоните нам по телефону +7 (495) 104-99-04 или напишите на почту zakaz@podsnab.ru.
Для оперативной консультации подготовьте, пожалуйста, имеющиеся данные: маркировку, размеры, тип оборудования или артикул старого подшипника.
Да, конечно! Мы высоко ценим долгосрочное сотрудничество и доверие клиентов по всей России. Для постоянных клиентов действует персональная система скидок.
Условия формируются индивидуально и зависят от:
Чтобы узнать свои условия и получить максимально выгодное предложение, свяжитесь с персональным менеджером или напишите нам на почту zakaz@podsnab.ru.
Вы можете оформить заказ несколькими способами:
Для оформления заказа от юридического лица свяжитесь с нашим отделом по работе с корпоративными клиентами по телефону +7 (495) 104-99-04 или напишите на email zakaz@podsnab.ru, прикрепив реквизиты вашей организации.
Мы оперативно подготовим коммерческое предложение и выставим счет.
Возврат товара надлежащего качества возможен в течение 10 дней с момента получения, если товар не был в употреблении, сохранен товарный вид, упаковка не вскрывалась и присутствуют все сопроводительные документы.
Возврат денежных средств осуществляется в течение 10 рабочих дней после проверки товара складом.
В соответствии с законодательством возврату не подлежат подшипники надлежащего качества, если отсутствует оригинальная упаковка или имеются следы монтажа.
В случае выявления брака или гарантийного случая мы гарантируем возврат или обмен товара.
Да, гарантийный срок хранения устанавливается заводом-изготовителем и в среднем составляет 2 года при соблюдении условий хранения: сухое помещение, оригинальная упаковка и смазка.
Точный срок для конкретного типа подшипника уточняйте у наших менеджеров.
Пн–Пт: с 8:00 до 17:00 (МСК).
Сб–Вс: выходные дни.
Заказы на сайте принимаются круглосуточно. Заявки, поступившие после окончания рабочего дня, обрабатываются на следующий рабочий день.
Минимальная сумма заказа для доставки составляет 3000 рублей. Самовывоз со склада возможен на любую сумму при наличии товара.
ООО «УралТехГрупп»
ИНН: 7415093830
КПП: 772401001
ОГРН: 1167456069021
Банк: ПАО Сбербанк
Р/с: 40702810838000475273
К/с: 30101810400000000225
БИК: 044525225
У подшипника 23220-K-MB-W33+AHX2320-X пока нет отзывов. Вы можете стать первым покупателем, поделившимся своим мнением.