Поиск подшипника
Статьи
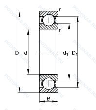
SS16001 2RS — Подшипник шариковый из нержавеющей стали, модификация основного исполнения SS16001, производство NEUTRAL.
Размер подшипника: 12x28x7 мм.
Материал: Нержавеющая сталь, резиновые уплотнения с каждой стороны подшипника.
Альтернативное обозначение: W16001-2RS1.
Международная стандартизации ISO
SS160012RS
В наличии
| Обозначение | Гост | Конструктивные особенности |
|---|---|---|
| 6001 ZZ VA | ISO | Защитные металлические шайбы с обеих сторон. Нержавеющая сталь. |
| 6001H ZZ | ISO | Защитные металлические шайбы с обеих сторон. Pressed Snap-Type Steel Cage. Hardened. |
| SSF1/2 | ISO | ISO Tolerance Class ABEC.9. |
| DDRI-1812ZZ | ISO | Защитные металлические шайбы с обеих сторон. |
| W6001 2RS | ISO | Резиновые уплотнения с каждой стороны подшипника. |
| 6001.Z15.2ZR.C3.795180.L64T | ISO | Внутренний зазор больше нормального. Защитные металлические шайбы с обеих сторон. Replaced By Prefix S And. |
| 6001VA | ISO | Нержавеющая сталь. |
| S6001-2RSR | ISO | Резиновые уплотнения с каждой стороны подшипника. |
| 6001.Z15 | ISO | Replaced By Prefix S And. |
| S6001.2ZR | ISO | Защитные металлические шайбы с обеих сторон. |
| AS5KDD C2 FS160 | ISO | Conrad (Non-Filling Slot) Type. Internal Clearance Smaller Than Normal. Double Shielded. Grease MIL-PRF-23827. |
| SR8-2RS-GL | ISO | Резиновые уплотнения с каждой стороны подшипника. Консистентная смазка. |
| 6001-2RS1/SS | ISO | Резиновые уплотнения с каждой стороны подшипника. Нержавеющая сталь. |
| R8-2Z/SS | ISO | Защитные металлические шайбы с обеих сторон. Нержавеющая сталь. |
| S6001.ZZ.W203B | ISO | Защитные металлические шайбы с обеих сторон. Подшипники из нержавеющей стали 1.3541M (X65Cr13). |
| S6001 2RS TNG | ISO | Резиновые уплотнения с каждой стороны подшипника. Прочный сепаратор из полиамида. армированного стекловолокном. |
| S6001HTW | ISO | Нержавеющая сталь. Nylon Crown Type. |
| S6001-2RSR-FD | ISO | Резиновые уплотнения с каждой стороны подшипника. Подшипник разработан для пищевой промышленности. Значительно более высокая коррозионная стойкость и стойкость к воздействию среды. |
| S6001-W203B | ISO | Подшипники из нержавеющей стали 1.3541M (X65Cr13). |
| 6001VA C3 | ISO | Внутренний зазор больше нормального. Нержавеющая сталь. |
Аналог нержавеющего шарикового подшипника SS16001 2RS — это подшипник такого же размера dx12,Dx28,Bx7, типа и конструкции.
| Обозначение | Конструктивные особенности | Внутренний (d) | Наружный (D) | Ширина (B) |
|---|---|---|---|---|
| 5-46101 ЕП | Шариковый радиально-упорный однорядный подшипник. Сепаратор из текстолита.. | 12.00 | 28.00 | 8.00 |
| 5-60101 ШОС17 | Шариковый радиальный однорядный подшипник. Смазка Литол-24. Нормы шумности. | 12.00 | 28.00 | 8.00 |
| 5-60101 ШОС9 | Шариковый радиальный однорядный подшипник. Нормы шумности. Смазка ЛЗ-31. | 12.00 | 28.00 | 8.00 |
| 5-6101 Е | Шариковый радиально-упорный однорядный подшипник. Сепаратор из текстолита.. | 12.00 | 28.00 | 8.00 |
| 5-6101 Е1 | Шариковый радиально-упорный однорядный подшипник. Сепаратор из текстолита.. | 12.00 | 28.00 | 8.00 |
| 5-7000101 Б | Шариковый радиальный однорядный подшипник. Сепаратор из безоловянистой бронзы.. | 12.00 | 28.00 | 7.00 |
| 5-7000101 БТ2 | Шариковый радиальный однорядный подшипник. 200°. Температура отпуска. Сепаратор из безоловянистой бронзы.. | 12.00 | 28.00 | 7.00 |
| 5-7000101 Т | Шариковый радиальный однорядный подшипник. Температура отпуска. 160°. | 12.00 | 28.00 | 7.00 |
| 5-7000101 Т2 | Шариковый радиальный однорядный подшипник. 200°. Температура отпуска. | 12.00 | 28.00 | 7.00 |
| 5-80101 С9 | Шариковый радиальный однорядный подшипник. Смазка ЛЗ-31. | 12.00 | 28.00 | 8.00 |
| 6-101 Р1 | Шариковый радиальный однорядный подшипник. Детали из теплоустойчивой (быстрорежущие) стали.. | 12.00 | 28.00 | 8.00 |
| 6-101 Ю | Шариковый радиальный однорядный подшипник. Все детали или часть деталей из нержавеющей стали.. | 12.00 | 28.00 | 8.00 |
| 6-101 ЮТ | Шариковый радиальный однорядный подшипник. Температура отпуска. 160°. Все детали или часть деталей из нержавеющей стали.. | 12.00 | 28.00 | 8.00 |
| 6-180101 С17 | Шариковый радиальный однорядный подшипник. Смазка Литол-24. | 12.00 | 28.00 | 8.00 |
| 6-180101 С9 | Шариковый радиальный однорядный подшипник. Смазка ЛЗ-31. | 12.00 | 28.00 | 8.00 |
Способы доставки
Отправка через ведущие транспортные и курьерские компании: ПЭК, Деловые Линии, СДЭК, Байкал-Сервис, Энергия, КИТ, ЖелДорЭкспедиция.
Самовывоз возможен напрямую со склада в Москве.
Сроки доставки
Срок зависит от региона и выбранной транспортной компании. Все заказы комплектуются и отправляются в кратчайшие сроки со склада в Москве.
Надёжность и сохранность
Вся продукция упаковывается с учётом требований транспортировки. Мы гарантируем, что подшипники и комплектующие прибудут к заказчику в полной сохранности.
Доставка в страны ЕАЭС
Мы работаем с проверенными логистическими партнёрами, что позволяет оперативно доставлять заказы в Беларусь, Казахстан, Армению и другие страны ЕАЭС.
Варианты оплаты:
Минимальная сумма заказа и скидки:
Документы и гарантии:
Да, конечно! Наши технические специалисты готовы помочь вам с подбором точного аналога или замены подшипника. Просто позвоните нам по телефону +7 (495) 104-99-04 или напишите на почту zakaz@podsnab.ru.
Для оперативной консультации подготовьте, пожалуйста, имеющиеся данные: маркировку, размеры, тип оборудования или артикул старого подшипника.
Да, конечно! Мы высоко ценим долгосрочное сотрудничество и доверие клиентов по всей России. Для постоянных клиентов действует персональная система скидок.
Условия формируются индивидуально и зависят от:
Чтобы узнать свои условия и получить максимально выгодное предложение, свяжитесь с персональным менеджером или напишите нам на почту zakaz@podsnab.ru.
Вы можете оформить заказ несколькими способами:
Для оформления заказа от юридического лица свяжитесь с нашим отделом по работе с корпоративными клиентами по телефону +7 (495) 104-99-04 или напишите на email zakaz@podsnab.ru, прикрепив реквизиты вашей организации.
Мы оперативно подготовим коммерческое предложение и выставим счет.
Возврат товара надлежащего качества возможен в течение 10 дней с момента получения, если товар не был в употреблении, сохранен товарный вид, упаковка не вскрывалась и присутствуют все сопроводительные документы.
Возврат денежных средств осуществляется в течение 10 рабочих дней после проверки товара складом.
В соответствии с законодательством возврату не подлежат подшипники надлежащего качества, если отсутствует оригинальная упаковка или имеются следы монтажа.
В случае выявления брака или гарантийного случая мы гарантируем возврат или обмен товара.
Да, гарантийный срок хранения устанавливается заводом-изготовителем и в среднем составляет 2 года при соблюдении условий хранения: сухое помещение, оригинальная упаковка и смазка.
Точный срок для конкретного типа подшипника уточняйте у наших менеджеров.
Пн–Пт: с 8:00 до 17:00 (МСК).
Сб–Вс: выходные дни.
Заказы на сайте принимаются круглосуточно. Заявки, поступившие после окончания рабочего дня, обрабатываются на следующий рабочий день.
Минимальная сумма заказа для доставки составляет 3000 рублей. Самовывоз со склада возможен на любую сумму при наличии товара.
ООО «УралТехГрупп»
ИНН: 7415093830
КПП: 772401001
ОГРН: 1167456069021
Банк: ПАО Сбербанк
Р/с: 40702810838000475273
К/с: 30101810400000000225
БИК: 044525225
У подшипника SS16001 2RS пока нет отзывов. Вы можете стать первым покупателем, поделившимся своим мнением.