Поиск подшипника
Статьи
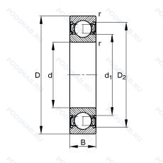
S6001-2RSR — Подшипник шариковый из нержавеющей стали, модификация основного исполнения S6001, производство FAG.
Размер подшипника: 12x28x8 мм.
Резиновые уплотнения с каждой стороны подшипника.
Альтернативное обозначение: W6001-2RS1.
Аналоги: S6001.2RSR.W203B FAG,S6001-2RSR-HLC FAG,SS6001-2RS Felstrom,W6001-2RS1 SKF,6001-2RS1/SS AKN,S6001 2RS SNR,S6001 2RS ZEN,SS-6001 2RS MTK,S6001 2RS MTK,SS6001 2RS IBB Fiedler.
Международная стандартизации ISO
S60012RSR
В наличии
| Обозначение | Конструктивные изменения |
|---|---|
| S6001-2RSR-HLC | Резиновые уплотнения с каждой стороны подшипника. Код местонахождения завода. может использоваться в стандартной комплектации. |
| S6001E TA ABEC7 DUL 50N | Повышенная грузоподъемность. Комплект из 2 универсальных подшипников. Небольшой предварительный натяг. Цельный. центрированный по внешнему кольцу. механически обработанный. ламинированный. фенольный сепаратор. Класс точности ABEC 7 согласно ABMA. |
| S6001C TA HG GUL | 15° Угол контакта. Класс допуска (FAG) для подшипников шпинделя (аналог P2). Цельный. центрированный по внешнему кольцу. механически обработанный. ламинированный. фенольный сепаратор. Подшипник для универсального монтажа. Два подшипника. установленные по О-образной или Х-образной схеме. имеют лёгкий преднатяг. |
| S6001C TA ABEC7 UL | 15° Угол контакта. Универсальный монтаж и легкий преднатяг. Цельный. центрированный по внешнему кольцу. механически обработанный. ламинированный. фенольный сепаратор. Класс точности ABEC 7 согласно ABMA. |
| S6001C TPA P4 | 15° Угол контакта. Обработанное с использованием фенольной смолы направляющее наружное кольцо. Класс точности. |
| S6001 2RS | Шариковый подшипник из нержавеющей стали. Контактное уплотение с двух сторон - только для радиальных шариковых подшипников из нержавеющей стали. |
| S6001-2RSR-W203B | Резиновые уплотнения с каждой стороны подшипника. Подшипники из нержавеющей стали 1.3541M (X65Cr13). |
| S6001ZZ | Защитные металлические шайбы с обеих сторон. |
| S6001 | Подшипник шариковый из нержавеющей стали. Основное конструктивное исполнение. |
| S6001-HLC | Код местонахождения завода. может использоваться в стандартной комплектации. |
| S6001-HLC.X100 | Код местонахождения завода. может использоваться в стандартной комплектации. Промышленная упаковка. |
| S6001C TA P4 | 15° Угол контакта. Клетка из ламинированной фенольной смолы или полиамидный сепаратор. направляемый по внешнему кольцу. Класс точности Р4 по ISO (точнее. чем P5) - Abec.7. |
| S6001.2ZR | Защитные металлические шайбы с обеих сторон. |
| S6001.ZZ.W203B | Защитные металлические шайбы с обеих сторон. Подшипники из нержавеющей стали 1.3541M (X65Cr13). |
| S6001 2RS TNG | Резиновые уплотнения с каждой стороны подшипника. Прочный сепаратор из полиамида. армированного стекловолокном. |
| S6001HTW | Нержавеющая сталь. Nylon Crown Type. |
| S6001-2RSR-FD | Резиновые уплотнения с каждой стороны подшипника. Подшипник разработан для пищевой промышленности. Значительно более высокая коррозионная стойкость и стойкость к воздействию среды. |
| S6001-W203B | Подшипники из нержавеющей стали 1.3541M (X65Cr13). |
| S6001-2Z | Защитные металлические шайбы с обеих сторон подшипника. |
| S6001-2TS | Two Teflon Seals Reinforced With Z-Shields. |
Модификации нержавеющего шарикового подшипника S6001-2RSR — это измененное основное конструктивное исполнение S6001, основные размеры (12x28x8) не отличаются.
| Обозначение | Гост | Конструктивные особенности |
|---|---|---|
| SS6001 2RS | ISO | Резиновые уплотнения с каждой стороны подшипника. |
| W6001-2RS1 | ISO | Усиленные листовой сталью контактные уплотнения из акрилонитрил-бутадиенового каучука (NBR) с обеих сторон подшипника. Нержавеющая сталь. |
| H6001ZZ | ISO | Защитные металлические шайбы с обеих сторон. |
| SS16001 2RS | ISO | Резиновые уплотнения с каждой стороны подшипника. |
| 6001POM SS316 | ISO | Полимер. |
| 6001 2RS VA | ISO | Резиновые уплотнения с каждой стороны подшипника. Нержавеющая сталь. |
| /SI/6001L21-H-20DD01/GVS | ISO | Резиновые уплотнения с каждой стороны подшипника. Коррозионностойкая нержавеющая сталь. Серия Long Life. |
| 6001-H-20T1XZZ | ISO | Защитные металлические шайбы с обеих сторон. Полиамидный фиксатор. Коррозионностойкая нержавеющая сталь. Серия Long Life. |
| 6001ZZ VA C3 T200 | ISO | Внутренний зазор больше нормального. Защитные металлические шайбы с обеих сторон. Нержавеющая сталь. Heat Stabilization Till 200°C. |
| W6001-2RS1/VP311 | ISO | Усиленные листовой сталью контактные уплотнения из акрилонитрил-бутадиенового каучука (NBR) с обеих сторон подшипника. Нержавеющая сталь. SKF Food Line Bearing/ Blue-Coloured Contact Seal Made Of FDA and EC Approved NBR And Lubricant (GFJ) Registered By NSF As Category H1. |
| 6001 ZZ VA | ISO | Защитные металлические шайбы с обеих сторон. Нержавеющая сталь. |
| 6001H ZZ | ISO | Защитные металлические шайбы с обеих сторон. Pressed Snap-Type Steel Cage. Hardened. |
| SSF1/2 | ISO | ISO Tolerance Class ABEC.9. |
| W6001 2RS | ISO | Резиновые уплотнения с каждой стороны подшипника. |
| 6001.Z15.2ZR.C3.795180.L64T | ISO | Внутренний зазор больше нормального. Защитные металлические шайбы с обеих сторон. Replaced By Prefix S And. |
| 6001VA | ISO | Нержавеющая сталь. |
| 6001.Z15 | ISO | Replaced By Prefix S And. |
| AS5KDD C2 FS160 | ISO | Conrad (Non-Filling Slot) Type. Internal Clearance Smaller Than Normal. Double Shielded. Grease MIL-PRF-23827. |
| SR8-2RS-GL | ISO | Резиновые уплотнения с каждой стороны подшипника. Консистентная смазка. |
| 6001-2RS1/SS | ISO | Резиновые уплотнения с каждой стороны подшипника. Нержавеющая сталь. |
| R8-2Z/SS | ISO | Защитные металлические шайбы с обеих сторон. Нержавеющая сталь. |
| 6001VA C3 | ISO | Внутренний зазор больше нормального. Нержавеющая сталь. |
Аналог нержавеющего шарикового подшипника S6001-2RSR — это подшипник такого же размера dx12,Dx28,Bx8, типа и конструкции.
| Обозначение | Конструктивные особенности | Внутренний (d) | Наружный (D) | Ширина (B) |
|---|---|---|---|---|
| 5-46101 ЕП | Шариковый радиально-упорный однорядный подшипник. Сепаратор из текстолита.. | 12.00 | 28.00 | 8.00 |
| 5-60101 ШОС17 | Шариковый радиальный однорядный подшипник. Смазка Литол-24. Нормы шумности. | 12.00 | 28.00 | 8.00 |
| 5-60101 ШОС9 | Шариковый радиальный однорядный подшипник. Нормы шумности. Смазка ЛЗ-31. | 12.00 | 28.00 | 8.00 |
| 5-6101 Е | Шариковый радиально-упорный однорядный подшипник. Сепаратор из текстолита.. | 12.00 | 28.00 | 8.00 |
| 5-6101 Е1 | Шариковый радиально-упорный однорядный подшипник. Сепаратор из текстолита.. | 12.00 | 28.00 | 8.00 |
| 5-7000101 Б | Шариковый радиальный однорядный подшипник. Сепаратор из безоловянистой бронзы.. | 12.00 | 28.00 | 7.00 |
| 5-7000101 БТ2 | Шариковый радиальный однорядный подшипник. 200°. Температура отпуска. Сепаратор из безоловянистой бронзы.. | 12.00 | 28.00 | 7.00 |
| 5-7000101 Т | Шариковый радиальный однорядный подшипник. Температура отпуска. 160°. | 12.00 | 28.00 | 7.00 |
| 5-7000101 Т2 | Шариковый радиальный однорядный подшипник. 200°. Температура отпуска. | 12.00 | 28.00 | 7.00 |
| 5-80101 С9 | Шариковый радиальный однорядный подшипник. Смазка ЛЗ-31. | 12.00 | 28.00 | 8.00 |
| 6-101 Р1 | Шариковый радиальный однорядный подшипник. Детали из теплоустойчивой (быстрорежущие) стали.. | 12.00 | 28.00 | 8.00 |
| 6-101 Ю | Шариковый радиальный однорядный подшипник. Все детали или часть деталей из нержавеющей стали.. | 12.00 | 28.00 | 8.00 |
| 6-101 ЮТ | Шариковый радиальный однорядный подшипник. Температура отпуска. 160°. Все детали или часть деталей из нержавеющей стали.. | 12.00 | 28.00 | 8.00 |
| 6-180101 С17 | Шариковый радиальный однорядный подшипник. Смазка Литол-24. | 12.00 | 28.00 | 8.00 |
| 6-180101 С9 | Шариковый радиальный однорядный подшипник. Смазка ЛЗ-31. | 12.00 | 28.00 | 8.00 |
Способы доставки
Отправка через ведущие транспортные и курьерские компании: ПЭК, Деловые Линии, СДЭК, Байкал-Сервис, Энергия, КИТ, ЖелДорЭкспедиция.
Самовывоз возможен напрямую со склада в Москве.
Сроки доставки
Срок зависит от региона и выбранной транспортной компании. Все заказы комплектуются и отправляются в кратчайшие сроки со склада в Москве.
Надёжность и сохранность
Вся продукция упаковывается с учётом требований транспортировки. Мы гарантируем, что подшипники и комплектующие прибудут к заказчику в полной сохранности.
Доставка в страны ЕАЭС
Мы работаем с проверенными логистическими партнёрами, что позволяет оперативно доставлять заказы в Беларусь, Казахстан, Армению и другие страны ЕАЭС.
Варианты оплаты:
Минимальная сумма заказа и скидки:
Документы и гарантии:
Да, конечно! Наши технические специалисты готовы помочь вам с подбором точного аналога или замены подшипника. Просто позвоните нам по телефону +7 (495) 104-99-04 или напишите на почту zakaz@podsnab.ru.
Для оперативной консультации подготовьте, пожалуйста, имеющиеся данные: маркировку, размеры, тип оборудования или артикул старого подшипника.
Да, конечно! Мы высоко ценим долгосрочное сотрудничество и доверие клиентов по всей России. Для постоянных клиентов действует персональная система скидок.
Условия формируются индивидуально и зависят от:
Чтобы узнать свои условия и получить максимально выгодное предложение, свяжитесь с персональным менеджером или напишите нам на почту zakaz@podsnab.ru.
Вы можете оформить заказ несколькими способами:
Для оформления заказа от юридического лица свяжитесь с нашим отделом по работе с корпоративными клиентами по телефону +7 (495) 104-99-04 или напишите на email zakaz@podsnab.ru, прикрепив реквизиты вашей организации.
Мы оперативно подготовим коммерческое предложение и выставим счет.
Возврат товара надлежащего качества возможен в течение 10 дней с момента получения, если товар не был в употреблении, сохранен товарный вид, упаковка не вскрывалась и присутствуют все сопроводительные документы.
Возврат денежных средств осуществляется в течение 10 рабочих дней после проверки товара складом.
В соответствии с законодательством возврату не подлежат подшипники надлежащего качества, если отсутствует оригинальная упаковка или имеются следы монтажа.
В случае выявления брака или гарантийного случая мы гарантируем возврат или обмен товара.
Да, гарантийный срок хранения устанавливается заводом-изготовителем и в среднем составляет 2 года при соблюдении условий хранения: сухое помещение, оригинальная упаковка и смазка.
Точный срок для конкретного типа подшипника уточняйте у наших менеджеров.
Пн–Пт: с 8:00 до 17:00 (МСК).
Сб–Вс: выходные дни.
Заказы на сайте принимаются круглосуточно. Заявки, поступившие после окончания рабочего дня, обрабатываются на следующий рабочий день.
Минимальная сумма заказа для доставки составляет 3000 рублей. Самовывоз со склада возможен на любую сумму при наличии товара.
ООО «УралТехГрупп»
ИНН: 7415093830
КПП: 772401001
ОГРН: 1167456069021
Банк: ПАО Сбербанк
Р/с: 40702810838000475273
К/с: 30101810400000000225
БИК: 044525225
У подшипника S6001-2RSR пока нет отзывов. Вы можете стать первым покупателем, поделившимся своим мнением.