Поиск подшипника
Статьи
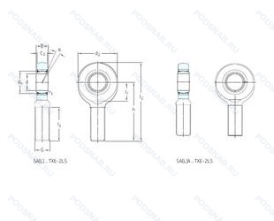
GIKR12-PW-A — Сферический шарнирный подшипник, модификация основного исполнения GIKR12, выпускается производителями: ELGES, INA.
Размер наконечника: 12x34x16 мм.
Контактная поверхность скольжения сталь/ptfe, двухрядный радиально-упорный шарикоподшипник без отверстия для смазки.
Альтернативное обозначение: SIKB12F.
Аналоги: GIKFR12PW Elges,GIKR12-PW-A INA,SIKB12F SKF,KJ12D Askubal,PHS12EC IKO,GISW12X1,25 Fluro,MFC12 Fluro.
Международная стандартизации ISO
GIKR12PWA
В наличии
| Обозначение | Конструктивные изменения |
|---|---|
| GIKR12PBA | Сферический шарнирный подшипник. |
| GIKR12PW | Контактная поверхность скольжения Сталь/PTFE. |
| GIKR12PB | Скользящая контактная поверхность из стали/бронзы, соответствует ISO 12 240-1, размер серии K, для валов от 5 мм до 30 мм.. |
Модификации шарнирного наконечника GIKR12-PW-A — это измененное основное конструктивное исполнение GIKR12, основные размеры (12x34x16) не отличаются.
| Обозначение | Гост | Конструктивные особенности |
|---|---|---|
| SIKB12F | ISO | Сепаратор из обработанной стали или специального чугуна. |
| GIKFR12PW | ISO | Скользящая контактная поверхность сталь/PTFE (политетрафторэтилен) Бронзовая пленка.. |
| PHS12EC | ISO | Сталь/политетрафторэтилен (ПТФЭ). |
| KJ12D | ISO | Сталь/PTFE. |
| MFC12 | ISO | Сферический шарнирный подшипник. |
| SIK12C | ISO | концы стержня. не требующие обслуживания. Внутренняя резьба. |
| DM12R | ISO | Правая резьба. |
| DF12R | ISO | Правая резьба. |
| TM8L | ISO | Левая резьба. |
| PHS12LSS | ISO | Левосторонняя резьба. |
| TFE12PB | ISO | Скользящая контактная поверхность из стали/бронзы. Соответствует ИСО 12 240-1. Размерная серия K. Для валов от 5 мм до 30 мм. |
| PHS12-1DF | ISO | Сталь/Бронза. |
| PHS12DF | ISO | Сталь/Бронза. |
| KI12DNIRO | ISO | Сталь/PTFE. Нержавеющая сталь. |
| GIKFR12PBA | ISO | Особенность внутренней конструкции. Сегментный контактный материал. Код S/B = скользящая контактная поверхность из стали/бронзы. |
| JMXL8T | ISO | Вкладыш из PTFE материала. |
| AM8G | ISO | Устройство повторного смазывания со смазочной канавкой и отверстием на внешнем кольце. |
| BEF12-61-501 | ISO | Правая резьба. |
| BEF1/2-20-501 | ISO | Правая резьба. |
| POSB8LC99 | ISO | Левосторонняя резьба. |
| SILKB12F/VZ019 | ISO | Композит Сталь/PTFE. Special Thread According to ISO 8139/1991. CETOP RP 103 P. |
| MML12GK | ISO | Внутренний код THK без технических различий. |
| KAL12-DNIROBMFREI | ISO | Сталь/PTFE. Нержавеющая сталь. |
| BRTM1/2-00-501 | ISO | Правая резьба. |
| BRTM1/2-00-502 | ISO | Левосторонняя резьба. |
| 25 | ГОСТ | Сферический шарнирный подшипник. |
Аналог шарнирного наконечника GIKR12-PW-A — это наконечник такого же размера dx12,Dx34,Bx16, типа и конструкции.
| Обозначение | Конструктивные особенности | Внутренний (d) | Наружный (D) | Ширина (B) |
|---|---|---|---|---|
| LFR5201KDD C2/A | Опорный ролик. Внутренний зазор подшипника меньше нормального. Двухрядный радиально-упорный шарикоподшипник без отверстия для смазки. Защитные металлические шайбы по обе стороны подшипника с цилиндрическим наружным диаметром. | 12.00 | 35.00 | 15.90 |
| 305801-2Z | Опорный ролик. Защитные металлические шайбы с обеих сторон. | 12.00 | 35.00 | 15.90 |
| LR5201-KDD-AH03 | Опорный ролик. Защитные металлические шайбы по обе стороны подшипника с цилиндрическим наружным диаметром. Размер отверстия отличается от стандартного. | 12.00 | 35.00 | 15.90 |
| LFR5201-10NPP | Опорный ролик. Шарикоподшипник. С уплотнением и низким коэффициентом трения с обеих сторон. Уплотнение состоит из шайбы из листовой стали с вулканизированной резиной. | 12.00 | 35.00 | 15.90 |
| 305801C 2RS | Опорный ролик. Внутренние изменения в конструкции. Резиновые уплотнения с каждой стороны подшипника. | 12.00 | 35.00 | 15.90 |
| LB3201B-2RSRSTNGYRLN5 | Опорный ролик. Смазочное отверстие на внутреннем кольце. 25° Угол контакта. Резиновые уплотнения с каждой стороны подшипника. Сепаратор из полиамида 66. армированного стекловолокном. Normal Filling 35%. Standard Single Pack. Grease Type Excellent Silence. | 12.00 | 35.00 | 15.90 |
| LB3201B-2RSRSTNG YRLN | Опорный ролик. Смазочное отверстие на внутреннем кольце. 25° Угол контакта. Резиновые уплотнения с каждой стороны подшипника. Сепаратор из полиамида 66. армированного стекловолокном. Normal Filling 35%. Grease Type Excellent Silence. | 12.00 | 35.00 | 15.90 |
| LR5201-IS1-2Z-TVH-XL | Опорный ролик. Серия X-Life премиум-класс. увеличиный срок службы. Защитные металлические шайбы с обеих сторон. Формованный полиамидный сепаратор защелкивающегося типа. Одно смазочное отверстие во внутреннем кольце. | 12.00 | 35.00 | 15.90 |
| LB3201B-2ZRSTNG YRLN5 | Опорный ролик. Смазочное отверстие на внутреннем кольце. 25° Угол контакта. Metal Shields At Each Side Of The Bearing. Сепаратор из полиамида 66. армированного стекловолокном. Normal Filling 35%. Standard Single Pack. Grease Type Excellent Silence. | 12.00 | 35.00 | 15.90 |
| LB3201B-2ZRSTNG YRLN | Опорный ролик. Смазочное отверстие на внутреннем кольце. 25° Угол контакта. Metal Shields At Each Side Of The Bearing. Сепаратор из полиамида 66. армированного стекловолокном. | 12.00 | 35.00 | 15.90 |
| LB3201B-2RSRSTN | Опорный ролик. Смазочное отверстие на внутреннем кольце. 25° Угол контакта. Прочный сепаратор из полиамида. армированного стекловолокном. Резиновые уплотнения с каждой стороны подшипника. | 12.00 | 35.00 | 15.90 |
| LD5801ZZ | Шариковый радиальный подшипник. Защитные металлические шайбы с обеих сторон. | 12.00 | 35.00 | 15.90 |
| LD5701ZZ | Шариковый радиальный подшипник. Защитные металлические шайбы с обеих сторон. | 12.00 | 35.00 | 15.90 |
| RAL008NPPB | Шариковый радиальный однорядный подшипник. Желоб под разрезное кольцо. | 12.70 | 35.00 | 15.88 |
| SAZP12N | Шарнирный подшипник. Канавка под стопорное кольцо на внешнем кольце. | 12.70 | 33.32 | 15.88 |
Способы доставки
Отправка через ведущие транспортные и курьерские компании: ПЭК, Деловые Линии, СДЭК, Байкал-Сервис, Энергия, КИТ, ЖелДорЭкспедиция.
Самовывоз возможен напрямую со склада в Москве.
Сроки доставки
Срок зависит от региона и выбранной транспортной компании. Все заказы комплектуются и отправляются в кратчайшие сроки со склада в Москве.
Надёжность и сохранность
Вся продукция упаковывается с учётом требований транспортировки. Мы гарантируем, что подшипники и комплектующие прибудут к заказчику в полной сохранности.
Доставка в страны ЕАЭС
Мы работаем с проверенными логистическими партнёрами, что позволяет оперативно доставлять заказы в Беларусь, Казахстан, Армению и другие страны ЕАЭС.
Варианты оплаты:
Минимальная сумма заказа и скидки:
Документы и гарантии:
Да, конечно! Наши технические специалисты готовы помочь вам с подбором точного аналога или замены подшипника. Просто позвоните нам по телефону +7 (495) 104-99-04 или напишите на почту zakaz@podsnab.ru.
Для оперативной консультации подготовьте, пожалуйста, имеющиеся данные: маркировку, размеры, тип оборудования или артикул старого подшипника.
Да, конечно! Мы высоко ценим долгосрочное сотрудничество и доверие клиентов по всей России. Для постоянных клиентов действует персональная система скидок.
Условия формируются индивидуально и зависят от:
Чтобы узнать свои условия и получить максимально выгодное предложение, свяжитесь с персональным менеджером или напишите нам на почту zakaz@podsnab.ru.
Вы можете оформить заказ несколькими способами:
Для оформления заказа от юридического лица свяжитесь с нашим отделом по работе с корпоративными клиентами по телефону +7 (495) 104-99-04 или напишите на email zakaz@podsnab.ru, прикрепив реквизиты вашей организации.
Мы оперативно подготовим коммерческое предложение и выставим счет.
Возврат товара надлежащего качества возможен в течение 10 дней с момента получения, если товар не был в употреблении, сохранен товарный вид, упаковка не вскрывалась и присутствуют все сопроводительные документы.
Возврат денежных средств осуществляется в течение 10 рабочих дней после проверки товара складом.
В соответствии с законодательством возврату не подлежат подшипники надлежащего качества, если отсутствует оригинальная упаковка или имеются следы монтажа.
В случае выявления брака или гарантийного случая мы гарантируем возврат или обмен товара.
Да, гарантийный срок хранения устанавливается заводом-изготовителем и в среднем составляет 2 года при соблюдении условий хранения: сухое помещение, оригинальная упаковка и смазка.
Точный срок для конкретного типа подшипника уточняйте у наших менеджеров.
Пн–Пт: с 8:00 до 17:00 (МСК).
Сб–Вс: выходные дни.
Заказы на сайте принимаются круглосуточно. Заявки, поступившие после окончания рабочего дня, обрабатываются на следующий рабочий день.
Минимальная сумма заказа для доставки составляет 3000 рублей. Самовывоз со склада возможен на любую сумму при наличии товара.
ООО «УралТехГрупп»
ИНН: 7415093830
КПП: 772401001
ОГРН: 1167456069021
Банк: ПАО Сбербанк
Р/с: 40702810838000475273
К/с: 30101810400000000225
БИК: 044525225
У подшипника GIKR12-PW-A пока нет отзывов. Вы можете стать первым покупателем, поделившимся своим мнением.