Поиск подшипника
Статьи
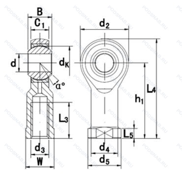
KI18D — Сферический шарнирный подшипник, модификация основного исполнения KI18, выпускается производителями: ARB, ASKUBAL, NEUTRAL.
Размер наконечника: 18x47x23 мм.
Половина целого игольчатого валика. применять суффикс 'd' в базовом номере.
Международная стандартизации ISO
KI18D
В наличии
| Обозначение | Конструктивные изменения |
|---|---|
| KI18 | Сферический шарнирный подшипник. Основное конструктивное исполнение. |
Модификации шарнирного наконечника KI18D — это измененное основное конструктивное исполнение KI18, основные размеры (18x47x23) не отличаются.
| Обозначение | Гост | Конструктивные особенности |
|---|---|---|
| POS18LA | ISO | Sealed Bearing. |
| SALKAC18M | ISO | Сталь/Бронза. |
| SALBP18S | ISO | Запечатанная версия кулачкового ролика. |
| PFI18D | ISO | Половина целого игольчатого валика. Применять суффикс 'D' в базовом номере. |
| POS18EC | ISO | Сталь/политетрафторэтилен (ПТФЭ). |
| RM18SE | ISO | Элементы с суффиксом S имеют бронзовые направляющие из CuSn8 для скорости скольжения до 60 м/мин. Элементы с суффиксом SE имеют стальные направляющие с пропитанной PTFE прокладкой и не нуждаются в смазке.. |
| RM18MTE | ISO | Units With Suffix SE. SEI. XEI and MTE. Belonging To Heavy Duty Series Have A Liner Made Of Woven CuSn8 Bronze Fabric. Impregnated With PFTE. The Liner Is Glued To Race Inner Face. |
| NHS18L | ISO | Левосторонняя резьба. |
| KA18DR | ISO | Два подшипника. подобранные к одному комплекту. |
| KAL18DR | ISO | Два подшипника. подобранные к одному комплекту. |
| KJ18DR | ISO | Два подшипника. подобранные к одному комплекту. |
| KJL18DR | ISO | Два подшипника. подобранные к одному комплекту. |
| BNF18L | ISO | Левая резьба. |
| GAKSR18-PS | ISO | Специальная сталь. Не требует обслуживания. |
| GIKSL18-PS | ISO | Специальная сталь. Не требует обслуживания. |
| GIKSR18-PS | ISO | Специальная сталь. Не требует обслуживания. |
| NOS18L | ISO | Левосторонняя резьба. |
| BRM18-00-501 | ISO | Правая резьба. Sequential Number Of Design. |
| SILBP18S | ISO | Запечатанная версия кулачкового ролика. |
| GAKSL18-PS | ISO | Специальная сталь. Не требует обслуживания. |
Аналог шарнирного наконечника KI18D — это наконечник такого же размера dx18,Dx47,Bx23, типа и конструкции.
| Обозначение | Конструктивные особенности | Внутренний (d) | Наружный (D) | Ширина (B) |
|---|---|---|---|---|
| 5303N | Шариковый радиально-упорный двухрядный подшипник. Канавка под стопорное кольцо на внешнем кольце. | 17.00 | 47.00 | 22.20 |
| 5303SCZZ | Шариковый радиально-упорный двухрядный подшипник. Угол контакта 15°. Только для тел качения. | 17.00 | 47.00 | 22.20 |
| 5303SCLLD | Шариковый радиально-упорный двухрядный подшипник. Угол контакта 15°. Только для тел качения. | 17.00 | 47.00 | 22.20 |
| 5303S | Шариковый радиально-упорный двухрядный подшипник. Запечатанная версия кулачкового ролика. Только для тел качения. | 17.00 | 47.00 | 22.20 |
| 5303SCLLM | Шариковый радиально-упорный двухрядный подшипник. Угол контакта 15°. Только для тел качения. | 17.00 | 47.00 | 22.20 |
| 3056303-Е | Шариковый радиально-упорный двухрядный подшипник. Сепаратор из текстолита.. | 17.00 | 47.00 | 22.20 |
| 3056303-К1 | Шариковый радиально-упорный двухрядный подшипник. «Замок» (скос) на внутреннем кольце плюс массивный сепаратор из текстолита. | 17.00 | 47.00 | 22.20 |
| 3303A-2RS1 | Шариковый радиально-упорный двухрядный подшипник. Измененная или модифицированная внутренняя конструкция при неизменных основных размерах. Усиленные листовой сталью контактные уплотнения из акрилонитрил-бутадиенового каучука (NBR) с обеих сторон подшипника. | 17.00 | 47.00 | 22.20 |
| 3303A-2Z | Шариковый радиально-упорный двухрядный подшипник. Измененная или модифицированная внутренняя конструкция при неизменных основных размерах. Защитные металлические шайбы с обеих сторон подшипника. | 17.00 | 47.00 | 22.20 |
| 3303-BD-2HRS-TVH | Шариковый радиально-упорный однорядный подшипник. Твердая клетка из полиамида. Манжетные уплотнения с обеих сторон изготовлены из нитрил-бутадиенового каучука. Эти конструкции смазываются на весь срок службы высококачественной смазкой и подходят для умеренных скоростей. Момент трения и тепловыделение ниже, чем при использовании предыдущего уплотнения RSR.. Tapered Roller Bearing. Steep Угол контакта (24° To 32°). Metric Series. | 17.00 | 47.00 | 22.20 |
| 3303-BD-TVH | Шариковый радиально-упорный однорядный подшипник. Твердая клетка из полиамида. Tapered Roller Bearing. Steep Угол контакта (24° To 32°). Metric Series. | 17.00 | 47.00 | 22.20 |
| 3303-BD-2Z-TVH | Шариковый радиально-упорный однорядный подшипник. Защитные металлические шайбы с обеих сторон подшипника. Твердая клетка из полиамида. Tapered Roller Bearing. Steep Угол контакта (24° To 32°). Metric Series. | 17.00 | 47.00 | 22.20 |
| W6303-2RS | Шариковый радиальный однорядный подшипник. Резиновые уплотнения с каждой стороны подшипника. | 17.00 | 47.00 | 22.20 |
| W6303-ZZ | Шариковый радиальный однорядный подшипник. Защитные металлические шайбы с обеих сторон. | 17.00 | 47.00 | 22.20 |
| 1204 EKTN9 + H 204 | Шариковый сферический двухрядный подшипник. Pressed Snap-Type Steel Cage. Hardened. 2.1/4/. | 17.00 | 47.00 | 24.00 |
Способы доставки
Отправка через ведущие транспортные и курьерские компании: ПЭК, Деловые Линии, СДЭК, Байкал-Сервис, Энергия, КИТ, ЖелДорЭкспедиция.
Самовывоз возможен напрямую со склада в Москве.
Сроки доставки
Срок зависит от региона и выбранной транспортной компании. Все заказы комплектуются и отправляются в кратчайшие сроки со склада в Москве.
Надёжность и сохранность
Вся продукция упаковывается с учётом требований транспортировки. Мы гарантируем, что подшипники и комплектующие прибудут к заказчику в полной сохранности.
Доставка в страны ЕАЭС
Мы работаем с проверенными логистическими партнёрами, что позволяет оперативно доставлять заказы в Беларусь, Казахстан, Армению и другие страны ЕАЭС.
Варианты оплаты:
Минимальная сумма заказа и скидки:
Документы и гарантии:
Да, конечно! Наши технические специалисты готовы помочь вам с подбором точного аналога или замены подшипника. Просто позвоните нам по телефону +7 (495) 104-99-04 или напишите на почту zakaz@podsnab.ru.
Для оперативной консультации подготовьте, пожалуйста, имеющиеся данные: маркировку, размеры, тип оборудования или артикул старого подшипника.
Да, конечно! Мы высоко ценим долгосрочное сотрудничество и доверие клиентов по всей России. Для постоянных клиентов действует персональная система скидок.
Условия формируются индивидуально и зависят от:
Чтобы узнать свои условия и получить максимально выгодное предложение, свяжитесь с персональным менеджером или напишите нам на почту zakaz@podsnab.ru.
Вы можете оформить заказ несколькими способами:
Для оформления заказа от юридического лица свяжитесь с нашим отделом по работе с корпоративными клиентами по телефону +7 (495) 104-99-04 или напишите на email zakaz@podsnab.ru, прикрепив реквизиты вашей организации.
Мы оперативно подготовим коммерческое предложение и выставим счет.
Возврат товара надлежащего качества возможен в течение 10 дней с момента получения, если товар не был в употреблении, сохранен товарный вид, упаковка не вскрывалась и присутствуют все сопроводительные документы.
Возврат денежных средств осуществляется в течение 10 рабочих дней после проверки товара складом.
В соответствии с законодательством возврату не подлежат подшипники надлежащего качества, если отсутствует оригинальная упаковка или имеются следы монтажа.
В случае выявления брака или гарантийного случая мы гарантируем возврат или обмен товара.
Да, гарантийный срок хранения устанавливается заводом-изготовителем и в среднем составляет 2 года при соблюдении условий хранения: сухое помещение, оригинальная упаковка и смазка.
Точный срок для конкретного типа подшипника уточняйте у наших менеджеров.
Пн–Пт: с 8:00 до 17:00 (МСК).
Сб–Вс: выходные дни.
Заказы на сайте принимаются круглосуточно. Заявки, поступившие после окончания рабочего дня, обрабатываются на следующий рабочий день.
Минимальная сумма заказа для доставки составляет 3000 рублей. Самовывоз со склада возможен на любую сумму при наличии товара.
ООО «УралТехГрупп»
ИНН: 7415093830
КПП: 772401001
ОГРН: 1167456069021
Банк: ПАО Сбербанк
Р/с: 40702810838000475273
К/с: 30101810400000000225
БИК: 044525225
У подшипника KI18D пока нет отзывов. Вы можете стать первым покупателем, поделившимся своим мнением.