Поиск подшипника
Статьи
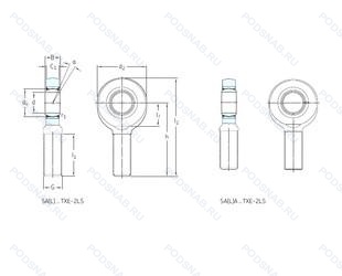
POS8A — Сферический шарнирный подшипник, модификация основного исполнения POS8, производство IKO.
Размер наконечника: 8x56x12 мм.
Двухрядный радиально-упорный шарикоподшипник без отверстия для смазки.
Альтернативное обозначение: GAKFR8PB, SAKAC8M.
Аналоги: GAKR8-PB-A INA,SAKAC8M SKF,ARYM5 NMB Minebea,JAM8 Asahi,BNM8 MTR,GAS8 Fluro,SABP8S LS,SAKAC8M Neutral.
Международная стандартизации ISO
POS8A
В наличии
| Обозначение | Конструктивные изменения |
|---|---|
| POS8EC | Два стальных сепаратора оконного типа. внутреннее кольцо без фланца. направляющее кольцо с усиленным роликом. |
| POS8L | Одно механическое уплотнение. |
| POS8 | Сферический шарнирный подшипник. Основное конструктивное исполнение. |
| POS8LA | Sealed Bearing. |
| POS8LEC | Левая резьба. |
| POS8ECL | Сталь/политетрафторэтилен (ПТФЭ). Левосторонняя резьба. |
| POS8DF | Сталь/Бронза. |
Модификации шарнирного наконечника POS8A — это измененное основное конструктивное исполнение POS8, основные размеры (8x56x12) не отличаются.
| Обозначение | Гост | Конструктивные особенности |
|---|---|---|
| SAKAC8M | ISO | Подшипник с латунным сепаратором. центрированный по телам качения. |
| JAM8 | ISO | Сферический шарнирный подшипник. |
| GAKFR8PB | ISO | Поверхность скользящего контакта сталь/бронза, соответствует ISO 12 240-1, размер серии K, для валов от 5 мм до 30 мм.. |
| KA8D | ISO | Сталь/PTFE. |
| KA8 | ISO | Сферический шарнирный подшипник. |
| SAJK8C | ISO | Сталь/Тефлон. Измененная или модифицированная внутренняя конструкция при неизменных основных размерах. |
| SABP8S | ISO | Запечатанная версия кулачкового ролика. Измененная или модифицированная внутренняя конструкция при неизменных основных размерах. |
| ARYM5 | ISO | Сферический шарнирный подшипник. |
| BNM8 | ISO | Сферический шарнирный подшипник. |
Аналог шарнирного наконечника POS8A — это наконечник такого же размера dx8,Dx56,Bx12, типа и конструкции.
Способы доставки
Отправка через ведущие транспортные и курьерские компании: ПЭК, Деловые Линии, СДЭК, Байкал-Сервис, Энергия, КИТ, ЖелДорЭкспедиция.
Самовывоз возможен напрямую со склада в Москве.
Сроки доставки
Срок зависит от региона и выбранной транспортной компании. Все заказы комплектуются и отправляются в кратчайшие сроки со склада в Москве.
Надёжность и сохранность
Вся продукция упаковывается с учётом требований транспортировки. Мы гарантируем, что подшипники и комплектующие прибудут к заказчику в полной сохранности.
Доставка в страны ЕАЭС
Мы работаем с проверенными логистическими партнёрами, что позволяет оперативно доставлять заказы в Беларусь, Казахстан, Армению и другие страны ЕАЭС.
Варианты оплаты:
Минимальная сумма заказа и скидки:
Документы и гарантии:
Да, конечно! Наши технические специалисты готовы помочь вам с подбором точного аналога или замены подшипника. Просто позвоните нам по телефону +7 (495) 104-99-04 или напишите на почту zakaz@podsnab.ru.
Для оперативной консультации подготовьте, пожалуйста, имеющиеся данные: маркировку, размеры, тип оборудования или артикул старого подшипника.
Да, конечно! Мы высоко ценим долгосрочное сотрудничество и доверие клиентов по всей России. Для постоянных клиентов действует персональная система скидок.
Условия формируются индивидуально и зависят от:
Чтобы узнать свои условия и получить максимально выгодное предложение, свяжитесь с персональным менеджером или напишите нам на почту zakaz@podsnab.ru.
Вы можете оформить заказ несколькими способами:
Для оформления заказа от юридического лица свяжитесь с нашим отделом по работе с корпоративными клиентами по телефону +7 (495) 104-99-04 или напишите на email zakaz@podsnab.ru, прикрепив реквизиты вашей организации.
Мы оперативно подготовим коммерческое предложение и выставим счет.
Возврат товара надлежащего качества возможен в течение 10 дней с момента получения, если товар не был в употреблении, сохранен товарный вид, упаковка не вскрывалась и присутствуют все сопроводительные документы.
Возврат денежных средств осуществляется в течение 10 рабочих дней после проверки товара складом.
В соответствии с законодательством возврату не подлежат подшипники надлежащего качества, если отсутствует оригинальная упаковка или имеются следы монтажа.
В случае выявления брака или гарантийного случая мы гарантируем возврат или обмен товара.
Да, гарантийный срок хранения устанавливается заводом-изготовителем и в среднем составляет 2 года при соблюдении условий хранения: сухое помещение, оригинальная упаковка и смазка.
Точный срок для конкретного типа подшипника уточняйте у наших менеджеров.
Пн–Пт: с 8:00 до 17:00 (МСК).
Сб–Вс: выходные дни.
Заказы на сайте принимаются круглосуточно. Заявки, поступившие после окончания рабочего дня, обрабатываются на следующий рабочий день.
Минимальная сумма заказа для доставки составляет 3000 рублей. Самовывоз со склада возможен на любую сумму при наличии товара.
ООО «УралТехГрупп»
ИНН: 7415093830
КПП: 772401001
ОГРН: 1167456069021
Банк: ПАО Сбербанк
Р/с: 40702810838000475273
К/с: 30101810400000000225
БИК: 044525225
У подшипника POS8A пока нет отзывов. Вы можете стать первым покупателем, поделившимся своим мнением.