Поиск подшипника
Статьи
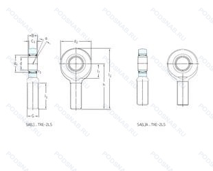
POS8LA — Сферический шарнирный подшипник, модификация основного исполнения POS8, выпускается производителями: IKO, NEUTRAL, NSK.
Размер наконечника: 8x56x12 мм.
Sealed bearing.
Альтернативное обозначение: GAKFL8PB, SALKAC8M.
Аналоги: GAKFL8PBA Elges,SALKAC8M SKF,POS8LA IKO,KAL8 Askubal,POS8L THK,JAML8 Asahi,JAML8X Asahi,JAML8G Asahi,TSML8 ISB,BNM8L MTR,SALBP8S LS,SALKAC8M LS,RNM-8L MTR,SALBP8S Neutral,GAKFL8PB Neutral,POS8L Neutral.
Международная стандартизации ISO
POS8LA
В наличии
| Обозначение | Конструктивные изменения |
|---|---|
| POS8EC | Два стальных сепаратора оконного типа. внутреннее кольцо без фланца. направляющее кольцо с усиленным роликом. |
| POS8L | Одно механическое уплотнение. |
| POS8 | Сферический шарнирный подшипник. Основное конструктивное исполнение. |
| POS8A | Двухрядный радиально-упорный шарикоподшипник без отверстия для смазки. |
| POS8LEC | Левая резьба. |
| POS8ECL | Сталь/политетрафторэтилен (ПТФЭ). Левосторонняя резьба. |
| POS8DF | Сталь/Бронза. |
Модификации шарнирного наконечника POS8LA — это измененное основное конструктивное исполнение POS8, основные размеры (8x56x12) не отличаются.
| Обозначение | Гост | Конструктивные особенности |
|---|---|---|
| GAKFL8PB | ISO | Сегментный контактный материал. Код S/B = скользящая контактная поверхность из стали/бронзы. |
| SALBP8S | ISO | Запечатанная версия кулачкового ролика. |
| BNM8L | ISO | Одно механическое уплотнение. |
| KAL8 | ISO | Сферический шарнирный подшипник. |
| SALKAC8M | ISO | Подшипник с латунным сепаратором. центрированный по телам качения. |
| JAML8X | ISO | Измененные размеры границ. введенные пересмотренными стандартами ISO. |
| GAKFL8PBA | ISO | Двухрядный радиально-упорный шарикоподшипник без отверстия для смазки. Скользящая контактная поверхность сталь/бронза. Соответствует ISO 12 240-1. Размерная серия K. Для валов от 5 мм до 30 мм. |
| JAML8 | ISO | Сферический шарнирный подшипник. |
| JAML8G | ISO | Устройство повторного смазывания со смазочной канавкой и отверстием на внешнем кольце. |
| KAL8DR | ISO | Два подшипника. подобранные к одному комплекту. |
| KFDV8L | ISO | Левосторонняя резьба. |
| GAXSW8X1 | ISO | Специальная фаска. |
| TSM8CINOX | ISO | Нержавеющая сталь. |
| BEM08L | ISO | Одно механическое уплотнение. |
| BEM08-20-502 | ISO | Distance Between Beginning Of The Rail And First Hole In MM. Левосторонняя резьба. |
| KUIL8ZZ | ISO | Защитные металлические шайбы с обеих сторон. |
| BEM08-20-502L | ISO | Distance Between Beginning Of The Rail And First Hole In MM. |
| GIKL8PWA | ISO | Особенность внутренней конструкции. Контактная поверхность скольжения Сталь/PTFE. |
| TFEL8PB | ISO | Скользящая контактная поверхность из стали/бронзы. Соответствует ИСО 12 240-1. Размерная серия K. Для валов от 5 мм до 30 мм. |
| GIKFR8-PW-A | ISO | Двухрядный радиально-упорный шарикоподшипник без отверстия для смазки. Контактная поверхность скольжения Сталь/PTFE. |
| JAM8L | ISO | Левосторонняя резьба. |
| TSML8 | ISO | Сферический шарнирный подшипник. |
| PHS8DF | ISO | Комплект из двух подшипников. согласованных для установки по Х-образной схеме. Число. следующее непосредственно после букв DF. обозначает конструкцию промежуточного кольца. |
| GILRSW8R | ISO | Шарик из нержавеющей стали. |
| GIRSW8R | ISO | Шарик из нержавеющей стали. |
| GIRSW8X1R | ISO | Шарик из нержавеющей стали. |
| TFI8 PW | ISO | Контактная поверхность скольжения Сталь/PTFE. |
| RNM-8L | ISO | Левая резьба. |
| JAF8X1.25 | ISO | Размер резьбы. |
| TSF8C | ISO | концы стержня. не требующие обслуживания. Внутренняя резьба. |
Аналог шарнирного наконечника POS8LA — это наконечник такого же размера dx8,Dx56,Bx12, типа и конструкции.
| Обозначение | Конструктивные особенности | Внутренний (d) | Наружный (D) | Ширина (B) |
|---|---|---|---|---|
| NA22/8-X-2RSR | Опорный ролик. Rubber Seals At Each Side Of The Bearing. Temperature Range -30℃/+120℃. Цилиндрическая рабочая поверхность. Средний предварительный натяг. | 8.00 | 24.00 | 11.80 |
| LR50/8-2RSR | Опорный ролик. Rubber Seals At Each Side Of The Bearing. Temperature Range -30℃/+120℃. Средний предварительный натяг. | 8.00 | 24.00 | 11.00 |
| 971067-ЮУ | Шариковый радиальный однорядный подшипник. Дополнительные технические требования. Все детали или часть деталей из нержавеющей стали.. | 7.00 | 24.00 | 12.00 |
| 971067-ЮУС2 | Шариковый радиальный однорядный подшипник. Дополнительные технические требования. Все детали или часть деталей из нержавеющей стали.. Смазка ЦИАТИМ-221. | 7.00 | 24.00 | 12.00 |
| 971067-ЮУС21 | Шариковый радиальный однорядный подшипник. Дополнительные технические требования. Смазка ЭРА. Все детали или часть деталей из нержавеющей стали.. | 7.00 | 24.00 | 12.00 |
| 980067-ЮУС2 | Шариковый радиальный однорядный подшипник. Дополнительные технические требования. Все детали или часть деталей из нержавеющей стали.. Смазка ЦИАТИМ-221. | 7.00 | 24.00 | 12.00 |
| 980067-ЮУС21 | Шариковый радиальный однорядный подшипник. Дополнительные технические требования. Смазка ЭРА. Все детали или часть деталей из нержавеющей стали.. | 7.00 | 24.00 | 12.00 |
| 981067-ЮУС21 | Шариковый радиальный однорядный подшипник. Дополнительные технические требования. Смазка ЭРА. Все детали или часть деталей из нержавеющей стали.. | 7.00 | 24.00 | 12.00 |
| 981067-ЮУС8 | Шариковый радиальный однорядный подшипник. Дополнительные технические требования. Все детали или часть деталей из нержавеющей стали.. Смазка ВНИИНП-235. | 7.00 | 24.00 | 12.00 |
| 981067-ЮУТС18 | Шариковый радиальный однорядный подшипник. Дополнительные технические требования. Температура отпуска. 160°. Все детали или часть деталей из нержавеющей стали.. Смазка ВНИИНП-233. | 7.00 | 24.00 | 12.00 |
| 981067-ЮУТС2 | Шариковый радиальный однорядный подшипник. Дополнительные технические требования. Температура отпуска. 160°. Все детали или часть деталей из нержавеющей стали.. Смазка ЦИАТИМ-221. | 7.00 | 24.00 | 12.00 |
| 981067-ЮУТС21 | Шариковый радиальный однорядный подшипник. Дополнительные технические требования. Температура отпуска. 160°. Смазка ЭРА. Все детали или часть деталей из нержавеющей стали.. | 7.00 | 24.00 | 12.00 |
| NA22/8XLL | Роликовый игольчатый подшипник однорядный. Два уплотнения. | 8.00 | 24.00 | 12.00 |
| SA08T/K | Шарнирный подшипник. Коническое отверстие. Конусность 1/12. Textile Laminated Phenolic Resin. Outer Ring Guided. The Cage Is Suitable For Long-Term Operation At Temperatures Up To 100°C. | 8.00 | 24.00 | 12.00 |
| SI08T/K | Шарнирный подшипник. Коническое отверстие. Конусность 1/12. Textile Laminated Phenolic Resin. Outer Ring Guided. The Cage Is Suitable For Long-Term Operation At Temperatures Up To 100°C. | 8.00 | 24.00 | 12.00 |
Способы доставки
Отправка через ведущие транспортные и курьерские компании: ПЭК, Деловые Линии, СДЭК, Байкал-Сервис, Энергия, КИТ, ЖелДорЭкспедиция.
Самовывоз возможен напрямую со склада в Москве.
Сроки доставки
Срок зависит от региона и выбранной транспортной компании. Все заказы комплектуются и отправляются в кратчайшие сроки со склада в Москве.
Надёжность и сохранность
Вся продукция упаковывается с учётом требований транспортировки. Мы гарантируем, что подшипники и комплектующие прибудут к заказчику в полной сохранности.
Доставка в страны ЕАЭС
Мы работаем с проверенными логистическими партнёрами, что позволяет оперативно доставлять заказы в Беларусь, Казахстан, Армению и другие страны ЕАЭС.
Варианты оплаты:
Минимальная сумма заказа и скидки:
Документы и гарантии:
Да, конечно! Наши технические специалисты готовы помочь вам с подбором точного аналога или замены подшипника. Просто позвоните нам по телефону +7 (495) 104-99-04 или напишите на почту zakaz@podsnab.ru.
Для оперативной консультации подготовьте, пожалуйста, имеющиеся данные: маркировку, размеры, тип оборудования или артикул старого подшипника.
Да, конечно! Мы высоко ценим долгосрочное сотрудничество и доверие клиентов по всей России. Для постоянных клиентов действует персональная система скидок.
Условия формируются индивидуально и зависят от:
Чтобы узнать свои условия и получить максимально выгодное предложение, свяжитесь с персональным менеджером или напишите нам на почту zakaz@podsnab.ru.
Вы можете оформить заказ несколькими способами:
Для оформления заказа от юридического лица свяжитесь с нашим отделом по работе с корпоративными клиентами по телефону +7 (495) 104-99-04 или напишите на email zakaz@podsnab.ru, прикрепив реквизиты вашей организации.
Мы оперативно подготовим коммерческое предложение и выставим счет.
Возврат товара надлежащего качества возможен в течение 10 дней с момента получения, если товар не был в употреблении, сохранен товарный вид, упаковка не вскрывалась и присутствуют все сопроводительные документы.
Возврат денежных средств осуществляется в течение 10 рабочих дней после проверки товара складом.
В соответствии с законодательством возврату не подлежат подшипники надлежащего качества, если отсутствует оригинальная упаковка или имеются следы монтажа.
В случае выявления брака или гарантийного случая мы гарантируем возврат или обмен товара.
Да, гарантийный срок хранения устанавливается заводом-изготовителем и в среднем составляет 2 года при соблюдении условий хранения: сухое помещение, оригинальная упаковка и смазка.
Точный срок для конкретного типа подшипника уточняйте у наших менеджеров.
Пн–Пт: с 8:00 до 17:00 (МСК).
Сб–Вс: выходные дни.
Заказы на сайте принимаются круглосуточно. Заявки, поступившие после окончания рабочего дня, обрабатываются на следующий рабочий день.
Минимальная сумма заказа для доставки составляет 3000 рублей. Самовывоз со склада возможен на любую сумму при наличии товара.
ООО «УралТехГрупп»
ИНН: 7415093830
КПП: 772401001
ОГРН: 1167456069021
Банк: ПАО Сбербанк
Р/с: 40702810838000475273
К/с: 30101810400000000225
БИК: 044525225
У подшипника POS8LA пока нет отзывов. Вы можете стать первым покупателем, поделившимся своим мнением.