Поиск подшипника
Статьи
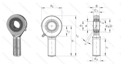
GAL20DO — Сферический шарнирный подшипник, модификация основного исполнения GAL20, выпускается производителями: CCVI, ELGES, FAG, INA, NEUTRAL, UNIBAL.
Размер наконечника: 20x54x16 мм.
Сталь/сталь и внутреннее и внешнее кольцо закалены.
Альтернативное обозначение: GAL20ES, SAL20ES.
Аналоги: GAL20DO Elges,GAL20-DO INA,GAL20-DO Elges,SAL20ES SKF,SAL20ES KML.
Международная стандартизации ISO
GAL20DO
В наличии
| Обозначение | Конструктивные изменения |
|---|---|
| GAL20UK | Сталь/фторопластовая ткань.. |
| GAL20UK-2RS | Уплотнения с обеих сторон.. Сталь/фторопластовая ткань.. |
| GAL20GB | Расширенное внутреннее кольцо, материал скольжения сталь по бронзе. |
| GAL20HO | Стальная cкользящая контактная поверхность. Цилиндрическое расширение на внутреннем кольце. |
Модификации шарнирного наконечника GAL20DO — это измененное основное конструктивное исполнение GAL20, основные размеры (20x54x16) не отличаются.
| Обозначение | Гост | Конструктивные особенности |
|---|---|---|
| GIR20DO-2RS | ISO | Резиновые уплотнения с каждой стороны подшипника. |
| SAL20ES | ISO | Разъемное наружное кольцо со смазочными отверстиями. |
| GAL20DO 2RS | ISO | Уплотнения с обеих сторон.. |
| SIL20C | ISO | 15° Угол контакта. |
| SIL20ES | ISO | Разъемное наружное кольцо со смазочными отверстиями. |
| FE20U | ISO | Maintenance-Free Rod Ends. |
| SAL20ES-2RS | ISO | Резиновые уплотнения с каждой стороны подшипника. |
| EAL20D | ISO | Сталь/PTFE. |
| EJL20D | ISO | Сталь/PTFE. |
| TFI20FKBT 2RS | ISO | Манжетное уплотнение с двух сторон. Сталь/политетрафторэтилен (ПТФЭ). |
| EJ20-SN | ISO | Узкий. Низкая каретка. |
| EM20-20-501 | ISO | Правая резьба. |
| DGIR20UK | ISO | Сталь/политетрафторэтилен (ПТФЭ). |
| TFE20MKB | ISO | Сталь/политетрафторэтилен (ПТФЭ). |
| GIL20GW | ISO | Расширенное внутреннее кольцо. Материал скольжения сталь/PTFE. |
| BEM20L | ISO | Одно механическое уплотнение. |
| SMRCP20IR | ISO | Stainless Steel Innerring. |
| SI-20TGR/VL002 | ISO | Bearing Rings Of Stainless Steel. Hardened_ Inner Ring Sliding Surface Polished. |
| EA20D | ISO | Контактный материал Сталь/PFTE.. |
| FS20C | ISO | Шарнирные головки серии E по DIN ISO 12240-4, тип S с круглой поверхностью для приварки. Сферические подшипники скольжения, пересмазываемые, фиксируемые посредством конопатки с обеих сторон.. |
Аналог шарнирного наконечника GAL20DO — это наконечник такого же размера dx20,Dx54,Bx16, типа и конструкции.
| Обозначение | Конструктивные особенности | Внутренний (d) | Наружный (D) | Ширина (B) |
|---|---|---|---|---|
| TS20C | Корпус подшипника. 15° Угол контакта. | 20.00 | 54.00 | 16.00 |
| BE20 | Подшипник для корпуса. | 20.00 | 55.00 | 16.00 |
| R20-4A | Однорядный конический роликовый подшипник. Различный наружный диаметр. Радиус или ширина от номера основной детали. | 20.00 | 55.00 | 16.00 |
| BE20-XL-SML | Подшипник для корпуса. Серия X-Life премиум-класс. увеличиный срок службы. Увеличенный зазор между подшипниками и корпусом. Это не влияет на изделие без суффикса SML. | 20.00 | 55.00 | 16.00 |
| BE20-SML | Подшипник для корпуса. Увеличенный зазор между подшипниками и корпусом. Это не влияет на изделие без суффикса SML. | 20.00 | 55.00 | 16.00 |
| BE20-XL | Подшипник для корпуса. Серия X-Life премиум-класс. увеличиный срок службы. | 20.00 | 55.00 | 16.00 |
| B20-49NR | Шариковый радиальный однорядный подшипник. Подшипник со специальными размерами. | 20.00 | 55.00 | 15.00 |
Способы доставки
Отправка через ведущие транспортные и курьерские компании: ПЭК, Деловые Линии, СДЭК, Байкал-Сервис, Энергия, КИТ, ЖелДорЭкспедиция.
Самовывоз возможен напрямую со склада в Москве.
Сроки доставки
Срок зависит от региона и выбранной транспортной компании. Все заказы комплектуются и отправляются в кратчайшие сроки со склада в Москве.
Надёжность и сохранность
Вся продукция упаковывается с учётом требований транспортировки. Мы гарантируем, что подшипники и комплектующие прибудут к заказчику в полной сохранности.
Доставка в страны ЕАЭС
Мы работаем с проверенными логистическими партнёрами, что позволяет оперативно доставлять заказы в Беларусь, Казахстан, Армению и другие страны ЕАЭС.
Варианты оплаты:
Минимальная сумма заказа и скидки:
Документы и гарантии:
Да, конечно! Наши технические специалисты готовы помочь вам с подбором точного аналога или замены подшипника. Просто позвоните нам по телефону +7 (495) 104-99-04 или напишите на почту zakaz@podsnab.ru.
Для оперативной консультации подготовьте, пожалуйста, имеющиеся данные: маркировку, размеры, тип оборудования или артикул старого подшипника.
Да, конечно! Мы высоко ценим долгосрочное сотрудничество и доверие клиентов по всей России. Для постоянных клиентов действует персональная система скидок.
Условия формируются индивидуально и зависят от:
Чтобы узнать свои условия и получить максимально выгодное предложение, свяжитесь с персональным менеджером или напишите нам на почту zakaz@podsnab.ru.
Вы можете оформить заказ несколькими способами:
Для оформления заказа от юридического лица свяжитесь с нашим отделом по работе с корпоративными клиентами по телефону +7 (495) 104-99-04 или напишите на email zakaz@podsnab.ru, прикрепив реквизиты вашей организации.
Мы оперативно подготовим коммерческое предложение и выставим счет.
Возврат товара надлежащего качества возможен в течение 10 дней с момента получения, если товар не был в употреблении, сохранен товарный вид, упаковка не вскрывалась и присутствуют все сопроводительные документы.
Возврат денежных средств осуществляется в течение 10 рабочих дней после проверки товара складом.
В соответствии с законодательством возврату не подлежат подшипники надлежащего качества, если отсутствует оригинальная упаковка или имеются следы монтажа.
В случае выявления брака или гарантийного случая мы гарантируем возврат или обмен товара.
Да, гарантийный срок хранения устанавливается заводом-изготовителем и в среднем составляет 2 года при соблюдении условий хранения: сухое помещение, оригинальная упаковка и смазка.
Точный срок для конкретного типа подшипника уточняйте у наших менеджеров.
Пн–Пт: с 8:00 до 17:00 (МСК).
Сб–Вс: выходные дни.
Заказы на сайте принимаются круглосуточно. Заявки, поступившие после окончания рабочего дня, обрабатываются на следующий рабочий день.
Минимальная сумма заказа для доставки составляет 3000 рублей. Самовывоз со склада возможен на любую сумму при наличии товара.
ООО «УралТехГрупп»
ИНН: 7415093830
КПП: 772401001
ОГРН: 1167456069021
Банк: ПАО Сбербанк
Р/с: 40702810838000475273
К/с: 30101810400000000225
БИК: 044525225
У подшипника GAL20DO пока нет отзывов. Вы можете стать первым покупателем, поделившимся своим мнением.