Поиск подшипника
Статьи
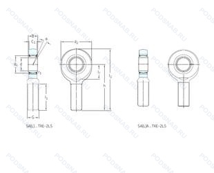
TSML5 — Сферический шарнирный подшипник, основное исполнение, производство LSK BEARINGS.
Размер наконечника: 5x18x8 мм.
Альтернативное обозначение: GAKFL5PB, SALKAC5M.
Аналоги: GAKFL5PB Elges,GAKL5-PB-A INA,GAKL5-PB-A Elges,SALKAC5M SKF,KAL5 Askubal,JAML5 Asahi,POS5LA IKO,JAML5 PTN,POSL5 PTN,COS5L BKB,GAL5 Fluro,SALBP5S Neutral.
Международная стандартизации ISO
TSML5
В наличии
| Обозначение | Гост | Конструктивные особенности |
|---|---|---|
| JAML5 | ISO | Сферический шарнирный подшипник. |
| GAKFL5PB | ISO | Поверхность скользящего контакта сталь/бронза, соответствует ISO 12 240-1, размер серии K, для валов от 5 мм до 30 мм.. |
| POSL5 | ISO | Сферический шарнирный подшипник. |
| KAL5 | ISO | Сферический шарнирный подшипник. |
| POS5LA | ISO | Sealed Bearing. |
| BEFN05-20-501 | ISO | Правая резьба. |
| BEFN05-20-502 | ISO | Левосторонняя резьба. |
| DSAL05T/K | ISO | Композит Сталь/PTFE. |
| SAJK5C | ISO | Сталь/Тефлон. Измененная или модифицированная внутренняя конструкция при неизменных основных размерах. |
| SAJKL5C | ISO | Сталь/Тефлон. |
| SIJKL5C | ISO | Сталь/Тефлон. |
| CFL5M5 | ISO | Inner Diameter = 5mm. |
| KAL5A | ISO | Двухрядный радиально-упорный шарикоподшипник без отверстия для смазки. |
| POS5EC | ISO | Steel/PTFT. |
| POS5LSS | ISO | Левосторонняя резьба. |
| TSF5C | ISO | 15° Угол контакта. |
| POS5R | ISO | С выпуклыми асимметричными роликами и обработанным сепаратором. |
| COS5L | ISO | Левосторонняя резьба. |
| SALBP5S | ISO | Запечатанная версия кулачкового ролика. |
| SF6.45 | ISO | 2.13/16. |
| KA5DNIRO | ISO | Сталь/PTFE. Нержавеющая сталь. |
| GAKR5PWA | ISO | Особенность внутренней конструкции. Контактная поверхность скольжения Сталь/PTFE. |
| DSI5T/K | ISO | Композит Сталь/PTFE. |
| SALKAC5M | ISO | Сталь/Бронза. |
| RM5SE | ISO | Элементы с суффиксом S имеют бронзовые направляющие из CuSn8 для скорости скольжения до 60 м/мин. Элементы с суффиксом SE имеют стальные направляющие с пропитанной PTFE прокладкой и не нуждаются в смазке.. |
| SILKAC5M/VZ019 | ISO | Сталь/Бронза. Special Thread According to ISO 8139/1991. CETOP RP 103 P. |
| GAL5 | ISO | Сферический шарнирный подшипник. |
Аналог шарнирного наконечника TSML5 — это наконечник такого же размера dx5,Dx18,Bx8, типа и конструкции.
| Обозначение | Конструктивные особенности | Внутренний (d) | Наружный (D) | Ширина (B) |
|---|---|---|---|---|
| 30/6-2RSR-HLW | Подшипник шариковый двухрядный радиально-упорный. Резиновые уплотнения с каждой стороны подшипника. Код местонахождения завода. может использоваться в стандартной комплектации. | 6.00 | 17.00 | 9.00 |
| LR50/5-2RS-HLC | Опорный ролик. Rubber Seals At Each Side Of The Bearing. Temperature Range -30℃/+120℃. Distance Between Beginning Of The Rail And First Hole In MM. Код местонахождения завода. может использоваться в стандартной комплектации. | 5.00 | 17.00 | 7.00 |
| 30/6-2Z-HLC | Подшипник шариковый двухрядный радиально-упорный. Зазорные уплотнения с обеих сторон подшипника.. Код местонахождения завода. может использоваться в стандартной комплектации. | 6.00 | 17.00 | 9.00 |
| 30/6 2RS HLW | Подшипник шариковый двухрядный радиально-упорный. Манжетное уплотнение с обеих сторон подшипника. Код местонахождения завода. может использоваться в стандартной комплектации. | 6.00 | 17.00 | 9.00 |
| 30/6-2Z-HLW | Подшипник шариковый двухрядный радиально-упорный. Зазорные уплотнения с обеих сторон подшипника.. Код местонахождения завода. может использоваться в стандартной комплектации. | 6.00 | 17.00 | 9.00 |
| 30/6-2RSR-HLC | Подшипник шариковый двухрядный радиально-упорный. Резиновые уплотнения с каждой стороны подшипника. Код местонахождения завода. может использоваться в стандартной комплектации. | 6.00 | 17.00 | 9.00 |
| LFR50/5-6-2Z-HLR | Опорный ролик. Защитные металлические шайбы с обеих сторон. Код местонахождения завода. может использоваться в стандартной комплектации. | 5.00 | 17.00 | 8.00 |
| LFR50/5-6-2Z | Опорный ролик. Защитные металлические шайбы с обеих сторон. Distance Between Beginning Of The Rail And First Hole In MM. Exxon Aviation Instrument Oil. | 5.00 | 17.00 | 8.00 |
| LR50/6-2RS | Опорный ролик. Rubber Seals At Each Side Of The Bearing. Temperature Range -30℃/+120℃. | 6.00 | 19.00 | 9.00 |
| 30/6 2RU | Подшипник шариковый двухрядный радиально-упорный. Non Contact Type Friction Torque = Small High Speed Performance = Good Grease Sealing = Better Than ZZ-Type Dirt Resistance = Better Than ZZ-Type Water Resistance = Better Than ZZ / Inferior To 2RS Operating Temp. -30°C To + 100°C. | 6.00 | 17.00 | 9.00 |
| 30/6-B-2RSR-TVH | Шариковый радиально-упорный подшипник. Модифицированная внутренняя конструкция. Твердая клетка из полиамида. Резиновые уплотнения с каждой стороны подшипника. | 6.00 | 17.00 | 9.00 |
| ML6019ZZ | Шариковый радиальный однорядный подшипник. Защитные металлические шайбы с обеих сторон. | 6.00 | 19.00 | 8.00 |
| S1601-2RS | Шариковый радиальный однорядный подшипник. Резиновые уплотнения с каждой стороны подшипника. | 4.76 | 17.46 | 7.94 |
| GEBK6S | Шарнирный подшипник. Запечатанная версия кулачкового ролика. Коническое отверстие. Повышенной грузоподъемности. | 6.00 | 18.00 | 9.00 |
| 6-1008096-Е | Шариковый упорный однорядный подшипник. Сепаратор из текстолита.. | 6.00 | 18.00 | 7.00 |
Способы доставки
Отправка через ведущие транспортные и курьерские компании: ПЭК, Деловые Линии, СДЭК, Байкал-Сервис, Энергия, КИТ, ЖелДорЭкспедиция.
Самовывоз возможен напрямую со склада в Москве.
Сроки доставки
Срок зависит от региона и выбранной транспортной компании. Все заказы комплектуются и отправляются в кратчайшие сроки со склада в Москве.
Надёжность и сохранность
Вся продукция упаковывается с учётом требований транспортировки. Мы гарантируем, что подшипники и комплектующие прибудут к заказчику в полной сохранности.
Доставка в страны ЕАЭС
Мы работаем с проверенными логистическими партнёрами, что позволяет оперативно доставлять заказы в Беларусь, Казахстан, Армению и другие страны ЕАЭС.
Варианты оплаты:
Минимальная сумма заказа и скидки:
Документы и гарантии:
Да, конечно! Наши технические специалисты готовы помочь вам с подбором точного аналога или замены подшипника. Просто позвоните нам по телефону +7 (495) 104-99-04 или напишите на почту zakaz@podsnab.ru.
Для оперативной консультации подготовьте, пожалуйста, имеющиеся данные: маркировку, размеры, тип оборудования или артикул старого подшипника.
Да, конечно! Мы высоко ценим долгосрочное сотрудничество и доверие клиентов по всей России. Для постоянных клиентов действует персональная система скидок.
Условия формируются индивидуально и зависят от:
Чтобы узнать свои условия и получить максимально выгодное предложение, свяжитесь с персональным менеджером или напишите нам на почту zakaz@podsnab.ru.
Вы можете оформить заказ несколькими способами:
Для оформления заказа от юридического лица свяжитесь с нашим отделом по работе с корпоративными клиентами по телефону +7 (495) 104-99-04 или напишите на email zakaz@podsnab.ru, прикрепив реквизиты вашей организации.
Мы оперативно подготовим коммерческое предложение и выставим счет.
Возврат товара надлежащего качества возможен в течение 10 дней с момента получения, если товар не был в употреблении, сохранен товарный вид, упаковка не вскрывалась и присутствуют все сопроводительные документы.
Возврат денежных средств осуществляется в течение 10 рабочих дней после проверки товара складом.
В соответствии с законодательством возврату не подлежат подшипники надлежащего качества, если отсутствует оригинальная упаковка или имеются следы монтажа.
В случае выявления брака или гарантийного случая мы гарантируем возврат или обмен товара.
Да, гарантийный срок хранения устанавливается заводом-изготовителем и в среднем составляет 2 года при соблюдении условий хранения: сухое помещение, оригинальная упаковка и смазка.
Точный срок для конкретного типа подшипника уточняйте у наших менеджеров.
Пн–Пт: с 8:00 до 17:00 (МСК).
Сб–Вс: выходные дни.
Заказы на сайте принимаются круглосуточно. Заявки, поступившие после окончания рабочего дня, обрабатываются на следующий рабочий день.
Минимальная сумма заказа для доставки составляет 3000 рублей. Самовывоз со склада возможен на любую сумму при наличии товара.
ООО «УралТехГрупп»
ИНН: 7415093830
КПП: 772401001
ОГРН: 1167456069021
Банк: ПАО Сбербанк
Р/с: 40702810838000475273
К/с: 30101810400000000225
БИК: 044525225
У подшипника TSML5 пока нет отзывов. Вы можете стать первым покупателем, поделившимся своим мнением.