Поиск подшипника
Статьи
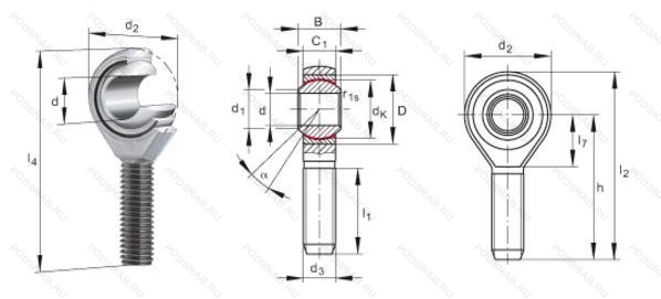
GAKSL25-PS — Сферический шарнирный подшипник, модификация основного исполнения GAKSL25, производство INA.
Размер наконечника: 25x61x31 мм.
Специальная сталь. не требует обслуживания.
Международная стандартизации ISO
GAKSL25PS
В наличии
| Обозначение | Гост | Конструктивные особенности |
|---|---|---|
| SIKAC25M | ISO | Подшипник с латунным сепаратором. центрированный по телам качения. |
| GAKSR25-PS | ISO | Специальная сталь. Не требует обслуживания. |
| RM25X-1 | ISO | Измененные размеры границ. введенные пересмотренными стандартами ISO. Number Of Carriages Per Rail Track. |
| RML25X-1 | ISO | Измененные размеры границ. введенные пересмотренными стандартами ISO. Number Of Carriages Per Rail Track. |
| KA25DNR | ISO | Сталь/PTFE. В стандартном исполнении. Внутреннее кольцо покрыто твердым хромом. |
| KI25DNR | ISO | Сталь/PTFE. В стандартном исполнении. Внутреннее кольцо покрыто твердым хромом. |
| KJ20205ZZ | ISO | Защитные металлические шайбы с обеих сторон. |
| KIL25D | ISO | Сталь/PTFE. |
| BEM25-20-502 | ISO | Левосторонняя резьба. |
| BEM25-20-501 | ISO | Правая резьба. |
| KA25DR | ISO | Два подшипника. подобранные к одному комплекту. |
| KAL25DR | ISO | Два подшипника. подобранные к одному комплекту. |
| KJL25DR | ISO | Два подшипника. подобранные к одному комплекту. |
| GAXSW25-ICR | ISO | Шарик с твердым хромированным покрытием.. |
| GIRSW25R | ISO | Шарик из нержавеющей стали.. |
| SABPL25S | ISO | Запечатанная версия кулачкового ролика. |
| SAJKL25C | ISO | Сталь/Тефлон. |
| PHS25X1.5 | ISO | Distance Between Beginning Of The Rail And First Hole In MM. Thread. |
| SALBP25S | ISO | Запечатанная версия кулачкового ролика. |
| SALKAC25M | ISO | Сталь/Бронза. |
Аналог шарнирного наконечника GAKSL25-PS — это наконечник такого же размера dx25,Dx61,Bx31, типа и конструкции.
| Обозначение | Конструктивные особенности | Внутренний (d) | Наружный (D) | Ширина (B) |
|---|---|---|---|---|
| PE25-SML | Подшипник для корпуса. Увеличенный зазор между подшипниками и корпусом. Это не влияет на изделие без суффикса SML. | 25.00 | 62.00 | 32.00 |
| MM25BS62DUH DF | Шариковый радиально-упорный подшипник однонаправленный. Комплект из двух подшипников. согласованных для установки по Х-образной схеме. Число. следующее непосредственно после букв DF. обозначает конструкцию промежуточного кольца. | 25.00 | 62.00 | 30.00 |
| 1030-25KG | Подшипник для корпуса. Коническое отверстие. конус 1/12. Вкладыш подшипника с возможностью повторной смазки. | 25.00 | 62.00 | 31.00 |
| YHB206-100-2LS8W/VT35 | Подшипник для корпуса. Contact Seal Of Synthetic Rubber With Sheet Steel Reinforcement On Both Sides Of The Bearing Without Lubrication Hole(s) In Outer Ring. 1. | 25.43 | 62.00 | 30.00 |
| 25TAC62BDFC10PN7A | Шариковый радиально-упорный подшипник однонаправленный. High Capacity & Higher Speed (Replaces “A” Type). Duplex. Face-to-Face. Метрическая серия. Класс ISO 4 (Abec 7) Модифицированный более строгий стандарт для осевого биения Uxx или Pss. специальный класс точности или особенности. | 25.00 | 62.00 | 30.00 |
| 25TAC62CDBHPN7C | Шариковый радиально-упорный подшипник однонаправленный. 15° Угол контакта. Высокий преднатяг. Комплект из двух подшипников. согласованных для установки по О-образной схеме. Стандартная точность NSK Класс точности 7C (эквивалентно осевому биению Класс 2). | 25.00 | 62.00 | 30.00 |
| NG25BJ-GEAR | Подшипник для корпуса. Без суффикса. но с обозначением типа. | 25.00 | 62.00 | 32.00 |
| BSD2562DGB | Шариковый радиально-упорный подшипник однонаправленный. Два однорядных радиально-упорных шарикоподшипника для универсальной установки. т. е. в паре для монтажа «спиной к спине». «лицом к лицу» или «тандем». Средний преднатяг. | 25.00 | 62.00 | 30.00 |
| BSD2562C/DGB | Шариковый радиально-упорный подшипник однонаправленный. Внутренние изменения в конструкции. Два однорядных радиально-упорных шарикоподшипника для универсальной установки. т. е. в паре для монтажа «спиной к спине». «лицом к лицу» или «тандем». Средний преднатяг. | 25.00 | 62.00 | 30.00 |
| BSB2562-SU-D | Шариковый радиально-упорный подшипник однонаправленный. Половина целого игольчатого валика. Применять суффикс 'D' в базовом номере. Одиночный подшипник. | 25.00 | 62.00 | 30.00 |
| 4-444705 X | Роликовый игольчатый подшипник. Измененные размеры границ. введенные пересмотренными стандартами ISO. | 25.00 | 60.00 | 30.00 |
| 4-444705 ХУ4 | Роликовый радиальный игольчатый подшипник. Кольца и тела качения или только кольца (в том числе одно кольцо) из цементируемой стали.. Дополнительные технические требования. | 25.00 | 60.00 | 30.00 |
| 5-444705-Х | Роликовый радиальный игольчатый подшипник. Кольца и тела качения или только кольца (в том числе одно кольцо) из цементируемой стали.. | 25.00 | 60.00 | 30.00 |
| 4-444705 Х | Роликовый радиальный игольчатый однорядный подшипник. Кольца и тела качения или только кольца (в том числе одно кольцо) из цементируемой стали.. | 25.00 | 60.00 | 30.00 |
| 2206 EKTN9 + H 306 | Шариковый сферический двухрядный подшипник. Pressed Snap-Type Steel Cage. Hardened. | 25.00 | 62.00 | 31.00 |
Способы доставки
Отправка через ведущие транспортные и курьерские компании: ПЭК, Деловые Линии, СДЭК, Байкал-Сервис, Энергия, КИТ, ЖелДорЭкспедиция.
Самовывоз возможен напрямую со склада в Москве.
Сроки доставки
Срок зависит от региона и выбранной транспортной компании. Все заказы комплектуются и отправляются в кратчайшие сроки со склада в Москве.
Надёжность и сохранность
Вся продукция упаковывается с учётом требований транспортировки. Мы гарантируем, что подшипники и комплектующие прибудут к заказчику в полной сохранности.
Доставка в страны ЕАЭС
Мы работаем с проверенными логистическими партнёрами, что позволяет оперативно доставлять заказы в Беларусь, Казахстан, Армению и другие страны ЕАЭС.
Варианты оплаты:
Минимальная сумма заказа и скидки:
Документы и гарантии:
Да, конечно! Наши технические специалисты готовы помочь вам с подбором точного аналога или замены подшипника. Просто позвоните нам по телефону +7 (495) 104-99-04 или напишите на почту zakaz@podsnab.ru.
Для оперативной консультации подготовьте, пожалуйста, имеющиеся данные: маркировку, размеры, тип оборудования или артикул старого подшипника.
Да, конечно! Мы высоко ценим долгосрочное сотрудничество и доверие клиентов по всей России. Для постоянных клиентов действует персональная система скидок.
Условия формируются индивидуально и зависят от:
Чтобы узнать свои условия и получить максимально выгодное предложение, свяжитесь с персональным менеджером или напишите нам на почту zakaz@podsnab.ru.
Вы можете оформить заказ несколькими способами:
Для оформления заказа от юридического лица свяжитесь с нашим отделом по работе с корпоративными клиентами по телефону +7 (495) 104-99-04 или напишите на email zakaz@podsnab.ru, прикрепив реквизиты вашей организации.
Мы оперативно подготовим коммерческое предложение и выставим счет.
Возврат товара надлежащего качества возможен в течение 10 дней с момента получения, если товар не был в употреблении, сохранен товарный вид, упаковка не вскрывалась и присутствуют все сопроводительные документы.
Возврат денежных средств осуществляется в течение 10 рабочих дней после проверки товара складом.
В соответствии с законодательством возврату не подлежат подшипники надлежащего качества, если отсутствует оригинальная упаковка или имеются следы монтажа.
В случае выявления брака или гарантийного случая мы гарантируем возврат или обмен товара.
Да, гарантийный срок хранения устанавливается заводом-изготовителем и в среднем составляет 2 года при соблюдении условий хранения: сухое помещение, оригинальная упаковка и смазка.
Точный срок для конкретного типа подшипника уточняйте у наших менеджеров.
Пн–Пт: с 8:00 до 17:00 (МСК).
Сб–Вс: выходные дни.
Заказы на сайте принимаются круглосуточно. Заявки, поступившие после окончания рабочего дня, обрабатываются на следующий рабочий день.
Минимальная сумма заказа для доставки составляет 3000 рублей. Самовывоз со склада возможен на любую сумму при наличии товара.
ООО «УралТехГрупп»
ИНН: 7415093830
КПП: 772401001
ОГРН: 1167456069021
Банк: ПАО Сбербанк
Р/с: 40702810838000475273
К/с: 30101810400000000225
БИК: 044525225
У подшипника GAKSL25-PS пока нет отзывов. Вы можете стать первым покупателем, поделившимся своим мнением.