Поиск подшипника
Статьи
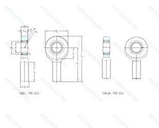
SALBP25S — Сферический шарнирный подшипник, модификация основного исполнения SALBP25, производство NEUTRAL.
Размер наконечника: 25x60x31 мм.
Запечатанная версия кулачкового ролика.
Альтернативное обозначение: GAKL25-PB, SALKAC25M.
Аналоги: GAKFL25PB Elges,SALKAC25M SKF,KAL25 Askubal,POS25L IKO,POS25L BGK,TSML25 LSK Bearings.
Международная стандартизации ISO
SALBP25S
В наличии
| Обозначение | Гост | Конструктивные особенности |
|---|---|---|
| GAKFL25PB | ISO | Поверхность скользящего контакта сталь/бронза, соответствует ISO 12 240-1, размер серии K, для валов от 5 мм до 30 мм.. |
| POS25L | ISO | Одно механическое уплотнение. |
| KAL25 | ISO | Сферический шарнирный подшипник. |
| SIKAC25M | ISO | Подшипник с латунным сепаратором. центрированный по телам качения. |
| GAKSR25-PS | ISO | Специальная сталь. Не требует обслуживания. |
| RM25X-1 | ISO | Измененные размеры границ. введенные пересмотренными стандартами ISO. Number Of Carriages Per Rail Track. |
| RML25X-1 | ISO | Измененные размеры границ. введенные пересмотренными стандартами ISO. Number Of Carriages Per Rail Track. |
| KA25DNR | ISO | Сталь/PTFE. В стандартном исполнении. Внутреннее кольцо покрыто твердым хромом. |
| KI25DNR | ISO | Сталь/PTFE. В стандартном исполнении. Внутреннее кольцо покрыто твердым хромом. |
| KJ20205ZZ | ISO | Защитные металлические шайбы с обеих сторон. |
| KIL25D | ISO | Сталь/PTFE. |
| BEM25-20-502 | ISO | Левосторонняя резьба. |
| BEM25-20-501 | ISO | Правая резьба. |
| KA25DR | ISO | Два подшипника. подобранные к одному комплекту. |
| KAL25DR | ISO | Два подшипника. подобранные к одному комплекту. |
| KJL25DR | ISO | Два подшипника. подобранные к одному комплекту. |
| GAXSW25-ICR | ISO | Шарик с твердым хромированным покрытием.. |
| TSML25 | ISO | Сферический шарнирный подшипник. |
| GAKSL25-PS | ISO | Специальная сталь. Не требует обслуживания. |
| GIRSW25R | ISO | Шарик из нержавеющей стали.. |
| SABPL25S | ISO | Запечатанная версия кулачкового ролика. |
| SAJKL25C | ISO | Сталь/Тефлон. |
| PHS25X1.5 | ISO | Distance Between Beginning Of The Rail And First Hole In MM. Thread. |
| SALKAC25M | ISO | Сталь/Бронза. |
Аналог шарнирного наконечника SALBP25S — это наконечник такого же размера dx25,Dx60,Bx31, типа и конструкции.
| Обозначение | Конструктивные особенности | Внутренний (d) | Наружный (D) | Ширина (B) |
|---|---|---|---|---|
| JAM-25 | Корпус подшипника. | 25.00 | 60.00 | 31.00 |
| 4-444705 X | Роликовый игольчатый подшипник. Измененные размеры границ. введенные пересмотренными стандартами ISO. | 25.00 | 60.00 | 30.00 |
| 4-444705 ХУ4 | Роликовый радиальный игольчатый подшипник. Кольца и тела качения или только кольца (в том числе одно кольцо) из цементируемой стали.. Дополнительные технические требования. | 25.00 | 60.00 | 30.00 |
| 5-444705-Х | Роликовый радиальный игольчатый подшипник. Кольца и тела качения или только кольца (в том числе одно кольцо) из цементируемой стали.. | 25.00 | 60.00 | 30.00 |
| 4-444705 Х | Роликовый радиальный игольчатый однорядный подшипник. Кольца и тела качения или только кольца (в том числе одно кольцо) из цементируемой стали.. | 25.00 | 60.00 | 30.00 |
Способы доставки
Отправка через ведущие транспортные и курьерские компании: ПЭК, Деловые Линии, СДЭК, Байкал-Сервис, Энергия, КИТ, ЖелДорЭкспедиция.
Самовывоз возможен напрямую со склада в Москве.
Сроки доставки
Срок зависит от региона и выбранной транспортной компании. Все заказы комплектуются и отправляются в кратчайшие сроки со склада в Москве.
Надёжность и сохранность
Вся продукция упаковывается с учётом требований транспортировки. Мы гарантируем, что подшипники и комплектующие прибудут к заказчику в полной сохранности.
Доставка в страны ЕАЭС
Мы работаем с проверенными логистическими партнёрами, что позволяет оперативно доставлять заказы в Беларусь, Казахстан, Армению и другие страны ЕАЭС.
Варианты оплаты:
Минимальная сумма заказа и скидки:
Документы и гарантии:
Да, конечно! Наши технические специалисты готовы помочь вам с подбором точного аналога или замены подшипника. Просто позвоните нам по телефону +7 (495) 104-99-04 или напишите на почту zakaz@podsnab.ru.
Для оперативной консультации подготовьте, пожалуйста, имеющиеся данные: маркировку, размеры, тип оборудования или артикул старого подшипника.
Да, конечно! Мы высоко ценим долгосрочное сотрудничество и доверие клиентов по всей России. Для постоянных клиентов действует персональная система скидок.
Условия формируются индивидуально и зависят от:
Чтобы узнать свои условия и получить максимально выгодное предложение, свяжитесь с персональным менеджером или напишите нам на почту zakaz@podsnab.ru.
Вы можете оформить заказ несколькими способами:
Для оформления заказа от юридического лица свяжитесь с нашим отделом по работе с корпоративными клиентами по телефону +7 (495) 104-99-04 или напишите на email zakaz@podsnab.ru, прикрепив реквизиты вашей организации.
Мы оперативно подготовим коммерческое предложение и выставим счет.
Возврат товара надлежащего качества возможен в течение 10 дней с момента получения, если товар не был в употреблении, сохранен товарный вид, упаковка не вскрывалась и присутствуют все сопроводительные документы.
Возврат денежных средств осуществляется в течение 10 рабочих дней после проверки товара складом.
В соответствии с законодательством возврату не подлежат подшипники надлежащего качества, если отсутствует оригинальная упаковка или имеются следы монтажа.
В случае выявления брака или гарантийного случая мы гарантируем возврат или обмен товара.
Да, гарантийный срок хранения устанавливается заводом-изготовителем и в среднем составляет 2 года при соблюдении условий хранения: сухое помещение, оригинальная упаковка и смазка.
Точный срок для конкретного типа подшипника уточняйте у наших менеджеров.
Пн–Пт: с 8:00 до 17:00 (МСК).
Сб–Вс: выходные дни.
Заказы на сайте принимаются круглосуточно. Заявки, поступившие после окончания рабочего дня, обрабатываются на следующий рабочий день.
Минимальная сумма заказа для доставки составляет 3000 рублей. Самовывоз со склада возможен на любую сумму при наличии товара.
ООО «УралТехГрупп»
ИНН: 7415093830
КПП: 772401001
ОГРН: 1167456069021
Банк: ПАО Сбербанк
Р/с: 40702810838000475273
К/с: 30101810400000000225
БИК: 044525225
У подшипника SALBP25S пока нет отзывов. Вы можете стать первым покупателем, поделившимся своим мнением.