Поиск подшипника
Статьи
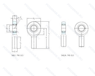
PHS20LA — Сферический шарнирный подшипник, модификация основного исполнения PHS20L, выпускается производителями: IKO, INA.
Размер наконечника: 20x51x25 мм.
Двухрядный радиально-упорный шарикоподшипник без отверстия для смазки.
Альтернативное обозначение: GIKFR20PB, SIKAC20M.
Аналоги: GIKL20-PB INA,TFIL20PB Pavarini,TFIL25PB Pavarini,PHS20L IKO,JAFL20 Asahi,SILBP20S LS,PHSL20 LDI,PHS20L LDK.
Международная стандартизации ISO
PHS20LA
В наличии
| Обозначение | Конструктивные изменения |
|---|---|
| PHS20L | Одно механическое уплотнение. Основное конструктивное исполнение. |
Модификации шарнирного наконечника PHS20LA — это измененное основное конструктивное исполнение PHS20L, основные размеры (20x51x25) не отличаются.
| Обозначение | Гост | Конструктивные особенности |
|---|---|---|
| GIKFR20PB | ISO | Поверхность скользящего контакта сталь/бронза, соответствует ISO 12 240-1, размер серии K, для валов от 5 мм до 30 мм.. |
| JAFL20 | ISO | Сферический шарнирный подшипник. |
| PHS20L | ISO | Одно механическое уплотнение. |
| PHSL20 | ISO | Сферический шарнирный подшипник. |
| SIKAC20M | ISO | Сталь/Бронза. |
| SILBP20S | ISO | Запечатанная версия кулачкового ролика. |
| DSI20T/K | ISO | Композит Сталь/PTFE. |
| DSIL20T/K | ISO | Композит Сталь/PTFE. |
| KIL20D | ISO | Сталь/PTFE. |
| BNM20L | ISO | Левая резьба. |
| SIBP20S | ISO | Запечатанная версия кулачкового ролика. |
| CML20M20X2,5 | ISO | Distance Between Beginning Of The Rail And First Hole In MM. |
| NHS20L | ISO | Левосторонняя резьба. |
| MFL20G | ISO | Устройство повторного смазывания со смазочной канавкой и отверстием на внешнем кольце. |
| TFIL20PB | ISO | Скользящая контактная поверхность из стали/бронзы. Соответствует ИСО 12 240-1. Размерная серия K. Для валов от 5 мм до 30 мм. |
| TFIL25PB | ISO | Скользящая контактная поверхность из стали/бронзы. Соответствует ИСО 12 240-1. Размерная серия K. Для валов от 5 мм до 30 мм. |
| BEM20-60-501 | ISO | Правая резьба. |
| BEF20-60-502 L | ISO | Левосторонняя резьба. 3.3/4. Левосторонняя резьба. |
| BRTF20L | ISO | Одно механическое уплотнение. |
| BRTF20-00-501 | ISO | Правая резьба. |
| KIL20NIRO | ISO | Нержавеющая сталь. |
| SSI20M20X1,5 RVS A4 | ISO | Distance Between Beginning Of The Rail And First Hole In MM. ROEST VRIJ STAAL. |
| BRTF20-00-502 | ISO | Левосторонняя резьба. |
| TFI20PW | ISO | Контактная поверхность скольжения Сталь/PTFE. |
| POS20A | ISO | Двухрядный радиально-упорный шарикоподшипник без отверстия для смазки. |
| BEF20-25-501 | ISO | Mode. Правая резьба. |
Аналог шарнирного наконечника PHS20LA — это наконечник такого же размера dx20,Dx51,Bx25, типа и конструкции.
| Обозначение | Конструктивные особенности | Внутренний (d) | Наружный (D) | Ширина (B) |
|---|---|---|---|---|
| 83704-К1 | Роликовый радиальный сферический двухрядный подшипник. Кольцевая проточка на середине цилиндрической наружной поверхности наружного кольца плюс три отверстия для смазки. | 20.00 | 52.00 | 26.00 |
| 83704-К1С2 | Роликовый радиальный сферический двухрядный подшипник. Кольцевая проточка на середине цилиндрической наружной поверхности наружного кольца плюс три отверстия для смазки. Смазка ЦИАТИМ-221. | 20.00 | 52.00 | 26.00 |
| 83704-К1С21 | Роликовый радиальный сферический двухрядный подшипник. Кольцевая проточка на середине цилиндрической наружной поверхности наружного кольца плюс три отверстия для смазки. Смазка ЭРА. | 20.00 | 52.00 | 26.00 |
| 83704-Ю2 | Роликовый радиальный сферический двухрядный подшипник. Все детали или часть деталей из нержавеющей стали.. | 20.00 | 52.00 | 26.00 |
| 83704-Ю3ТП | Роликовый радиальный сферический двухрядный подшипник. Температура отпуска. 160°. Все детали или часть деталей из нержавеющей стали.. | 20.00 | 52.00 | 26.00 |
| 83704-Ю4 | Роликовый радиальный сферический двухрядный подшипник. Все детали или часть деталей из нержавеющей стали.. | 20.00 | 52.00 | 26.00 |
| 83704-Ю4С2 | Роликовый радиальный сферический двухрядный подшипник. Смазка ЦИАТИМ-221. Все детали или часть деталей из нержавеющей стали.. | 20.00 | 52.00 | 26.00 |
| 83704-Ю4С21 | Роликовый радиальный сферический двухрядный подшипник. Смазка ЭРА. Все детали или часть деталей из нержавеющей стали.. | 20.00 | 52.00 | 26.00 |
| 83704-Ю4ТС8 | Роликовый радиальный сферический двухрядный подшипник. Температура отпуска. 160°. Смазка ВНИИНП-235. Все детали или часть деталей из нержавеющей стали.. | 20.00 | 52.00 | 26.00 |
| 83704-Ю5ТС8 | Роликовый радиальный сферический двухрядный подшипник. Температура отпуска. 160°. Все детали или часть деталей из нержавеющей стали.. Смазка ВНИИНП-235. | 20.00 | 52.00 | 26.00 |
| 83704-Ю6Т | Роликовый радиальный сферический двухрядный подшипник. Температура отпуска. 160°. Все детали или часть деталей из нержавеющей стали.. | 20.00 | 52.00 | 26.00 |
| 380804-АУ | Шариковый радиальный однорядный подшипник. Дополнительные технические требования. Повышенная грузоподъемность. | 20.00 | 52.00 | 26.00 |
| SA20T/K | Шарнирный подшипник. Коническое отверстие. Конусность 1/12. Textile Laminated Phenolic Resin. Outer Ring Guided. The Cage Is Suitable For Long-Term Operation At Temperatures Up To 100°C. | 20.00 | 50.00 | 25.00 |
| SI20T/K | Шарнирный подшипник. Коническое отверстие. Конусность 1/12. Textile Laminated Phenolic Resin. Outer Ring Guided. The Cage Is Suitable For Long-Term Operation At Temperatures Up To 100°C. | 20.00 | 50.00 | 25.00 |
| SIL20T/K | Шарнирный подшипник. Коническое отверстие. Конусность 1/12. Textile Laminated Phenolic Resin. Outer Ring Guided. The Cage Is Suitable For Long-Term Operation At Temperatures Up To 100°C. | 20.00 | 50.00 | 25.00 |
Способы доставки
Отправка через ведущие транспортные и курьерские компании: ПЭК, Деловые Линии, СДЭК, Байкал-Сервис, Энергия, КИТ, ЖелДорЭкспедиция.
Самовывоз возможен напрямую со склада в Москве.
Сроки доставки
Срок зависит от региона и выбранной транспортной компании. Все заказы комплектуются и отправляются в кратчайшие сроки со склада в Москве.
Надёжность и сохранность
Вся продукция упаковывается с учётом требований транспортировки. Мы гарантируем, что подшипники и комплектующие прибудут к заказчику в полной сохранности.
Доставка в страны ЕАЭС
Мы работаем с проверенными логистическими партнёрами, что позволяет оперативно доставлять заказы в Беларусь, Казахстан, Армению и другие страны ЕАЭС.
Варианты оплаты:
Минимальная сумма заказа и скидки:
Документы и гарантии:
Да, конечно! Наши технические специалисты готовы помочь вам с подбором точного аналога или замены подшипника. Просто позвоните нам по телефону +7 (495) 104-99-04 или напишите на почту zakaz@podsnab.ru.
Для оперативной консультации подготовьте, пожалуйста, имеющиеся данные: маркировку, размеры, тип оборудования или артикул старого подшипника.
Да, конечно! Мы высоко ценим долгосрочное сотрудничество и доверие клиентов по всей России. Для постоянных клиентов действует персональная система скидок.
Условия формируются индивидуально и зависят от:
Чтобы узнать свои условия и получить максимально выгодное предложение, свяжитесь с персональным менеджером или напишите нам на почту zakaz@podsnab.ru.
Вы можете оформить заказ несколькими способами:
Для оформления заказа от юридического лица свяжитесь с нашим отделом по работе с корпоративными клиентами по телефону +7 (495) 104-99-04 или напишите на email zakaz@podsnab.ru, прикрепив реквизиты вашей организации.
Мы оперативно подготовим коммерческое предложение и выставим счет.
Возврат товара надлежащего качества возможен в течение 10 дней с момента получения, если товар не был в употреблении, сохранен товарный вид, упаковка не вскрывалась и присутствуют все сопроводительные документы.
Возврат денежных средств осуществляется в течение 10 рабочих дней после проверки товара складом.
В соответствии с законодательством возврату не подлежат подшипники надлежащего качества, если отсутствует оригинальная упаковка или имеются следы монтажа.
В случае выявления брака или гарантийного случая мы гарантируем возврат или обмен товара.
Да, гарантийный срок хранения устанавливается заводом-изготовителем и в среднем составляет 2 года при соблюдении условий хранения: сухое помещение, оригинальная упаковка и смазка.
Точный срок для конкретного типа подшипника уточняйте у наших менеджеров.
Пн–Пт: с 8:00 до 17:00 (МСК).
Сб–Вс: выходные дни.
Заказы на сайте принимаются круглосуточно. Заявки, поступившие после окончания рабочего дня, обрабатываются на следующий рабочий день.
Минимальная сумма заказа для доставки составляет 3000 рублей. Самовывоз со склада возможен на любую сумму при наличии товара.
ООО «УралТехГрупп»
ИНН: 7415093830
КПП: 772401001
ОГРН: 1167456069021
Банк: ПАО Сбербанк
Р/с: 40702810838000475273
К/с: 30101810400000000225
БИК: 044525225
У подшипника PHS20LA пока нет отзывов. Вы можете стать первым покупателем, поделившимся своим мнением.