Поиск подшипника
Статьи
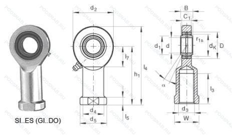
GIL50DO-2RS — Сферический шарнирный подшипник, модификация основного исполнения GIL50, выпускается производителями: CCVI, ELGES, INA.
Размер наконечника: 50x114x35 мм.
Уплотнения с обеих сторон, сталь/сталь и внутреннее и внешнее кольцо закалены.
Альтернативное обозначение: GIL50ES-2RS, SIL50ES-2RS, SILA50ES-2RS.
Аналоги: GIL50DO-2RS INA,GIL50-DO-2RS Elges.
Международная стандартизации ISO
GIL50DO2RS
В наличии
| Обозначение | Конструктивные изменения |
|---|---|
| GIL50UK-2RS | Манжетное уплотнение с двух сторон. Сталь/политетрафторэтилен (ПТФЭ). |
Модификации шарнирного наконечника GIL50DO-2RS — это измененное основное конструктивное исполнение GIL50, основные размеры (50x114x35) не отличаются.
| Обозначение | Гост | Конструктивные особенности |
|---|---|---|
| SC50ES | ISO | Разъемное наружное кольцо со смазочными отверстиями. |
| TFI50FK | ISO | Поверхность контакта скольжения сталь / сталь. |
| SAL50ES-2RS | ISO | Double-Lip Rubbing Seals Of Metric Bearings Are Made Of Polyester Elastomer (-30°C/+130°C). Inch-Size Bearings Are Made Of Polyurethane (-20°C/+80°C). Сталь. Кольцевые канавки и смазочные отверстия как во внутреннем. так и во внешнем кольцах. |
| GAL50DO-2RS | ISO | Резиновые уплотнения с каждой стороны подшипника. |
| SALA50TXE-2LS | ISO | Контактное уплотнение с обеих сторон подшипника. Закаленная и шлифованная сталь. Скользящая поверхность покрыта твердым хромом и отполирована. |
| SAL50ES | ISO | Внешние размеры корпусов могут отличаться для одного и того же номера изделия. (Сегментный контактный материала код S/S)=Сталь-на-стали. Кольцевые канавки и смазочные отверстия во внутреннем и наружном кольцах. |
| GAL50DO | ISO | Поверхность контакта скольжения сталь / сталь. |
| SI50ES-2RS/KI | ISO | Резиновые уплотнения с каждой стороны подшипника. |
| GIR50UK-2RSA | ISO | Особенность внутренней конструкции. Манжетное уплотнение с двух сторон. Контактная поверхность скольжения хром/PTFE композит. |
| SI-50TXE-2LS | ISO | Контактное уплотнение с обеих сторон подшипника. Закаленная и шлифованная сталь. Скользящая поверхность покрыта твердым хромом и отполирована. |
| SI-50TE-2RS | ISO | Double-Lip Rubbing Seals Of Metric Bearings Are Made Of Polyester Elastomer (-30°C/+130°C). Inch-Size Bearings Are Made Of Polyurethane (-20°C/+80°C). Внешнее кольцо из углеродной хромированной стали. с изломом. закаленное и шлифованное. со скользящей поверхностью из материала PTFE. Внутреннее кольцо из углеродной хромированной стали закаленное и шлифованное. скользящая поверхность покрыта твердым хромом. |
Аналог шарнирного наконечника GIL50DO-2RS — это наконечник такого же размера dx50,Dx114,Bx35, типа и конструкции.
| Обозначение | Конструктивные особенности | Внутренний (d) | Наружный (D) | Ширина (B) |
|---|---|---|---|---|
| ZKLF50115-2Z-XL | Шариковый радиально-упорный подшипник двойного направления. Серия X-Life премиум-класс. увеличиный срок службы. Зазорные уплотнения с обеих сторон подшипника.. | 50.00 | 115.00 | 34.00 |
| BSF50115DDUDTHP3 | Шариковый радиально-упорный подшипник двойного направления. Предварительная нагрузка. Тип уплотнения. Дуплексные подшипники для установки в тандеме. Класс точности ниже. чем P2. но выше. чем P4. | 50.00 | 115.00 | 34.00 |
| BSF50115DDUHP2B | Шариковый радиально-упорный подшипник двойного направления. Предварительная нагрузка. Тип уплотнения. Класс точности 2 по ISO. | 50.00 | 115.00 | 34.00 |
| BSF50115DDUDTHP3/MBE4 | Шариковый радиально-упорный подшипник двойного направления. Предварительная нагрузка. Тип уплотнения. Two Bearings Matched For Mounting In A Tandem Arrangement. Класс точности ниже. чем P2. но выше. чем P4. | 50.00 | 115.00 | 34.00 |
| ZKLF50115-2Z-PE | Шариковый радиально-упорный подшипник двойного направления. Зазорные уплотнения с обеих сторон подшипника.. Допуски на увеличенный диаметр и осевое биение по классу точности P5 для радиальных подшипников. | 50.00 | 115.00 | 34.00 |
| BEAM050115-2Z | Шариковый радиально-упорный подшипник двойного направления. Защитные металлические шайбы с обеих сторон подшипника. | 50.00 | 115.00 | 34.00 |
| BEAM050115-2RS/PE | Шариковый радиально-упорный подшипник двойного направления. Усиленные листовой сталью контактные уплотнения из акрилонитрил-бутадиенового каучука (NBR) с обеих сторон подшипника. Допуски на увеличенный диаметр и осевое биение по классу точности P5 для радиальных подшипников. | 50.00 | 115.00 | 34.00 |
| BEAM50/115C 7 P60 | Шариковый радиально-упорный подшипник двойного направления. Усиленные листовой сталью контактные уплотнения из акрилонитрил-бутадиенового каучука (NBR) с обеих сторон подшипника. Литой под давлением сепаратор из полиамида 66. Accuracy To ABEC7 (ISO Tolerance Class 4). Угол контакта 60°. | 50.00 | 115.00 | 34.00 |
| BEAM50/115Z 7 P60 | Шариковый радиально-упорный подшипник двойного направления. Защитные металлические шайбы с обеих сторон подшипника. Литой под давлением сепаратор из полиамида 66. Accuracy To ABEC7 (ISO Tolerance Class 4). Угол контакта 60°. | 50.00 | 115.00 | 34.00 |
| BEAM50/115C SQ P60 | Шариковый радиально-упорный подшипник двойного направления. Усиленные листовой сталью контактные уплотнения из акрилонитрил-бутадиенового каучука (NBR) с обеих сторон подшипника. Литой под давлением сепаратор из полиамида 66. Допуски на увеличенный диаметр и осевое биение по классу точности P5 для радиальных подшипников. Угол контакта 60°. | 50.00 | 115.00 | 34.00 |
| ZKLF50115-2RS-E55ES | Шариковый радиально-упорный подшипник двойного направления. Манжетное уплотнение с обеих сторон подшипника. | 50.00 | 115.00 | 34.00 |
| ZKLF50115.2Z | Шариковый радиально-упорный подшипник двойного направления. Зазорные уплотнения с обеих сторон подшипника.. | 50.00 | 115.00 | 34.00 |
| BSF50115DDUHP2BDT | Шариковый радиально-упорный подшипник двойного направления. Предварительная нагрузка. Тип уплотнения. Дуплексные подшипники для установки в тандеме. Класс точности 2 по ISO. | 50.00 | 115.00 | 34.00 |
| ZKLF50115-2RS | Шариковый радиально-упорный двухрядный подшипник. Резиновые уплотнения с каждой стороны подшипника. | 50.00 | 115.00 | 34.00 |
| BEAM 050115-2RZ | Шариковый упорный подшипник. Шарикоподшипник. С уплотнением и низким коэффициентом трения с обеих сторон. Уплотнение состоит из шайбы из листовой стали с вулканизированной резиной. | 50.00 | 115.00 | 34.00 |
Способы доставки
Отправка через ведущие транспортные и курьерские компании: ПЭК, Деловые Линии, СДЭК, Байкал-Сервис, Энергия, КИТ, ЖелДорЭкспедиция.
Самовывоз возможен напрямую со склада в Москве.
Сроки доставки
Срок зависит от региона и выбранной транспортной компании. Все заказы комплектуются и отправляются в кратчайшие сроки со склада в Москве.
Надёжность и сохранность
Вся продукция упаковывается с учётом требований транспортировки. Мы гарантируем, что подшипники и комплектующие прибудут к заказчику в полной сохранности.
Доставка в страны ЕАЭС
Мы работаем с проверенными логистическими партнёрами, что позволяет оперативно доставлять заказы в Беларусь, Казахстан, Армению и другие страны ЕАЭС.
Варианты оплаты:
Минимальная сумма заказа и скидки:
Документы и гарантии:
Да, конечно! Наши технические специалисты готовы помочь вам с подбором точного аналога или замены подшипника. Просто позвоните нам по телефону +7 (495) 104-99-04 или напишите на почту zakaz@podsnab.ru.
Для оперативной консультации подготовьте, пожалуйста, имеющиеся данные: маркировку, размеры, тип оборудования или артикул старого подшипника.
Да, конечно! Мы высоко ценим долгосрочное сотрудничество и доверие клиентов по всей России. Для постоянных клиентов действует персональная система скидок.
Условия формируются индивидуально и зависят от:
Чтобы узнать свои условия и получить максимально выгодное предложение, свяжитесь с персональным менеджером или напишите нам на почту zakaz@podsnab.ru.
Вы можете оформить заказ несколькими способами:
Для оформления заказа от юридического лица свяжитесь с нашим отделом по работе с корпоративными клиентами по телефону +7 (495) 104-99-04 или напишите на email zakaz@podsnab.ru, прикрепив реквизиты вашей организации.
Мы оперативно подготовим коммерческое предложение и выставим счет.
Возврат товара надлежащего качества возможен в течение 10 дней с момента получения, если товар не был в употреблении, сохранен товарный вид, упаковка не вскрывалась и присутствуют все сопроводительные документы.
Возврат денежных средств осуществляется в течение 10 рабочих дней после проверки товара складом.
В соответствии с законодательством возврату не подлежат подшипники надлежащего качества, если отсутствует оригинальная упаковка или имеются следы монтажа.
В случае выявления брака или гарантийного случая мы гарантируем возврат или обмен товара.
Да, гарантийный срок хранения устанавливается заводом-изготовителем и в среднем составляет 2 года при соблюдении условий хранения: сухое помещение, оригинальная упаковка и смазка.
Точный срок для конкретного типа подшипника уточняйте у наших менеджеров.
Пн–Пт: с 8:00 до 17:00 (МСК).
Сб–Вс: выходные дни.
Заказы на сайте принимаются круглосуточно. Заявки, поступившие после окончания рабочего дня, обрабатываются на следующий рабочий день.
Минимальная сумма заказа для доставки составляет 3000 рублей. Самовывоз со склада возможен на любую сумму при наличии товара.
ООО «УралТехГрупп»
ИНН: 7415093830
КПП: 772401001
ОГРН: 1167456069021
Банк: ПАО Сбербанк
Р/с: 40702810838000475273
К/с: 30101810400000000225
БИК: 044525225
У подшипника GIL50DO-2RS пока нет отзывов. Вы можете стать первым покупателем, поделившимся своим мнением.