Поиск подшипника
Статьи
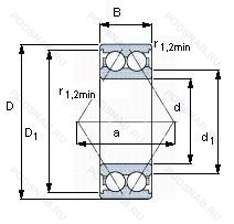
5314A — Подшипник шариковый двухрядный радиально-упорный, модификация основного исполнения 5314, производство SKF.
Размер подшипника: 70x150x63 мм.
Двухрядный радиально-упорный шарикоподшипник без отверстия для смазки.
Аналоги: 5314 NTN.
Международная стандартизации ISO
5314A
В наличии
| Обозначение | Конструктивные изменения |
|---|---|
| 5314MF | Миниатюрный метрический подшипник со специальными размерами и фланцевым наружным кольцом. |
| 5314CFFG | Подшипник шариковый двухрядный радиально-упорный. |
| 5314 | Подшипник шариковый двухрядный радиально-упорный. Основное конструктивное исполнение. |
| 5314A/C3 | Внутренний зазор больше нормального. Двухрядный радиально-упорный шарикоподшипник без отверстия для смазки. |
| 5314KG C3 | Внутренний зазор больше нормального. Серия с закрепительной втулкой и смазочным отверстием. |
| 5314ANR/C3 | Внутренний зазор больше нормального. Двухрядный радиально-упорный шарикоподшипник без отверстия для смазки. Канавка под стопорное кольцо на наружном кольце с соответствующим стопорным кольцом. |
| 5314ANR | Двухрядный радиально-упорный шарикоподшипник без отверстия для смазки. Канавка под стопорное кольцо на наружном кольце с соответствующим стопорным кольцом. |
| 5314F | Металлическая защитная шайба с одной стороны. |
| 5314 2RS | Резиновые уплотнения с каждой стороны подшипника. |
| 5314G | Канавка под стопорное кольцо на наружном кольце с соответствующим стопорным кольцом. |
| 5314C3 | Внутренний зазор больше нормального. |
| 5314KC3 | Внутренний зазор больше нормального. Conrad (Non-Filling Slot) Type. |
| 5314MF H501 | Внутренний суффикс-код MRC. Миниатюрный метрический подшипник со специальными размерами и фланцевым наружным кольцом. |
| 5314S | Запечатанная версия кулачкового ролика. Только для тел качения. |
| A 5314 WB | Cast Iron Take-Up Type Bearing Unit With Its Stretcher Frame. Relubricatable. |
| 5314 A-2Z | Измененная или модифицированная внутренняя конструкция при неизменных основных размерах. Защитные металлические шайбы с обеих сторон подшипника. |
| 5314 E | Повышенная грузоподъемность. |
| 5314KG | Серия с закрепительной втулкой и смазочным отверстием. |
| 5314WG | Максимальная грузоподъемность. |
| 5314W | Максимальная грузоподъемность. |
| 5314N | Канавка под стопорное кольцо на внешнем кольце. |
| 5314NR | Канавка под стопорное кольцо на наружном кольце с соответствующим стопорным кольцом. |
| 5314ZZ | Металлическая защитная шайба с двух сторон. |
Модификации шарикового подшипника 5314A — это измененное основное конструктивное исполнение 5314, основные размеры (70x150x63) не отличаются.
| Обозначение | Гост | Конструктивные особенности |
|---|---|---|
| 3314B TNG C3 | ISO | Внутренний зазор больше нормального. 25° Угол контакта. Сепаратор из полиамида 66. армированного стекловолокном. |
| 3314-2Z | ISO | Защитные металлические шайбы с обеих сторон подшипника. |
| 3314-BD-XL-2Z-TVH-L140-C3 | ISO | Внутренний зазор больше нормального. Серия X-Life премиум-класс. увеличиный срок службы. Щиты с обеих сторон подшипника. Формованный полиамидный сепаратор защелкивающегося типа. Смазка. Модифицированная внутренняя конструкция. угол контакта α=30. без отверстия для заполнения. |
| 3314S C3 | ISO | Прессованный стальной сепаратор. Внутренний зазор больше нормального. |
| 3314-B-TV | ISO | Design Without Filling Slots Have Угол контактаs Of 32°. Сепаратор из полиамида. |
| 3314-BD-XL-C3 | ISO | Внутренний зазор больше нормального. Серия X-Life премиум-класс. увеличиный срок службы. Модифицированная внутренняя конструкция. угол контакта α=30. без отверстия для заполнения. |
| 3314-BD-XL | ISO | Серия X-Life премиум-класс. увеличиный срок службы. Модифицированная внутренняя конструкция. угол контакта α=30. без отверстия для заполнения. |
| 3314 2RS C3 | ISO | Внутренний зазор больше нормального. Резиновые уплотнения с каждой стороны подшипника. |
| 3314-BD-2Z-TVH-L140-C3 | ISO | Внутренний зазор больше нормального. Щиты с обеих сторон подшипника. Формованный полиамидный сепаратор защелкивающегося типа. (Segment Lubrication. Code 2)High Temperature Grease. -20 To +150°C. Модифицированная внутренняя конструкция. угол контакта α=30. без отверстия для заполнения. |
| 3314C.M | ISO | 15° Угол контакта. Твердый латунный сепаратор. Шариковые направляющие. |
| 3314-DA | ISO | Шарикоподшипник двухрядный с разъемным внутренним кольцом. |
| 3314ANR | ISO | Двухрядный радиально-упорный шарикоподшипник без отверстия для смазки. Канавка под стопорное кольцо на наружном кольце с соответствующим стопорным кольцом. |
| 3314DA.MA | ISO | Механически обработанный латунный сепаратор. Центрирование по внешнему кольцу. Шарикоподшипник двухрядный с разъемным внутренним кольцом. |
| 3314B | ISO | Шарикоподшипник радиально-упорный. Двухрядный. С заправочными пазами. |
| 3314-BD-XL-TVH-C3 | ISO | Внутренний зазор больше нормального. Серия X-Life премиум-класс. увеличиный срок службы. Литой полиамидный сепаратор (PA66). защелкивающийся. Модифицированная внутренняя конструкция. угол контакта α=30. без отверстия для заполнения. |
| 3314-BD-TVH-C3 | ISO | Внутренний зазор больше нормального. Литой полиамидный сепаратор (PA66). защелкивающийся. Модифицированная внутренняя конструкция. угол контакта α=30. без отверстия для заполнения. |
| 3314-Z | ISO | щит из листовой прессованной стали с одной стороны подшипника. |
| 3314B J30 | ISO | Шарикоподшипник радиально-упорный. Двухрядный. С заправочными пазами. Радиальный внутренний зазор больше нормального. |
| 3314JC3 | ISO | Внутренний зазор больше нормального. Сепаратор из стали. |
| 3314BC4 | ISO | Внутренний зазор подшипника больше. чем C3. Шарикоподшипник радиально-упорный. Двухрядный. С заправочными пазами. |
| 5314 | ГОСТ | Подшипник шариковый двухрядный радиально-упорный. |
Аналог шарикового подшипника 5314A — это подшипник такого же размера dx70,Dx150,Bx63, типа и конструкции.
| Обозначение | Конструктивные особенности | Внутренний (d) | Наружный (D) | Ширина (B) |
|---|---|---|---|---|
| 63314ZZ/2AS | Подшипник однорядный шариковый радиальный. Защитные металлические шайбы с обеих сторон. LUBRICANT. SHELL OIL CO.. ALVANIA #2 GREASE. MIL-G-18709A. | 70.00 | 150.00 | 63.50 |
| 63314ZZ | Подшипник однорядный шариковый радиальный. Защитные металлические шайбы с обеих сторон. | 70.00 | 150.00 | 63.50 |
| NJ3314 | Роликовый радиальный однорядный подшипник. Штампованный сепаратор из стального листа. Канавка под стопорное кольцо на наружном кольце подшипника. Однорядный цилиндрический роликовый подшипник. Наружное кольцо имеет два борта. | 70.00 | 150.00 | 63.50 |
| NU3314 | Роликовый радиальный однорядный подшипник. Сталь сквозной закалки SUJ2 (японская) и взаимозаменяемость (только для метрических серий). Канавка под стопорное кольцо на наружном кольце подшипника. Однорядные цилиндрические роликоподшипники. Наружное кольцо подшипника имеет два борта. | 70.00 | 150.00 | 63.50 |
| NUP3314 | Роликовый радиальный однорядный подшипник. Канавка под стопорное кольцо на наружном кольце подшипника. Точность размеров примерно соответствует классу точности Р4. Однорядный цилиндрический роликовый подшипник. Наружное кольцо имеет два борта. | 70.00 | 150.00 | 63.50 |
| BT1-0084/Q | Роликовый радиальный-упорный однорядный подшипник. Оптимизированная геометрия и специальная обработка контактных поверхностей. | 70.00 | 150.00 | 64.00 |
| 3314 A-2Z/MT33 | Шариковый радиально-упорный однорядный подшипник. Измененная или модифицированная внутренняя конструкция при неизменных основных размерах. Защитные металлические шайбы с обеих сторон подшипника. Lithium Grease. Medium Temp. 74 cSt @ 40°C. -30°C/+120°C. A Two-Figure Number Following MT Identifies The Actual Grease. An Additional Letter Or Letter/Figure Combination As Mentioned Under HT Identifies Filling Degrees Other Than Standard. Examples/ MT33 Or MT37F9. | 70.00 | 150.00 | 63.50 |
| 3314A-2Z | Шариковый радиально-упорный двухрядный подшипник. Измененная или модифицированная внутренняя конструкция при неизменных основных размерах. Защитные металлические шайбы с обеих сторон подшипника. | 70.00 | 150.00 | 63.50 |
| 3314 ZZ | Шариковый радиально-упорный двухрядный подшипник. Защитные металлические шайбы (бесконтактные уплотнения) с обеих сторон подшипника. | 70.00 | 150.00 | 63.50 |
| 63314-2RS | Шариковый радиальный однорядный подшипник. Резиновые уплотнения с каждой стороны подшипника. | 70.00 | 150.00 | 63.50 |
| 63314LLB | Шариковый радиальный однорядный подшипник. Уплотнение бесконтактного типа из синтетического каучука. | 70.00 | 150.00 | 63.50 |
| 53414-MP | Шариковый упорный однорядный подшипник. Массивный латунный сепаратор. центрированный по телам качения. | 70.00 | 150.00 | 63.60 |
| 53414-MP+U414 | Шариковый упорный однорядный подшипник. Массивный латунный сепаратор. центрированный по телам качения. | 70.00 | 150.00 | 63.60 |
| 53414M+U414 | Шариковый упорный однорядный подшипник. Подшипник с латунным сепаратором. центрированный по телам качения. | 70.00 | 150.00 | 63.60 |
| 53414 M U | Шариковый упорный однорядный подшипник. Подшипник с латунным сепаратором. центрированный по телам качения. Универсальный одиночный подшипник. | 70.00 | 150.00 | 63.60 |
Способы доставки
Отправка через ведущие транспортные и курьерские компании: ПЭК, Деловые Линии, СДЭК, Байкал-Сервис, Энергия, КИТ, ЖелДорЭкспедиция.
Самовывоз возможен напрямую со склада в Москве.
Сроки доставки
Срок зависит от региона и выбранной транспортной компании. Все заказы комплектуются и отправляются в кратчайшие сроки со склада в Москве.
Надёжность и сохранность
Вся продукция упаковывается с учётом требований транспортировки. Мы гарантируем, что подшипники и комплектующие прибудут к заказчику в полной сохранности.
Доставка в страны ЕАЭС
Мы работаем с проверенными логистическими партнёрами, что позволяет оперативно доставлять заказы в Беларусь, Казахстан, Армению и другие страны ЕАЭС.
Варианты оплаты:
Минимальная сумма заказа и скидки:
Документы и гарантии:
Да, конечно! Наши технические специалисты готовы помочь вам с подбором точного аналога или замены подшипника. Просто позвоните нам по телефону +7 (495) 104-99-04 или напишите на почту zakaz@podsnab.ru.
Для оперативной консультации подготовьте, пожалуйста, имеющиеся данные: маркировку, размеры, тип оборудования или артикул старого подшипника.
Да, конечно! Мы высоко ценим долгосрочное сотрудничество и доверие клиентов по всей России. Для постоянных клиентов действует персональная система скидок.
Условия формируются индивидуально и зависят от:
Чтобы узнать свои условия и получить максимально выгодное предложение, свяжитесь с персональным менеджером или напишите нам на почту zakaz@podsnab.ru.
Вы можете оформить заказ несколькими способами:
Для оформления заказа от юридического лица свяжитесь с нашим отделом по работе с корпоративными клиентами по телефону +7 (495) 104-99-04 или напишите на email zakaz@podsnab.ru, прикрепив реквизиты вашей организации.
Мы оперативно подготовим коммерческое предложение и выставим счет.
Возврат товара надлежащего качества возможен в течение 10 дней с момента получения, если товар не был в употреблении, сохранен товарный вид, упаковка не вскрывалась и присутствуют все сопроводительные документы.
Возврат денежных средств осуществляется в течение 10 рабочих дней после проверки товара складом.
В соответствии с законодательством возврату не подлежат подшипники надлежащего качества, если отсутствует оригинальная упаковка или имеются следы монтажа.
В случае выявления брака или гарантийного случая мы гарантируем возврат или обмен товара.
Да, гарантийный срок хранения устанавливается заводом-изготовителем и в среднем составляет 2 года при соблюдении условий хранения: сухое помещение, оригинальная упаковка и смазка.
Точный срок для конкретного типа подшипника уточняйте у наших менеджеров.
Пн–Пт: с 8:00 до 17:00 (МСК).
Сб–Вс: выходные дни.
Заказы на сайте принимаются круглосуточно. Заявки, поступившие после окончания рабочего дня, обрабатываются на следующий рабочий день.
Минимальная сумма заказа для доставки составляет 3000 рублей. Самовывоз со склада возможен на любую сумму при наличии товара.
ООО «УралТехГрупп»
ИНН: 7415093830
КПП: 772401001
ОГРН: 1167456069021
Банк: ПАО Сбербанк
Р/с: 40702810838000475273
К/с: 30101810400000000225
БИК: 044525225
У подшипника 5314A пока нет отзывов. Вы можете стать первым покупателем, поделившимся своим мнением.