Поиск подшипника
Статьи
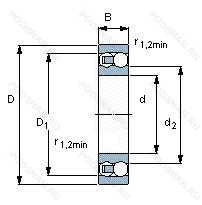
2214SK — Подшипник шариковый двухрядный самоустанавливающийся, модификация основного исполнения 2214, производство NTN.
Размер подшипника: 70x125x31 мм.
Кулачковый толкатель штифтового типа. с шестигранной головкой.
Аналоги: 2214K FAG,2214K Steyr,11LLJ CBF,11AAJK RIV,2214K NTN,2214K ZKL.
Международная стандартизации ISO
2214SK
В наличии
| Обозначение | Конструктивные изменения |
|---|---|
| 2214TV | Прочный сепаратор из полиамида. армированного стекловолокном. |
| 2214-2RS1/TN9 | Литой защелкивающийся сепаратор из полиамида. армированного стекловолокном 6.6. Усиленные листовой сталью контактные уплотнения из акрилонитрил-бутадиенового каучука (NBR) с обеих сторон подшипника. |
| 2214KJ C3 | Внутренний зазор больше нормального. Коническое отверстие 1/12. Сепаратор из стали. |
| 2214MEC3 | Внутренний зазор больше нормального. Шарикоподшипник. Однорядный электродвигатель. Уровень шума. Механически обработанный латунный сепаратор .Расположенный на элементах качения. |
| 2214-2RS1 | Усиленные листовой сталью контактные уплотнения из акрилонитрил-бутадиенового каучука (NBR) с обеих сторон подшипника. |
| 2214J30 | Внутренний зазор больше нормального. |
| 2214KTN9 | Коническое отверстие. конус 1/12. Литой защелкивающийся сепаратор из полиамида. армированного стекловолокном 6.6. |
| 2214TN9 | Литой сепаратор из полиамида 6.6. армированного стекловолокном. Элемент качения по центру. |
| 2214S C3 | Прессованный стальной сепаратор. Внутренний зазор больше нормального. |
| 2214A12 | Осевой люфт в микронах. |
| 2214K J30 | Коническое отверстие. конус 1/12. Внутренний зазор больше нормального. |
| 2214EK/C1 | Коническое отверстие. конус 1/12. Оптимизированная внутренняя конструкция. Радиальный зазор меньше. чем C2. |
| 2214E-2RS1TN9/C3 | Внутренний зазор больше нормального. Литой защелкивающийся сепаратор из полиамида. армированного стекловолокном 6.6. Оптимизированная внутренняя конструкция. Усиленные листовой сталью контактные уплотнения из акрилонитрил-бутадиенового каучука (NBR) с обеих сторон подшипника. |
| 2214E-2RS1TN9 | Литой защелкивающийся сепаратор из полиамида. армированного стекловолокном 6.6. Оптимизированная внутренняя конструкция. Усиленные листовой сталью контактные уплотнения из акрилонитрил-бутадиенового каучука (NBR) с обеих сторон подшипника. |
| 2214K.2RSR.C3 | Внутренний зазор больше нормального. Коническое отверстие. конус 1/12. Резиновые уплотнения с каждой стороны подшипника. |
| BS2-2214-2CSK/VT143 | Заполнение пластичной смазкой SKF LGEP 2 на 25–35 %. Высокая осевая жесткость и грузоподъемность.. |
| NJ 2214 ECML | Однорядный цилиндрический роликовый подшипник. |
| NU 2214 ECML | Однорядный цилиндрический роликовый подшипник. |
| NU 2214 ECM | Однорядный цилиндрический роликовый подшипник. |
| NUP 2214 ECM | Однорядный цилиндрический роликовый подшипник. |
| NUP 2214 ECML | Однорядный цилиндрический роликовый подшипник. |
| 2214K+H314 | Коническое внутреннее отверстие. |
| 2214S | Запечатанная версия кулачкового ролика. Только для внутреннего и наружного колец. |
| NJ 2214 ECM | Однорядный цилиндрический роликовый подшипник. |
| NUP 2214 ECNM | Однорядный цилиндрический роликовый подшипник. |
Модификации самоцентрирующегося шарикового подшипника 2214SK — это измененное основное конструктивное исполнение 2214, основные размеры (70x125x31) не отличаются.
| Обозначение | Гост | Конструктивные особенности |
|---|---|---|
| 11AAJ | ISO | ETN9 (SKF). |
| 11AAJK | ISO | Коническое отверстие. конус 1/12. |
Аналог самоцентрирующегося шарикового подшипника 2214SK — это подшипник такого же размера dx70,Dx125,Bx31, типа и конструкции.
| Обозначение | Конструктивные особенности | Внутренний (d) | Наружный (D) | Ширина (B) |
|---|---|---|---|---|
| NU2214R | Роликовый радиальный цилиндрический однорядный подшипник. С выпуклыми асимметричными роликами и обработанным сепаратором. | 70.00 | 125.00 | 31.00 |
| NUP2214R | Роликовый радиальный цилиндрический однорядный подшипник. С выпуклыми асимметричными роликами и обработанным сепаратором. | 70.00 | 125.00 | 31.00 |
| 22214EX | Роликовый радиальный сферический двухрядный подшипник. Optimized Inner Construction - Extreme Quality F. Extreme Requirements. | 70.00 | 125.00 | 31.00 |
| 22214AEX | Роликовый радиальный сферический двухрядный подшипник. Высокоскоростной и высокопроизводительный сферический роликоподшипник. | 70.00 | 125.00 | 31.00 |
| NJ2214-E-MPA | Роликовый радиальный однорядный подшипник. Повышенная грузоподъемность. Твердый латунный сепаратор. | 70.00 | 125.00 | 31.00 |
| NJ2214-E-TVP3 | Роликовый радиальный однорядный подшипник. Повышенная грузоподъемность. Цельный сепаратор из полиамида PA66-GF25. сепаратор оконного типа. направляемый телами качения. | 70.00 | 125.00 | 31.00 |
| NJ2214-E-MPA+HJ2214-E | Роликовый радиальный однорядный подшипник. Повышенная грузоподъемность. Твердый латунный сепаратор. | 70.00 | 125.00 | 31.00 |
| NJ2214-E-MA6 | Роликовый радиальный однорядный подшипник. Повышенная грузоподъемность. Изготовленный из двух частей латунный сепаратор. Центрирование по внешнему кольцу. Различные конструкции или сорта материалов обозначаются цифрой или буквой.. | 70.00 | 125.00 | 31.00 |
| NJ2214-E-MA6+HJ2214-E | Роликовый радиальный однорядный подшипник. Повышенная грузоподъемность. Изготовленный из двух частей латунный сепаратор. Центрирование по внешнему кольцу. Различные конструкции или сорта материалов обозначаются цифрой или буквой.. | 70.00 | 125.00 | 31.00 |
| NJ2214-E-M6+HJ2214-E | Роликовый радиальный однорядный подшипник. Повышенная грузоподъемность. 20-28 UM (C3 & C4). | 70.00 | 125.00 | 31.00 |
| NJ2214-E-TVP3+HJ2214-E | Роликовый радиальный однорядный подшипник. Повышенная грузоподъемность. Цельный сепаратор из полиамида PA66-GF25. сепаратор оконного типа. направляемый телами качения. | 70.00 | 125.00 | 31.00 |
| NU2214-E-MA6 | Роликовый радиальный однорядный подшипник. Повышенная грузоподъемность. Изготовленный из двух частей латунный сепаратор. Центрирование по внешнему кольцу. Различные конструкции или сорта материалов обозначаются цифрой или буквой.. | 70.00 | 125.00 | 31.00 |
| NU2214-E-MPA | Роликовый радиальный однорядный подшипник. Повышенная грузоподъемность. Твердый латунный сепаратор. | 70.00 | 125.00 | 31.00 |
| NU2214-E-M6 | Роликовый радиальный однорядный подшипник. Повышенная грузоподъемность. 20-28 UM (C3 & C4). | 70.00 | 125.00 | 31.00 |
| 92514-М | Роликовый радиальный подшипник. Модифицированный контакт.. | 70.00 | 125.00 | 31.00 |
Способы доставки
Отправка через ведущие транспортные и курьерские компании: ПЭК, Деловые Линии, СДЭК, Байкал-Сервис, Энергия, КИТ, ЖелДорЭкспедиция.
Самовывоз возможен напрямую со склада в Москве.
Сроки доставки
Срок зависит от региона и выбранной транспортной компании. Все заказы комплектуются и отправляются в кратчайшие сроки со склада в Москве.
Надёжность и сохранность
Вся продукция упаковывается с учётом требований транспортировки. Мы гарантируем, что подшипники и комплектующие прибудут к заказчику в полной сохранности.
Доставка в страны ЕАЭС
Мы работаем с проверенными логистическими партнёрами, что позволяет оперативно доставлять заказы в Беларусь, Казахстан, Армению и другие страны ЕАЭС.
Варианты оплаты:
Минимальная сумма заказа и скидки:
Документы и гарантии:
Да, конечно! Наши технические специалисты готовы помочь вам с подбором точного аналога или замены подшипника. Просто позвоните нам по телефону +7 (495) 104-99-04 или напишите на почту zakaz@podsnab.ru.
Для оперативной консультации подготовьте, пожалуйста, имеющиеся данные: маркировку, размеры, тип оборудования или артикул старого подшипника.
Да, конечно! Мы высоко ценим долгосрочное сотрудничество и доверие клиентов по всей России. Для постоянных клиентов действует персональная система скидок.
Условия формируются индивидуально и зависят от:
Чтобы узнать свои условия и получить максимально выгодное предложение, свяжитесь с персональным менеджером или напишите нам на почту zakaz@podsnab.ru.
Вы можете оформить заказ несколькими способами:
Для оформления заказа от юридического лица свяжитесь с нашим отделом по работе с корпоративными клиентами по телефону +7 (495) 104-99-04 или напишите на email zakaz@podsnab.ru, прикрепив реквизиты вашей организации.
Мы оперативно подготовим коммерческое предложение и выставим счет.
Возврат товара надлежащего качества возможен в течение 10 дней с момента получения, если товар не был в употреблении, сохранен товарный вид, упаковка не вскрывалась и присутствуют все сопроводительные документы.
Возврат денежных средств осуществляется в течение 10 рабочих дней после проверки товара складом.
В соответствии с законодательством возврату не подлежат подшипники надлежащего качества, если отсутствует оригинальная упаковка или имеются следы монтажа.
В случае выявления брака или гарантийного случая мы гарантируем возврат или обмен товара.
Да, гарантийный срок хранения устанавливается заводом-изготовителем и в среднем составляет 2 года при соблюдении условий хранения: сухое помещение, оригинальная упаковка и смазка.
Точный срок для конкретного типа подшипника уточняйте у наших менеджеров.
Пн–Пт: с 8:00 до 17:00 (МСК).
Сб–Вс: выходные дни.
Заказы на сайте принимаются круглосуточно. Заявки, поступившие после окончания рабочего дня, обрабатываются на следующий рабочий день.
Минимальная сумма заказа для доставки составляет 3000 рублей. Самовывоз со склада возможен на любую сумму при наличии товара.
ООО «УралТехГрупп»
ИНН: 7415093830
КПП: 772401001
ОГРН: 1167456069021
Банк: ПАО Сбербанк
Р/с: 40702810838000475273
К/с: 30101810400000000225
БИК: 044525225
У подшипника 2214SK пока нет отзывов. Вы можете стать первым покупателем, поделившимся своим мнением.