Поиск подшипника
Статьи
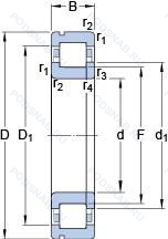
NUP 2214 ECNM — Роликовый радиальный однорядный подшипник, модификация основного исполнения 2214, производство SKF.
Размер подшипника: 70x125x31 мм.
Однорядный цилиндрический роликоподшипник. Наружное кольцо имеет два борта, внутреннее — один борт и одно свободное фланцевое кольцо. Основные размеры по DIN 5412-1, относится к подтипу фиксированные подшипники, разъемные, с сепаратором.
Международная стандартизации ISO
NUP2214ECNM
В наличии
| Обозначение | Конструктивные изменения |
|---|---|
| 2214TV | Прочный сепаратор из полиамида. армированного стекловолокном. |
| 2214-2RS1/TN9 | Литой защелкивающийся сепаратор из полиамида. армированного стекловолокном 6.6. Усиленные листовой сталью контактные уплотнения из акрилонитрил-бутадиенового каучука (NBR) с обеих сторон подшипника. |
| 2214KJ C3 | Внутренний зазор больше нормального. Коническое отверстие 1/12. Сепаратор из стали. |
| 2214MEC3 | Внутренний зазор больше нормального. Шарикоподшипник. Однорядный электродвигатель. Уровень шума. Механически обработанный латунный сепаратор .Расположенный на элементах качения. |
| 2214-2RS1 | Усиленные листовой сталью контактные уплотнения из акрилонитрил-бутадиенового каучука (NBR) с обеих сторон подшипника. |
| 2214J30 | Внутренний зазор больше нормального. |
| 2214KTN9 | Коническое отверстие. конус 1/12. Литой защелкивающийся сепаратор из полиамида. армированного стекловолокном 6.6. |
| 2214TN9 | Литой сепаратор из полиамида 6.6. армированного стекловолокном. Элемент качения по центру. |
| 2214S C3 | Прессованный стальной сепаратор. Внутренний зазор больше нормального. |
| 2214A12 | Осевой люфт в микронах. |
| 2214K J30 | Коническое отверстие. конус 1/12. Внутренний зазор больше нормального. |
| 2214EK/C1 | Коническое отверстие. конус 1/12. Оптимизированная внутренняя конструкция. Радиальный зазор меньше. чем C2. |
| 2214E-2RS1TN9/C3 | Внутренний зазор больше нормального. Литой защелкивающийся сепаратор из полиамида. армированного стекловолокном 6.6. Оптимизированная внутренняя конструкция. Усиленные листовой сталью контактные уплотнения из акрилонитрил-бутадиенового каучука (NBR) с обеих сторон подшипника. |
| 2214E-2RS1TN9 | Литой защелкивающийся сепаратор из полиамида. армированного стекловолокном 6.6. Оптимизированная внутренняя конструкция. Усиленные листовой сталью контактные уплотнения из акрилонитрил-бутадиенового каучука (NBR) с обеих сторон подшипника. |
| 2214SK | Кулачковый толкатель штифтового типа. С шестигранной головкой. |
| 2214K.2RSR.C3 | Внутренний зазор больше нормального. Коническое отверстие. конус 1/12. Резиновые уплотнения с каждой стороны подшипника. |
| BS2-2214-2CSK/VT143 | Заполнение пластичной смазкой SKF LGEP 2 на 25–35 %. Высокая осевая жесткость и грузоподъемность.. |
| NJ 2214 ECML | Однорядный цилиндрический роликовый подшипник. |
| NU 2214 ECML | Однорядный цилиндрический роликовый подшипник. |
| NU 2214 ECM | Однорядный цилиндрический роликовый подшипник. |
| NUP 2214 ECM | Однорядный цилиндрический роликовый подшипник. |
| NUP 2214 ECML | Однорядный цилиндрический роликовый подшипник. |
| 2214K+H314 | Коническое внутреннее отверстие. |
| 2214S | Запечатанная версия кулачкового ролика. Только для внутреннего и наружного колец. |
| NJ 2214 ECM | Однорядный цилиндрический роликовый подшипник. |
Модификации роликового подшипника NUP 2214 ECNM — это измененное основное конструктивное исполнение 2214, основные размеры (70x125x31) не отличаются.
| Обозначение | Гост | Конструктивные особенности |
|---|---|---|
| NUP2214-E-TVP3 | ISO | Повышенная грузоподъемность. Цельный сепаратор из полиамида PA66-GF25. сепаратор оконного типа. направляемый телами качения. |
| NUP2214-E-MA6 | ISO | Повышенная грузоподъемность. Изготовленный из двух частей латунный сепаратор. Центрирование по внешнему кольцу. Различные конструкции или сорта материалов обозначаются цифрой или буквой.. |
| NUP2214-E-MPA | ISO | Повышенная грузоподъемность. Твердый латунный сепаратор. |
| NUP2214-E-M6 | ISO | Повышенная грузоподъемность. 20-28 UM (C3 & C4). |
| NJ2214 ET | ISO | Сквозная закалка и шлифовка стали с переломом в одной точке. |
| 92514 | ГОСТ | Роликовый радиальный однорядный подшипник. |
| 23514-КЛ | ГОСТ | Сепаратор из латуни.. |
| NH2214 E | ISO | Повышенная грузоподъемность. |
| NH2214 | ISO | Канавка под стопорное кольцо на наружном кольце подшипника. |
| NJ2214R | ISO | С выпуклыми асимметричными роликами и обработанным сепаратором. |
| NJ2214-E-MPA | ISO | Повышенная грузоподъемность. Твердый латунный сепаратор. |
| NJ2214-E-TVP3 | ISO | Повышенная грузоподъемность. Цельный сепаратор из полиамида PA66-GF25. сепаратор оконного типа. направляемый телами качения. |
| NJ2214-E-MPA+HJ2214-E | ISO | Повышенная грузоподъемность. Твердый латунный сепаратор. |
| NJ2214-E-MA6 | ISO | Повышенная грузоподъемность. Изготовленный из двух частей латунный сепаратор. Центрирование по внешнему кольцу. Различные конструкции или сорта материалов обозначаются цифрой или буквой.. |
| NJ2214-E-MA6+HJ2214-E | ISO | Повышенная грузоподъемность. Изготовленный из двух частей латунный сепаратор. Центрирование по внешнему кольцу. Различные конструкции или сорта материалов обозначаются цифрой или буквой.. |
| NJ2214-E-M6+HJ2214-E | ISO | Повышенная грузоподъемность. 20-28 UM (C3 & C4). |
| NJ2214-E-TVP3+HJ2214-E | ISO | Повышенная грузоподъемность. Цельный сепаратор из полиамида PA66-GF25. сепаратор оконного типа. направляемый телами качения. |
| NU2214-E-MA6 | ISO | Повышенная грузоподъемность. Изготовленный из двух частей латунный сепаратор. Центрирование по внешнему кольцу. Различные конструкции или сорта материалов обозначаются цифрой или буквой.. |
| NU2214-E-MPA | ISO | Повышенная грузоподъемность. Твердый латунный сепаратор. |
| NU2214-E-M6 | ISO | Повышенная грузоподъемность. 20-28 UM (C3 & C4). |
Аналог роликового подшипника NUP 2214 ECNM — это подшипник такого же размера dx70,Dx125,Bx31, типа и конструкции.
| Обозначение | Конструктивные особенности | Внутренний (d) | Наружный (D) | Ширина (B) |
|---|---|---|---|---|
| 22214-E-W33 | Роликовый радиальный сферический двухрядный подшипник. Канавка для смазки и три отверстия во внешнем кольце подшипника. Повышенная грузоподъемность. | 70.00 | 125.00 | 31.00 |
| LH-22214EK | Роликовый радиальный сферический двухрядный подшипник. | 70.00 | 125.00 | 31.00 |
| LH-22214E | Роликовый радиальный сферический двухрядный подшипник. Повышенная грузоподъемность. | 70.00 | 125.00 | 31.00 |
| LH-22214B | Роликовый радиальный сферический двухрядный подшипник. Конический роликовый подшипник. Угол контакта 20 градусов. | 70.00 | 125.00 | 31.00 |
| 22214 KCW33+H314 | Роликовый радиальный сферический двухрядный подшипник. Кольцевая канавка и три отверстия для смазывания в наружном кольце подшипника. Коническое внутреннее отверстие. | 70.00 | 125.00 | 31.00 |
| 22214 KCW33+AH314 | Роликовый радиальный сферический двухрядный подшипник. Кольцевая канавка и три отверстия для смазывания в наружном кольце подшипника. Коническое внутреннее отверстие. | 70.00 | 125.00 | 31.00 |
| 3007214А | Роликовый радиальный-упорный однорядный подшипник. Повышенная грузоподъемность. | 70.00 | 125.00 | 32.00 |
| 3067214А | Роликовый радиальный-упорный однорядный подшипник. Повышенная грузоподъемность. | 70.00 | 125.00 | 32.00 |
| NCF2214-V | Роликовый радиальный цилиндрический однорядный подшипник. Бессепараторный подшипник. Однорядный без сепараторный цилиндрический роликовый подшипник. Два борта на внутреннем кольце и один борт на наружном. | 70.00 | 125.00 | 31.00 |
| NJ2214-E-TVP2 + HJ2214-E | Роликовый радиальный цилиндрический однорядный подшипник. Повышенная грузоподъемность. Твердый сепаратор оконного типа из армированного стекловолокном полиамида. | 70.00 | 125.00 | 31.00 |
| NU2214R | Роликовый радиальный цилиндрический однорядный подшипник. С выпуклыми асимметричными роликами и обработанным сепаратором. | 70.00 | 125.00 | 31.00 |
| NUP2214R | Роликовый радиальный цилиндрический однорядный подшипник. С выпуклыми асимметричными роликами и обработанным сепаратором. | 70.00 | 125.00 | 31.00 |
| 22214EX | Роликовый радиальный сферический двухрядный подшипник. Optimized Inner Construction - Extreme Quality F. Extreme Requirements. | 70.00 | 125.00 | 31.00 |
| 22214AEX | Роликовый радиальный сферический двухрядный подшипник. Высокоскоростной и высокопроизводительный сферический роликоподшипник. | 70.00 | 125.00 | 31.00 |
| 92514-М | Роликовый радиальный подшипник. Модифицированный контакт.. | 70.00 | 125.00 | 31.00 |
Способы доставки
Отправка через ведущие транспортные и курьерские компании: ПЭК, Деловые Линии, СДЭК, Байкал-Сервис, Энергия, КИТ, ЖелДорЭкспедиция.
Самовывоз возможен напрямую со склада в Москве.
Сроки доставки
Срок зависит от региона и выбранной транспортной компании. Все заказы комплектуются и отправляются в кратчайшие сроки со склада в Москве.
Надёжность и сохранность
Вся продукция упаковывается с учётом требований транспортировки. Мы гарантируем, что подшипники и комплектующие прибудут к заказчику в полной сохранности.
Доставка в страны ЕАЭС
Мы работаем с проверенными логистическими партнёрами, что позволяет оперативно доставлять заказы в Беларусь, Казахстан, Армению и другие страны ЕАЭС.
Варианты оплаты:
Минимальная сумма заказа и скидки:
Документы и гарантии:
Да, конечно! Наши технические специалисты готовы помочь вам с подбором точного аналога или замены подшипника. Просто позвоните нам по телефону +7 (495) 104-99-04 или напишите на почту zakaz@podsnab.ru.
Для оперативной консультации подготовьте, пожалуйста, имеющиеся данные: маркировку, размеры, тип оборудования или артикул старого подшипника.
Да, конечно! Мы высоко ценим долгосрочное сотрудничество и доверие клиентов по всей России. Для постоянных клиентов действует персональная система скидок.
Условия формируются индивидуально и зависят от:
Чтобы узнать свои условия и получить максимально выгодное предложение, свяжитесь с персональным менеджером или напишите нам на почту zakaz@podsnab.ru.
Вы можете оформить заказ несколькими способами:
Для оформления заказа от юридического лица свяжитесь с нашим отделом по работе с корпоративными клиентами по телефону +7 (495) 104-99-04 или напишите на email zakaz@podsnab.ru, прикрепив реквизиты вашей организации.
Мы оперативно подготовим коммерческое предложение и выставим счет.
Возврат товара надлежащего качества возможен в течение 10 дней с момента получения, если товар не был в употреблении, сохранен товарный вид, упаковка не вскрывалась и присутствуют все сопроводительные документы.
Возврат денежных средств осуществляется в течение 10 рабочих дней после проверки товара складом.
В соответствии с законодательством возврату не подлежат подшипники надлежащего качества, если отсутствует оригинальная упаковка или имеются следы монтажа.
В случае выявления брака или гарантийного случая мы гарантируем возврат или обмен товара.
Да, гарантийный срок хранения устанавливается заводом-изготовителем и в среднем составляет 2 года при соблюдении условий хранения: сухое помещение, оригинальная упаковка и смазка.
Точный срок для конкретного типа подшипника уточняйте у наших менеджеров.
Пн–Пт: с 8:00 до 17:00 (МСК).
Сб–Вс: выходные дни.
Заказы на сайте принимаются круглосуточно. Заявки, поступившие после окончания рабочего дня, обрабатываются на следующий рабочий день.
Минимальная сумма заказа для доставки составляет 3000 рублей. Самовывоз со склада возможен на любую сумму при наличии товара.
ООО «УралТехГрупп»
ИНН: 7415093830
КПП: 772401001
ОГРН: 1167456069021
Банк: ПАО Сбербанк
Р/с: 40702810838000475273
К/с: 30101810400000000225
БИК: 044525225
У подшипника NUP 2214 ECNM пока нет отзывов. Вы можете стать первым покупателем, поделившимся своим мнением.