Поиск подшипника
Статьи
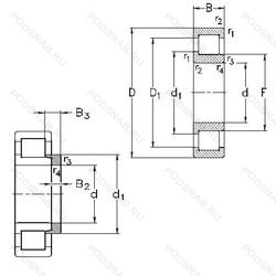
NJ2214-E-TVP3+HJ2214-E — Роликовый радиальный однорядный подшипник, модификация основного исполнения NJ2214, производство NKE.
Размер подшипника: 70x125x31 мм.
Однорядный цилиндрический роликоподшипник. Наружное кольцо имеет два борта, наружное — один борт, цельный сепаратор из полиамида pa66-gf25. сепаратор оконного типа. направляемый телами качения, повышенная грузоподъемность.
Международная стандартизации ISO
NJ2214ETVP3HJ2214E
В наличии
| Обозначение | Конструктивные изменения |
|---|---|
| NJ2214-E-TVP2-C3 | Внутренний зазор больше нормального. Повышенная грузоподъемность. Cепаратор изготовленный из полиамида PA66. армированного стекловолокном. |
| NJ2214ECP | Оптимизированная внутренняя конструкция предусматривает увеличенное количество роликов и/или ролики большего размера с улучшенными условиями контакта торцов роликов с бортами внутреннего кольца. Сепаратор из стеклонаполненного полиамида PA66. центрируемый по роликам. Однорядный цилиндрический роликовый подшипник. |
| NJ2214-E-M1A-C3 | Внутренний зазор больше нормального. Повышенная грузоподъемность. Массивный латунный сепаратор. двухтельный. центрированный по бортам. |
| NJ2214EC | Оптимизированная внутренняя конструкция предусматривает увеличенное количество роликов и/или ролики большего размера с улучшенными условиями контакта торцов роликов с бортами внутреннего кольца. |
| NJ2214ECML/C3 | Внутренний зазор больше нормального. Оптимизированная внутренняя конструкция предусматривает увеличенное количество роликов и/или ролики большего размера с улучшенными условиями контакта торцов роликов с бортами внутреннего кольца. Механически обработанный латунный сепаратор. оконного типа. центрируемый по внутреннему или наружному кольцу в зависимости от типа подшипника. |
| NJ2214-E-XL-MPAX-C3 | Внутренний зазор больше нормального. Повышенная грузоподъемность. Серия X-Life премиум-класс. увеличиный срок службы. Ребристый однокомпонентный цельнолатунный сепаратор является дальнейшим развитием сепараторов FAG типов MPA и MP1A и будет последовательно заменять эти типы. Он обладает большей прочностью по отношению к ударным нагрузкам и вибрациям. чем его предшественники. и особенно хорошо подходит для применения в условиях высоких нагрузок. |
| NJ2214-E-N1-MPAX-C3-H144 | Внутренний зазор больше нормального. Повышенная грузоподъемность. Один установочный паз на внешней кромке наружного кольца (для радиального расположения подшипника). Требования к точности железнодорожных подшипников для Siemens. Ребристый однокомпонентный цельнолатунный сепаратор является дальнейшим развитием сепараторов FAG типов MPA и MP1A и будет последовательно заменять эти типы. Он обладает большей прочностью по отношению к ударным нагрузкам и вибрациям. чем его предшественники. и особенно хорошо подходит для применения в условиях высоких нагрузок. |
| NJ2214C3 | Внутренний зазор больше нормального. |
| NJ2214ZS | Цилиндрический роликоподшипник. Взаимозаменяемые уменьшенные радиальные зазоры в пределах ограниченной группы зазоров. В соответствии с DIN43283. |
| NJ2214E B M6 C3 SQ52 | Внутренний зазор больше нормального. Повышенная грузоподъемность. Свободный ход шариков. Цельный латунный сепаратор с роликовыми направляющими для цилиндрических роликоподшипников. Оптимизированное исполнение для высоких осевых нагрузок. |
| NJ2214ET2 | Увеличенная грузоподъёмность. Сепаратор из полиамида. армированного стекловолокном. |
| NJ2214E C3 | Внутренний зазор больше нормального. Повышенная грузоподъемность. |
| NJ2214W C3 | Внутренний зазор больше нормального. Цельный прессованный сепаратор. |
| NJ.2214.EG15 | Повышенная грузоподъемность. Литой сепаратор из полиамида 6.6. армированного стекловолокном. Элемент качения по центру. |
| NJ2214E TGP | Цилиндрический роликовый подшипник c увеличенной грузоподъемностью. Формованный полиамидный сепаратор оконного типа. Роликовые тела качения. |
| NJ2214-E-XL-N1-MPAX-C3-H144 | Внутренний зазор больше нормального. Повышенная грузоподъемность. Серия X-Life премиум-класс. увеличиный срок службы. Один установочный паз на внешней кромке наружного кольца (для радиального расположения подшипника). Требования к точности железнодорожных подшипников для Siemens. Ребристый однокомпонентный цельнолатунный сепаратор является дальнейшим развитием сепараторов FAG типов MPA и MP1A и будет последовательно заменять эти типы. Он обладает большей прочностью по отношению к ударным нагрузкам и вибрациям. чем его предшественники. и особенно хорошо подходит для применения в условиях высоких нагрузок. |
| NJ2214 ET | Сквозная закалка и шлифовка стали с переломом в одной точке. |
| NJ2214-E-TVP2 + HJ2214-E | Повышенная грузоподъемность. Твердый сепаратор оконного типа из армированного стекловолокном полиамида. |
| NJ2214R | С выпуклыми асимметричными роликами и обработанным сепаратором. |
| NJ2214-E-MPA | Повышенная грузоподъемность. Твердый латунный сепаратор. |
| NJ2214-E-TVP3 | Повышенная грузоподъемность. Цельный сепаратор из полиамида PA66-GF25. сепаратор оконного типа. направляемый телами качения. |
| NJ2214-E-MPA+HJ2214-E | Повышенная грузоподъемность. Твердый латунный сепаратор. |
| NJ2214-E-MA6 | Повышенная грузоподъемность. Изготовленный из двух частей латунный сепаратор. Центрирование по внешнему кольцу. Различные конструкции или сорта материалов обозначаются цифрой или буквой.. |
| NJ2214-E-MA6+HJ2214-E | Повышенная грузоподъемность. Изготовленный из двух частей латунный сепаратор. Центрирование по внешнему кольцу. Различные конструкции или сорта материалов обозначаются цифрой или буквой.. |
| NJ2214-E-M6+HJ2214-E | Повышенная грузоподъемность. 20-28 UM (C3 & C4). |
Модификации роликового подшипника NJ2214-E-TVP3+HJ2214-E — это измененное основное конструктивное исполнение NJ2214, основные размеры (70x125x31) не отличаются.
| Обозначение | Гост | Конструктивные особенности |
|---|---|---|
| NUP2214-E-TVP3 | ISO | Повышенная грузоподъемность. Цельный сепаратор из полиамида PA66-GF25. сепаратор оконного типа. направляемый телами качения. |
| NUP2214-E-MA6 | ISO | Повышенная грузоподъемность. Изготовленный из двух частей латунный сепаратор. Центрирование по внешнему кольцу. Различные конструкции или сорта материалов обозначаются цифрой или буквой.. |
| NUP2214-E-MPA | ISO | Повышенная грузоподъемность. Твердый латунный сепаратор. |
| NUP2214-E-M6 | ISO | Повышенная грузоподъемность. 20-28 UM (C3 & C4). |
| 2514 | ГОСТ | Роликовый радиальный однорядный подшипник. |
| 23514 | ГОСТ | Роликовый радиальный однорядный подшипник. |
| 32514 | ГОСТ | Роликовый радиальный однорядный подшипник. |
| 42514 | ГОСТ | Роликовый радиальный однорядный подшипник. |
| 92514 | ГОСТ | Роликовый радиальный однорядный подшипник. |
| 23514-КЛ | ГОСТ | Сепаратор из латуни.. |
| NH2214 E | ISO | Повышенная грузоподъемность. |
| NH2214 | ISO | Канавка под стопорное кольцо на наружном кольце подшипника. |
| NU2214-E-MA6 | ISO | Повышенная грузоподъемность. Изготовленный из двух частей латунный сепаратор. Центрирование по внешнему кольцу. Различные конструкции или сорта материалов обозначаются цифрой или буквой.. |
| NU2214-E-MPA | ISO | Повышенная грузоподъемность. Твердый латунный сепаратор. |
| NU2214-E-M6 | ISO | Повышенная грузоподъемность. 20-28 UM (C3 & C4). |
| NJ 2214 ECM | ISO | Однорядный цилиндрический роликовый подшипник. |
| NUP 2214 ECNM | ISO | Однорядный цилиндрический роликовый подшипник. |
Аналог роликового подшипника NJ2214-E-TVP3+HJ2214-E — это подшипник такого же размера dx70,Dx125,Bx31, типа и конструкции.
| Обозначение | Конструктивные особенности | Внутренний (d) | Наружный (D) | Ширина (B) |
|---|---|---|---|---|
| NJ 2214 ECML | Роликовый радиальный цилиндрический однорядный подшипник. Однорядный цилиндрический роликовый подшипник. | 70.00 | 125.00 | 31.00 |
| NU 2214 ECML | Роликовый радиальный цилиндрический однорядный подшипник. Однорядный цилиндрический роликовый подшипник. | 70.00 | 125.00 | 31.00 |
| NU 2214 ECM | Роликовый радиальный цилиндрический однорядный подшипник. Однорядный цилиндрический роликовый подшипник. | 70.00 | 125.00 | 31.00 |
| NUP 2214 ECM | Роликовый радиальный цилиндрический однорядный подшипник. Однорядный цилиндрический роликовый подшипник. | 70.00 | 125.00 | 31.00 |
| NUP 2214 ECML | Роликовый радиальный цилиндрический однорядный подшипник. Однорядный цилиндрический роликовый подшипник. | 70.00 | 125.00 | 31.00 |
| 3007214А | Роликовый радиальный-упорный однорядный подшипник. Повышенная грузоподъемность. | 70.00 | 125.00 | 32.00 |
| 3067214А | Роликовый радиальный-упорный однорядный подшипник. Повышенная грузоподъемность. | 70.00 | 125.00 | 32.00 |
| NCF2214-V | Роликовый радиальный цилиндрический однорядный подшипник. Бессепараторный подшипник. Однорядный без сепараторный цилиндрический роликовый подшипник. Два борта на внутреннем кольце и один борт на наружном. | 70.00 | 125.00 | 31.00 |
| NU2214R | Роликовый радиальный цилиндрический однорядный подшипник. С выпуклыми асимметричными роликами и обработанным сепаратором. | 70.00 | 125.00 | 31.00 |
| NUP2214R | Роликовый радиальный цилиндрический однорядный подшипник. С выпуклыми асимметричными роликами и обработанным сепаратором. | 70.00 | 125.00 | 31.00 |
| 22214EX | Роликовый радиальный сферический двухрядный подшипник. Optimized Inner Construction - Extreme Quality F. Extreme Requirements. | 70.00 | 125.00 | 31.00 |
| 22214AEX | Роликовый радиальный сферический двухрядный подшипник. Высокоскоростной и высокопроизводительный сферический роликоподшипник. | 70.00 | 125.00 | 31.00 |
| 92514-М | Роликовый радиальный подшипник. Модифицированный контакт.. | 70.00 | 125.00 | 31.00 |
| 2214K+H314 | Шариковый сферический двухрядный подшипник. Коническое внутреннее отверстие. | 70.00 | 125.00 | 31.00 |
| 2214S | Шариковый сферический двухрядный подшипник. Запечатанная версия кулачкового ролика. Только для внутреннего и наружного колец. | 70.00 | 125.00 | 31.00 |
Способы доставки
Отправка через ведущие транспортные и курьерские компании: ПЭК, Деловые Линии, СДЭК, Байкал-Сервис, Энергия, КИТ, ЖелДорЭкспедиция.
Самовывоз возможен напрямую со склада в Москве.
Сроки доставки
Срок зависит от региона и выбранной транспортной компании. Все заказы комплектуются и отправляются в кратчайшие сроки со склада в Москве.
Надёжность и сохранность
Вся продукция упаковывается с учётом требований транспортировки. Мы гарантируем, что подшипники и комплектующие прибудут к заказчику в полной сохранности.
Доставка в страны ЕАЭС
Мы работаем с проверенными логистическими партнёрами, что позволяет оперативно доставлять заказы в Беларусь, Казахстан, Армению и другие страны ЕАЭС.
Варианты оплаты:
Минимальная сумма заказа и скидки:
Документы и гарантии:
Да, конечно! Наши технические специалисты готовы помочь вам с подбором точного аналога или замены подшипника. Просто позвоните нам по телефону +7 (495) 104-99-04 или напишите на почту zakaz@podsnab.ru.
Для оперативной консультации подготовьте, пожалуйста, имеющиеся данные: маркировку, размеры, тип оборудования или артикул старого подшипника.
Да, конечно! Мы высоко ценим долгосрочное сотрудничество и доверие клиентов по всей России. Для постоянных клиентов действует персональная система скидок.
Условия формируются индивидуально и зависят от:
Чтобы узнать свои условия и получить максимально выгодное предложение, свяжитесь с персональным менеджером или напишите нам на почту zakaz@podsnab.ru.
Вы можете оформить заказ несколькими способами:
Для оформления заказа от юридического лица свяжитесь с нашим отделом по работе с корпоративными клиентами по телефону +7 (495) 104-99-04 или напишите на email zakaz@podsnab.ru, прикрепив реквизиты вашей организации.
Мы оперативно подготовим коммерческое предложение и выставим счет.
Возврат товара надлежащего качества возможен в течение 10 дней с момента получения, если товар не был в употреблении, сохранен товарный вид, упаковка не вскрывалась и присутствуют все сопроводительные документы.
Возврат денежных средств осуществляется в течение 10 рабочих дней после проверки товара складом.
В соответствии с законодательством возврату не подлежат подшипники надлежащего качества, если отсутствует оригинальная упаковка или имеются следы монтажа.
В случае выявления брака или гарантийного случая мы гарантируем возврат или обмен товара.
Да, гарантийный срок хранения устанавливается заводом-изготовителем и в среднем составляет 2 года при соблюдении условий хранения: сухое помещение, оригинальная упаковка и смазка.
Точный срок для конкретного типа подшипника уточняйте у наших менеджеров.
Пн–Пт: с 8:00 до 17:00 (МСК).
Сб–Вс: выходные дни.
Заказы на сайте принимаются круглосуточно. Заявки, поступившие после окончания рабочего дня, обрабатываются на следующий рабочий день.
Минимальная сумма заказа для доставки составляет 3000 рублей. Самовывоз со склада возможен на любую сумму при наличии товара.
ООО «УралТехГрупп»
ИНН: 7415093830
КПП: 772401001
ОГРН: 1167456069021
Банк: ПАО Сбербанк
Р/с: 40702810838000475273
К/с: 30101810400000000225
БИК: 044525225
У подшипника NJ2214-E-TVP3+HJ2214-E пока нет отзывов. Вы можете стать первым покупателем, поделившимся своим мнением.