Поиск подшипника
Статьи
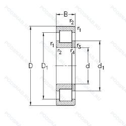
NUP2214-E-MPA — Роликовый радиальный однорядный подшипник, модификация основного исполнения NUP2214, производство NKE.
Размер подшипника: 70x125x31 мм.
Однорядный цилиндрический роликоподшипник. Наружное кольцо имеет два борта, внутреннее — один борт и одно свободное фланцевое кольцо. Основные размеры по DIN 5412-1, относится к подтипу фиксированные подшипники, разъемные, с сепаратором, твердый латунный сепаратор, повышенная грузоподъемность.
Международная стандартизации ISO
NUP2214EMPA
В наличии
| Обозначение | Конструктивные изменения |
|---|---|
| NUP2214 | Сталь сквозной закалки SUJ2 (японская) и взаимозаменяемость (только для метрических серий). Канавка под стопорное кольцо на наружном кольце подшипника. Точность размеров примерно соответствует классу точности Р4. Класс точности 2. Однорядный цилиндрический роликовый подшипник. Наружное кольцо имеет два борта. Основное конструктивное исполнение. |
| NUP2214ET | Сквозная закалка и шлифовка стали с переломом в одной точке. |
| NUP2214-E-M1 | Повышенная грузоподъемность. Механически обработанный латунный сепаратор. вращающийся элемент качения (крестовина на заклепках). |
| NUP2214E TGP | Цилиндрический роликовый подшипник c увеличенной грузоподъемностью. Формованный полиамидный сепаратор оконного типа. Роликовые тела качения. |
| NUP2214TV | Прочный сепаратор из полиамида. армированного стекловолокном. |
| NUP2214-E-XL-M1 | Повышенная грузоподъемность. Серия X-Life премиум-класс. увеличиный срок службы. Механически обработанный латунный сепаратор. вращающийся элемент качения (крестовина на заклепках). |
| NUP2214-E-XL-M1-C3 | Внутренний зазор больше нормального. Повышенная грузоподъемность. Серия X-Life премиум-класс. увеличиный срок службы. Механически обработанный латунный сепаратор. вращающийся элемент качения (крестовина на заклепках). |
| NUP2214-E-XL-TVP2-C3 | Внутренний зазор больше нормального. Повышенная грузоподъемность. Серия X-Life премиум-класс. увеличиный срок службы. Cепаратор изготовленный из полиамида PA66. армированного стекловолокном. |
| NUP2214-E-XL-TVP2 | Повышенная грузоподъемность. Серия X-Life премиум-класс. увеличиный срок службы. Cепаратор изготовленный из полиамида PA66. армированного стекловолокном. |
| NUP2214-E-TVP2-C3 | Внутренний зазор больше нормального. Повышенная грузоподъемность. Cепаратор изготовленный из полиамида PA66. армированного стекловолокном. |
| NUP2214ECP | Оптимизированная внутренняя конструкция предусматривает увеличенное количество роликов и/или ролики большего размера с улучшенными условиями контакта торцов роликов с бортами внутреннего кольца. Сепаратор из стеклонаполненного полиамида PA66. центрируемый по роликам. Однорядный цилиндрический роликовый подшипник. |
| NUP2214-E-TVP2 | Повышенная грузоподъемность. Cепаратор изготовленный из полиамида PA66. армированного стекловолокном. |
| NUP2214C3U | Внутренний зазор больше нормального. Одно ребро. Одно стопорное кольцо в наружном кольце. |
| NUP2214.C3 | Внутренний зазор больше нормального. |
| NUP2214W C3 | Внутренний зазор больше нормального. Цельный прессованный сепаратор. |
| NUP2214ET2 | Увеличенная грузоподъёмность. Сепаратор из полиамида. армированного стекловолокном. |
| NUP2214ET2XU | Повышенная грузоподъемность. Одно ребро. Одно стопорное кольцо в наружном кольце. Полиамидный сепаратор 4.6 для цилиндрических роликоподшипников. |
| NUP2214M | Механически обработанный латунный сепаратор .Расположенный на элементах качения. |
| NUP2214ECP/C3 | Внутренний зазор больше нормального. Оптимизированная внутренняя конструкция предусматривает увеличенное количество роликов и/или ролики большего размера с улучшенными условиями контакта торцов роликов с бортами внутреннего кольца. Сепаратор из стеклонаполненного полиамида PA66. центрируемый по роликам. |
| NUP2214E.M1.C3 | Внутренний зазор больше нормального. Повышенная грузоподъемность. Механически обработанный латунный сепаратор. вращающийся элемент качения (крестовина на заклепках). |
| NUP2214-E-M6-C3 | Внутренний зазор больше нормального. Увеличенная грузоподъёмность. Цельный латунный сепаратор с роликовыми направляющими для цилиндрических роликоподшипников. |
| NUP2214-E-TVP3 | Повышенная грузоподъемность. Цельный сепаратор из полиамида PA66-GF25. сепаратор оконного типа. направляемый телами качения. |
| NUP2214-E-MA6 | Повышенная грузоподъемность. Изготовленный из двух частей латунный сепаратор. Центрирование по внешнему кольцу. Различные конструкции или сорта материалов обозначаются цифрой или буквой.. |
| NUP2214-E-M6 | Повышенная грузоподъемность. 20-28 UM (C3 & C4). |
| NUP2214R | С выпуклыми асимметричными роликами и обработанным сепаратором. |
Модификации роликового подшипника NUP2214-E-MPA — это измененное основное конструктивное исполнение NUP2214, основные размеры (70x125x31) не отличаются.
| Обозначение | Гост | Конструктивные особенности |
|---|---|---|
| NJ2214 ET | ISO | Сквозная закалка и шлифовка стали с переломом в одной точке. |
| 32514 | ГОСТ | Роликовый радиальный однорядный подшипник. |
| 42514 | ГОСТ | Роликовый радиальный однорядный подшипник. |
| 92514 | ГОСТ | Роликовый радиальный однорядный подшипник. |
| 23514-КЛ | ГОСТ | Сепаратор из латуни.. |
| NH2214 E | ISO | Повышенная грузоподъемность. |
| NH2214 | ISO | Канавка под стопорное кольцо на наружном кольце подшипника. |
| NJ2214R | ISO | С выпуклыми асимметричными роликами и обработанным сепаратором. |
| NJ2214-E-MPA | ISO | Повышенная грузоподъемность. Твердый латунный сепаратор. |
| NJ2214-E-TVP3 | ISO | Повышенная грузоподъемность. Цельный сепаратор из полиамида PA66-GF25. сепаратор оконного типа. направляемый телами качения. |
| NJ2214-E-MPA+HJ2214-E | ISO | Повышенная грузоподъемность. Твердый латунный сепаратор. |
| NJ2214-E-MA6 | ISO | Повышенная грузоподъемность. Изготовленный из двух частей латунный сепаратор. Центрирование по внешнему кольцу. Различные конструкции или сорта материалов обозначаются цифрой или буквой.. |
| NJ2214-E-MA6+HJ2214-E | ISO | Повышенная грузоподъемность. Изготовленный из двух частей латунный сепаратор. Центрирование по внешнему кольцу. Различные конструкции или сорта материалов обозначаются цифрой или буквой.. |
| NJ2214-E-M6+HJ2214-E | ISO | Повышенная грузоподъемность. 20-28 UM (C3 & C4). |
| NJ2214-E-TVP3+HJ2214-E | ISO | Повышенная грузоподъемность. Цельный сепаратор из полиамида PA66-GF25. сепаратор оконного типа. направляемый телами качения. |
| NU2214-E-MA6 | ISO | Повышенная грузоподъемность. Изготовленный из двух частей латунный сепаратор. Центрирование по внешнему кольцу. Различные конструкции или сорта материалов обозначаются цифрой или буквой.. |
| NU2214-E-MPA | ISO | Повышенная грузоподъемность. Твердый латунный сепаратор. |
| NU2214-E-M6 | ISO | Повышенная грузоподъемность. 20-28 UM (C3 & C4). |
| NJ 2214 ECM | ISO | Однорядный цилиндрический роликовый подшипник. |
| NUP 2214 ECNM | ISO | Однорядный цилиндрический роликовый подшипник. |
Аналог роликового подшипника NUP2214-E-MPA — это подшипник такого же размера dx70,Dx125,Bx31, типа и конструкции.
| Обозначение | Конструктивные особенности | Внутренний (d) | Наружный (D) | Ширина (B) |
|---|---|---|---|---|
| NJ 2214 ECML | Роликовый радиальный цилиндрический однорядный подшипник. Однорядный цилиндрический роликовый подшипник. | 70.00 | 125.00 | 31.00 |
| NU 2214 ECML | Роликовый радиальный цилиндрический однорядный подшипник. Однорядный цилиндрический роликовый подшипник. | 70.00 | 125.00 | 31.00 |
| NU 2214 ECM | Роликовый радиальный цилиндрический однорядный подшипник. Однорядный цилиндрический роликовый подшипник. | 70.00 | 125.00 | 31.00 |
| NUP 2214 ECM | Роликовый радиальный цилиндрический однорядный подшипник. Однорядный цилиндрический роликовый подшипник. | 70.00 | 125.00 | 31.00 |
| NUP 2214 ECML | Роликовый радиальный цилиндрический однорядный подшипник. Однорядный цилиндрический роликовый подшипник. | 70.00 | 125.00 | 31.00 |
| 3007214А | Роликовый радиальный-упорный однорядный подшипник. Повышенная грузоподъемность. | 70.00 | 125.00 | 32.00 |
| 3067214А | Роликовый радиальный-упорный однорядный подшипник. Повышенная грузоподъемность. | 70.00 | 125.00 | 32.00 |
| NCF2214-V | Роликовый радиальный цилиндрический однорядный подшипник. Бессепараторный подшипник. Однорядный без сепараторный цилиндрический роликовый подшипник. Два борта на внутреннем кольце и один борт на наружном. | 70.00 | 125.00 | 31.00 |
| NJ2214-E-TVP2 + HJ2214-E | Роликовый радиальный цилиндрический однорядный подшипник. Повышенная грузоподъемность. Твердый сепаратор оконного типа из армированного стекловолокном полиамида. | 70.00 | 125.00 | 31.00 |
| NU2214R | Роликовый радиальный цилиндрический однорядный подшипник. С выпуклыми асимметричными роликами и обработанным сепаратором. | 70.00 | 125.00 | 31.00 |
| 22214EX | Роликовый радиальный сферический двухрядный подшипник. Optimized Inner Construction - Extreme Quality F. Extreme Requirements. | 70.00 | 125.00 | 31.00 |
| 22214AEX | Роликовый радиальный сферический двухрядный подшипник. Высокоскоростной и высокопроизводительный сферический роликоподшипник. | 70.00 | 125.00 | 31.00 |
| 92514-М | Роликовый радиальный подшипник. Модифицированный контакт.. | 70.00 | 125.00 | 31.00 |
| 2214K+H314 | Шариковый сферический двухрядный подшипник. Коническое внутреннее отверстие. | 70.00 | 125.00 | 31.00 |
| 2214S | Шариковый сферический двухрядный подшипник. Запечатанная версия кулачкового ролика. Только для внутреннего и наружного колец. | 70.00 | 125.00 | 31.00 |
Способы доставки
Отправка через ведущие транспортные и курьерские компании: ПЭК, Деловые Линии, СДЭК, Байкал-Сервис, Энергия, КИТ, ЖелДорЭкспедиция.
Самовывоз возможен напрямую со склада в Москве.
Сроки доставки
Срок зависит от региона и выбранной транспортной компании. Все заказы комплектуются и отправляются в кратчайшие сроки со склада в Москве.
Надёжность и сохранность
Вся продукция упаковывается с учётом требований транспортировки. Мы гарантируем, что подшипники и комплектующие прибудут к заказчику в полной сохранности.
Доставка в страны ЕАЭС
Мы работаем с проверенными логистическими партнёрами, что позволяет оперативно доставлять заказы в Беларусь, Казахстан, Армению и другие страны ЕАЭС.
Варианты оплаты:
Минимальная сумма заказа и скидки:
Документы и гарантии:
Да, конечно! Наши технические специалисты готовы помочь вам с подбором точного аналога или замены подшипника. Просто позвоните нам по телефону +7 (495) 104-99-04 или напишите на почту zakaz@podsnab.ru.
Для оперативной консультации подготовьте, пожалуйста, имеющиеся данные: маркировку, размеры, тип оборудования или артикул старого подшипника.
Да, конечно! Мы высоко ценим долгосрочное сотрудничество и доверие клиентов по всей России. Для постоянных клиентов действует персональная система скидок.
Условия формируются индивидуально и зависят от:
Чтобы узнать свои условия и получить максимально выгодное предложение, свяжитесь с персональным менеджером или напишите нам на почту zakaz@podsnab.ru.
Вы можете оформить заказ несколькими способами:
Для оформления заказа от юридического лица свяжитесь с нашим отделом по работе с корпоративными клиентами по телефону +7 (495) 104-99-04 или напишите на email zakaz@podsnab.ru, прикрепив реквизиты вашей организации.
Мы оперативно подготовим коммерческое предложение и выставим счет.
Возврат товара надлежащего качества возможен в течение 10 дней с момента получения, если товар не был в употреблении, сохранен товарный вид, упаковка не вскрывалась и присутствуют все сопроводительные документы.
Возврат денежных средств осуществляется в течение 10 рабочих дней после проверки товара складом.
В соответствии с законодательством возврату не подлежат подшипники надлежащего качества, если отсутствует оригинальная упаковка или имеются следы монтажа.
В случае выявления брака или гарантийного случая мы гарантируем возврат или обмен товара.
Да, гарантийный срок хранения устанавливается заводом-изготовителем и в среднем составляет 2 года при соблюдении условий хранения: сухое помещение, оригинальная упаковка и смазка.
Точный срок для конкретного типа подшипника уточняйте у наших менеджеров.
Пн–Пт: с 8:00 до 17:00 (МСК).
Сб–Вс: выходные дни.
Заказы на сайте принимаются круглосуточно. Заявки, поступившие после окончания рабочего дня, обрабатываются на следующий рабочий день.
Минимальная сумма заказа для доставки составляет 3000 рублей. Самовывоз со склада возможен на любую сумму при наличии товара.
ООО «УралТехГрупп»
ИНН: 7415093830
КПП: 772401001
ОГРН: 1167456069021
Банк: ПАО Сбербанк
Р/с: 40702810838000475273
К/с: 30101810400000000225
БИК: 044525225
У подшипника NUP2214-E-MPA пока нет отзывов. Вы можете стать первым покупателем, поделившимся своим мнением.