Поиск подшипника
Статьи
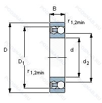
2203C3 — Подшипник шариковый двухрядный самоустанавливающийся, модификация основного исполнения 2203, выпускается производителями: FAG, HIC, NEUTRAL, NSK, RCC CHINA.
Размер подшипника: 25x80x21 мм.
Внутренний зазор больше нормального.
Международная стандартизации ISO
2203C3
В наличии
| Обозначение | Конструктивные изменения |
|---|---|
| 2203/C4 | Внутренний зазор подшипника больше. чем C3. |
| 2203E-2RS1/TN9 | Литой защелкивающийся сепаратор из полиамида. армированного стекловолокном 6.6. Оптимизированная внутренняя конструкция. Усиленные листовой сталью контактные уплотнения из акрилонитрил-бутадиенового каучука (NBR) с обеих сторон подшипника. |
| 2203ETN9 | Оптимизированный внутренний дизайн. Литая защелкивающаяся клетка из полиамида 6.6. армированного стекловолокном с шариковой центрировкой.. |
| 2203 2RS TNG | Seal At Each Side Of The Bearing. Клетка из армированного стекловолокном полиамида 66. |
| 2203E TNG C3 | Внутренний зазор больше нормального. Шарикоподшипник. Однорядный электродвигатель. Уровень шума. Прочный сепаратор из полиамида. армированного стекловолокном. |
| 2203EE G15 | Литой сепаратор из полиамида 6.6. армированного стекловолокном. Элемент качения по центру. Резиновые уплотнения с каждой стороны подшипника. |
| 2203-2RSTNGC3/YRLN | Внутренний зазор больше нормального. Seal At Each Side Of The Bearing. Клетка из армированного стекловолокном полиамида 66. |
| 2203 2RSX | Манжетное уплотнение с двух сторон. Размеры границ изменены в соответствии со стандартами ISO. |
| 2203ETN9/W64F | Solid Oil Filling And F (Food Compatible Grease. 62 cSt at 40°C 10.1 cSt at 100°C). Оптимизированный внутренний дизайн. Литая защелкивающаяся клетка из полиамида 6.6. армированного стекловолокном с шариковой центрировкой.. |
| 2203-2RS-TV-C3 | Внутренний зазор больше нормального. Резиновые уплотнения с каждой стороны подшипника. Прочный сепаратор из полиамида. армированного стекловолокном. |
| 2203S/LP03 | Прессованный стальной сепаратор. General-Purpose Solid Grease. -20°C +80°C. |
| 2203E G15 | Резиновое уплотнение на одной стороне подшипника. Литой сепаратор из полиамида 6.6. армированного стекловолокном. Элемент качения по центру. |
| 2203TNH C3 | Внутренний зазор больше нормального. Формованный полиамидный защелкивающийся сепаратор. |
| 2203 2RS TN C3 | Внутренний зазор больше нормального. Резиновые уплотнения с каждой стороны подшипника. сепаратор из полиамида 6.6. армированного стекловолокном. |
| 2203J | Сепаратор из стали. |
| 2203TNG C3 | Внутренний зазор больше нормального. Прочный сепаратор из полиамида. армированного стекловолокном. |
| 2203-2RS1 | Усиленные листовой сталью контактные уплотнения из акрилонитрил-бутадиенового каучука (NBR) с обеих сторон подшипника. |
| 2203G15 J30 | Внутренний зазор больше нормального. Литой сепаратор из полиамида 6.6. армированного стекловолокном. Элемент качения по центру. |
| 2203-TVH-C3 | Внутренний зазор больше нормального. Массивный сепаратор из армированного стекловолокном полиамида PA66. |
| 2203EE | Резиновые уплотнения с каждой стороны подшипника. |
| 2203 2RS C3 | Внутренний зазор больше нормального. Резиновые уплотнения с каждой стороны подшипника. |
| 2203TN | сепаратор из полиамида 6.6. армированного стекловолокном. |
| 2203EEG14 | Резиновые уплотнения с каждой стороны подшипника. Литой сепаратор из полиамида 6.6. армированного стекловолокном. Элемент качения по центру. |
| 2203-LP03 | General-Purpose Solid Grease. -20°C +80°C. |
| 2203 TN9 | Литой защелкивающийся сепаратор из полиамида. армированного стекловолокном 6.6. |
Модификации самоцентрирующегося шарикового подшипника 2203C3 — это измененное основное конструктивное исполнение 2203, основные размеры (25x80x21) не отличаются.
| Обозначение | Гост | Конструктивные особенности |
|---|---|---|
| 10405 | ISO | Подшипник шариковый двухрядный самоустанавливающийся. |
| 405 | ISO | Подшипник шариковый двухрядный самоустанавливающийся. |
| 2303-2RS1/C3 | ISO | Внутренний зазор больше нормального. Усиленные листовой сталью контактные уплотнения из акрилонитрил-бутадиенового каучука (NBR) с обеих сторон подшипника. |
| 2311M/P63 | ISO | Подшипник с латунным сепаратором. центрированный по телам качения. Комбинация P6 (Точность размеров и пробега в соответствии с классом допуска ISO 6 (лучше нормы)) и C3 (Внутренний зазор больше нормы). |
Аналог самоцентрирующегося шарикового подшипника 2203C3 — это подшипник такого же размера dx25,Dx80,Bx21, типа и конструкции.
| Обозначение | Конструктивные особенности | Внутренний (d) | Наружный (D) | Ширина (B) |
|---|---|---|---|---|
| 6405ZZ C3/D4MS | Подшипник однорядный шариковый радиальный. Стандартное заполнение. Внутренний зазор больше нормального. Защитные стальные шайбы с обеих сторон. Toray Silicone SH44M - Base Oil/ Phlorosilicon - Thickener/ Lithium - Min. Temp/ -40°C - Max. Temp/ +180°C - High Temperature Grease. | 25.00 | 80.00 | 21.00 |
| NF405W | Однорядный цилиндрический роликовый подшипник. Цельный прессованный сепаратор. | 25.00 | 80.00 | 21.00 |
| NJ405C3 FY | Однорядный цилиндрический роликовый подшипник. Внутренний зазор больше нормального. Обработанный латунный сепаратор. | 25.00 | 80.00 | 21.00 |
| NJ405-M+HJ405 | Роликовый радиальный однорядный подшипник. Подшипник с латунным сепаратором. центрированный по телам качения. | 25.00 | 80.00 | 21.00 |
| 7405A | Шариковый радиально-упорный однорядный подшипник. Двухрядный радиально-упорный шарикоподшипник без отверстия для смазки. | 25.00 | 80.00 | 21.00 |
| 7405B | Шариковый радиально-упорный однорядный подшипник. Угол контакта 40 градусов. | 25.00 | 80.00 | 21.00 |
| 2-405 40К ЮТ | Шариковый радиальный однорядный подшипник. Температура отпуска. 160°. Все детали или часть деталей из нержавеющей стали.. | 25.00 | 80.00 | 21.00 |
| 405-АК | Шариковый радиальный однорядный подшипник. Повышенная грузоподъемность. | 25.00 | 80.00 | 21.00 |
| 6-405 А | Шариковый радиальный однорядный подшипник. Повышенная грузоподъемность. | 25.00 | 80.00 | 21.00 |
| 7-405 А | Шариковый радиальный однорядный подшипник. Повышенная грузоподъемность. | 25.00 | 80.00 | 21.00 |
| 6-405 АШ1 | Шариковый радиальный однорядный подшипник. Повышенная грузоподъемность. Нормы шумности. | 25.00 | 80.00 | 21.00 |
| 6-405 АШ | Шариковый радиальный однорядный подшипник. Повышенная грузоподъемность. Нормы шумности. | 25.00 | 80.00 | 21.00 |
| 6405Z | Шариковый радиальный однорядный подшипник. Стальная шайба. | 25.00 | 80.00 | 21.00 |
| 260705АТ | Шариковый радиальный однорядный подшипник. Температура отпуска. 160°. Повышенная грузоподъемность. | 25.00 | 80.00 | 21.00 |
| 405-А | Шариковый радиальный однорядный подшипник. Повышенная грузоподъемность. | 25.00 | 80.00 | 21.00 |
Способы доставки
Отправка через ведущие транспортные и курьерские компании: ПЭК, Деловые Линии, СДЭК, Байкал-Сервис, Энергия, КИТ, ЖелДорЭкспедиция.
Самовывоз возможен напрямую со склада в Москве.
Сроки доставки
Срок зависит от региона и выбранной транспортной компании. Все заказы комплектуются и отправляются в кратчайшие сроки со склада в Москве.
Надёжность и сохранность
Вся продукция упаковывается с учётом требований транспортировки. Мы гарантируем, что подшипники и комплектующие прибудут к заказчику в полной сохранности.
Доставка в страны ЕАЭС
Мы работаем с проверенными логистическими партнёрами, что позволяет оперативно доставлять заказы в Беларусь, Казахстан, Армению и другие страны ЕАЭС.
Варианты оплаты:
Минимальная сумма заказа и скидки:
Документы и гарантии:
Да, конечно! Наши технические специалисты готовы помочь вам с подбором точного аналога или замены подшипника. Просто позвоните нам по телефону +7 (495) 104-99-04 или напишите на почту zakaz@podsnab.ru.
Для оперативной консультации подготовьте, пожалуйста, имеющиеся данные: маркировку, размеры, тип оборудования или артикул старого подшипника.
Да, конечно! Мы высоко ценим долгосрочное сотрудничество и доверие клиентов по всей России. Для постоянных клиентов действует персональная система скидок.
Условия формируются индивидуально и зависят от:
Чтобы узнать свои условия и получить максимально выгодное предложение, свяжитесь с персональным менеджером или напишите нам на почту zakaz@podsnab.ru.
Вы можете оформить заказ несколькими способами:
Для оформления заказа от юридического лица свяжитесь с нашим отделом по работе с корпоративными клиентами по телефону +7 (495) 104-99-04 или напишите на email zakaz@podsnab.ru, прикрепив реквизиты вашей организации.
Мы оперативно подготовим коммерческое предложение и выставим счет.
Возврат товара надлежащего качества возможен в течение 10 дней с момента получения, если товар не был в употреблении, сохранен товарный вид, упаковка не вскрывалась и присутствуют все сопроводительные документы.
Возврат денежных средств осуществляется в течение 10 рабочих дней после проверки товара складом.
В соответствии с законодательством возврату не подлежат подшипники надлежащего качества, если отсутствует оригинальная упаковка или имеются следы монтажа.
В случае выявления брака или гарантийного случая мы гарантируем возврат или обмен товара.
Да, гарантийный срок хранения устанавливается заводом-изготовителем и в среднем составляет 2 года при соблюдении условий хранения: сухое помещение, оригинальная упаковка и смазка.
Точный срок для конкретного типа подшипника уточняйте у наших менеджеров.
Пн–Пт: с 8:00 до 17:00 (МСК).
Сб–Вс: выходные дни.
Заказы на сайте принимаются круглосуточно. Заявки, поступившие после окончания рабочего дня, обрабатываются на следующий рабочий день.
Минимальная сумма заказа для доставки составляет 3000 рублей. Самовывоз со склада возможен на любую сумму при наличии товара.
ООО «УралТехГрупп»
ИНН: 7415093830
КПП: 772401001
ОГРН: 1167456069021
Банк: ПАО Сбербанк
Р/с: 40702810838000475273
К/с: 30101810400000000225
БИК: 044525225
У подшипника 2203C3 пока нет отзывов. Вы можете стать первым покупателем, поделившимся своим мнением.