Поиск подшипника
Статьи
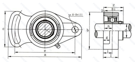
UCFA.205 — Корпус подшипника, модификация основного исполнения 205, выпускается производителями: ASAHI, ASKUBAL, CHINA, FAG, FK, FYH, GDB, IBU FIEDLER, JIB, KDF, KOYO, NACHI, NBR, NEUTRAL, NTN, PTN, SNR, TR, UNIBAL.
Размер подшипника: 25x124x35 мм.
Альтернативное обозначение: UC205 + FA205.
Аналоги: UCFA205-J7 FAG,UCFA205 NTN,UCFA205J Koyo,UCFA205 FK,UCFA205 Neutral.
Международная стандартизации ISO
UCFA205
В наличии
| Обозначение | Конструктивные изменения |
|---|---|
| 205KLL2 | Conrad (Non-Filling Slot) Type. Different From Standard In One Respect Or Another. Two Mechani-Seals. Interchangeable with RR Series. But Have Non-Contact Labyrinth Seals And Steel Cages For Low Torque. High Speed And Higher Temperature Service. (Up to 350°F/176°C). |
| 205KLLG2 C3 | Internal Clearance Larger Than Normal Or Manufacturing Code - Fafnir Use Only. Conrad (Non-Filling Slot) Type. Wireloc (стопорное кольцо). Different From Standard In One Respect Or Another. Two Mechani-Seals. Interchangeable with RR Series. But Have Non-Contact Labyrinth Seals And Steel Cages For Low Torque. High Speed And Higher Temperature Service. (Up to 350°F/176°C). |
| 205KL | Flanged Type (2 Thru holes)-Medium Load. |
| 205SFFS | Two Felt Seals. Replaced By 88xxx. |
| NUP 205 ECML | Однорядный цилиндрический роликовый подшипник. |
| NJ 205 ECML | Однорядный цилиндрический роликовый подшипник. |
| NU 205 ECPHA | Измененная или модифицированная внутренняя конструкция при неизменных основных размерах. Однорядный цилиндрический роликовый подшипник. |
| NU 205 ECML | Однорядный цилиндрический роликовый подшипник. |
| NU 205 EW | Однорядный. |
| NUP 205 EW | Однорядный. |
| CRBT 205 A | Двухрядный радиально-упорный шарикоподшипник без отверстия для смазки. |
| QJ 205 MA | Механически обработанный латунный сепаратор. Центрирование по внешнему кольцу. Шариковый подшипник с четырехточечным контактом. |
| QJ 205 N2 M | Подшипник с латунным сепаратором. центрированный по телам качения. Два установочных паза (выемки), расположенных под углом 180° друг от друга в одной боковой поверхности наружного кольца или шайбе корпуса.. |
| YARAG 205-100 | 1. |
| YSP 205-100 SB-2F | Стандартное контактное уплотнение с дополнительным маслоотражательным кольцом с обеих сторон. Double Row. Angular Contact. Non-Filling Notch Bearing. With Outwardly Convergent Угол контактаs. Rigid Design. 1. |
| YSP 205 SB-2F | Стандартное контактное уплотнение с дополнительным маслоотражательным кольцом с обеих сторон. Double Row. Angular Contact. Non-Filling Notch Bearing. With Outwardly Convergent Угол контактаs. Rigid Design. |
| YSA 205-2FK + H 2305 | Pressed Snap-Type Steel Cage. Hardened. |
| BL 205 Z | щит из листовой прессованной стали с одной стороны подшипника. |
| BSA 205 C | 15° Угол контакта. |
| FBSA 205/DB | Two Single Row Deep Groove Ball Bearings. Single Row Angular Contact Ball Bearings Or Single Row Tapered Roller Bearings Matched For Mounting In A Back-To-Back Arrangement. |
| FBSA 205/DF | Комплект из двух подшипников. согласованных для установки по Х-образной схеме. Число. следующее непосредственно после букв DF. обозначает конструкцию промежуточного кольца. |
| FBSA 205/QBC | Четыре подшипника в O-образной компоновке. |
| BSA 205 CG-2RZ | Шарикоподшипник. С уплотнением и низким коэффициентом трения с обеих сторон. Уплотнение состоит из шайбы из листовой стали с вулканизированной резиной. Резьбовой винт со стопором и защелкой. |
| BSA 205 CG | Резьбовой винт со стопором и защелкой. |
| NJ 205 ECPH | Однорядный цилиндрический роликовый подшипник. |
Модификации корпуса подшипника UCFA.205 — это измененное основное конструктивное исполнение 205, основные размеры (25x124x35) не отличаются.
| Обозначение | Гост | Конструктивные особенности |
|---|---|---|
| KFC2451 | ISO | Корпус подшипника. |
| UC205 | ISO | Угол контакта 20 градусов. |
| PCFT25 | ISO | Корпус подшипника. |
| PCFT25-XL | ISO | Серия X-Life премиум-класс. увеличиный срок службы. |
| PSFT25-XL | ISO | Серия X-Life премиум-класс. увеличиный срок службы. |
| UCFA205-J7 | ISO | Наилучшая посадка в корпусе. |
| PCFT25-FA125 | ISO | С покрытием Corrotect®, защищено от коррозии. |
| F2B-SCEZ-100-SH | ISO | Корпус подшипника. |
| 56611 | ISO | Корпус подшипника. |
| OWFS25 | ISO | Корпус подшипника. |
| UCFA205JL2 | ISO | Корпус подшипникового узла. С допуском сферического отверстия J. Подходит для корпуса диаметром до 100 мм.. |
| UCFT205 | ISO | Корпус подшипника. |
| UCFT205-25MM | ISO | Корпус подшипника. |
| UCFT205-A | ISO | Двухрядный радиально-упорный шарикоподшипник без отверстия для смазки. |
| PCFT25-MON | ISO | Корпус подшипника. |
| UC-205 | ГОСТ | ВНИИНП-274. |
Аналог корпуса подшипника UCFA.205 — это подшипник такого же размера dx25,Dx124,Bx35, типа и конструкции.
| Обозначение | Конструктивные особенности | Внутренний (d) | Наружный (D) | Ширина (B) |
|---|---|---|---|---|
| PHS25L | Сферический шарнирный подшипник. Одно механическое уплотнение. | 25.00 | 60.00 | 36.00 |
| PHS25A | Сферический шарнирный подшипник. Двухрядный радиально-упорный шарикоподшипник без отверстия для смазки. | 60.00 | 124.00 | 36.00 |
| 260905-А | Шариковый радиальный подшипник. Повышенная грузоподъемность. | 25.00 | 125.00 | 34.00 |
| 6-260905 АШ1 | Шариковый радиальный подшипник. Повышенная грузоподъемность. Нормы шумности. | 25.00 | 125.00 | 34.00 |
| 6-260905 АШ | Шариковый радиальный подшипник. Повышенная грузоподъемность. Нормы шумности. | 25.00 | 125.00 | 34.00 |
| 260905 | Шариковый радиальный подшипник. | 25.00 | 125.00 | 34.00 |
| 260905-К | Шариковый радиальный подшипник. | 25.00 | 125.00 | 34.00 |
| 6-260905 | Шариковый радиальный однорядный подшипник. | 25.00 | 125.00 | 34.00 |
| 260905-АС3 | Шариковый радиальный однорядный подшипник. Повышенная грузоподъемность. Смазка ВНИИНП-210. | 25.00 | 125.00 | 34.00 |
Способы доставки
Отправка через ведущие транспортные и курьерские компании: ПЭК, Деловые Линии, СДЭК, Байкал-Сервис, Энергия, КИТ, ЖелДорЭкспедиция.
Самовывоз возможен напрямую со склада в Москве.
Сроки доставки
Срок зависит от региона и выбранной транспортной компании. Все заказы комплектуются и отправляются в кратчайшие сроки со склада в Москве.
Надёжность и сохранность
Вся продукция упаковывается с учётом требований транспортировки. Мы гарантируем, что подшипники и комплектующие прибудут к заказчику в полной сохранности.
Доставка в страны ЕАЭС
Мы работаем с проверенными логистическими партнёрами, что позволяет оперативно доставлять заказы в Беларусь, Казахстан, Армению и другие страны ЕАЭС.
Варианты оплаты:
Минимальная сумма заказа и скидки:
Документы и гарантии:
Да, конечно! Наши технические специалисты готовы помочь вам с подбором точного аналога или замены подшипника. Просто позвоните нам по телефону +7 (495) 104-99-04 или напишите на почту zakaz@podsnab.ru.
Для оперативной консультации подготовьте, пожалуйста, имеющиеся данные: маркировку, размеры, тип оборудования или артикул старого подшипника.
Да, конечно! Мы высоко ценим долгосрочное сотрудничество и доверие клиентов по всей России. Для постоянных клиентов действует персональная система скидок.
Условия формируются индивидуально и зависят от:
Чтобы узнать свои условия и получить максимально выгодное предложение, свяжитесь с персональным менеджером или напишите нам на почту zakaz@podsnab.ru.
Вы можете оформить заказ несколькими способами:
Для оформления заказа от юридического лица свяжитесь с нашим отделом по работе с корпоративными клиентами по телефону +7 (495) 104-99-04 или напишите на email zakaz@podsnab.ru, прикрепив реквизиты вашей организации.
Мы оперативно подготовим коммерческое предложение и выставим счет.
Возврат товара надлежащего качества возможен в течение 10 дней с момента получения, если товар не был в употреблении, сохранен товарный вид, упаковка не вскрывалась и присутствуют все сопроводительные документы.
Возврат денежных средств осуществляется в течение 10 рабочих дней после проверки товара складом.
В соответствии с законодательством возврату не подлежат подшипники надлежащего качества, если отсутствует оригинальная упаковка или имеются следы монтажа.
В случае выявления брака или гарантийного случая мы гарантируем возврат или обмен товара.
Да, гарантийный срок хранения устанавливается заводом-изготовителем и в среднем составляет 2 года при соблюдении условий хранения: сухое помещение, оригинальная упаковка и смазка.
Точный срок для конкретного типа подшипника уточняйте у наших менеджеров.
Пн–Пт: с 8:00 до 17:00 (МСК).
Сб–Вс: выходные дни.
Заказы на сайте принимаются круглосуточно. Заявки, поступившие после окончания рабочего дня, обрабатываются на следующий рабочий день.
Минимальная сумма заказа для доставки составляет 3000 рублей. Самовывоз со склада возможен на любую сумму при наличии товара.
ООО «УралТехГрупп»
ИНН: 7415093830
КПП: 772401001
ОГРН: 1167456069021
Банк: ПАО Сбербанк
Р/с: 40702810838000475273
К/с: 30101810400000000225
БИК: 044525225
У подшипника UCFA.205 пока нет отзывов. Вы можете стать первым покупателем, поделившимся своим мнением.