Поиск подшипника
Статьи
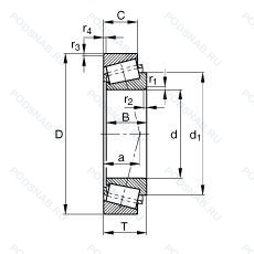
32005-X-XL — Однорядный конический роликовый подшипник, модификация основного исполнения 32005, производство FAG.
Размер подшипника: 25x47x15 мм.
Серия x-life, внешние размеры соответствуют международным стандартам.
Альтернативное обозначение: 32005-X.
Аналоги: 32005X Timken,32005VC12 SNR,32005JR Koyo,32005X NTN,32005XF AS - Fersa,32005X NKE,32005-X NKE,32005X VPZ,2007105A VPZ,32005X ELW,32005XA MTK,32005XA Neutral,32005X Neutral.
Международная стандартизации ISO
32005XXL
В наличии
| Обозначение | Конструктивные изменения |
|---|---|
| 32005X/Q | Оптимизированная геометрия и специальная обработка контактных поверхностей. Присоединительные размеры не соответствуют серии размеров ISO. |
| 32005X/26 | Измененные размеры границ. введенные пересмотренными стандартами ISO. 1.5/8. |
| 32005JR Y A1 | Сепаратор из прессованной латуни. Центрирование шарика. TAPERED ROLLER BEARING CONFORMING TO ISO R355 (SUB-UNIT. METRIC SERIES). EXAMPLE/ 30206JR. ABEC.1. |
| 32005JR RS-3 | Резиновое уплотнение с одной стороны. Размерные и геометрические допуски соответствуют классу точности P6. TAPERED ROLLER BEARING CONFORMING TO ISO R355 (SUB-UNIT. METRIC SERIES). EXAMPLE/ 30206JR. Width Can Differ From The Item Without The '-3' Suffix. |
| 32005X-90KA1 | Измененные размеры границ. введенные пересмотренными стандартами ISO. Assembly Code. |
| 32005X-90NA3 | Измененные размеры границ. введенные пересмотренными стандартами ISO. |
| 32005X-90CA4 | Измененные размеры границ. введенные пересмотренными стандартами ISO. |
| 32005JR RS | Резиновое уплотнение с одной стороны. TAPERED ROLLER BEARING CONFORMING TO ISO R355 (SUB-UNIT. METRIC SERIES). EXAMPLE/ 30206JR. |
| 32005/45 | 2.13/16. |
| 32005/26 | 1.5/8. |
| 32005VC12 | Повышенная грузоподъемность. Конический роликовый подшипник. Модификация внутренней конструкции. |
| 32005AX | Поверхность контакта скольжения сталь / сталь. |
| 32005JRRS-1 | Конический роликоподшипник. соответствующий стандарту ISO R355. Код внутренней конструкции (высокая грузоподъемность). Width Can Differ From The Item Without The '-1' Suffix. |
| 32005JRYA2 | Конический роликоподшипник. соответствующий стандарту ISO R355. Код внутренней конструкции (высокая грузоподъемность). Raceway Shape Bigger Corner Dimension. |
| 32005-XDY | Внешние размеры соответствуют международным стандартам. Конические роликоподшипники. произведенные в Корее и продаваемые под торговой маркой FAG. могут быть идентифицированы по суффиксу -DY/-DZ. |
| 32005X/VB003 | Присоединительные размеры не соответствуют серии размеров ISO. Extra Polished Outside Of The Inner Ring. |
| 32005DY | Конические роликоподшипники. произведенные в Корее и продаваемые под торговой маркой FAG. могут быть идентифицированы по суффиксу -DY/-DZ. |
| 32005XJ | Дорожки качения наружного кольца. угол контакта и ширина наружного кольца в соответствии с ISO. Серии размеров 20 и 29 — основные размеры соответствуют ISO/R355. |
| 32005-X-XL-P5 | Серия X-Life премиум-класс. увеличиный срок службы. Размерная и рабочая точность соответствует классу допуска ISO 5. Внешние размеры соответствуют международным стандартам. |
| 32005X/QVB015 | Оптимизированная геометрия и специальная обработка контактных поверхностей. Присоединительные размеры не соответствуют серии размеров ISO. Комбинация VB003 = Радиус угла при IR r1 3.3-3.7 r2 3.3-4.2 и VB016 = радиус при вершине OR r1 1.0-1.4 r2 1.0-1.9 И Q6 = Уровень вибрации ниже нормального (заменяет C6). |
| 32005XF | Размеры границ изменены в соответствии со стандартами ISO. |
| 32005-X-P5 | Размерная и рабочая точность соответствует классу допуска ISO 5. Внешние размеры соответствуют международным стандартам. |
| 32005-X-H | Pressed Snap-Type Steel Cage. Hardened. External Dimensions Matched To International Standards.. H =. |
| 32005.XQ.P5 | Размерная и рабочая точность соответствует классу допуска ISO 5. Оптимизированная геометрия и специальная обработка контактных поверхностей. Присоединительные размеры не соответствуют серии размеров ISO. |
| 32005JS/26 | 1.5/8. |
Модификации конического роликового подшипника 32005-X-XL — это измененное основное конструктивное исполнение 32005, основные размеры (25x47x15) не отличаются.
| Обозначение | Гост | Конструктивные особенности |
|---|---|---|
| XAA32005X-90KA1 | ISO | Измененные размеры границ. введенные пересмотренными стандартами ISO. Assembly Code. |
| HR32005XJ-L | ISO | Дорожки качения наружного кольца. угол контакта и ширина наружного кольца в соответствии с ISO. Серии размеров 20 и 29 — основные размеры соответствуют ISO/R355. With Inner Ring Spacer. |
| HR32005XJ P5 | ISO | Диаметр и угол качения наружного кольца соответствуют стандарту ISO/R355. Размерная и рабочая точность соответствует классу допуска ISO 5. Серии размеров 20 и 29 — основные размеры соответствуют ISO/R355. |
| 10R32005 | ISO | Однорядный конический роликовый подшипник. |
| CR-0574 | ISO | Однорядный конический роликовый подшипник. |
| H264815 | ISO | Однорядный конический роликовый подшипник. |
| EC12589S01 | ISO | Однорядный конический роликовый подшипник. |
| EC12626H206 | ISO | Однорядный конический роликовый подшипник. |
| 10R.32005.V.C12UA | ISO | Конический роликовый подшипник. Модификация внутренней конструкции. Design Change Indices. |
| 535411.32005 | ISO | Однорядный конический роликовый подшипник. |
| IR2037 | ISO | Однорядный конический роликовый подшипник. |
| 4T-32005X | ISO | Размеры границ изменены в соответствии со стандартами ISO. Цементованная сталь. |
| 2007105 | ISO | Однорядный конический роликовый подшипник. |
| 2007105A | ISO | (Чаша/внешняя поверхность) отличается по наружному диаметру/радиусу/ширине от номера базовой детали. |
| HR32005XJ | ISO | Дорожки качения наружного кольца. угол контакта и ширина наружного кольца в соответствии с ISO. Серии размеров 20 и 29 — основные размеры соответствуют ISO/R355. Для конических роликоподшипников и радиальных шарикоподшипников. |
| 535411 | ISO | Однорядный конический роликовый подшипник. |
| 4T-32005 | ISO | Однорядный конический роликовый подшипник. |
| HI-CAP32005JR | ISO | Конический роликоподшипник. соответствующий стандарту ISO R355. Код внутренней конструкции (высокая грузоподъемность). |
| E32005JS/26 | ISO | 1.5/8. |
| X32005/Y32005 | ISO | Однорядный конический роликовый подшипник. |
| 2007105A | ГОСТ | Двухрядный радиально-упорный шарикоподшипник без отверстия для смазки. |
Аналог конического роликового подшипника 32005-X-XL — это подшипник такого же размера dx25,Dx47,Bx15, типа и конструкции.
| Обозначение | Конструктивные особенности | Внутренний (d) | Наружный (D) | Ширина (B) |
|---|---|---|---|---|
| 3005-B-2RSR-TVH | Шариковый радиально-упорный подшипник. Модифицированная внутренняя конструкция. Твердая клетка из полиамида. Резиновые уплотнения с каждой стороны подшипника. | 25.00 | 47.00 | 16.00 |
| 3005-B-2Z-TVH | Шариковый радиально-упорный подшипник. Модифицированная внутренняя конструкция. Защитные металлические шайбы с обеих сторон подшипника. Твердая клетка из полиамида. | 25.00 | 47.00 | 16.00 |
| SF05A26 | Шариковый радиально-упорный однорядный подшипник. Coating With ATCoat. | 26.00 | 47.00 | 15.00 |
| SAC2547-2 | Шариковый радиально-упорный однорядный подшипник. ISO Tolerance Class ABEC.9. | 25.00 | 47.00 | 15.00 |
| SAC2547-1 | Шариковый радиально-упорный однорядный подшипник. Number Of Carriages Per Rail Track. | 25.00 | 47.00 | 15.00 |
| 6-60805 АК1Ш1 | Шариковый радиальный однорядный подшипник. Нормы шумности. Повышенная грузоподъемность. | 25.00 | 47.00 | 15.00 |
| 6-60805 АК1Ш | Шариковый радиальный однорядный подшипник. Повышенная грузоподъемность. Нормы шумности. | 25.00 | 47.00 | 15.00 |
| 6-60805 Ш | Шариковый радиальный однорядный подшипник. Нормы шумности. | 25.00 | 47.00 | 15.00 |
| HI-CAP 57218/32005J | Роликовый радиальный-упорный однорядный подшипник. Угол контакта 20 градусов. | 25.00 | 47.00 | 15.00 |
| В0-8205 К | Шариковый упорный однорядный подшипник. «Замок» (скос) на внутреннем кольце плюс массивный сепаратор из текстолита. | 25.00 | 47.00 | 15.00 |
| 51205 V/HR11Q1 | Шариковый упорный однорядный подшипник. Подшипник без сепаратора. С полным комплектом тел качения. | 25.00 | 47.00 | 15.00 |
| 51205 V/HR22T2 | Шариковый упорный однорядный подшипник. Подшипник без сепаратора. С полным комплектом тел качения. | 25.00 | 47.00 | 15.00 |
| 51205 V/HR11T1 | Шариковый упорный однорядный подшипник. Подшипник без сепаратора. С полным комплектом тел качения. | 25.00 | 47.00 | 15.00 |
| GAC25N | Шарнирный подшипник. Измененная или модифицированная внутренняя конструкция при неизменных основных размерах. Канавка под стопорное кольцо на внешнем кольце. | 25.00 | 47.00 | 15.00 |
| 6-2007105 А | Роликовый радиальный-упорный однорядный подшипник. Повышенная грузоподъемность. | 25.00 | 47.00 | 15.00 |
Способы доставки
Отправка через ведущие транспортные и курьерские компании: ПЭК, Деловые Линии, СДЭК, Байкал-Сервис, Энергия, КИТ, ЖелДорЭкспедиция.
Самовывоз возможен напрямую со склада в Москве.
Сроки доставки
Срок зависит от региона и выбранной транспортной компании. Все заказы комплектуются и отправляются в кратчайшие сроки со склада в Москве.
Надёжность и сохранность
Вся продукция упаковывается с учётом требований транспортировки. Мы гарантируем, что подшипники и комплектующие прибудут к заказчику в полной сохранности.
Доставка в страны ЕАЭС
Мы работаем с проверенными логистическими партнёрами, что позволяет оперативно доставлять заказы в Беларусь, Казахстан, Армению и другие страны ЕАЭС.
Варианты оплаты:
Минимальная сумма заказа и скидки:
Документы и гарантии:
Да, конечно! Наши технические специалисты готовы помочь вам с подбором точного аналога или замены подшипника. Просто позвоните нам по телефону +7 (495) 104-99-04 или напишите на почту zakaz@podsnab.ru.
Для оперативной консультации подготовьте, пожалуйста, имеющиеся данные: маркировку, размеры, тип оборудования или артикул старого подшипника.
Да, конечно! Мы высоко ценим долгосрочное сотрудничество и доверие клиентов по всей России. Для постоянных клиентов действует персональная система скидок.
Условия формируются индивидуально и зависят от:
Чтобы узнать свои условия и получить максимально выгодное предложение, свяжитесь с персональным менеджером или напишите нам на почту zakaz@podsnab.ru.
Вы можете оформить заказ несколькими способами:
Для оформления заказа от юридического лица свяжитесь с нашим отделом по работе с корпоративными клиентами по телефону +7 (495) 104-99-04 или напишите на email zakaz@podsnab.ru, прикрепив реквизиты вашей организации.
Мы оперативно подготовим коммерческое предложение и выставим счет.
Возврат товара надлежащего качества возможен в течение 10 дней с момента получения, если товар не был в употреблении, сохранен товарный вид, упаковка не вскрывалась и присутствуют все сопроводительные документы.
Возврат денежных средств осуществляется в течение 10 рабочих дней после проверки товара складом.
В соответствии с законодательством возврату не подлежат подшипники надлежащего качества, если отсутствует оригинальная упаковка или имеются следы монтажа.
В случае выявления брака или гарантийного случая мы гарантируем возврат или обмен товара.
Да, гарантийный срок хранения устанавливается заводом-изготовителем и в среднем составляет 2 года при соблюдении условий хранения: сухое помещение, оригинальная упаковка и смазка.
Точный срок для конкретного типа подшипника уточняйте у наших менеджеров.
Пн–Пт: с 8:00 до 17:00 (МСК).
Сб–Вс: выходные дни.
Заказы на сайте принимаются круглосуточно. Заявки, поступившие после окончания рабочего дня, обрабатываются на следующий рабочий день.
Минимальная сумма заказа для доставки составляет 3000 рублей. Самовывоз со склада возможен на любую сумму при наличии товара.
ООО «УралТехГрупп»
ИНН: 7415093830
КПП: 772401001
ОГРН: 1167456069021
Банк: ПАО Сбербанк
Р/с: 40702810838000475273
К/с: 30101810400000000225
БИК: 044525225
У подшипника 32005-X-XL пока нет отзывов. Вы можете стать первым покупателем, поделившимся своим мнением.