Поиск подшипника
Статьи
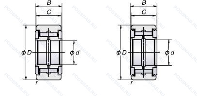
NATR6LL/3AS — Опорный ролик, модификация основного исполнения NATR6, выпускается производителями: NEUTRAL, NTN.
Размер ролика: 6x19x12 мм.
Опорный ролик, yoke-тип, профилированный наружный диаметр, с внутренним кольцом, с шайбами, смазка. shell oil co. смазка alvania #3, стандартная заливка, контактное. синтетические. резиновое уплотнение с двух сторон.
Альтернативное обозначение: MCYRR6S.
Аналоги: NATR6PPA INA,NATR6-PP-A INA,NATR6PPA SKF.
Международная стандартизации ISO
NATR6LL3AS
В наличии
| Обозначение | Конструктивные изменения |
|---|---|
| NATR6PPX | Скользящие уплотнительные кольца из полиамида с обеих сторон, улучшенный корончатый профиль рабочей поверхности наружного кольца. |
| NATR6PP | Уплотнения на каждой стороне подшипника. |
| NATR6 | Измененная или модифицированная внутренняя конструкция при неизменных основных размерах. Основное конструктивное исполнение. |
| NATR6X | Измененные размеры границ. введенные пересмотренными стандартами ISO. |
| NATR6V | Подшипник без сепаратора. С полным комплектом тел качения. |
| NATR6PPV | Манжетные уплотнения с обеих сторон (тип P - две шайбы из оцинкованной листовой стали с промежуточной частью NBR. Кромка уплотнения предварительно нагружена в осевом направлении). Диапазон температур -30℃/+100℃. |
| NATR6PPA | Измененная или модифицированная внутренняя конструкция при неизменных основных размерах. Скользящие уплотнительные кольца из полиамида с обеих сторон, улучшенный корончатый профиль рабочей поверхности наружного кольца. |
| NATR6DZ | Опорные ролики игольчатого типа. Цилиндрический наружный диаметр. Литой сепаратор оконного типа из полиамида. усиленного стекловолокном. |
| NATR6-C3-GA11 | Внутренний зазор больше нормального. |
| NATR6-PP-A-P5 | Двухрядный радиально-упорный шарикоподшипник без отверстия для смазки. Размерная и рабочая точность соответствует классу допуска ISO 5. Манжетные уплотнения с обеих сторон (тип P - две шайбы из оцинкованной листовой стали с промежуточной частью NBR. Кромка уплотнения предварительно нагружена в осевом направлении). Диапазон температур -30℃/+100℃. |
| NATR6-PP-RR-A | Переделка во внутренней конструкции. Идентичен старой нотации. Манжетные уплотнения с обеих сторон (тип P - две шайбы из оцинкованной листовой стали с промежуточной частью NBR. Кромка уплотнения предварительно нагружена в осевом направлении). Диапазон температур -30℃/+100℃. Защищен от коррозии специальным покрытием Corrotect®.. |
| NATR6LL | Контактное. синтетические. резиновое уплотнение с двух сторон. |
| NATR6-X-PP-A | Переделка во внутренней конструкции. Идентичен старой нотации. Цилиндрическая рабочая поверхность. Манжетные уплотнения с обеих сторон (тип P - две шайбы из оцинкованной листовой стали с промежуточной частью NBR. Кромка уплотнения предварительно нагружена в осевом направлении). Диапазон температур -30℃/+100℃. |
| NATR6XLL/3AS | Цилиндрическая рабочая поверхность. Контактное уплотнения из синтетической черной резины с обеих сторон. Смазка. Shell Oil Co. Смазка Alvania #3, стандартная заливка.. |
Модификации опорного ролика NATR6LL/3AS — это измененное основное конструктивное исполнение NATR6, основные размеры (6x19x12) не отличаются.
| Обозначение | Гост | Конструктивные особенности |
|---|---|---|
| MCYRR6S | ISO | Запечатанная версия кулачкового ролика. |
| NATV6PPX | ISO | Скользящие уплотнительные кольца из полиамида с обеих сторон, улучшенный корончатый профиль рабочей поверхности наружного кольца. |
| FG619EE | ISO | Резиновые уплотнения с каждой стороны подшипника. |
| NATV6PPA | ISO | Измененная или модифицированная внутренняя конструкция при неизменных основных размерах. Скользящие уплотнительные кольца из полиамида с обеих сторон, улучшенный корончатый профиль рабочей поверхности наружного кольца. |
| NA22/6 2RS | ISO | Резиновые уплотнения с каждой стороны подшипника. Игольчатый роликовый подшипник с размерами по ISO 15. Exxon Aviation Instrument Oil. |
| NATV6X | ISO | Цилиндрическая рабочая поверхность. |
| NATV6PP | ISO | Уплотнения на каждой стороне подшипника. |
| MCYRR6SX | ISO | Запечатанная версия кулачкового ролика. Цилиндрическая рабочая поверхность. |
| NART6VUUR | ISO | Полный тип дополнения. Коронка на наружном кольце. Герметичный тип. |
| NATV6LL/3AS | ISO | Контактное. синтетические. резиновое уплотнение с двух сторон. Смазка. Shell Oil Co. Смазка Alvania #3, стандартная заливка.. |
| NART6R | ISO | Коронка на наружном кольце. |
| NATV6LL | ISO | Контактное. синтетические. резиновое уплотнение с двух сторон. |
| MCYR6SX | ISO | Радиально-упорный сферический подшипник скольжения. требующий обслуживания по ISO 12 2402. Монтажные размеры как для конических роликоподшипников по DIN 720. 320X. Стальная скользящая контактная поверхность. |
| NA22/6-X-2RSR | ISO | Rubber Seals At Each Side Of The Bearing. Temperature Range -30℃/+120℃. Цилиндрическая рабочая поверхность. Exxon Aviation Instrument Oil. |
| NART6VR | ISO | Коронка на наружном кольце. Подшипник без сепаратора. С полным комплектом тел качения. Когда в суффиксе упоминается только «V». Это означает. что подшипник уплотнен. Поэтому используйте «2Z» в сегменте «Уплотнение».. |
| NART6UUR | ISO | Коронка на наружном кольце. Резиновые уплотнения с каждой стороны подшипника. |
| NATV6-X-PP-A | ISO | Переделка во внутренней конструкции. Идентичен старой нотации. Цилиндрическая рабочая поверхность. Манжетные уплотнения с обеих сторон (тип P - две шайбы из оцинкованной листовой стали с промежуточной частью NBR. Кромка уплотнения предварительно нагружена в осевом направлении). Диапазон температур -30℃/+100℃. |
| NA22/6LL/3AS | ISO | Контактное. синтетические. резиновое уплотнение с двух сторон. Смазка. Shell Oil Co. Смазка Alvania #3, стандартная заливка.. |
| MCYR6S | ISO | Запечатанная версия кулачкового ролика. |
| NATV6XLL/3AS | ISO | Цилиндрическая рабочая поверхность. Контактное уплотнения из синтетической черной резины с обеих сторон. Смазка. Shell Oil Co. Смазка Alvania #3, стандартная заливка.. |
Аналог опорного ролика NATR6LL/3AS — это ролик такого же размера dx6,Dx19,Bx12, типа и конструкции.
| Обозначение | Конструктивные особенности | Внутренний (d) | Наружный (D) | Ширина (B) |
|---|---|---|---|---|
| RF12PP | Кулачковый ролик толкатель. Манжетные уплотнения с обеих сторон (тип P - две шайбы из оцинкованной листовой стали с промежуточной частью NBR. Кромка уплотнения предварительно нагружена в осевом направлении). Диапазон температур -30℃/+100℃. | 6.35 | 19.05 | 12.70 |
| HCB707-C-T-P4S-DUL | Подшипник шариковый однорядный радиально-упорный. 15° Угол контакта. Textile Laminated Phenolic Resin. Outer Ring Guided. The Cage Is Suitable For Long-Term Operation At Temperatures Up To 100°C. Класс точности. стандарт FAG лучше чем P4. Комплект из 2 универсальных подшипников. Небольшой предварительный натяг. | 7.00 | 19.00 | 12.00 |
| ZKLN0619-2Z-XL | Шариковый радиально-упорный подшипник двойного направления. Серия X-Life премиум-класс. увеличиный срок службы. Зазорные уплотнения с обеих сторон подшипника.. | 6.00 | 19.00 | 12.00 |
| 707CE/P4ADGA | Подшипник шариковый однорядный радиально-упорный. Точность размеров в соответствии с классом допуска ISO 4. точность вращения лучше чем класс допуска ISO 4. Два однорядных радиально-упорных шарикоподшипника для универсального сопряжения. т. е. в паре для монтажа «спиной к спине». «лицом к лицу» или «тандем». 15° Угол контакта And (E) Small Size Steel Balls. | 7.00 | 19.00 | 12.00 |
| VEX7 7 CE1 DUL | Подшипник шариковый однорядный радиально-упорный. Расположение внешнего сепаратора. P4 (SKF)=Abec.7. Комплект из 2 универсальных подшипников. Небольшой предварительный натяг. C-Phenolic Resin. E-External Cage Location. 1-15° Угол контакта. | 7.00 | 19.00 | 12.00 |
| VEX7 7 CE1 DDL | Подшипник шариковый однорядный радиально-упорный. Расположение внешнего сепаратора. P4 (SKF)=Abec.7. C-Phenolic Resin. E-External Cage Location. 1-15° Угол контакта. Контактное уплотнение с двух сторон. | 7.00 | 19.00 | 12.00 |
| 707CE/P4ADBA | Подшипник шариковый однорядный радиально-упорный. Точность размеров в соответствии с классом допуска ISO 4. точность вращения лучше чем класс допуска ISO 4. Два однорядных радиальных шарикоподшипника. Однорядные радиально-упорные шарикоподшипники или однорядные конические роликовые подшипники. подходящие для монтажа в схеме «спина к спине». Легкая предварительная нагрузка. 15° Угол контакта And (E) Small Size Steel Balls. | 7.00 | 19.00 | 12.00 |
| ZKLN0619-2Z-PE | Шариковый радиально-упорный подшипник двойного направления. Зазорные уплотнения с обеих сторон подшипника.. Допуски на увеличенный диаметр и осевое биение по классу точности P5 для радиальных подшипников. | 6.00 | 19.00 | 12.00 |
| ШВХ6 | Шарнирный подшипник. С хвостовиком.. | 6.00 | 20.00 | 12.00 |
| SF612DT | Шариковый радиально-упорный двухрядный подшипник. Дуплексные подшипники для установки в тандеме. | 6.00 | 19.00 | 12.00 |
| SF624DF | Шариковый радиально-упорный двухрядный подшипник. Комплект из двух подшипников. согласованных для установки по Х-образной схеме. Число. следующее непосредственно после букв DF. обозначает конструкцию промежуточного кольца. | 6.00 | 19.00 | 12.00 |
| ZKLN0619-2Z | Шариковый радиально-упорный двухрядный подшипник. Защитные металлические шайбы с обеих сторон подшипника. | 6.00 | 19.00 | 12.00 |
| ZKLFA0630-2Z | Шариковый радиально-упорный двухрядный подшипник. Защитные металлические шайбы с обеих сторон подшипника. | 6.00 | 19.00 | 12.00 |
| NA22/6XLL | Роликовый игольчатый подшипник однорядный. Два уплотнения. | 6.00 | 19.00 | 12.00 |
| 607ZZD2 | Шариковый радиальный однорядный подшипник. Стальная шайба. | 7.00 | 19.00 | 12.00 |
Способы доставки
Отправка через ведущие транспортные и курьерские компании: ПЭК, Деловые Линии, СДЭК, Байкал-Сервис, Энергия, КИТ, ЖелДорЭкспедиция.
Самовывоз возможен напрямую со склада в Москве.
Сроки доставки
Срок зависит от региона и выбранной транспортной компании. Все заказы комплектуются и отправляются в кратчайшие сроки со склада в Москве.
Надёжность и сохранность
Вся продукция упаковывается с учётом требований транспортировки. Мы гарантируем, что подшипники и комплектующие прибудут к заказчику в полной сохранности.
Доставка в страны ЕАЭС
Мы работаем с проверенными логистическими партнёрами, что позволяет оперативно доставлять заказы в Беларусь, Казахстан, Армению и другие страны ЕАЭС.
Варианты оплаты:
Минимальная сумма заказа и скидки:
Документы и гарантии:
Да, конечно! Наши технические специалисты готовы помочь вам с подбором точного аналога или замены подшипника. Просто позвоните нам по телефону +7 (495) 104-99-04 или напишите на почту zakaz@podsnab.ru.
Для оперативной консультации подготовьте, пожалуйста, имеющиеся данные: маркировку, размеры, тип оборудования или артикул старого подшипника.
Да, конечно! Мы высоко ценим долгосрочное сотрудничество и доверие клиентов по всей России. Для постоянных клиентов действует персональная система скидок.
Условия формируются индивидуально и зависят от:
Чтобы узнать свои условия и получить максимально выгодное предложение, свяжитесь с персональным менеджером или напишите нам на почту zakaz@podsnab.ru.
Вы можете оформить заказ несколькими способами:
Для оформления заказа от юридического лица свяжитесь с нашим отделом по работе с корпоративными клиентами по телефону +7 (495) 104-99-04 или напишите на email zakaz@podsnab.ru, прикрепив реквизиты вашей организации.
Мы оперативно подготовим коммерческое предложение и выставим счет.
Возврат товара надлежащего качества возможен в течение 10 дней с момента получения, если товар не был в употреблении, сохранен товарный вид, упаковка не вскрывалась и присутствуют все сопроводительные документы.
Возврат денежных средств осуществляется в течение 10 рабочих дней после проверки товара складом.
В соответствии с законодательством возврату не подлежат подшипники надлежащего качества, если отсутствует оригинальная упаковка или имеются следы монтажа.
В случае выявления брака или гарантийного случая мы гарантируем возврат или обмен товара.
Да, гарантийный срок хранения устанавливается заводом-изготовителем и в среднем составляет 2 года при соблюдении условий хранения: сухое помещение, оригинальная упаковка и смазка.
Точный срок для конкретного типа подшипника уточняйте у наших менеджеров.
Пн–Пт: с 8:00 до 17:00 (МСК).
Сб–Вс: выходные дни.
Заказы на сайте принимаются круглосуточно. Заявки, поступившие после окончания рабочего дня, обрабатываются на следующий рабочий день.
Минимальная сумма заказа для доставки составляет 3000 рублей. Самовывоз со склада возможен на любую сумму при наличии товара.
ООО «УралТехГрупп»
ИНН: 7415093830
КПП: 772401001
ОГРН: 1167456069021
Банк: ПАО Сбербанк
Р/с: 40702810838000475273
К/с: 30101810400000000225
БИК: 044525225
У подшипника NATR6LL/3AS пока нет отзывов. Вы можете стать первым покупателем, поделившимся своим мнением.