Поиск подшипника
Статьи
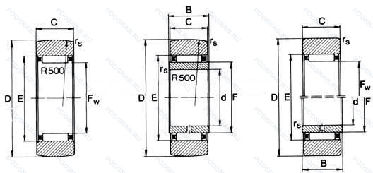
NART6VUUR — Опорный ролик, модификация основного исполнения NART6, производство FBJ.
Размер ролика: 6x19x11 мм.
Герметичный тип, полный тип дополнения, коронка на наружном кольце.
Альтернативное обозначение: MCYR6S, NATV6-PP-A.
Аналоги: NATV6-PP-A INA,NATV6LL NTN.
Международная стандартизации ISO
NART6VUUR
В наличии
| Обозначение | Конструктивные изменения |
|---|---|
| NART6R | Коронка на наружном кольце. |
| NART6VR | Коронка на наружном кольце. Подшипник без сепаратора. С полным комплектом тел качения. Когда в суффиксе упоминается только «V». Это означает. что подшипник уплотнен. Поэтому используйте «2Z» в сегменте «Уплотнение».. |
| NART6UUR | Коронка на наружном кольце. Резиновые уплотнения с каждой стороны подшипника. |
Модификации опорного ролика NART6VUUR — это измененное основное конструктивное исполнение NART6, основные размеры (6x19x11) не отличаются.
| Обозначение | Гост | Конструктивные особенности |
|---|---|---|
| NATV6X | ISO | Цилиндрическая рабочая поверхность. |
| NATR6PPA | ISO | Измененная или модифицированная внутренняя конструкция при неизменных основных размерах. Скользящие уплотнительные кольца из полиамида с обеих сторон, улучшенный корончатый профиль рабочей поверхности наружного кольца. |
| NATR6DZ | ISO | Опорные ролики игольчатого типа. Цилиндрический наружный диаметр. Литой сепаратор оконного типа из полиамида. усиленного стекловолокном. |
| NATV6PP | ISO | Уплотнения на каждой стороне подшипника. |
| NATR6LL/3AS | ISO | Контактное. синтетические. резиновое уплотнение с двух сторон. Смазка. Shell Oil Co. Смазка Alvania #3, стандартная заливка.. |
| MCYRR6SX | ISO | Запечатанная версия кулачкового ролика. Цилиндрическая рабочая поверхность. |
| NATR6-C3-GA11 | ISO | Внутренний зазор больше нормального. |
| NATV6LL/3AS | ISO | Контактное. синтетические. резиновое уплотнение с двух сторон. Смазка. Shell Oil Co. Смазка Alvania #3, стандартная заливка.. |
| NATR6-PP-A-P5 | ISO | Двухрядный радиально-упорный шарикоподшипник без отверстия для смазки. Размерная и рабочая точность соответствует классу допуска ISO 5. Манжетные уплотнения с обеих сторон (тип P - две шайбы из оцинкованной листовой стали с промежуточной частью NBR. Кромка уплотнения предварительно нагружена в осевом направлении). Диапазон температур -30℃/+100℃. |
| NATR6-PP-RR-A | ISO | Переделка во внутренней конструкции. Идентичен старой нотации. Манжетные уплотнения с обеих сторон (тип P - две шайбы из оцинкованной листовой стали с промежуточной частью NBR. Кромка уплотнения предварительно нагружена в осевом направлении). Диапазон температур -30℃/+100℃. Защищен от коррозии специальным покрытием Corrotect®.. |
| NATV6LL | ISO | Контактное. синтетические. резиновое уплотнение с двух сторон. |
| MCYR6SX | ISO | Радиально-упорный сферический подшипник скольжения. требующий обслуживания по ISO 12 2402. Монтажные размеры как для конических роликоподшипников по DIN 720. 320X. Стальная скользящая контактная поверхность. |
| NATR6LL | ISO | Контактное. синтетические. резиновое уплотнение с двух сторон. |
| NATR6-X-PP-A | ISO | Переделка во внутренней конструкции. Идентичен старой нотации. Цилиндрическая рабочая поверхность. Манжетные уплотнения с обеих сторон (тип P - две шайбы из оцинкованной листовой стали с промежуточной частью NBR. Кромка уплотнения предварительно нагружена в осевом направлении). Диапазон температур -30℃/+100℃. |
| NA22/6-X-2RSR | ISO | Rubber Seals At Each Side Of The Bearing. Temperature Range -30℃/+120℃. Цилиндрическая рабочая поверхность. Exxon Aviation Instrument Oil. |
| NATV6-X-PP-A | ISO | Переделка во внутренней конструкции. Идентичен старой нотации. Цилиндрическая рабочая поверхность. Манжетные уплотнения с обеих сторон (тип P - две шайбы из оцинкованной листовой стали с промежуточной частью NBR. Кромка уплотнения предварительно нагружена в осевом направлении). Диапазон температур -30℃/+100℃. |
| NA22/6LL/3AS | ISO | Контактное. синтетические. резиновое уплотнение с двух сторон. Смазка. Shell Oil Co. Смазка Alvania #3, стандартная заливка.. |
| MCYR6S | ISO | Запечатанная версия кулачкового ролика. |
| NATR6XLL/3AS | ISO | Цилиндрическая рабочая поверхность. Контактное уплотнения из синтетической черной резины с обеих сторон. Смазка. Shell Oil Co. Смазка Alvania #3, стандартная заливка.. |
| NATV6XLL/3AS | ISO | Цилиндрическая рабочая поверхность. Контактное уплотнения из синтетической черной резины с обеих сторон. Смазка. Shell Oil Co. Смазка Alvania #3, стандартная заливка.. |
Аналог опорного ролика NART6VUUR — это ролик такого же размера dx6,Dx19,Bx11, типа и конструкции.
| Обозначение | Конструктивные особенности | Внутренний (d) | Наружный (D) | Ширина (B) |
|---|---|---|---|---|
| VEX7 7 CE1 DDL | Подшипник шариковый однорядный радиально-упорный. Расположение внешнего сепаратора. P4 (SKF)=Abec.7. C-Phenolic Resin. E-External Cage Location. 1-15° Угол контакта. Контактное уплотнение с двух сторон. | 7.00 | 19.00 | 12.00 |
| 707CE/P4ADBA | Подшипник шариковый однорядный радиально-упорный. Точность размеров в соответствии с классом допуска ISO 4. точность вращения лучше чем класс допуска ISO 4. Два однорядных радиальных шарикоподшипника. Однорядные радиально-упорные шарикоподшипники или однорядные конические роликовые подшипники. подходящие для монтажа в схеме «спина к спине». Легкая предварительная нагрузка. 15° Угол контакта And (E) Small Size Steel Balls. | 7.00 | 19.00 | 12.00 |
| 30/7 2RSR HLW | Подшипник шариковый двухрядный радиально-упорный. Резиновые уплотнения с каждой стороны подшипника. Код местонахождения завода. может использоваться в стандартной комплектации. | 7.00 | 19.00 | 10.00 |
| 36PP2 | Подшипник однорядный шариковый радиальный. Манжетные уплотнения с обеих сторон подшипника. | 6.00 | 19.00 | 10.31 |
| ZKLN0619-2Z-PE | Шариковый радиально-упорный подшипник двойного направления. Зазорные уплотнения с обеих сторон подшипника.. Допуски на увеличенный диаметр и осевое биение по классу точности P5 для радиальных подшипников. | 6.00 | 19.00 | 12.00 |
| 30/7C2 | Подшипник шариковый двухрядный радиально-упорный. Внутренний зазор подшипника меньше нормального. | 7.00 | 19.00 | 10.00 |
| ШВХ6 | Шарнирный подшипник. С хвостовиком.. | 6.00 | 20.00 | 12.00 |
| 30/7-B-2RSR-TVH | Шариковый радиально-упорный подшипник. Модифицированная внутренняя конструкция. Твердая клетка из полиамида. Резиновые уплотнения с каждой стороны подшипника. | 7.00 | 19.00 | 10.00 |
| 30/7-B-2Z-TVH | Шариковый радиально-упорный подшипник. Модифицированная внутренняя конструкция. Защитные металлические шайбы с обеих сторон подшипника. Твердая клетка из полиамида. | 7.00 | 19.00 | 10.00 |
| SF612DT | Шариковый радиально-упорный двухрядный подшипник. Дуплексные подшипники для установки в тандеме. | 6.00 | 19.00 | 12.00 |
| SF624DF | Шариковый радиально-упорный двухрядный подшипник. Комплект из двух подшипников. согласованных для установки по Х-образной схеме. Число. следующее непосредственно после букв DF. обозначает конструкцию промежуточного кольца. | 6.00 | 19.00 | 12.00 |
| ZKLN0619-2Z | Шариковый радиально-упорный двухрядный подшипник. Защитные металлические шайбы с обеих сторон подшипника. | 6.00 | 19.00 | 12.00 |
| ZKLFA0630-2Z | Шариковый радиально-упорный двухрядный подшипник. Защитные металлические шайбы с обеих сторон подшипника. | 6.00 | 19.00 | 12.00 |
| NA22/6XLL | Роликовый игольчатый подшипник однорядный. Два уплотнения. | 6.00 | 19.00 | 12.00 |
| 607ZZD2 | Шариковый радиальный однорядный подшипник. Стальная шайба. | 7.00 | 19.00 | 12.00 |
Способы доставки
Отправка через ведущие транспортные и курьерские компании: ПЭК, Деловые Линии, СДЭК, Байкал-Сервис, Энергия, КИТ, ЖелДорЭкспедиция.
Самовывоз возможен напрямую со склада в Москве.
Сроки доставки
Срок зависит от региона и выбранной транспортной компании. Все заказы комплектуются и отправляются в кратчайшие сроки со склада в Москве.
Надёжность и сохранность
Вся продукция упаковывается с учётом требований транспортировки. Мы гарантируем, что подшипники и комплектующие прибудут к заказчику в полной сохранности.
Доставка в страны ЕАЭС
Мы работаем с проверенными логистическими партнёрами, что позволяет оперативно доставлять заказы в Беларусь, Казахстан, Армению и другие страны ЕАЭС.
Варианты оплаты:
Минимальная сумма заказа и скидки:
Документы и гарантии:
Да, конечно! Наши технические специалисты готовы помочь вам с подбором точного аналога или замены подшипника. Просто позвоните нам по телефону +7 (495) 104-99-04 или напишите на почту zakaz@podsnab.ru.
Для оперативной консультации подготовьте, пожалуйста, имеющиеся данные: маркировку, размеры, тип оборудования или артикул старого подшипника.
Да, конечно! Мы высоко ценим долгосрочное сотрудничество и доверие клиентов по всей России. Для постоянных клиентов действует персональная система скидок.
Условия формируются индивидуально и зависят от:
Чтобы узнать свои условия и получить максимально выгодное предложение, свяжитесь с персональным менеджером или напишите нам на почту zakaz@podsnab.ru.
Вы можете оформить заказ несколькими способами:
Для оформления заказа от юридического лица свяжитесь с нашим отделом по работе с корпоративными клиентами по телефону +7 (495) 104-99-04 или напишите на email zakaz@podsnab.ru, прикрепив реквизиты вашей организации.
Мы оперативно подготовим коммерческое предложение и выставим счет.
Возврат товара надлежащего качества возможен в течение 10 дней с момента получения, если товар не был в употреблении, сохранен товарный вид, упаковка не вскрывалась и присутствуют все сопроводительные документы.
Возврат денежных средств осуществляется в течение 10 рабочих дней после проверки товара складом.
В соответствии с законодательством возврату не подлежат подшипники надлежащего качества, если отсутствует оригинальная упаковка или имеются следы монтажа.
В случае выявления брака или гарантийного случая мы гарантируем возврат или обмен товара.
Да, гарантийный срок хранения устанавливается заводом-изготовителем и в среднем составляет 2 года при соблюдении условий хранения: сухое помещение, оригинальная упаковка и смазка.
Точный срок для конкретного типа подшипника уточняйте у наших менеджеров.
Пн–Пт: с 8:00 до 17:00 (МСК).
Сб–Вс: выходные дни.
Заказы на сайте принимаются круглосуточно. Заявки, поступившие после окончания рабочего дня, обрабатываются на следующий рабочий день.
Минимальная сумма заказа для доставки составляет 3000 рублей. Самовывоз со склада возможен на любую сумму при наличии товара.
ООО «УралТехГрупп»
ИНН: 7415093830
КПП: 772401001
ОГРН: 1167456069021
Банк: ПАО Сбербанк
Р/с: 40702810838000475273
К/с: 30101810400000000225
БИК: 044525225
У подшипника NART6VUUR пока нет отзывов. Вы можете стать первым покупателем, поделившимся своим мнением.