Поиск подшипника
Статьи
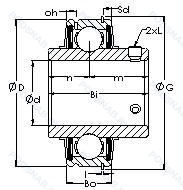
ER207 — Подшипник для корпуса, основное исполнение, выпускается производителями: FYH, KOYO, NTN.
Размер подшипника: 35x72x42 мм.
Тип подшипника: Дюймовый специальный тонкая серия.
Международная стандартизации ISO
ER207
В наличии
| Обозначение | Конструктивные изменения |
|---|---|
| ER207-23 | 1.7/16. |
| ER207-22 | 1.3/8. |
| ER207TMC | Подшипник для корпуса. |
| ER207-21 | 1.5/16. |
| ER207-20 | Distance Between Beginning Of The Rail And First Hole In MM. |
Модификации подшипника для корпуса ER207 — это измененное основное конструктивное исполнение ER207, основные размеры (35x72x42) не отличаются.
| Обозначение | Гост | Конструктивные особенности |
|---|---|---|
| UC207HT350 | ISO | 350°C Temperature Range. |
| UC207G2L4 | ISO | Cистема повторного смазывания для корпусных подшипников. |
| GY1106KRRB AS2/V | ISO | Подшипник со сферическим наружным кольцом. Манжетные уплотнения с обеих сторон (уплотнение типа R - имеет оцинкованные внутреннюю и внешнюю крышки. Между крышками имеется уплотнительная кромка NBR. идущая по шлифованному буртику). Наружное кольцо подшипника с двумя смазочными отверстиями в смещенных плоскостях. |
| YAR207-2RF/HVA | ISO | Стандартное контактное уплотнение с дополнительным прорезиненным кольцом с обеих сторон подшипника. Подшипник или компонент подшипника из закаленной нержавеющей стали. |
| UC207G2 | ISO | Cистема повторного смазывания для корпусных подшипников. |
| RB207PPB | ISO | Подшипник со сферическим наружным кольцом. Манжетные уплотнения с обеих сторон (Тип P — две шайбы из оцинкованной листовой стали с промежуточной частью из NBR. Кромка уплотнения предварительно нагружена в осевом направлении). |
| UC207L | ISO | Одно механическое уплотнение. |
| YAR207-2FW/VA228 | ISO | Измененная или модифицированная внутренняя конструкция при неизменных основных размерах. Bearing With A “Coronet” Cage Of Graphite For Temperatures -150°C/+350°C. Стандартное контактное уплотнение с дополнительным плоским маслоотражателем на обеих сторонах подшипника без смазочных отверстий в наружном кольце. |
| YAR207-106-2RF/HV | ISO | Стандартное контактное уплотнение с дополнительным прорезиненным кольцом с обеих сторон подшипника. Подшипник или компонент подшипника из закаленной нержавеющей стали. Подшипник подвергается специальным испытаниям на шум. |
| YAR207-2FW/VA201 | ISO | Измененная или модифицированная внутренняя конструкция при неизменных основных размерах. Стандартное контактное уплотнение с дополнительным плоским маслоотражателем на обеих сторонах подшипника без смазочных отверстий в наружном кольце. Подшипник для высокотемпературных применений (например. печных тележек). |
| YAR207-106-2F/AH | ISO | Стандартное контактное уплотнение с дополнительным маслоотражательным кольцом с обеих сторон. Противовращающийся штырь. Массивные ножки и свободный момент выравнивания. Подшипник подвергается специальным испытаниям на шум. |
| UC207SS | ISO | Нержавеющая сталь. |
| UC207-106/LP03 | ISO | General-Purpose Solid Grease. -20°C +80°C. 1.3/8. |
| UC207-106 | ISO | 1.3/8. |
| YAR207-2DW/AG | ISO | Bearing For Agricultural Applications. Insert Bearing With Set Screws. YAR 2-2DW/AG series. |
| UC207-A | ISO | Двухрядный радиально-упорный шарикоподшипник без отверстия для смазки. |
| 1035-35G-MS44 | ISO | HIGH TEMPERATURE GREASE. STEEL CAGE AND C4 FIT. |
| UCS207LD1N | ISO | Не требующий обслуживания тип. Two Grooves In Outside Ring. |
| LE207-106.2F.Y | ISO | Двойное уплотнение. Защитная крышка, размещенная на внутреннем кольце. Используется с подшипниками типа Y. Сепаратор из прессованной латуни. Центрирование шарика. Подшипник подвергается специальным испытаниям на шум. |
| MUC/UC207S6 | ISO | Нержавеющая сталь. |
Аналог подшипника для корпуса ER207 — это подшипник такого же размера dx35,Dx72,Bx42, типа и конструкции.
| Обозначение | Конструктивные особенности | Внутренний (d) | Наружный (D) | Ширина (B) |
|---|---|---|---|---|
| 480207/Д21 | Шариковый радиальный однорядный подшипник. Сепаратор из алюминиевого сплава.. | 35.00 | 72.00 | 42.90 |
| 480207/Д22 | Шариковый радиальный однорядный подшипник. Сепаратор из алюминиевого сплава.. | 35.00 | 72.00 | 42.90 |
| 480207/Д23 | Шариковый радиальный однорядный подшипник. Сепаратор из алюминиевого сплава.. | 35.00 | 72.00 | 42.90 |
| 6-480207 АН1К7УС17Ш1 | Шариковый радиальный однорядный подшипник. Смазка Литол-24. Дополнительные технические требования. Повышенная грузоподъемность. Нормы шумности. Детали из теплостойкой стали. Двусторонние уплотнения плюс стопорный штифт. | 35.00 | 72.00 | 42.90 |
| 6-480207 АН1К7УС17Ш | Шариковый радиальный однорядный подшипник. Смазка Литол-24. Дополнительные технические требования. Повышенная грузоподъемность. Нормы шумности. Детали из теплостойкой стали. Двусторонние уплотнения плюс стопорный штифт. | 35.00 | 72.00 | 42.90 |
| RB207-22 | Шариковый радиальный однорядный подшипник. 1.3/8. | 34.92 | 72.00 | 42.90 |
| 102036/102072H | Роликовый радиальный-упорный двухрядный подшипник. Pressed Snap-Type Steel Cage. Hardened. | 36.00 | 72.00 | 42.00 |
| 102036/102072G | Роликовый радиальный-упорный двухрядный подшипник. Устройство повторного смазывания со смазочной канавкой и отверстием на внешнем кольце. | 36.00 | 72.00 | 42.00 |
| ER22DD | Шариковый радиальный однорядный подшипник. Два уплотнения из PTFE. | 34.92 | 72.00 | 42.86 |
| GY1106KRRB SGT | Шариковый радиальный однорядный подшипник. Shaft Guarding Technology™. | 34.92 | 72.00 | 42.87 |
| GYE35KRRB SGT | Шариковый радиальный однорядный подшипник. Shaft Guarding Technology™. | 35.00 | 72.00 | 42.87 |
| 480207-Н1К7У | Шариковый радиальный однорядный подшипник. Дополнительные технические требования. Детали из теплостойкой стали. Двусторонние уплотнения плюс стопорный штифт. | 35.00 | 72.00 | 42.90 |
| 480207-НУС17 | Шариковый радиальный однорядный подшипник. Смазка Литол-24. Детали из теплостойкой стали. Дополнительные технические требования. | 35.00 | 72.00 | 42.90 |
| 480207.UC-БЕЗ-КОРПУСА | Шариковый радиальный однорядный подшипник. Сепаратор из текстолита.. Дополнительные технические требования. Детали из теплоустойчивой (быстрорежущие) стали.. Повышенная грузоподъемность. Сепаратор из безоловянистой бронзы.. | 35.00 | 72.00 | 42.90 |
| 480207.UCF-В-КОРПУСЕ | Шариковый радиальный однорядный подшипник. Сепаратор из текстолита.. Дополнительные технические требования. Детали из теплоустойчивой (быстрорежущие) стали.. | 35.00 | 72.00 | 42.90 |
Способы доставки
Отправка через ведущие транспортные и курьерские компании: ПЭК, Деловые Линии, СДЭК, Байкал-Сервис, Энергия, КИТ, ЖелДорЭкспедиция.
Самовывоз возможен напрямую со склада в Москве.
Сроки доставки
Срок зависит от региона и выбранной транспортной компании. Все заказы комплектуются и отправляются в кратчайшие сроки со склада в Москве.
Надёжность и сохранность
Вся продукция упаковывается с учётом требований транспортировки. Мы гарантируем, что подшипники и комплектующие прибудут к заказчику в полной сохранности.
Доставка в страны ЕАЭС
Мы работаем с проверенными логистическими партнёрами, что позволяет оперативно доставлять заказы в Беларусь, Казахстан, Армению и другие страны ЕАЭС.
Варианты оплаты:
Минимальная сумма заказа и скидки:
Документы и гарантии:
Да, конечно! Наши технические специалисты готовы помочь вам с подбором точного аналога или замены подшипника. Просто позвоните нам по телефону +7 (495) 104-99-04 или напишите на почту zakaz@podsnab.ru.
Для оперативной консультации подготовьте, пожалуйста, имеющиеся данные: маркировку, размеры, тип оборудования или артикул старого подшипника.
Да, конечно! Мы высоко ценим долгосрочное сотрудничество и доверие клиентов по всей России. Для постоянных клиентов действует персональная система скидок.
Условия формируются индивидуально и зависят от:
Чтобы узнать свои условия и получить максимально выгодное предложение, свяжитесь с персональным менеджером или напишите нам на почту zakaz@podsnab.ru.
Вы можете оформить заказ несколькими способами:
Для оформления заказа от юридического лица свяжитесь с нашим отделом по работе с корпоративными клиентами по телефону +7 (495) 104-99-04 или напишите на email zakaz@podsnab.ru, прикрепив реквизиты вашей организации.
Мы оперативно подготовим коммерческое предложение и выставим счет.
Возврат товара надлежащего качества возможен в течение 10 дней с момента получения, если товар не был в употреблении, сохранен товарный вид, упаковка не вскрывалась и присутствуют все сопроводительные документы.
Возврат денежных средств осуществляется в течение 10 рабочих дней после проверки товара складом.
В соответствии с законодательством возврату не подлежат подшипники надлежащего качества, если отсутствует оригинальная упаковка или имеются следы монтажа.
В случае выявления брака или гарантийного случая мы гарантируем возврат или обмен товара.
Да, гарантийный срок хранения устанавливается заводом-изготовителем и в среднем составляет 2 года при соблюдении условий хранения: сухое помещение, оригинальная упаковка и смазка.
Точный срок для конкретного типа подшипника уточняйте у наших менеджеров.
Пн–Пт: с 8:00 до 17:00 (МСК).
Сб–Вс: выходные дни.
Заказы на сайте принимаются круглосуточно. Заявки, поступившие после окончания рабочего дня, обрабатываются на следующий рабочий день.
Минимальная сумма заказа для доставки составляет 3000 рублей. Самовывоз со склада возможен на любую сумму при наличии товара.
ООО «УралТехГрупп»
ИНН: 7415093830
КПП: 772401001
ОГРН: 1167456069021
Банк: ПАО Сбербанк
Р/с: 40702810838000475273
К/с: 30101810400000000225
БИК: 044525225
У подшипника ER207 пока нет отзывов. Вы можете стать первым покупателем, поделившимся своим мнением.