Поиск подшипника
Статьи
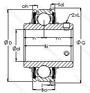
ER207-20 — Шариковый радиальный однорядный подшипник, модификация основного исполнения ER207, выпускается производителями: FYH, KOYO.
Размер подшипника: 31x72x42 мм.
Тип подшипника: Дюймовый специальный тонкая серия, distance between beginning of the rail and first hole in mm.
Международная стандартизации ISO
ER20720
В наличии
| Обозначение | Конструктивные изменения |
|---|---|
| ER207-23 | 1.7/16. |
| ER207-22 | 1.3/8. |
| ER207 | Шариковый радиальный однорядный подшипник. Основное конструктивное исполнение. |
| ER207TMC | Шариковый радиальный однорядный подшипник. |
| ER207-21 | 1.5/16. |
Модификации шарикового подшипника ER207-20 — это измененное основное конструктивное исполнение ER207, основные размеры (31x72x42) не отличаются.
| Обозначение | Гост | Конструктивные особенности |
|---|---|---|
| RB207-20 | ISO | Distance Between Beginning Of The Rail And First Hole In MM. |
| UCX06-20 | ISO | Distance Between Beginning Of The Rail And First Hole In MM. |
| UC207-20L3 | ISO | Шариковый радиальный однорядный подшипник. |
| UCX06-19L3 | ISO | Шариковый радиальный однорядный подшипник. |
| UCX06-20L3 | ISO | Шариковый радиальный однорядный подшипник. |
| UCX06L3 | ISO | Тройное манжетное уплотнение для вкладыша подшипника. |
| UCS306D1 | ISO | Не требующий обслуживания тип. |
| E2.YAR207-104-2F | ISO | Шариковый радиальный однорядный подшипник. |
| UK207+H-19 | ISO | Pressed Snap-Type Steel Cage. Hardened. 1.3/16. |
| ER20DD | ISO | Два уплотнения из PTFE. |
| GYM1103KRRB | ISO | Шариковый радиальный однорядный подшипник. |
| SUCX06 | ISO | Шариковый радиальный однорядный подшипник. |
Аналог шарикового подшипника ER207-20 — это подшипник такого же размера dx31,Dx72,Bx42, типа и конструкции.
| Обозначение | Конструктивные особенности | Внутренний (d) | Наружный (D) | Ширина (B) |
|---|---|---|---|---|
| 31306-A-N11CA-A50-90 | Однорядный конический роликовый подшипник. Модификация внутренней конструкции. Два Х-расположенных конических роликоподшипника. С прокладками между чашками. Осевой зазор в мкм. | 30.00 | 72.00 | 41.50 |
| 31306/DF | Двухрядный конический роликовый подшипник. Комплект из двух подшипников. согласованных для установки по Х-образной схеме. Число. следующее непосредственно после букв DF. обозначает конструкцию промежуточного кольца. | 30.00 | 72.00 | 41.50 |
| YAR207-104-2FW/VA201 | Подшипник для корпуса. Измененная или модифицированная внутренняя конструкция при неизменных основных размерах. Стандартное контактное уплотнение с дополнительным плоским маслоотражателем на обеих сторонах подшипника без смазочных отверстий в наружном кольце. 1.1/4. Подшипник для высокотемпературных применений (например. печных тележек). | 31.75 | 72.00 | 42.90 |
| YAR207-104-2FW/VA228 | Подшипник для корпуса. Измененная или модифицированная внутренняя конструкция при неизменных основных размерах. Bearing With A “Coronet” Cage Of Graphite For Temperatures -150°C/+350°C. Стандартное контактное уплотнение с дополнительным плоским маслоотражателем на обеих сторонах подшипника без смазочных отверстий в наружном кольце. 1.1/4. | 31.75 | 72.00 | 42.90 |
| YAR207-104-2F/AH | Подшипник для корпуса. Стандартное контактное уплотнение с дополнительным маслоотражательным кольцом с обеих сторон. Противовращающийся штырь. Массивные ножки и свободный момент выравнивания. 1.1/4. | 31.75 | 72.00 | 42.90 |
| YAR207-104-2RF/HV | Подшипник для корпуса. Стандартное контактное уплотнение с дополнительным прорезиненным кольцом с обеих сторон подшипника. Подшипник или компонент подшипника из закаленной нержавеющей стали. 1.1/4. | 31.75 | 72.00 | 42.90 |
| Y/UC306 | Подшипник для корпуса. Сепаратор из прессованной латуни. Центрирование шарика. | 30.00 | 72.00 | 43.00 |
| 31306J2/QDF | Однорядный конический роликовый подшипник. Оптимизированная геометрия и специальная обработка контактных поверхностей. Штампованный стальной сепаратор. центрируемый по роликам. Число после J указывает на различные конструктивные исполнения сепаратора. Комплект из двух подшипников. согласованных для установки по Х-образной схеме. Число. следующее непосредственно после букв DF. обозначает конструкцию промежуточного кольца. | 30.00 | 72.00 | 41.50 |
| ER20SL | Подшипник для корпуса. Канавка под стопорное кольцо на стороне подшипника. противоположной защитному щитку. Стопорное кольцо входит в комплект поставки. | 31.75 | 72.00 | 42.86 |
| 1035-1.1/4GHLT | Подшипник для корпуса. Вкладыш подшипника с возможностью повторной смазки. Высоко- и низкотемпературные подшипниковые вкладыши. Number Of Carriages Per Rail Track. | 31.75 | 72.00 | 42.90 |
| 1035-1.1/4GMS44 | Подшипник для корпуса. Смазочные отверстия в распределительной канавке. Механически обработанные в наружном кольце для смазки. HIGH TEMPERATURE GREASE. STEEL CAGE AND C4 FIT. Number Of Carriages Per Rail Track. | 31.75 | 72.00 | 42.90 |
| 1035-30KG C4 | Подшипник для корпуса. Коническое отверстие. конус 1/12. Внутренний зазор подшипника больше. чем C3. Вкладыш подшипника с возможностью повторной смазки. | 30.00 | 72.00 | 42.88 |
| YARAG 207-104 | Шариковый радиальный подшипник. 1.1/4. | 31.75 | 72.00 | 42.90 |
| YSA 207-2FK + H 2307 | Шариковый радиальный подшипник. Pressed Snap-Type Steel Cage. Hardened. | 30.00 | 72.00 | 43.00 |
| 31306J/DF | Роликовый радиальный-упорный двухрядный подшипник. Дорожки качения наружного кольца. угол контакта и ширина наружного кольца в соответствии с ISO. Комплект из двух подшипников. согласованных для установки по Х-образной схеме. Число. следующее непосредственно после букв DF. обозначает конструкцию промежуточного кольца. | 30.00 | 72.00 | 41.50 |
Способы доставки
Отправка через ведущие транспортные и курьерские компании: ПЭК, Деловые Линии, СДЭК, Байкал-Сервис, Энергия, КИТ, ЖелДорЭкспедиция.
Самовывоз возможен напрямую со склада в Москве.
Сроки доставки
Срок зависит от региона и выбранной транспортной компании. Все заказы комплектуются и отправляются в кратчайшие сроки со склада в Москве.
Надёжность и сохранность
Вся продукция упаковывается с учётом требований транспортировки. Мы гарантируем, что подшипники и комплектующие прибудут к заказчику в полной сохранности.
Доставка в страны ЕАЭС
Мы работаем с проверенными логистическими партнёрами, что позволяет оперативно доставлять заказы в Беларусь, Казахстан, Армению и другие страны ЕАЭС.
Варианты оплаты:
Минимальная сумма заказа и скидки:
Документы и гарантии:
Да, конечно! Наши технические специалисты готовы помочь вам с подбором точного аналога или замены подшипника. Просто позвоните нам по телефону +7 (495) 104-99-04 или напишите на почту zakaz@podsnab.ru.
Для оперативной консультации подготовьте, пожалуйста, имеющиеся данные: маркировку, размеры, тип оборудования или артикул старого подшипника.
Да, конечно! Мы высоко ценим долгосрочное сотрудничество и доверие клиентов по всей России. Для постоянных клиентов действует персональная система скидок.
Условия формируются индивидуально и зависят от:
Чтобы узнать свои условия и получить максимально выгодное предложение, свяжитесь с персональным менеджером или напишите нам на почту zakaz@podsnab.ru.
Вы можете оформить заказ несколькими способами:
Для оформления заказа от юридического лица свяжитесь с нашим отделом по работе с корпоративными клиентами по телефону +7 (495) 104-99-04 или напишите на email zakaz@podsnab.ru, прикрепив реквизиты вашей организации.
Мы оперативно подготовим коммерческое предложение и выставим счет.
Возврат товара надлежащего качества возможен в течение 10 дней с момента получения, если товар не был в употреблении, сохранен товарный вид, упаковка не вскрывалась и присутствуют все сопроводительные документы.
Возврат денежных средств осуществляется в течение 10 рабочих дней после проверки товара складом.
В соответствии с законодательством возврату не подлежат подшипники надлежащего качества, если отсутствует оригинальная упаковка или имеются следы монтажа.
В случае выявления брака или гарантийного случая мы гарантируем возврат или обмен товара.
Да, гарантийный срок хранения устанавливается заводом-изготовителем и в среднем составляет 2 года при соблюдении условий хранения: сухое помещение, оригинальная упаковка и смазка.
Точный срок для конкретного типа подшипника уточняйте у наших менеджеров.
Пн–Пт: с 8:00 до 17:00 (МСК).
Сб–Вс: выходные дни.
Заказы на сайте принимаются круглосуточно. Заявки, поступившие после окончания рабочего дня, обрабатываются на следующий рабочий день.
Минимальная сумма заказа для доставки составляет 3000 рублей. Самовывоз со склада возможен на любую сумму при наличии товара.
ООО «УралТехГрупп»
ИНН: 7415093830
КПП: 772401001
ОГРН: 1167456069021
Банк: ПАО Сбербанк
Р/с: 40702810838000475273
К/с: 30101810400000000225
БИК: 044525225
У подшипника ER207-20 пока нет отзывов. Вы можете стать первым покупателем, поделившимся своим мнением.