Поиск подшипника
Статьи
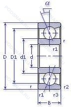
Т-36105 Е — Шариковый радиально-упорный однорядный подшипник, модификация основного исполнения 36105, производство ГПЗ.
Размер подшипника: 25x47x12 мм.
Сепаратор из текстолита.
Государственный стандарт ГОСТ
Т36105Е
В наличии
| Обозначение | Конструктивные изменения |
|---|---|
| 2-36105 КБШ3У1 | «Замок» (скос) на внутреннем кольце плюс массивный сепаратор из текстолита. Сепаратор из безоловянистой бронзы.. Дополнительные технические требования. Нормы шумности. |
| 2-36105 КБШ3У | «Замок» (скос) на внутреннем кольце плюс массивный сепаратор из текстолита. Дополнительные технические требования. Сепаратор из безоловянистой бронзы.. Нормы шумности. |
| 2-36105 КЕШ3 | «Замок» (скос) на внутреннем кольце плюс массивный сепаратор из текстолита. Сепаратор из текстолита.. Нормы шумности. |
| 4-36105 КЕУШ3 | «Замок» (скос) на внутреннем кольце плюс массивный сепаратор из текстолита. Сепаратор из текстолита.. Дополнительные технические требования. Нормы шумности. |
| 5-36105-КЕШ2 | «Замок» (скос) на внутреннем кольце плюс массивный сепаратор из текстолита. Сепаратор из текстолита.. Нормы шумности. |
| 6-36105 КЕШ1 | «Замок» (скос) на внутреннем кольце плюс массивный сепаратор из текстолита. Сепаратор из текстолита.. Нормы шумности. |
| 14-36105 КУ | «Замок» (скос) на внутреннем кольце плюс массивный сепаратор из текстолита. Дополнительные технические требования. |
| 2-36105 К | «Замок» (скос) на внутреннем кольце плюс массивный сепаратор из текстолита. |
| 2-36105 К5Ш3У | «Замок» (скос) на внутреннем кольце плюс массивный сепаратор из текстолита. Дополнительные технические требования. Нормы шумности. |
| 2-36105 К5Ш3У1 | «Замок» (скос) на внутреннем кольце плюс массивный сепаратор из текстолита. Дополнительные технические требования. Нормы шумности. |
| 2-36105 КЕ | «Замок» (скос) на внутреннем кольце плюс массивный сепаратор из текстолита. Сепаратор из текстолита.. |
| 2-36105 КШ1 | «Замок» (скос) на внутреннем кольце плюс массивный сепаратор из текстолита. Нормы шумности. |
| 36105-Е | Сепаратор из текстолита.. |
| 36105-КЕ | «Замок» (скос) на внутреннем кольце плюс массивный сепаратор из текстолита. Сепаратор из текстолита.. |
| 36105K | Коническое отверстие. Конусность 1/12. |
| 36105К | «Замок» (скос) на внутреннем кольце плюс массивный сепаратор из текстолита. |
| 36105К6 | «Замок» (скос) на внутреннем кольце. |
| 36105К7 | «Замок» (скос) на внутреннем кольце. |
| 2-36105-Е | Сепаратор из текстолита.. |
| 4-36105-Е | Сепаратор из текстолита.. |
| 4-36105-К | «Замок» (скос) на внутреннем кольце плюс массивный сепаратор из текстолита. |
| 6-36105 Е | Сепаратор из текстолита.. |
| 4-36105-КЕ | «Замок» (скос) на внутреннем кольце плюс массивный сепаратор из текстолита. Сепаратор из текстолита.. |
| 5-36105-К | «Замок» (скос) на внутреннем кольце плюс массивный сепаратор из текстолита. |
| 5-36105-КЕ | «Замок» (скос) на внутреннем кольце плюс массивный сепаратор из текстолита. Сепаратор из текстолита.. |
Модификации шарикового подшипника Т-36105 Е — это измененное основное конструктивное исполнение 36105, основные размеры (25x47x12) не отличаются.
| Обозначение | Гост | Конструктивные особенности |
|---|---|---|
| 7005ADLLBG/GNP42 | ISO | Универсальный подшипник. Нитриловое бесконтактное уплотнение (-25 to +120°C). Класс точности JIS4 для размеров и JIS 2 для точности вращения. Угол контакта 25°. |
| 7005UG/GNP42 | ISO | Универсальный подшипник. Канавки на внутренней стороне наружного кольца. Класс точности JIS4 для размеров и JIS 2 для точности вращения. |
| S7005 CE/HCP4A | ISO | Измененная или модифицированная внутренняя конструкция при неизменных основных размерах. 15° Угол контакта And (E) Small Size Steel Balls. |
| 7005CVUJ74 | ISO | Угол контакта 15°. Преднатяг (Лёгкий. Универсальные подшпники. |
| 7005HVUJ74 | ISO | Угол контакта 25°. Преднатяг (Лёгкий. Универсальные подшпники. |
| ML7005CVUJ74S | ISO | Угол контакта 15°. Универсальные подшпники. Высокопрецизионные радиально-упорные подшипники с высокой скоростью вращения. Преднатяг (Лёгкий. |
| ML7005HVUJ74S | ISO | Угол контакта 25°. Универсальные подшпники. Высокопрецизионные радиально-упорные подшипники с высокой скоростью вращения. Преднатяг (Лёгкий. |
| MLE7005HVUJ74S | ISO | Угол контакта 25°. Универсальные подшпники. Преднатяг (Лёгкий. Высокопрецизионные радиально-упорные подшипники с высокой скоростью вращения с бесконтактным уплотнением с обеих сторон. |
| 7005C | ISO | Угол контакта 15°. |
| QJ1005 | ISO | Штампованный сепаратор из стального листа. Шариковый подшипник с четырех-точечным контактом. |
| HSS7005-E-T-P4S | ISO | Повышенная грузоподъемность. Textile Laminated Phenolic Resin. Outer Ring Guided. The Cage Is Suitable For Long-Term Operation At Temperatures Up To 100°C. Класс точности. стандарт FAG лучше чем P4. |
| SM7005CP5 | ISO | Класс точности. |
| 7005CPA | ISO | Угол контакта 15 градусов. |
| 7005AC | ISO | Суффикс для радиально-упорного шарикоподшипника. |
| 5S-2LA-HSE005ADG/GNP42 | ISO | Универсальный подшипник. Класс точности JIS4 для размеров и JIS 2 для точности вращения. Угол контакта 25°. Гибридный подшипник. |
| 5S-2LA-HSE005CG/GNP42 | ISO | Угол контакта 15°. Универсальный подшипник. Класс точности JIS4 для размеров и JIS 2 для точности вращения. Гибридный подшипник. |
| 2-46105 Е | ГОСТ | Сепаратор из текстолита.. |
| 2-46105 Л | ГОСТ | Сепаратор из латуни.. |
| 6-46105 Е | ГОСТ | Сепаратор из текстолита.. |
| 46105К | ГОСТ | «Замок» (скос) на внутреннем кольце плюс массивный сепаратор из текстолита. |
Аналог шарикового подшипника Т-36105 Е — это подшипник такого же размера dx25,Dx47,Bx12, типа и конструкции.
| Обозначение | Конструктивные особенности | Внутренний (d) | Наружный (D) | Ширина (B) |
|---|---|---|---|---|
| 105-Л | Шариковый радиальный однорядный подшипник. Сепаратор из латуни.. | 25.00 | 47.00 | 12.00 |
| 105-Т2 | Шариковый радиальный однорядный подшипник. 200°. Температура отпуска. | 25.00 | 47.00 | 12.00 |
| 105-ЮТ | Шариковый радиальный однорядный подшипник. Температура отпуска. 160°. Все детали или часть деталей из нержавеющей стали.. | 25.00 | 47.00 | 12.00 |
| 180105-А | Шариковый радиальный однорядный подшипник. Повышенная грузоподъемность. | 25.00 | 47.00 | 12.00 |
| 180105-С9 | Шариковый радиальный однорядный подшипник. Смазка ЛЗ-31. | 25.00 | 47.00 | 12.00 |
| 36-105 Р1 | Шариковый радиальный однорядный подшипник. Детали из теплоустойчивой (быстрорежущие) стали.. | 25.00 | 47.00 | 12.00 |
| 36-105 ЮТ | Шариковый радиальный однорядный подшипник. Температура отпуска. 160°. Все детали или часть деталей из нержавеющей стали.. | 25.00 | 47.00 | 12.00 |
| 36-905 Р1 | Шариковый радиальный однорядный подшипник. Детали из теплоустойчивой (быстрорежущие) стали.. | 25.01 | 46.99 | 12.00 |
| 5-180105-С17 | Шариковый радиальный однорядный подшипник. Смазка Литол-24. | 25.00 | 47.00 | 12.00 |
| 6-105 А | Шариковый радиальный однорядный подшипник. Повышенная грузоподъемность. | 25.00 | 47.00 | 12.00 |
| 6-105 Б | Шариковый радиальный однорядный подшипник. Сепаратор из безоловянистой бронзы.. | 20.00 | 42.00 | 12.00 |
| 6-105 Л | Шариковый радиальный однорядный подшипник. Сепаратор из латуни.. | 25.00 | 47.00 | 12.00 |
| 6-105 ЛТ2 | Шариковый радиальный однорядный подшипник. Сепаратор из латуни.. 200°. Температура отпуска. | 25.00 | 47.00 | 12.00 |
| 6-105 Р1 | Шариковый радиальный однорядный подшипник. Детали из теплоустойчивой (быстрорежущие) стали.. | 25.00 | 47.00 | 12.00 |
| 6-105 ЮТ | Шариковый радиальный однорядный подшипник. Температура отпуска. 160°. Все детали или часть деталей из нержавеющей стали.. | 25.00 | 47.00 | 12.00 |
Способы доставки
Отправка через ведущие транспортные и курьерские компании: ПЭК, Деловые Линии, СДЭК, Байкал-Сервис, Энергия, КИТ, ЖелДорЭкспедиция.
Самовывоз возможен напрямую со склада в Москве.
Сроки доставки
Срок зависит от региона и выбранной транспортной компании. Все заказы комплектуются и отправляются в кратчайшие сроки со склада в Москве.
Надёжность и сохранность
Вся продукция упаковывается с учётом требований транспортировки. Мы гарантируем, что подшипники и комплектующие прибудут к заказчику в полной сохранности.
Доставка в страны ЕАЭС
Мы работаем с проверенными логистическими партнёрами, что позволяет оперативно доставлять заказы в Беларусь, Казахстан, Армению и другие страны ЕАЭС.
Варианты оплаты:
Минимальная сумма заказа и скидки:
Документы и гарантии:
Да, конечно! Наши технические специалисты готовы помочь вам с подбором точного аналога или замены подшипника. Просто позвоните нам по телефону +7 (495) 104-99-04 или напишите на почту zakaz@podsnab.ru.
Для оперативной консультации подготовьте, пожалуйста, имеющиеся данные: маркировку, размеры, тип оборудования или артикул старого подшипника.
Да, конечно! Мы высоко ценим долгосрочное сотрудничество и доверие клиентов по всей России. Для постоянных клиентов действует персональная система скидок.
Условия формируются индивидуально и зависят от:
Чтобы узнать свои условия и получить максимально выгодное предложение, свяжитесь с персональным менеджером или напишите нам на почту zakaz@podsnab.ru.
Вы можете оформить заказ несколькими способами:
Для оформления заказа от юридического лица свяжитесь с нашим отделом по работе с корпоративными клиентами по телефону +7 (495) 104-99-04 или напишите на email zakaz@podsnab.ru, прикрепив реквизиты вашей организации.
Мы оперативно подготовим коммерческое предложение и выставим счет.
Возврат товара надлежащего качества возможен в течение 10 дней с момента получения, если товар не был в употреблении, сохранен товарный вид, упаковка не вскрывалась и присутствуют все сопроводительные документы.
Возврат денежных средств осуществляется в течение 10 рабочих дней после проверки товара складом.
В соответствии с законодательством возврату не подлежат подшипники надлежащего качества, если отсутствует оригинальная упаковка или имеются следы монтажа.
В случае выявления брака или гарантийного случая мы гарантируем возврат или обмен товара.
Да, гарантийный срок хранения устанавливается заводом-изготовителем и в среднем составляет 2 года при соблюдении условий хранения: сухое помещение, оригинальная упаковка и смазка.
Точный срок для конкретного типа подшипника уточняйте у наших менеджеров.
Пн–Пт: с 8:00 до 17:00 (МСК).
Сб–Вс: выходные дни.
Заказы на сайте принимаются круглосуточно. Заявки, поступившие после окончания рабочего дня, обрабатываются на следующий рабочий день.
Минимальная сумма заказа для доставки составляет 3000 рублей. Самовывоз со склада возможен на любую сумму при наличии товара.
ООО «УралТехГрупп»
ИНН: 7415093830
КПП: 772401001
ОГРН: 1167456069021
Банк: ПАО Сбербанк
Р/с: 40702810838000475273
К/с: 30101810400000000225
БИК: 044525225
У подшипника Т-36105 Е пока нет отзывов. Вы можете стать первым покупателем, поделившимся своим мнением.