Поиск подшипника
Статьи
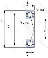
71832 ACD/P4 — Шариковый радиально-упорный однорядный подшипник, модификация основного исполнения 71832, производство SKF.
Размер подшипника: 160x200x20 мм.
Однорядный с улучшенной конструкцией и углом контакта 25°, класс точности.
Международная стандартизации ISO
71832ACDP4
В наличии
| Обозначение | Конструктивные изменения |
|---|---|
| 71832 CD/HCP4 | Двухкомпонентный штампованный стальной сепаратор с направляющим кольцом. |
| 71832 CD/P4 | Двухкомпонентный штампованный стальной сепаратор с направляющим кольцом. Класс точности. |
| 71832 ACD/HCP4 | Однорядный с улучшенной конструкцией и углом контакта 25°. |
| 71832 ATBP4 | Шариковый радиально-упорный однорядный подшипник. |
| 71832 CTBP4 | Шариковый радиально-упорный однорядный подшипник. |
| 71832 A | Двухрядный радиально-упорный шарикоподшипник без отверстия для смазки. |
| 71832 C | 15° Угол контакта. |
| 71832 ACD/HCP4A | Измененная или модифицированная внутренняя конструкция при неизменных основных размерах. 25° Угол контакта. |
| 71832 CD/HCP4A | Измененная или модифицированная внутренняя конструкция при неизменных основных размерах. Двухкомпонентный штампованный стальной сепаратор с направляющим кольцом. |
| 71832 CD/P4A | Двухкомпонентный штампованный стальной сепаратор с направляющим кольцом. Точность размеров в соответствии с классом допуска ISO 4. точность вращения лучше чем класс допуска ISO 4. |
Модификации шарикового подшипника 71832 ACD/P4 — это измененное основное конструктивное исполнение 71832, основные размеры (160x200x20) не отличаются.
| Обозначение | Гост | Конструктивные особенности |
|---|---|---|
| 5S-7832CG/GNP42 | ISO | Универсальный подшипник. Резьбовой винт со стопором и защелкой. Класс точности JIS4 для размеров и JIS 2 для точности вращения. Гибридный подшипник. |
| 7832 | ISO | Шариковый радиально-упорный однорядный подшипник. |
| 7832CG/GNP42 | ISO | Универсальный подшипник. Резьбовой винт со стопором и защелкой. Класс точности JIS4 для размеров и JIS 2 для точности вращения. |
| SF3227PX1 | ISO | Специальный допуск. |
| SF3227 | ISO | Шариковый радиально-упорный однорядный подшипник. |
| SF3240 | ISO | Шариковый радиально-упорный однорядный подшипник. |
| SEA160/NS 7CE1 | ISO | Шарики из нитрида кремния Si3N4 (гибридные подшипники). Керамические шарики. |
| SEA160 7CE3 | ISO | Шариковый радиально-упорный однорядный подшипник. |
| SEA160 7CE1 | ISO | Шариковый радиально-упорный однорядный подшипник. |
| SEA160/NS 7CE3 | ISO | Шарики из нитрида кремния Si3N4 (гибридные подшипники). Керамические шарики. |
| 7832C | ISO | Угол контакта 15°. |
| 6-1146832 Л | ГОСТ | Сепаратор из латуни.. |
Аналог шарикового подшипника 71832 ACD/P4 — это подшипник такого же размера dx160,Dx200,Bx20, типа и конструкции.
| Обозначение | Конструктивные особенности | Внутренний (d) | Наружный (D) | Ширина (B) |
|---|---|---|---|---|
| 6832N | Шариковый радиальный однорядный подшипник. Канавка для стопорного кольца на наружном кольце. | 160.00 | 200.00 | 20.00 |
| 683-2Z | Шариковый радиальный однорядный подшипник. Защитные металлические шайбы с обеих сторон подшипника. | 160.00 | 200.00 | 20.00 |
| 6832-2RZ | Шариковый радиальный однорядный подшипник. Шарикоподшипник. С уплотнением и низким коэффициентом трения с обеих сторон. Уплотнение состоит из шайбы из листовой стали с вулканизированной резиной. | 160.00 | 200.00 | 20.00 |
| 6832-RZ | Шариковый радиальный однорядный подшипник. Один стальное уплотнение и одно резиновое. | 160.00 | 200.00 | 20.00 |
| 6832ZZ | Шариковый радиальный однорядный подшипник. Защитные металлические шайбы с обеих сторон. | 160.00 | 200.00 | 20.00 |
| 6832-2RD | Шариковый радиальный однорядный подшипник. Облегченное контактное уплотнение с двух сторон.. | 160.00 | 200.00 | 20.00 |
| 6832DDU | Шариковый радиальный однорядный подшипник. Резиновые уплотнения с каждой стороны подшипника. | 160.00 | 200.00 | 20.00 |
| 6832VV | Шариковый радиальный однорядный подшипник. Защитные металлические шайбы. с обеих сторон подшипника. Бесконтактное уплотнение. (лучше. чем ZZ. Можно использовать в умеренно запыленной среде). | 160.00 | 200.00 | 20.00 |
| 6832ZZS | Шариковый радиальный однорядный подшипник. Защитные металлические шайбы с двух сторон подшипника (удерживается стопорным кольцом на внешнем кольце - обычно для миниатюрных шарикоподшипников). | 160.00 | 200.00 | 20.00 |
| 1000832-БТ | Шариковый радиальный однорядный подшипник. Температура отпуска. 160°. Сепаратор из безоловянистой бронзы.. | 160.00 | 200.00 | 20.00 |
| 1000832-Л | Шариковый радиальный однорядный подшипник. Сепаратор из латуни.. | 160.00 | 200.00 | 20.00 |
| 1000832-ЛТ1 | Шариковый радиальный однорядный подшипник. Сепаратор из латуни.. 180°. Температура отпуска. | 160.00 | 200.00 | 20.00 |
| 26-1000832 БТ1 | Шариковый радиальный однорядный подшипник. 180°. Сепаратор из безоловянистой бронзы.. Температура отпуска. | 160.00 | 200.00 | 20.00 |
| 6-1000832 Л | Шариковый радиальный однорядный подшипник. Сепаратор из латуни.. | 160.00 | 200.00 | 20.00 |
| 6-1000832 ЛТ1 | Шариковый радиальный однорядный подшипник. Сепаратор из латуни.. 180°. Температура отпуска. | 160.00 | 200.00 | 20.00 |
Способы доставки
Отправка через ведущие транспортные и курьерские компании: ПЭК, Деловые Линии, СДЭК, Байкал-Сервис, Энергия, КИТ, ЖелДорЭкспедиция.
Самовывоз возможен напрямую со склада в Москве.
Сроки доставки
Срок зависит от региона и выбранной транспортной компании. Все заказы комплектуются и отправляются в кратчайшие сроки со склада в Москве.
Надёжность и сохранность
Вся продукция упаковывается с учётом требований транспортировки. Мы гарантируем, что подшипники и комплектующие прибудут к заказчику в полной сохранности.
Доставка в страны ЕАЭС
Мы работаем с проверенными логистическими партнёрами, что позволяет оперативно доставлять заказы в Беларусь, Казахстан, Армению и другие страны ЕАЭС.
Варианты оплаты:
Минимальная сумма заказа и скидки:
Документы и гарантии:
Да, конечно! Наши технические специалисты готовы помочь вам с подбором точного аналога или замены подшипника. Просто позвоните нам по телефону +7 (495) 104-99-04 или напишите на почту zakaz@podsnab.ru.
Для оперативной консультации подготовьте, пожалуйста, имеющиеся данные: маркировку, размеры, тип оборудования или артикул старого подшипника.
Да, конечно! Мы высоко ценим долгосрочное сотрудничество и доверие клиентов по всей России. Для постоянных клиентов действует персональная система скидок.
Условия формируются индивидуально и зависят от:
Чтобы узнать свои условия и получить максимально выгодное предложение, свяжитесь с персональным менеджером или напишите нам на почту zakaz@podsnab.ru.
Вы можете оформить заказ несколькими способами:
Для оформления заказа от юридического лица свяжитесь с нашим отделом по работе с корпоративными клиентами по телефону +7 (495) 104-99-04 или напишите на email zakaz@podsnab.ru, прикрепив реквизиты вашей организации.
Мы оперативно подготовим коммерческое предложение и выставим счет.
Возврат товара надлежащего качества возможен в течение 10 дней с момента получения, если товар не был в употреблении, сохранен товарный вид, упаковка не вскрывалась и присутствуют все сопроводительные документы.
Возврат денежных средств осуществляется в течение 10 рабочих дней после проверки товара складом.
В соответствии с законодательством возврату не подлежат подшипники надлежащего качества, если отсутствует оригинальная упаковка или имеются следы монтажа.
В случае выявления брака или гарантийного случая мы гарантируем возврат или обмен товара.
Да, гарантийный срок хранения устанавливается заводом-изготовителем и в среднем составляет 2 года при соблюдении условий хранения: сухое помещение, оригинальная упаковка и смазка.
Точный срок для конкретного типа подшипника уточняйте у наших менеджеров.
Пн–Пт: с 8:00 до 17:00 (МСК).
Сб–Вс: выходные дни.
Заказы на сайте принимаются круглосуточно. Заявки, поступившие после окончания рабочего дня, обрабатываются на следующий рабочий день.
Минимальная сумма заказа для доставки составляет 3000 рублей. Самовывоз со склада возможен на любую сумму при наличии товара.
ООО «УралТехГрупп»
ИНН: 7415093830
КПП: 772401001
ОГРН: 1167456069021
Банк: ПАО Сбербанк
Р/с: 40702810838000475273
К/с: 30101810400000000225
БИК: 044525225
У подшипника 71832 ACD/P4 пока нет отзывов. Вы можете стать первым покупателем, поделившимся своим мнением.